Next Article in Journal
Mesosphere and Lower Thermosphere
Previous Article in Journal
New Observations of the Meteorological Conditions Associated with Particulate Matter Air Pollution Episodes in Santiago, Chile
 
 
Font Type:
Arial Georgia Verdana
Font Size:
Aa Aa Aa
Line Spacing:
Column Width:
Background:
Article

Simulation Analysis of Methane Exhaust Reforming Mechanism Based on Marine LNG Engine

College of Power and Energy Engineering, Harbin Engineering University, Harbin 150001, China
*
Author to whom correspondence should be addressed.
Atmosphere 2023, 14(9), 1455; https://doi.org/10.3390/atmos14091455
Submission received: 31 July 2023 / Revised: 13 September 2023 / Accepted: 18 September 2023 / Published: 19 September 2023
(This article belongs to the Section Air Quality)

Abstract

:
LNG is a potential alternative fuel for ships. Generating H2 through exhaust reforming is an effective method to improve the performance of the LNG engine and reduce its pollutant emissions. It is necessary to study the mechanism of methane exhaust reforming to guide the design of the reformer. Based on the detailed mechanism, the characteristics of methane reforming reaction were studied for a marine LNG engine. Firstly, the reforming characteristics of exhaust were studied. The results show that methane reforming requires a lean oxygen environment, and the hydrogen production reaction will not occur when the O2 concentration is too high. Then, the effects of the O2/CH4 ratio (0.2–1) and H2O/CH4 ratio (0–2) on the reforming reaction were studied. The results show that under O2/CH4 = 0.4, the molar fraction of hydrogen at the outlet of the reactor decreases with the increase in the H2O/CH4 ratios. Finally, a mechanism analysis was conducted. The results show that an oxidation reaction occurs first and then the steam reforming reaction occurs on palladium-based catalysts.

1. Introduction

Marine fuel is mostly heavy fuel oil (HFO), and the complexity of low-quality fuel components leads to more exhaust pollutants from ships, such as nitrogen oxides (NOx), sulfur oxides (SOx), particulate matter (PM), and carbon dioxide (CO2) [1]. The relevance of the maritime transport sector to air pollutant emissions and its impact on air quality and human exposure, in particular on urban port areas, is evident [2]. In recent years, ship engines have gradually developed towards levels of low carbon, low pollution, and high efficiency. Technologies such as alternative fuels [3], after-treatment devices [4,5,6], and fuel cells [7] have been widely discussed.
At present, liquefied natural gas (LNG), as clean energy, has the advantages of a low carbon-to-hydrogen ratio and sulfur-free content. Marine engines fueled by LNG mostly use lean combustion and run on the Otto cycle to improve thermal efficiency and resist knocking and NOx emissions [8]. Research has shown that compared to high-speed diesel engines using heavy oil as fuel, LNG engines can reduce NOx emissions by 86%, SO2 emissions by 98%, CO2 emissions by 11%, and PM emissions by 96%; Compared to two-stroke diesel engines, two-stroke low-speed engines using LNG as fuel can reduce NOx emissions by 90%, SO2 emissions by 100%, CO2 emissions by 20%, and PM emissions by 99% [9,10]. In addition, the use of LNG and NH3 blended combustion also provides an option for ships to reduce emissions [11,12]. Due to the above advantages, LNG fuel ships have the highest number of alternative fuel ships. According to the latest DNV statistics, as of July 2023, there were 1079 ships using LNG in operation [13]. However, engines using LNG can be prone to the problem of methane slip, where unburned fuel is expelled in the exhaust. Methane has a higher greenhouse effect than CO2. In addition, the engines still emit some NOx.
Hydrogen has the advantages of low ignition energy and fast flame speed [14], and adding hydrogen to engines using LNG as fuel can improve the combustion process, thereby, reducing methane slip. In recent years, the reformed exhaust gas recirculation technology (REGR) of using exhaust and fuel for reforming to generate hydrogen has attracted widespread interest [15]. REGR produces hydrogen-rich gas through catalytic reforming of exhaust gas and fuel, which is recirculated into the engine. Long et al. [16] established a REGR furnace platform connected to marine LNG engines to generate hydrogen. On this platform, experiments were conducted to investigate the effects of the methane–oxygen ratio, reforming the exhaust gas ratio and the engine excess air ratio on the composition, hydrogen production rate, thermal efficiency, and reforming process of the reformer. The results indicate that reforming the mixture of engine exhaust gas (about 400 °C) and methane supplied through pipelines can generate hydrogen-rich gas. Under the catalysis of Ni/Al2O3 catalyst, the hydrogen volume concentration of the reforming product ranges from 6.2% to 12.6%. Through the combination of hydrogen and exhaust gas recirculation, the performance and emission of the marine LNG engine can be improved [17]. Long et al. [18] integrated a specially designed REGR reformer with a marine LNG engine and studied the performance of the reformer and engine closed-loop system, aiming to explore the emission reduction potential of REGR technology in marine LNG engines. The results show that the NOx emissions of the marine LNG engine using REGR are 60–70% lower than the prototype engine and can meet Tier III emission regulations.
In order to design a methane reformer, it is necessary to study the methane reforming mechanism. At present, there are a lot of examples of research on methane reforming based on chemical reaction kinetics [19,20,21]. Delgado et al. [22] established a detailed reaction mechanism of catalytic conversion of methane over the nickel catalyst, conducted experimental and kinetic simulation studies on the methane reforming process, and established a kinetic model that can predict the product distribution of the methane reforming process. The experimental and simulation results show that methane reforming follows an indirect path, that is, all the methane is oxidized to produce water and carbon dioxide, and the remaining methane is steam reformed to produce hydrogen and carbon monoxide. Karakaya et al. [23] developed a detailed reaction mechanism of methane reforming over rhodium catalyst and proved through experiments that the detailed reaction mechanism has a good predictive effect on the formation characteristics of hydrogen and other products and methane conversion under the condition of multi-component intake. Stotz et al. [24] developed a detailed reaction mechanism of methane reforming over palladium catalyst, which proposed three different methane activation pathways, comprising pyrolytic C–H bond dissociation steps and oxygen-assisted and dual-oxygen-assisted CH4 activation. Kinetic simulation of the reaction mechanism was performed using Detchem software to study the reaction characteristics of methane reforming for hydrogen production. However, most of the above studies are not based on the background of ship applications.
In this paper, based on the background of ship applications, the methane reforming process on palladium catalyst is studied based on the detailed chemical reaction mechanism. The one-dimensional reactor model in Chemkin software was used to simulate the methane reforming characteristics of natural gas engines under exhaust conditions, and the effects of different intake components and temperature on the methane reforming characteristics were studied. The sensitivity analysis method was used to analyze the sensitivity of H2 and CO formation at different temperatures, and the elementary reactions that had a great influence on the formation of H2 and CO were obtained. On this basis, the main reaction path diagram in the process of methane reforming was established, and the law of methane reforming on palladium catalyst was summarized. The results can be used to design marine natural gas engine reformers.

2. Materials and Methods

2.1. Mathematical Model

The plug-flow reactor (PFR) module in Chemkin was used to simulate the catalytic reaction mechanism. PFR reactor is a one-dimensional steady-state plunger flow reactor, which is often used in the simulation calculation of steady-state tube flow reactor for process design, optimization, and control. The one-dimensional plunger flow reactor model is generally based on the following assumptions:
  • For steady-state conditions, all parameters of the working fluid at each cross section are assumed no radial variations in the properties with time.
  • The reactor is a round pipe with equal diameter, and the temperature at each radial position is equal and constant.
  • The axial diffusion of any quantity of the corresponding convective term is negligible.
  • No interphase and intraparticle mass transfer limitations.
Since the code uses a one-dimensional heterogeneous model, the governing equations of mass and momentum balance can be simplified into first-order ordinary differential equations, which can greatly speed up the calculation process. In addition, the energy equations of the wall and gas phase are not necessary to solve for the isothermal condition. Therefore, the governing equations can be expressed as follows:
Mass continuity equation
ρ u d A d x + ρ A d u d x + A u d ρ d x = m = 1 M a i , m k = 1 N g s ˙ k , m W k ,
where ρ is the density, kg/m3; u is the axial velocity of the gas, m/s; Wk is the molecular mass of species i, g/mol; s ˙ k , m is molar rate of production of species k by surface reaction, mol/(cm2·s); A is the cross-sectional area of the pipe, m2; ai,m is the effective internal surface area per unit length of material, m2/m. Ng is the number of gas-phase species.
Gas-species conservation equation
ρ u A d Y k d x + Y k m = 1 M a i , m k = 1 K g s ˙ k , m W k = W k ( m = 1 M s ˙ k , m a i , m + ω ˙ k , m A ) ,
where Yk is the mass fraction of species k; ω ˙ k , m is molar rate of production by homogeneous gas reactions, mol/(cm3·s).
Energy equation
ρ u A ( k = 1 K g h k d Y k d x + C p d T d x + u d u d x ) + ( k = 1 K g h k Y k + 1 2 u 2 ) m = 1 M a i , m k = 1 K g s ˙ k , m W k = a e Q e m = 1 M a i , m k = 1 K b s ˙ k , m W k h k ,
where hk is the specific enthalpy of species, J/kg; Cp is the mean heat capacity per unit mass of the gas, J/(kg·K); T is the gas temperature, K; Qe is heat flux from the surroundings to the outer tube wall, W/m2; ae is external surface area per unit length of material, m2/m.
Momentum equation
A d P d x + ρ u A d u d x + d F d x + u m = 1 M a i , m k = 1 K g s ˙ k , m W k = 0 ,
where P is the absolute pressure, Pa, and F is the drag force exerted on the gas by the tube wall, N.
Methane reforming is carried out in a honeycomb ceramic reactor with Al2O3 as carrier and palladium as catalyst. The detailed mechanism of methane reforming used in this paper was proposed by Stotz [25]. The reaction mechanism covers the possible reactions that may occur in methane catalytic reforming, as shown in Equations (5)–(9). The reaction mechanism consists of 54 elementary reactions, including 7 adsorption reactions, 7 desorption reactions, and 40 surface reactions. The mechanism includes six gas phase components, including CH4 and O2, partial oxidation products H2 and CO, and complete oxidation products H2O and CO2. It consists of 15 surface phase components, namely CH4(s), CH3(s), CH2(s), CH(s), C(s), CO(s), CO2(s), H3CO(s), H2CO(s), HCO(s), COOH(s), O(s), H(s), OH(s), and H2O(s). In this paper, the mechanism is compiled and imported into Chemkin for simulation calculation, and the gas phase reactions have been ignored.
CH 4 + 2 O 2 CO 2 + H 2 O
CH 4 + 0.5 O 2 CO + 2 H 2
C H 4 + H 2 O C O 2 + 3 H 2
C H 4 + 2 H 2 O C O 2 + 4 H 2
CO + H 2 O CO 2 + H 2

2.2. Model Validation

The mechanism of methane reforming was verified by using the experimental data in reference [24]. The palladium catalyst used in the experiment was taken from a monolithic commercial catalyst and placed in a quartz tube to form a honeycomb ceramic reactor. Therefore, the honeycomb ceramic reactor module in Chemkin was used for simulation during model verification. The reactor model parameters are listed in Table 1.
The experimental conditions are shown in Table 2. The boundary conditions for Chemkin simulation are set according to the experimental conditions, and nitrogen is used as the balance gas.
Figure 1 shows the result of experimental and simulated concentration distributions of CH4, O2, CO, H2, and H2O along the reactor axis. From the experimental values in the figure, it can be seen that O2 is rapidly consumed by CH4 at the inlet of the reactor, while the molar fraction of H2O increases. CH4 oxidation reaction occurs, and the oxidation products are CO2 and H2O. After O2 is completely consumed, the concentration of CH4 further decreases, while the concentration of H2O also decreases, and the concentration of H2 and CO increases. At this time, the main steam reforming reaction occurs in the reactor. It can be seen from the figure that the simulated concentration curves of each component well reflect the reaction processes occurring in the reactor, and the simulated concentration curves of each component are consistent with the experimental values, while the concentration curves of H2 and H2O differ greatly from the experimental values, and the simulated values overestimate the H2 generation amount. The root mean square error (RMSE) is used to represent the average deviation between the predicted values and the experimental values. The RMSE values are 0.00622, 0.00759, 0.00329, 0.0352, and 0.0144 for CH4, O2, CO, H2, and H2O, respectively. The evaluation results indicate that the simulation values are in good agreement with the experimental values. At the same time, it was also found that the RMSE values of H2 and H2O were one order of magnitude larger than those of other substances, indicating that the prediction performance of H2 and H2O was somewhat poor. This may be because the catalytic reaction mechanism overestimates the intensity of the steam reforming reaction, and Stotz’s simulation results also show this trend [24]. Although there is a slight deviation in the axial concentration curve of each component of the reactor, the error between the simulated and experimental values of each component concentration at the reactor outlet is very small. Table 3 shows the comparison between the experimental and simulated values of each component concentration at the reactor outlet, and it can be seen from this table that there is a good consistency between the experimental and simulated values of different component concentrations.

3. Results and Discussion

3.1. Reforming Characteristics of LNG Engine Exhaust

Firstly, the reforming characteristics of the exhaust were studied. The measurement results of the exhaust composition of a certain type of LNG engine at 75% load are shown in Table 4. At present, to calculate the reaction characteristics of exhaust components on palladium catalysts under different air fuel–ratio operating modes of the engine, and to explore the impact of the air–fuel ratio on methane reforming characteristics of the engine. The air–fuel ratio [26] is the air mass required for the combustion of a unit mass of fuel. The air–fuel ratio is an important parameter during engine operation, as it not only directly affects the engine’s power performance, but also has a decisive impact on combustion stability and exhaust pollutant emissions.
The air–fuel ratio of the engine can be calculated based on the composition of the exhaust, as shown in Equation (10) [27].
λ = 2 x C O 2 + x C O + 2 x O 2 + x N O + x H 2 O 2 x C O 2 + 2 x C O + x H 2 + 2.5 x C H 4 + x H 2 O
where λ —air–fuel ratio; x —mole fraction.
According to the above formula, and setting x H 2 to 1/3 of x C O , the air–fuel ratio of the engine is calculated to be 1.59. The air–fuel ratio is adjusted by changing the O2 concentration while keeping the concentration of other components unchanged. The methane reforming reaction does not involve NOx components, so NOx was merged into the N2 content, and two sets of air–fuel ratio combinations are shown in Table 5.
Figure 2 and Figure 3 show the axial reaction characteristics of the reactor under two inlet conditions calculated by Chemkin, including the axial concentration distribution of each gas component and the axial coverage distribution of several key intermediate species. As shown in Figure 2, when the air–fuel ratio is greater than 1, CH4 and H2 are rapidly oxidized at the inlet of the reactor, and the conversion rate of CH4 quickly reaches 100%. Additionally, due to excessive O2, no H2 is generated. The reason for this phenomenon can be analyzed from the coverage curves of several key species, and it can be concluded that O(s) quickly reaches a coverage close to 1 at the inlet of the reactor, resulting in the active surface of the palladium catalyst always being in an oxidizing atmosphere and the generation of H2 being strongly inhibited. At an air–fuel ratio of 0.95, the CO and H2 components in the exhaust are oxidized at the reactor inlet, jointly consuming O2 in the exhaust. When the O2 concentration becomes 0, the CH4 concentration is high and the H2O concentration in the exhaust is very high. At this point, the methane steam reforming reaction begins, so the concentration curve of H2 and CO begins to show an upward trend. Finally, the H2 concentration at the outlet of the reactor is 1370 ppm, the CO concentration is 460 ppm, and the CH4 conversion rate is 22.7%. From the perspective of mechanism, the process of reaction occurrence is analyzed. Firstly, the catalyst surface at the inlet of the reactor is covered by a large amount of O(s), and H(s) and CO(s) consume O(s) through the oxidation reaction. After O(s) is consumed, the coverage of H(s) and CO(s) begins to increase, and these two surface species, as precursors for steam reforming, begin to form on the catalyst surface. From the above analysis, it can be concluded that methane reforming requires a lean oxygen environment, and the hydrogen production reaction will not occur when the O2 concentration is too high.

3.2. Influencing Factors of Reforming Characteristics

The exhaust data of a 300 kW LNG engine at 75% load is used for the next step of methane reforming research. Since only the reforming reaction is studied, the exhaust components of natural gas engines are simplified into O2, H2O, CO2, and N2. The emissions of each component under 75% load are 9.12%, 13.21%, 6.61%, and 71.06%, respectively.

3.2.1. The Effect of Oxygen–Carbon Ratio (O2/CH4)

The molar fraction of each gas component at different O2/CH4 ratios is shown in Table 6. When using the Chemkin simulation, set the gas hourly space velocity (GHSV) to 10,000 h−1 and the reactor temperature to 700 K.
Figure 4 shows the methanol conversion and mole fraction of hydrogen in the outlet under different O2/CH4 rations. The molar fraction of H2 in the outlet first increases and then decreases with an increase in the O2/CH4 ratios. When the O2/CH4 ratio reaches 0.4, the mole fraction of H2 in the outlet reaches the maximum value of 0.24. When the O2/CH4 ratio is greater than 0.4, with an increase in the O2/CH4 ratio, a large amount of CH4 is consumed through the complete oxidation reaction. Thus, the CH4 used for steam reforming reaction is reduced, which weakens the steam-reforming reaction, and reduces the molar fraction of H2 in the outlet. In addition, excessive oxygen may oxidize hydrogen. It can be seen from the curve that the methane conversion increases with the increase in the O2/CH4 ratio, and the methane conversion approaches 100% when the O2/CH4 ratio is 0.6. This is because a large amount of methane is consumed through the oxidation reaction after the O2/CH4 ratio is greater than 0.6.
Figure 5 shows the variation trend of the H2/CO ratio and reactor outlet temperature under different O2/CH4 ratios. It can be seen from the figure that the O2/CH4 < 0.6, H2/CO ratio is maintained at about 2.64, and then decreases with the increase in the O2/CH4 ratio. The H2/CO ratio depends on the competition between the steam reforming reaction (CH4 + H2O→CO + 3H2) and the partial oxidation reaction (2CH4 + O2→2CO + 2H2). The H2/CO ratio of the steam reforming reaction is 3, while the partial oxidation reaction is 1. Thus, the H2/CO ratio is between 1–3, and close to 3 indicates that steam reforming is dominant, and close to 1 indicates that partial oxidation reforming is dominant. When the O2/CH4 < 0.6, the H2/CO ratio was about 2.64, indicating that the steam reforming reaction was dominant in the reactor. When the O2/CH4 > 0.6, as the oxygen-to-carbon ratio increases, the H2/CO ratio gradually decreases. When the O2/CH4 ratio is 1, the H2/CO ratio is approximately 1.5, indicating that partial oxidation reaction is dominant. It can be seen from Figure 5 that the temperature increases with an increase in the O2/CH4 ratio, because the oxidation reaction is strengthened with the increase in oxygen concentration, and the oxidation reaction is a strong exothermic reaction.
Figure 6 shows the change in the hydrogen production rate of methane reforming under different O2/CH4 ratios. Hydrogen production rate is defined as the ratio of the amount of hydrogen generated to the amount of methane under initial conditions. It can be seen that when the O2/CH4 ratio is lower than 0.6, the hydrogen production rate continues to rise, and when the oxygen–carbon ratio is 0.6, the hydrogen production rate reaches the maximum of 1.7, and then gradually decreases with the increase in the O2/CH4 ratio. The reason for this phenomenon is that methane steam reforming is dominant when the O2/CH4 ratio is low. With the increase in the O2/CH4 ratio, the complete oxidation reaction gradually dominates, so the hydrogen production rate gradually decreases.

3.2.2. The Effect of Steam–Carbon Ratio (H2O/CH4)

Based on the study of oxygen–carbon ratio, the influence of H2O concentration on hydrogen production from methane reforming was further explored, and the steam carbon ratio was defined as the ratio of the amount of additional H2O and CH4 substances, excluding the H2O in the engine exhaust gas. The molar fraction of each gas component at different H2O/CH4 ratios is shown in Table 7.
Figure 7 shows that the molar fraction of hydrogen at the outlet of the reactor decreases with the increase in the H2O/CH4 ratios. When the H2O/CH4 ratio is 0, the maximum molar fraction of hydrogen is 0.24, and when the H2O/CH4 ratio is 2, the minimum molar fraction is 0.19. According to the steam reforming reaction, an increase in the concentration of H2O will promote the reaction, but when the concentration of H2O is too high, the excess H2O will reduce the partial pressure of CH4. Steam reforming reaction is a strong endothermic reaction, the standard reaction enthalpy of the reaction is 205.9 kJ/kg, endothermic heat reduces the internal temperature of the reactor, the steam reforming reaction cannot maintain a high reaction rate so the H2 generation rate in the reactor gradually decreases. This phenomenon becomes more significant with the increase in H2O concentration. The methane conversion rate increased slightly with the increase in H2O/CH4 ratio, and the overall methane conversion rate remained above 74%.
It can be seen from Figure 8 that with the increase in the H2O/CH4 ratio, the H2/CO ratio keeps increasing, and the outlet temperature of the reactor becomes lower and lower. As the concentration of H2O increases, the steam-reforming reaction gradually becomes dominant in the reaction system, so the H2/CO ratio increases. Because the steam-reforming reaction is dominant in the system, the heat absorption also increases gradually, and the outlet temperature of the reactor shows a downward trend.
Figure 9 shows the change in hydrogen production rate under different H2O/CH4 ratios. It can be seen from the figure that the hydrogen production rate gradually increases with the increase in the H2O/CH4 ratio, and the hydrogen production rate reaches 1.43 when the H2O/CH4 ratio is 2.0. This is because the increase in H2O concentration promotes the steam-reforming reaction, so the hydrogen production rate continues to increase, but the H2O/CH4 ratio has little effect on the change of hydrogen production rate compared with the change of the O2/CH4 ratio.

3.3. Mechanism Analysis of Methane Reforming

The sensitivity coefficient indicated the influence of the elementary reaction on the analysis target. The sensitivity coefficient was positive, indicating that the elementary reaction had a positive impact. Conversely, the sensitivity coefficient was negative, indicating that the elementary reaction had a negative impact.
The Chemkin software includes a sensitivity analysis module, and the relevant control equations can be expressed as:
d c d t = f ( c , k ) , c ( t 0 ) = c 0
d d t c k j = J ( t ) c k j + δ f ( t ) k j , ( j = 1 m )
S i , j = k j c j c i k j = l n c i l n k i
In the formula, c is the n-dimensional concentration vector corresponding to the component, k is the m-dimensional reaction rate vector, c 0 is the initial concentration, J t is the Jacobian matrix, c k j is the initial zero vector, m is the number of elementary reactions, and S i , j is the sensitivity coefficient.

3.3.1. Temperature Sensitivity Analysis

Temperature sensitivity analysis can find the most obvious effect on the reaction temperature of the elementary reaction step, a sensitivity coefficient positive indicates that the elementary reaction will increase the reactor temperature, and a negative coefficient indicates that the elementary reaction will reduce the reactor temperature. Figure 10 shows the elementary reaction with the highest temperature sensitivity coefficient when the O2/CH4 ratio is 0.4 and the inlet temperatures are 700 K, 800 K, and 900 K, respectively.
It can be seen from Figure 10 that the maximum temperature sensitivity coefficient is the desorption reaction H(s) + H(s)→H2 + Pd(s), and the sensitivity coefficient of this reaction to temperature is negative. Therefore, this elementary reaction has a great impact on the reduction in the reaction temperature, and the sensitivity coefficient increases with the increase in the initial inlet temperature of the reactor. For catalytic reactions, the bonding of molecules or atoms with active metal atoms is exothermic, while the breaking of bonds of bound molecules or atoms requires absorbing a large amount of heat, so the sensitivity coefficient of H(s) desorption reaction is negative and increases with the increase in temperature.

3.3.2. Sensitivity Analysis for H2

As H2 is the expected product of methane reforming, it is necessary to analyze the main elementary reactions that affect its formation. Figure 11 shows the sensitivity analysis for H2 generation when the O2/CH4 ratio is 0.4 and the inlet temperatures are 700 K, 800 K, and 900 K, respectively. If the sensitivity coefficient is positive, it indicates that the elementary reaction promotes H2 generation; if the sensitivity coefficient is negative, it indicates that the elementary reaction inhibits H2 generation.
It can be seen from Figure 11 that the desorption reaction R8 (2H(s)→H2 + Pd(s)) has the strongest promotion effect on H2 generation, followed by the stepwise dehydrogenation of CH4 (R25, R27, R29, and R31). In addition, the adsorption reaction of CH4 (R3) also has a significant impact on the generation of H2. R8 has the strongest promotion effect on H2 generation because H(s) is directly dissociated to form H2 leaving the catalyst surface. The stepwise dehydrogenation step of CH4 provides H(s), which is the precursor of H2 formation, and therefore it has a high sensitivity to H2 generation. CH4 forms active molecules through adsorption to carry out the next step of dehydrogenation, so the sensitivity of this elementary reaction is also high.
It can be seen from Figure 11 that the elementary reaction R1 has the highest sensitivity of H2 consumption, because the adsorbed H(s) is easy to react with other active substances, making the reaction proceed in the direction of H2 consumption. R17, R26, R28, R30, R32, and R42 consume H(s), so the sensitivity coefficient is negative.
In addition, we also know from Figure 11 that the sensitivity coefficient varies with temperature. For example, as the temperature increases, the sensitivity coefficient of R8 increases, indicating that a high temperature may be beneficial to the formation of hydrogen.

3.3.3. Sensitivity Analysis for CO

CO is produced in the methane-reforming process at the same time as H2; however, in general, CO is not the desired substance, so it is necessary to carry out the sensitivity analysis of CO. Figure 12 shows the sensitivity analysis for CO generation when the O2/CH4 ratio is 0.4 and the inlet temperatures are 700 K, 800 K, and 900 K, respectively. If the sensitivity coefficient is positive, it indicates that the elementary reaction promotes CO generation; if the sensitivity coefficient is negative, it indicates that the elementary reaction inhibits CO generation.
It can be seen from Figure 12 that the formation of CO is also most sensitive to the adsorption of H2 (R1) and the desorption of H(s) (R8), followed by the adsorption (R6) and desorption (R11) of CO and the continuous dehydrogenation step of CH4 (R13, R25, R26, R27, R28, R29, R30, and R31). This is because both CO and H2 are products of methane steam reforming, and according to the previous analysis, the steam reforming reaction occurring at the oxygen–carbon ratio of 0.4 is very strong. Therefore, the key elementary reaction mentioned in the H2 sensitivity analysis has a similar effect on the generation of CO as H2, which is also in line with the research results of Wei et al. [28]. However, different from the key elementary reactions that affect H2 generation, CO generation is more sensitive to the elementary reactions related to COOH(s), and the sensitivity increases with the increase in temperature. Herrera et al. [29] also pointed out this feature.

3.3.4. Reaction Path Analysis

Figure 13 shows the concentration distribution of each component along the axis when the oxygen-to-carbon ratio is 0.4. It can be seen from the figure that methane reforming is divided into two reaction zones, the first is the methane oxidation zone and the second is the steam reforming zone. It can be seen from the axial concentration distribution diagram that the oxidation reaction mainly takes place in the inlet area of the reactor, and O2 in the inlet air is rapidly consumed. This process is accompanied by an increase in H2O concentration. At x = 0.7 mm, the concentration curve of H2 begins to rise, accompanied by a decrease in H2O concentration. In order to analyze the specific process of methane catalytic reaction in each reaction zone in more detail, reaction path analysis was carried out at the axial distance x = 0.5 mm and x = 10 mm to clarify the intermediate components involved in methane consumption and the specific path of H2 generation.
The methane reforming reaction paths at axial distances x = 0.5 mm and x = 10 mm are shown in Figure 14 and Figure 15 which reflect the specific process of methane consumption and the intermediate components involved. The reaction rate is represented by red arrow, black arrow and blue arrow, respectively. The red arrow indicates the fastest reaction rate, followed by black, and the smallest blue reaction. The elementary reaction with the smallest reaction rate has little effect on the reaction process, so it is not marked in the figure.
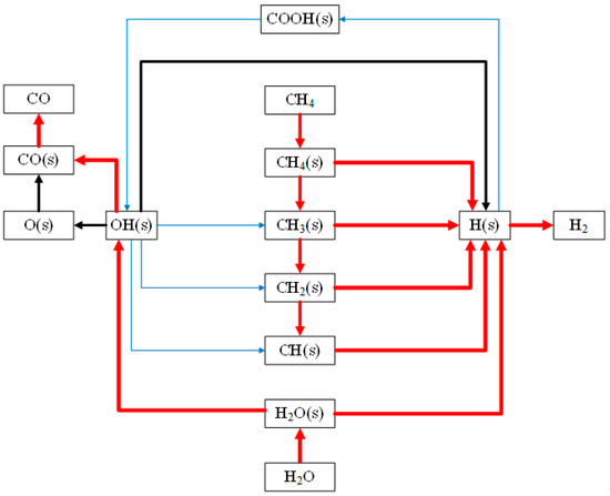
Figure 14 shows the intermediate species involved in the methane reforming reaction path at x = 0.5 mm and the reaction rate. It can be seen directly that O2, after dissociation and adsorption, combines with C(s) dissociated by CH4 to form CO(s), then combines with O(s) to form CO2, and H(s) and O(s) generated in the CH4 dehydrogenation step are combined into OH(s). It is then further combined with H(s) to form H2O, which is the oxidation step of CH4 and the fastest rate of the above elementary reaction step. The path diagram shows that there is still a small amount of H(s) combined with each other to generate H2, but the rate is very slow. Very little CO(s) will directly desorption to form CO, and most CO(s) will still proceed in the direction of forming CO2. It can also be seen from the figure that OH(s) and H(s) are the two most critical intermediate species in the reaction process, and the CH4 dehydrogenation step and the formation of H2O both involve these two intermediate species. COOH(s) is an important intermediate species in the water–gas conversion reaction process, which can be formed by the combination of CO(s) and OH(s), but the reaction rate is very slow in the oxidation zone.
Figure 15 shows the reaction path diagram of methane reforming at the axial distance of the reactor x = 10 mm. It can be seen from the diagram that H2O(s) in the oxidation zone is desorbed to form H2O, while in the reforming zone, H2O is adsorbed to form H2O(s), and then two key species OH(s) and H(s) are further formed. After the two H(s) are combined, desorption forms H2 at the fastest rate. OH(s) dissociates into O(s) and H(s), providing the O(s) needed to generate CO(s), O(s) combines with C(s) to form CO(s), and then directly desorbs to CO. The dehydrogenation step of methane still plays an important role, the reaction rate is very fast, and the dissociated H(s) is used to generate H2.
According to the reaction path analysis, the catalytic reforming of methane on palladium catalyst can be divided into two main regions. The first is the oxidation region, in which only the complete oxidation of CH4 occurs and the partial oxidation reaction rate is very small and can be ignored. Then, there is the steam-reforming region, when the O2 is completely consumed, the main steam-reforming reaction occurs, and H2O plays a very important role in this process. In the two reaction regions, the dehydrogenation step of CH4 is the fastest, which is an important elementary reaction step of methane reforming. In the oxidation region, the hydrogen production characteristics of methane reforming on palladium catalyst are different from those of catalysts such as rhodium, and there is almost no partial oxidative reforming under the action of palladium catalyst, so there is no H2 formation in the oxidation region. This conclusion is also consistent with the experimental conclusion of Diehm et al. [30].

4. Conclusions

LNG is a promising alternative fuel for ships; however, engines using LNG can be prone to the problem of methane slip, where unburned fuel is expelled in the exhaust. Methane has a higher greenhouse effect than CO2. In addition, the engines still emit some NOx. Adding H2 can effectively alleviate the above problems. The REGR technology generates H2 from exhaust and fuel to provide H2 for LNG engines. In order to design a REGR reformer, it is necessary to study the methane reforming mechanism. In this paper, based on the background of ship applications, the one-dimensional reactor model in Chemkin software was used to simulate the hydrogen production characteristics of LNG engines under exhaust conditions. The effects of different oxygen–carbon ratios, water–carbon ratios, and the temperature on the hydrogen production characteristics of methane reforming were studied. Sensitivity analysis in Chemkin was used to analyze the formation sensitivity of H2 and CO at different temperatures, and the elementary reactions that have a great influence on the formation of H2 and CO were obtained. The results can be used to design marine LNG engine reformers.
(1)
The results show that methane reforming requires a lean oxygen environment, and the hydrogen production reaction will not occur when the O2 concentration is too high.
(2)
Hydrogen production reaches the maximum when the oxygen–carbon ratio is 0.4, methane conversion reaches 100% when the oxygen–carbon ratio is 0.6, and hydrogen production decreases when the H2O concentration increases. The higher the intake temperature is, the more hydrogen is produced and the higher the methane conversion rate is.
(3)
Through the reaction path analysis, it was concluded that the hydrogen production of methane reforming on palladium catalyst follows an indirect path. That is, only oxidation reaction occurs in the front part of the reactor, and CH4 begins to generate H2 through steam reforming reaction and water gas shift reaction after O2 is completely consumed in the back part of the reactor.

Author Contributions

Conceptualization, Y.Z. and Y.F.; methodology, J.S.; software, H.Y.; validation, C.X. and Z.M.; formal analysis, J.S.; investigation, X.R.; writing—original draft preparation, J.S.; writing—review and editing, Y.Z. All authors have read and agreed to the published version of the manuscript.

Funding

This work was supported by the National Natural Science Foundation of China (grant number 51979060), the Heilongjiang Province Excellent Youth Science Fund (grant number YQ2023E034), and the Fundamental Research Funds for the Central Universities of China (grant number 3072022JC0305).

Institutional Review Board Statement

Not applicable.

Informed Consent Statement

Not applicable.

Data Availability Statement

Not applicable.

Acknowledgments

Thanks for the support of National Natural Science Foundation of China (51979060). Thanks for the support of the Heilongjiang Province Excellent Youth Science Fund (YQ2023E034). Thanks for the support of Fundamental Research Funds for the Central Universities of China (3072022JC0305).

Conflicts of Interest

The authors declare no conflict of interest.

References

  1. Xia, C.; Zhu, Y.; Liu, D.; Zhou, S.; Feng, Y.; Shi, J.; Jun, Y. Newly developed detailed urea decomposition mechanism by marine engine urea-SCR system crystallization test and DFT calculations. Chem. Eng. J. 2023, 470, 144176. [Google Scholar] [CrossRef]
  2. Toscano, D. The Impact of Shipping on Air Quality in the Port Cities of the Mediterranean Area: A Review. Atmosphere 2023, 14, 1180. [Google Scholar] [CrossRef]
  3. Shi, J.; Zhu, Y.; Feng, Y.; Yang, J.; Xia, C. A Prompt Decarbonization Pathway for Shipping: Green Hydrogen, Ammonia, and Methanol Production and Utilization in Marine Engines. Atmosphere 2023, 14, 584. [Google Scholar] [CrossRef]
  4. Zhang, Y.; Xia, C.; Liu, D.; Zhu, Y.; Feng, Y. Experimental investigation of the high-pressure SCR reactor impact on a marine two-stroke diesel engine. Fuel 2023, 335, 127064. [Google Scholar] [CrossRef]
  5. Shi, J.; Zhu, Y.; Yang, J.; Xia, C.; Feng, Y.; Zhou, S. Combined removal experiment of NOx, SO2 and PM from marine diesel exhaust gas with SCR-DryEGCS System. Int. J. Engine Res. 2023. [Google Scholar] [CrossRef]
  6. Xia, C.; Zhu, Y.; Zhou, S.; Peng, H.; Feng, Y.; Zhou, W.; Zhang, J.; Xia, C.; Zhu, Y.; Zhou, S.; et al. Simulation study on transient performance of a marine engine matched with high-pressure SCR system. Int. J. Engine Res. 2023, 24, 1327–1345. [Google Scholar] [CrossRef]
  7. Qu, J.; Feng, Y.; Zhu, Y.; Wu, B.; Liu, J.; Jing, H.; Gao, Y. Thermodynamic analysis and comprehensive system optimization of the near zero emission hybrid power based on SOFC-ICE integrated system fueled with ammonia. Energy Convers. Manag. 2023, 294, 117553. [Google Scholar] [CrossRef]
  8. Cho, H.M.; He, B.Q. Spark ignition natural gas engines—A review. Energy Convers. Manag. 2007, 48, 608–618. [Google Scholar] [CrossRef]
  9. Elgohary, M.M.; Seddiek, I.S.; Salem, A.M. Overview of alternative fuels with emphasis on the potential of liquefied natural gas as future marine fuel. Proc. Inst. Mech. Eng. Part M J. Eng. Marit. Environ. 2015, 229, 365–375. [Google Scholar] [CrossRef]
  10. Iannaccone, T.; Landucci, G.; Scarponi, G.E.; Bonvicini, S.; Cozzani, V. Inherent safety assessment of alternative technologies for LNG ships bunkering. Ocean Eng. 2019, 185, 100–114. [Google Scholar] [CrossRef]
  11. Wu, X.; Feng, Y.; Gao, Y.; Xia, C.; Zhu, Y.; Shreka, M.; Ming, P. Numerical simulation of lean premixed combustion characteristics and emissions of natural gas-ammonia dual-fuel marine engine with the pre-chamber ignition system. Fuel 2023, 343, 127990. [Google Scholar] [CrossRef]
  12. Wu, X.; Feng, Y.; Xu, G.; Zhu, Y.; Ming, P.; Dai, L. Numerical investigations on charge motion and combustion of natural gas-enhanced ammonia in marine pre-chamber lean-burn engine with dual-fuel combustion system. Int. J. Hydrog. Energy 2023, 48, 11476–11492. [Google Scholar] [CrossRef]
  13. Erik, O.; Tore, L.; Marius, L.; Christoffer, B.; Anne, S.; Sagbakken, N.; Ola, G.S.; Øyvind, E.; Magnus, S.E. Maritime Forecast to 2050; DNV AS: Bærum, Norway, 2023; Available online: https://www.dnv.com/maritime/publications/maritime-forecast-2023/index.html (accessed on 8 September 2023).
  14. Li, G.; Long, Y.; Zhang, Z.; Liang, J.; Zhang, X.; Zhang, X.; Wang, Z. Performance and emissions characteristics of a lean-burn marine natural gas engine with the addition of hydrogen-rich reformate. Int. J. Hydrog. Energy 2019, 44, 31544–31556. [Google Scholar] [CrossRef]
  15. Tartakovsky, L.; Sheintuch, M. Fuel reforming in internal combustion engines. Prog. Energy Combust. Sci. 2018, 67, 88–114. [Google Scholar] [CrossRef]
  16. Long, Y.; Li, G.; Zhang, Z.; Wei, W.; Liang, J. Hydrogen-rich gas generation via the exhaust gas-fuel reformer for the marine LNG engine. Int. J. Hydrog. Energy 2022, 47, 14674–14686. [Google Scholar] [CrossRef]
  17. Qiao, J.; Li, Y.; Wang, S.; Wang, P.; Liu, J. Experimental investigation and numerical assessment the effects of EGR and hydrogen addition strategies on performance, energy and exergy characteristics of a heavy-duty lean-burn NGSI engine. Fuel 2020, 275, 117824. [Google Scholar] [CrossRef]
  18. Long, Y.; Li, G.; Zhang, Z.; Liang, J. Application of reformed exhaust gas recirculation on marine LNG engines for NOx emission control. Fuel 2021, 291, 120114. [Google Scholar] [CrossRef]
  19. Maestri, M.; Vlachos, D.G.; Beretta, A.; Groppi, G.; Tronconi, E. Steam and dry reforming of methane on Rh: Microkinetic analysis and hierarchy of kinetic models. J. Catal. 2008, 259, 211–222. [Google Scholar] [CrossRef]
  20. Arman, A.; Hagos, F.Y.; Abdullah, A.A.; Aziz, A.R.A.; Mamat, R.; Cheng, C.K.; Vo, D.V.N. Kinetic and CFD Modeling of Exhaust Gas Reforming of Natural Gas in a Catalytic Fixed-Bed Reactor for Spark Ignition Engines. Chem. Eng. Technol. 2020, 43, 705–718. [Google Scholar] [CrossRef]
  21. Huang, Y.; Zhang, Z.; Long, Y.; Zhang, Y.; Li, G.; Zhou, M. Hydrogen production and energy efficiency optimization of exhaust reformer for marine NG engines: A view of surface reaction kinetics. Fuel 2023, 336, 127051. [Google Scholar] [CrossRef]
  22. Delgado, K.H.; Maier, L.; Tischer, S.; Zellner, A.; Stotz, H.; Deutschmann, O. Surface Reaction Kinetics of Steam- and CO2-Reforming as Well as Oxidation of Methane over Nickel-Based Catalysts. Catalysts 2015, 5, 871–904. [Google Scholar] [CrossRef]
  23. Karakaya, C.; Maier, L.; Deutschmann, O. Surface reaction kinetics of the oxidation and reforming of CH4 over Rh/Al2O3 catalysts. Int. J. Chem. Kinet. 2016, 48, 144–160. [Google Scholar] [CrossRef]
  24. Stotz, H.; Maier, L.; Deutschmann, O. Methane oxidation over palladium: On the mechanism in fuel-rich mixtures at high temperatures. Top. Catal. 2017, 60, 83–109. [Google Scholar] [CrossRef]
  25. Stotz, H. Microkinetic Model Development for Methane Oxidation over Palladium Catalysts; Karlsruher Institut für Technologie (KIT): Karlsruhe, Germany, 2020. [Google Scholar] [CrossRef]
  26. Li, X.; Zhang, W.; Huang, Z.; Ju, D.; Huang, L.; Feng, M.; Lu, X.; Huang, Z. Pre-chamber turbulent jet ignition of methane/air mixtures with multiple orifices in a large bore constant volume chamber: Effect of air-fuel equivalence ratio and pre-mixed pressure. Front. Energy 2019, 13, 483–493. [Google Scholar] [CrossRef]
  27. Zeng, F.; Hohn, K.L. Modeling of three-way catalytic converter performance with exhaust mixture from natural gas-fueled engines. Appl. Catal. B Environ. 2016, 182, 570–579. [Google Scholar] [CrossRef]
  28. Wei, J.; Iglesia, E. Structural requirements and reaction pathways in methane activation and chemical conversion catalyzed by rhodium. J. Catal. 2004, 225, 116–127. [Google Scholar] [CrossRef]
  29. Herrera Delgado, K. Surface Reaction Kinetics for Oxidation and Reforming of H2, CO, and CH4 over Nickel-Based Catalysts; Karlsruher Institut für Technologie (KIT): Karlsruhe, Germany, 2014. [Google Scholar] [CrossRef]
  30. Diehm, C.; Deutschmann, O. Hydrogen production by catalytic partial oxidation of methane over staged Pd/Rh coated monoliths: Spatially resolved concentration and temperature profiles. Int. J. Hydrog. Energy 2014, 39, 17998–18004. [Google Scholar] [CrossRef]
Figure 1. The concentration distribution of the simulated (Sim.) and experimental (Exp.) values of each component along the axis.
Figure 1. The concentration distribution of the simulated (Sim.) and experimental (Exp.) values of each component along the axis.
Atmosphere 14 01455 g001
Figure 2. λ = 1.59, axial reaction characteristic curves of each species along the reactor axis: (a) axial concentration distribution of each component; (b) axial distribution of key species coverage.
Figure 2. λ = 1.59, axial reaction characteristic curves of each species along the reactor axis: (a) axial concentration distribution of each component; (b) axial distribution of key species coverage.
Atmosphere 14 01455 g002
Figure 3. λ = 0.95, axial reaction characteristic curves of each species along the reactor axis: (a) axial concentration distribution of each component; (b) axial distribution of key species coverage.
Figure 3. λ = 0.95, axial reaction characteristic curves of each species along the reactor axis: (a) axial concentration distribution of each component; (b) axial distribution of key species coverage.
Atmosphere 14 01455 g003
Figure 4. Variation trends of molar fraction of H2 in the outlet and methane conversion under different O2/CH4 ratios.
Figure 4. Variation trends of molar fraction of H2 in the outlet and methane conversion under different O2/CH4 ratios.
Atmosphere 14 01455 g004
Figure 5. Variation trends of H2/CO ratio and outlet temperature under different O2/CH4 ratios.
Figure 5. Variation trends of H2/CO ratio and outlet temperature under different O2/CH4 ratios.
Atmosphere 14 01455 g005
Figure 6. Hydrogen production rate under different O2/CH4 ratios.
Figure 6. Hydrogen production rate under different O2/CH4 ratios.
Atmosphere 14 01455 g006
Figure 7. Variation trends of molar fraction of H2 in the outlet and methane conversion under different H2O/CH4 ratios.
Figure 7. Variation trends of molar fraction of H2 in the outlet and methane conversion under different H2O/CH4 ratios.
Atmosphere 14 01455 g007
Figure 8. Variation trends of molar fraction of H2/CO ratio and reactor outlet temperature under different H2O/CH4 ratios.
Figure 8. Variation trends of molar fraction of H2/CO ratio and reactor outlet temperature under different H2O/CH4 ratios.
Atmosphere 14 01455 g008
Figure 9. Hydrogen production rate under different H2O/CH4 ratios.
Figure 9. Hydrogen production rate under different H2O/CH4 ratios.
Atmosphere 14 01455 g009
Figure 10. Temperature sensitivity analysis.
Figure 10. Temperature sensitivity analysis.
Atmosphere 14 01455 g010
Figure 11. Sensitivity analysis for H2 generation.
Figure 11. Sensitivity analysis for H2 generation.
Atmosphere 14 01455 g011
Figure 12. Sensitivity analysis for CO generation.
Figure 12. Sensitivity analysis for CO generation.
Atmosphere 14 01455 g012
Figure 13. The concentration distribution of each component along the axis when the oxygen-to-carbon ratio is 0.4.
Figure 13. The concentration distribution of each component along the axis when the oxygen-to-carbon ratio is 0.4.
Atmosphere 14 01455 g013
Figure 14. Reaction path analysis of methane reforming at x = 0.5 mm.
Figure 14. Reaction path analysis of methane reforming at x = 0.5 mm.
Atmosphere 14 01455 g014
Figure 15. Reaction path analysis of methane reforming at x = 10mm.
Figure 15. Reaction path analysis of methane reforming at x = 10mm.
Atmosphere 14 01455 g015
Table 1. Parameters used of the reactor models.
Table 1. Parameters used of the reactor models.
ParametersValues
CatalystPd/Al2O3
Length of monolith (mm)18.5
Diameter of monolith (mm)10
Wall thickness (mm)0.1
Pd loading (g/L)1.06
Dispersion (%)23%
Surface site density (mol/cm2)2.09 × 10−9
Table 2. Investigated conditions used for the model validation.
Table 2. Investigated conditions used for the model validation.
T (K)U (m/s)CH4 (%)O2 (%)CO (%)CO2 (%)H2 (%)H2O (%)
795.80.9212.0485.1000.0670.6640.0501.728
Table 3. Comparisons of the experimental and numerical values of the mass fractions of each component at the outlet of the reformer.
Table 3. Comparisons of the experimental and numerical values of the mass fractions of each component at the outlet of the reformer.
SpeciesCH4 (%)O2 (%)CO (%)H2 (%)H2O (%)
Experimental value0.040800.05610.12340.0288
Numerical value0.044100.05080.12100.0271
Relative error8%09.4%1.9%5.9%
Table 4. Exhaust data of natural gas engine at 75% load.
Table 4. Exhaust data of natural gas engine at 75% load.
SpeciesCH4O2CO2CON2H2ONOx
Mole fraction/%0.39819.126.610.086670.466313.210.1090
Table 5. Simulated exhaust gas composition of engines under different air fuel ratios.
Table 5. Simulated exhaust gas composition of engines under different air fuel ratios.
SpeciesCH4 (%)O2 (%)CO2 (%)CO (%)N2 (%)H2O (%)
λ = 0.950.39810.156.610.086679.516413.21
λ = 1.590.39819.126.610.086670.546413.21
Table 6. Molar fraction of each gas component at different O2/CH4 ratios.
Table 6. Molar fraction of each gas component at different O2/CH4 ratios.
n (O2/CH4)CH4O2H2OCO2N2
0.20.3130.0630.0910.0450.488
0.30.2330.0700.1010.0510.545
0.40.1860.0740.1080.0540.578
0.50.1540.0770.1120.0560.601
0.60.1320.0790.1150.0570.617
0.70.1150.0810.1170.0580.629
0.80.1020.0820.1190.0590.638
0.90.0920.0830.1200.0600.645
10.0840.0840.1210.0610.65
Table 7. Molar fraction of each gas component at different H2O/CH4 ratios.
Table 7. Molar fraction of each gas component at different H2O/CH4 ratios.
n (H2O/CH4)CH4O2H2OCO2N2
00.1860.0740.1080.0540.578
0.250.1770.0710.1470.0510.554
0.50.1700.0680.1830.0490.530
0.750.1630.0650.2170.0470.508
1.000.1570.0630.2470.0450.488
1.250.1500.0600.2760.0440.470
1.500.1450.0580.3020.0420.453
1.750.1400.0560.3260.0410.437
20.1350.0540.3490.0390.423
Disclaimer/Publisher’s Note: The statements, opinions and data contained in all publications are solely those of the individual author(s) and contributor(s) and not of MDPI and/or the editor(s). MDPI and/or the editor(s) disclaim responsibility for any injury to people or property resulting from any ideas, methods, instructions or products referred to in the content.

Share and Cite

MDPI and ACS Style

Shi, J.; Yan, H.; Zhu, Y.; Feng, Y.; Mao, Z.; Ran, X.; Xia, C. Simulation Analysis of Methane Exhaust Reforming Mechanism Based on Marine LNG Engine. Atmosphere 2023, 14, 1455. https://doi.org/10.3390/atmos14091455

AMA Style

Shi J, Yan H, Zhu Y, Feng Y, Mao Z, Ran X, Xia C. Simulation Analysis of Methane Exhaust Reforming Mechanism Based on Marine LNG Engine. Atmosphere. 2023; 14(9):1455. https://doi.org/10.3390/atmos14091455

Chicago/Turabian Style

Shi, Jie, Haoyu Yan, Yuanqing Zhu, Yongming Feng, Zhifan Mao, Xiaodong Ran, and Chong Xia. 2023. "Simulation Analysis of Methane Exhaust Reforming Mechanism Based on Marine LNG Engine" Atmosphere 14, no. 9: 1455. https://doi.org/10.3390/atmos14091455

APA Style

Shi, J., Yan, H., Zhu, Y., Feng, Y., Mao, Z., Ran, X., & Xia, C. (2023). Simulation Analysis of Methane Exhaust Reforming Mechanism Based on Marine LNG Engine. Atmosphere, 14(9), 1455. https://doi.org/10.3390/atmos14091455

Note that from the first issue of 2016, this journal uses article numbers instead of page numbers. See further details here.

Article Metrics

Back to TopTop