Abstract
To address the inadequacies of mechanized potato-harvesting equipment on challenging terrains like hills, mountains, and small fields, a lightweight and simple self-propelled crawler potato combine harvester was developed based on the agronomic and harvesting requirements of potato cultivation. The machine consists of key components including a depth-limited soil-crushing device, an auxiliary feeding device, an excavation device, a rubber rod separation device, and a ton bag sorting device. It offers technical advantages such as a lightweight structure, auxiliary feeding and conveying, and manual assistance in sorting ton bags. The key components, such as the auxiliary feeding device, depth-limiting soil-crushing device, and rubber rod separation device, were analyzed theoretically to determine the relevant structures and parameters. Through initial harvesting performance tests, the separation screen line speed, vibration frequency, and device inclination angle were identified as the experimental factors. Evaluation indicators such as potato bruise rate, skin breakage rate, loss rate, and impurity content were chosen, and a three-factor, three-level Box–Behnken optimization test was conducted. The results indicated that with a separation screen line speed of 1 m/s, vibration frequency of 8 Hz, and device inclination angle of 30°, the potato damage rate during harvesting was 1.318%, the skin breakage rate was 1.825%, the loss rate was 2.815%, and the impurity rate was 2.736%. Field tests with the same parameters showed that the potato damage rate, skin breakage rate, loss rate, and impurity rate of the harvester were 1.357%, 1.853%, 2.86%, and 2.748%, respectively, meeting relevant industry technical standards. This research can serve as a reference for enhancing the harvesting performance of potato combine harvesters and ton bag sorting technology.
1. Introduction
As the largest potato producer, China has a planting area of about 6,666,700 hm2, and its production accounts for about one-quarter of the world’s potato production [1,2]. Potato planting in hilly mountainous areas accounts for half of the country’s potato production area, but the application of potato harvesters is less common [3]. In complex terrains, potato harvesting processes such as link digging and conveying, flexible separation, de-hybridization and grading, bagging and tonnage packaging, and others require large inputs and high labor costs [4]. Mechanical potato harvesting, a key approach in the potato-planting industry, is restricted in complex terrains, thus hindering the overall development of the potato industry [5]. Therefore, research on mechanical potato harvesting in hilly and mountainous areas and small-plot terrains is urgently needed.
Potato harvesters are generally divided into segmented harvesters, combined harvesters, and light-and-simple-type digging harvesters [6]. Segmented harvesting and light-and-simple-type digging designs are relatively simple and structurally lightweight, where combined harvesting structures have more complex designs, and the low-loss harvesting separation and high-efficiency framed tons of packages in centralized harvesting need to be taken into account [7]. In small plots in hilly mountainous areas, simple harvesters and segmented harvesters are more widely used [8,9], the reason being that hilly mountainous terrain is complex and the harvester operating conditions are variable and combined harvesters’ turning radii are larger and have poorer flexibility in their operation, making it difficult to meet the needs of harvesting on complex terrains [10]. The process of segmented harvester operation is as follows: after the first digging, potato pieces are separated and spread on level ground, followed by manual picking and bagging. This process involves high labor costs [11], so the use of a combination of simple and low-loss harvesting and high-efficiency combined harvesting is ideal to meet the operational needs of small plots on hilly mountainous areas [12].
Currently, scholars both domestically and internationally have conducted research on potato combine harvesters. Xu Yang et al. [13] designed a new type of traction potato harvesting and bagging machine. The harvester’s operation is flexible and can realize low-loss and high-efficiency harvesting. Wei Zhongcai et al. [14] designed a tracked sorting-type potato combine harvester. The design model’s turning radius is small and employs automatic excavation and transportation of rows and high-frequency, low-amplitude vibration soil crushing; however, the machine’s transmission stroke is long and the intensity at the end of the manual sorting bagging tonnage is high. Yang Ranbing et al. [15] designed a potato harvester with a roller group potato–soil separation device utilizing polyurethane material that achieved low damage to potato pieces; it has a compact design structure and obvious soil removal efficiency. Chen Yangzhou et al. [16] designed a tracked self-propelled potato combine harvester for hilly mountainous terrain, with a stable chassis configuration that can adapt to a variety of hilly terrains. Zhang Xiaoxuan et al. [17] designed a small potato harvester for heavy soil in hilly mountainous areas, and the harvester employs a combination of wave and roller group separation mechanisms, achieving high separation efficiency. In Europe and the United States, research on potato combine harvesters is more cutting-edge. GRIMME in Germany, Dewulf in Belgium, Advanced Farm Equipment in the United States and other enterprises have all developed high-power multi-row self-propelled potato combine harvesters [18,19], equipped with a full range of equipment features. These harvesters effectively separate potato pieces and they have high harvesting efficiency, but multi-row harvesting makes them too large and thus unsuitable for small-plot potato harvesting in hilly and mountainous areas [20,21]. Small plots in hilly mountainous areas are only suitable for smaller self-propelled crawler potato combine harvesters with low-profile operation. In small hilly plots, the use of digging conveyors, separation structures, and the end bagging tonnage with light and simple designs have greater practical value and practical significance.
In order to address the lack of potato harvesting machinery suitable for hilly and mountainous areas, small plots, and other complex terrain, this study adopts a combination of lightweight structure and multifunctional operation to design a light and simple, self-propelled crawler potato combine harvester that can meet the operational requirements of such terrain. The digging and conveying part at the front end of the harvester incorporates an auxiliary feeding device, and the designed auxiliary feeding bar can prevent the harvester from entangling grass. Flexible materials are used in the rubber rod-type separating device and the sorting tonnage package, which greatly reduces the damage and skin breakage of the potatoes. Through field tests and response surface optimization tests, the feasibility of the harvester design and the accuracy of parameter optimization were verified. The results of this study can provide a reference for optimizing potato harvesting equipment structure and the sorting tonnage process.
2. Materials and Methods
2.1. Structure of the Whole Machine
The light and simple self-propelled crawler potato combine harvester is designed on the foundation of previous research and development in [22]. The structure is shown in Figure 1, specifically the crawler walking chassis, hydraulic control system, auxiliary feeding device, automatic row device, digging device, rubber rod separation device, end of the tonnage sorting package device, and other components. The harvester adopts a flexible rubber screen for separation, where a light roller combined transmission separation system is installed at the end of the rubber sorting platform, assisted by manual sorting, not only to achieve the effect of potato harvesting tonnage packing in one efficient separation process, but also to solve the issue of damage caused to potatoes in the sorting process caused by extrusion, abrasion, and collision damage, and so on, thus saving labor costs.
Figure 1.
(a) Schematic diagram of the whole machine structure of the potato combine harvester: 1. hydraulic system; 2. diesel engine; 3. crawler walking chassis system; 4. gearbox; 5. control console; 6. rubber rod separating sieve; 7. lifting bar; 8. digging shovel; 9. automatic pair of rows of wheels; 10. auxiliary feeding profiling bar; 11. auxiliary feeding fan; 12. depth-limiting crushed soil rotating wheel; 13. DC brushless electric motor; 14. eccentric vibrating wheel; 15. hydraulic motor; 16. sorting conveyor; 17. whole machine frame; 18. light roller; 19. end tonnage package platform. (b) Physical drawing of the harvester.
This machine takes hilly and mountainous slopes and small plots as the main working objects and adopts a crawler walking chassis with a small turning radius. The engine is installed in the middle of two tracks, and part of the body is sunk under the frame to ensure the chassis’ center of gravity is lowered and prevented from overturning. The traveling device is fully hydraulic with independent stepless speed change, which helps to match the working speed with the conveying speed. The collection device adopts optional devices such as tonnage bags and baskets, which are suitable for a wide range of applications. The main technical parameters of the light-and-simple self-propelled crawler potato combine harvester are shown in Table 1.
Table 1.
Main technical parameters of light-and-simple self-propelled crawler potato combine harvester.
2.2. Working Principle
During harvester operation, the operator first adjusts the spacing of the automatic row-alignment wheels according to the row spacing in the field and then guides the potato digging device and the potato harvester along the determined rows. According to the planting depth of the potatoes, the depth-limiting crushing wheel will limit the depth of the wheel and crush the soil on the surface of the rows, and the digging shovel will excavate and transport the potato–soil mixture to the beginning of the rubber separating screen. The auxiliary feeding device will assist in feeding the potato–soil mixture to the separating screen. The eccentric vibrating wheel is driven by an electric motor to produce a low-amplitude and high-frequency vibration in the separating screen. On the sorting platform, the potatoes separated and conveyed by the separation sieve are sorted with manual assistance, separated by the light roller conveyor, and manually assisted to be tonnage-bagged. The working process of the harvester is shown in Figure 2.
Figure 2.
Working process of harvester.
2.3. Power Transmission Route of Potato Harvester
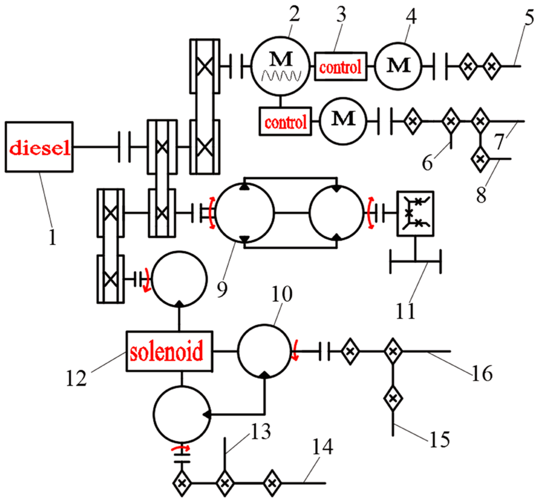
The power transmission route of the potato harvester is shown in Figure 3, and the power output of diesel engine 1 is transmitted to each device through a belt drive and gear transmission. The power of the chassis traveling device is transmitted to gearbox 11 by two-way hydraulic motor 9, and the gearbox transmits power to drive shaft 11, driving the tracks’ rotation. The power of the vibrating device is transmitted to AC brushless motor 2 through belt transmission, and AC motor 2 is controlled by the controller to generate and transmit electricity. When the power is transmitted, it is transmitted to DC brushless motor 4. The power is output by DC brushless motor 4, and the support shaft 5 is driven to vibrate via a chain drive. The power of the tonnage sorting bag device is transmitted to alternating electric current 2, and the power output is given to sorting drive shaft 6 by the controller and the motor. Supporting shafts 7 and 8 are then driven to rotate by the chain drive. The power of the separating device is first transmitted to the one-way hydraulic motor, controlled by solenoid valve 12, which is, in turn, controlled by the one-way hydraulic pump, and the transmitted to drive shafts 13, 14, and 16 through the chain drive. Drive shafts 13 and 14 drive the auxiliary feeding device and the depth limit crushing wheel to rotate, and drive shaft 16 drives the rubber rod separator to rotate.
Figure 3.
Power transmission route of potato harvester. 1. Diesel engine; 2. Alternator; 3. Circuit controller; 4. DC brushless motor; 5. Eccentric support shaft; 6. Conveyor belt drive shaft; 7. Small light roller support shaft; 8. Large roller support shaft; 9. Two-way hydraulic motor; 10. One-way hydraulic motor; 11. Chassis track drive shaft; 12. Solenoid valve; 13. Auxiliary feeding device drive shaft; 14. Limited-depth wheel drive shaft; 15. Conveyor belt support shaft; 16. Rubber separator screen drive shaft.
2.4. Design of Key Components of Potato Harvester
This study aims to design a harvester that meets the needs of a variety of operating conditions in complex terrain. Potato fields in hilly and mountainous regions are uneven, and in some areas, there is hard soil, which produces more soil clods during harvester operation. The auxiliary feeding device, soil-crushing device, and tonnage sorting package device designed in this study are all newly added devices.
2.4.1. Design of Auxiliary Feeding Device
The auxiliary feeding device consists of an auxiliary feeding profiling rod, a support shaft, suspension, an auxiliary feeding fan, a crank, etc., as shown in Figure 4. The auxiliary feeding fan has increased hardness from the synthetic rubber and iron plate composition and is installed in the support shaft; it is the same size as the digging shovel; and the number of fans on the device is 3. Auxiliary feeding fans rotate when mashing the surface of the soil mixture of the plate to knock off soil clods, and auxiliary feeding device conveys the potato and soil mixture into the rubber separator sieve. At both ends of the support shaft and at the bottom of the suspension frame a crank is installed. The cranks are hinged to the auxiliary feeding imitation rod through-hole, constituting a fixed-hinged four-bar mechanism. The support shaft rotates to drive the crank’s rotary movement.
Figure 4.
Auxiliary feeding system: 1. Suspension frame; 2. Crank; 3. Auxiliary feeding rod; 4. Support plate; 5. Auxiliary feeding into the fan; 6. Support shaft. (a) Top view. (b) Axonometric drawing.
During harvester field operation, the excavated soil mixture surface is often accompanied by weeds or films, so the reciprocating auxiliary feeding rod performs an action disturbing the soil mixture, which can prevent the excavated weeds or potato seedling mixtures from becoming entangled in the front end of the excavation conveyor mechanism, ensuring the excavation shovel’s smooth forward excavation. The reciprocating auxiliary feeding rod moves in a reciprocating curve under the action of the rotating supporting shaft. Its movement starts from the point of soil disturbance and is limited by the swing of the crank rocker. When it reaches the limit point of the weeding action, it starts to turn, returns to the starting point in the “degrass” position, and continues to reciprocate to complete the action of burying and digging. This device plays the role of breaking the soil clods at the edges of rows and assisting in the transport of the soil mixture on both sides of the ridge to the next step in the harvesting process. The reciprocating movement curve is shown in Figure 5.
Figure 5.
Motion diagram of the reciprocating curve of the reciprocating auxiliary feeding bar. (a) Auxiliary feeder bar position; (b) Curve of the auxiliary feeder bar.
In order to analyze the role of the reciprocating auxiliary feeding rod on the soil-planing and anti-stalking effect of the soil mixture during digging, the curved motion of the reciprocating auxiliary feeding rod is simplified and analyzed, as shown in Figure 6. Point A is the crank connected to the center of the support shaft, driven by the support rod to rotate the crank, which is the primary driver; point D is the crank on the support plate fixed point; point B is the middle of the reciprocating auxiliary feeding rod and the frame rod articulation point; and point C is the auxiliary feeding imitation rod front end and the articulation point of the connecting frame rod. represents the distance between the original moving connecting frame rod AB, in mm; represents the spacing between the center of the through-hole in the middle of the reciprocating auxiliary feeding rod and the center of the through-hole in the front end, in mm; represents the distance between the follower connecting frame rod CD, in mm; and represents the distance between point A of the crank handle and the fixing point D, in mm.
Figure 6.
Simplified motion diagram of each point on the auxiliary feeding follower bar.
When the support shaft drives the crank to operate stably, connecting rod AB rotates around point A and drives rocker rod CD to swing through the reciprocating rod. Taking point A as the starting point, the position change analysis of each point of crank rocker rods A, B, C, and D can be obtained, as follows:
where is the angle between the original moving linkage AB and AD (°); is the angle between the auxiliary feed profiling bar BC and the x-axis (°); is the angle between the movable linkage CD and the x-axis (°).
In the hinged four-bar mechanism, the angle between the rods changes with the crank-driven rotation, which, in turn, causes the rods have different angular velocities. In frame rod AB, profiling rod BC, and rocker CD, the support shaft drives the reciprocating rotation of frame rod AB at a determined angular velocity. The remaining two rods’ angular velocities are not determined. The above Formula (1) was used to derive the various angular velocities:
where is the clockwise angular speed of crank AB, in rad/s; is the angular speed of rotation of the BC section of the auxiliary feed profiling rod, in rad/s; and is the angular speed of rocker CD, in rad/s.
In the case where is known, assuming that the relative rod lengths of each rod are determined, solving Equation (2) yields:
It can be seen in Equation (3) that the auxiliary feeding rod’s angular velocity and rocker angular velocity are only related to crank AB’s angular velocity; the location of the rod and the relative length of the rod have nothing to do with the absolute rod length. Thus, according to the size of the auxiliary feeding device at the front end of the harvester and the depth of the actual reciprocating rod that needs to be plowed when digging, the length of the reciprocating auxiliary feeding rod can be designed so as to ensure at the reciprocating rod is inserted into the soil mixture at the right length.
In the auxiliary feeding device, in order to ensure stable operation when the drive device drives the support shaft to rotate and to prevent the crank from rotating with a slight swing, the crank connected to the end of the support rod is designed the same as the original actuator using the smallest relative rod length, which does not take up the position when the harvester is working in the field and avoids collision with the soil mixture. In the hinged four-bar mechanism, the original actuator is the crank and the smallest relative rod length is used to meet the design conditions of the rod length, as follows:
According to the relationship between the rod length corresponding to the angular velocity in Equation (3) and the design conditions of the rod length of the member in Equation (4), in order to prevent the reciprocating auxiliary feeding rod from being inserted too deep into the soil mixture, the length of the reciprocal auxiliary feeding rod is designed to be 300 mm, which not only plays the role of auxiliary feeding but can also be reciprocally perturbed to prevent grass from becoming entangled in the digging device. At the same time, the length of each rod of the hinge mechanism is designed as in Table 2.
Table 2.
Auxiliary feed profiling bar sizes.
2.4.2. Design of Depth-Limiting Earth-Moving Devices
During harvest, the surface of the potato mound contains clumps of soil, and the digging depth and soil condition during harvest will affect the efficiency of potato separation and the harvest quality of the potato harvester [23]. The digging depth and the soil condition on the surface of the potato mound are mediated by the depth-limiting soil-crushing wheel, and if the pressure applied by the rotary wheel is too small, the effectiveness of crushing the soil on the surface of the potato mound will not be obvious; if the pressure applied by the rotary wheel is too large, it will lead to the extrusion of both the potato tubers and soil in the potato mound [24]. Therefore, the rotary wheel’s soil breaking effect needs to be adjusted according to the field conditions to ensure the applicability of the harvester. The design of the proposed depth-limiting soil-crushing device is shown in Figure 7, which mainly consists of a cross beam, a limit bar, a suspension frame, a support shaft, a hanger, and a soil-crushing rotating wheel.
Figure 7.
Limited-depth soil-crushing device and crushing effect: 1. cross beam; 2. suspension frame; 3. hanger; 4. limit bar; 5. support plate; 6. crushing rotating wheel; 7. support shaft. (a) Depth-limiting earth-breaking device; (b) crushed soil effect diagram.
The rotating device is mounted on the beam at the front end of the harvester, the height of which is easy to manually adjust. A combination of pins and springs is adopted on the limiting bar to control the height of the limiting wheel off the ground, which is also highly controllable. The limited-depth crushing wheel consists of a disc and a number of thin rods welded to the disc at different heights in a uniform orderly arrangement, not only to achieve the purpose of crushing the surface of the potato mound soil, but also to achieve a full range of loosening effect and crushing effects, as shown in Figure 7b. The force analysis of the soil-crushing wheel between the thin rod and the soil block is shown in Figure 8.
Figure 8.
Force analysis of a thin rod and a soil block.
The necessary conditions for the soil to enter between the two thin bars during the rotating operation of the crushing wheel shall fulfill the following equation:
where T is the friction force between the soil block and the thin rod, T = N μ, N; μ is the friction coefficient of the surface of the thin rod on the soil block; N is the force of the thin rod on the soil block, N; and α is the angle between the force on the soil block and the line connecting the centers of adjacent thin rods (°).
Based on the above equation, and combined with the geometric relationship in Figure 8, the value of μ can be expressed as follows:
where D is the diameter of the thin rod, in mm; d is the diameter of the soil block, in mm; and 2a is the gap between adjacent thin rods, in mm.
Assuming a = 0, the minimum diameter of the thin rod can be determined by the following equation:
According to Equation (7), the minimum diameter of the thin rod is only related to the friction coefficient and the soil diameter d. During the harvesting season, some potato tubers will be exposed on the surface of the mound to produce a “green head”. Therefore, the diameter of the thin rod D was designed to be 15 mm, and the distance between the rods was 40 mm to ensure the device can break up the soil without causing damage to the exposed potato tubers [25]. In order to increase the contact area between the depth-limiting crushing wheel and the surface of the potato ridge, and reduce the extrusion damage caused to potato tubers, considering the dimensions of the front-end equipment, the crushing wheel disc diameter R was designed to be 340 mm.
2.4.3. Design of Rubber Rod Separator Screen
The rubber rod separation sieve consists of a connecting belt, rubber stopper, bending bar, and eccentric vibrating wheel, as shown in Figure 9. The design consists of two rubber stoppers placed between four curved bars arranged in alternating structural forms. The two rubber rods between the four inwardly recessed curved bars stop above the use of rubber wrapping, and purpose of rubber perpendicular to the separating sieve on the upward side of the whisker design is to reduce damage to the potatoes and increase the potatoes’ bearing force.
Figure 9.
The local structure of the rubber separating screen: 1. connecting belt; 2. rubber stopper; 3. bending bar; 4. eccentric vibrating wheel.
Eccentric wheels are mounted on both ends of the rubber separator screen support shaft, driven by a brushless DC motor. The wheels produce a high-frequency, low-amplitude vibration in the separator screen when rotating. Considering the design length of the separation sieve, the addition of too many eccentric vibration wheels was avoided, which would make the vibration of the separation sieve too large, resulting in the potato block undergoing a “reflux tumbling” phenomenon. Therefore, this machine was designed with only two eccentric vibrating wheels, the positions of which were at one-third of the rubber separating screen, near the end of the digging device.
In the separation process of the potato–soil mixture, once the soil mixture is gradually sifted out, the potato pieces come into direct contact with the separation sieve, and due to the shaking of the separation sieve and the sliding force on the potato pieces, the potato pieces start to slip and tumble and collide with the separation sieve with a lower speed than before the collision [26]. The force exerted on the potato block by the separation sieve is decomposed in Figure 10.
Figure 10.
Force analysis of potato lumps on separating sieve.
The force state of the potato pieces above the bar of the separating sieve is analyzed as follows:
where is the upward force of the separating sieve on the potato along the inclined plane, N; is the downward force of the separating sieve on the potato along the inclined plane, N; is the gravitational force on the potato, N; and are the supporting forces exerted on the potato by the bars at the front and rear, N; and are the frictional forces exerted on the potato by the bars at the front and rear, N; is the angle of inclination of the separating sieve, (°); and , are the angles between the surface of the separator screen and the friction force of the bars on the potato (°).
The friction force exerted on the potato block by the bar is related to the positive pressure of the bar on the potato block and the friction factor. When = , the potato block continues conveying upward; when < , the supporting force of the bar exerted on the potato block by the sieve surface decreases, and coupled with its own gravity, the potato block starts sliding downward. The torque on the potato block is analyzed [27], and the results are as follows:
where is the clockwise moment of the separation sieve to which the potato is subjected, N·m; is the counterclockwise moment of the separation sieve to which the potato is subjected, N·m; , are the distances between the contact point of the potato and the front and rear ends of the bar to the center of mass of the potato, mm; and , are the angles between the support force to which the potato is subjected and the line from the center of mass of the potato to the center of mass of the bar and the contact point of the potato (°).
When the potato block starts to rotate on the separation sieve, a resistance coupling effect will be generated in the contact area. The direction of this coupled rotation is exactly opposite to the rotation direction of the potato block, which plays a certain buffering effect. An analysis of the collision force generated by the rotation of the potato block is shown in Figure 11, where is the force exerted on the potato block by the bending bar force, N; is the force exerted on the potato block by the rubber stopper force, N; is the height of the rubber stopper, mm; is the spacing between adjacent bars, mm; and is the rubber stopper “whisker-like” height of the rubber, mm. The potato block slides with the support force provided by the rubber stopper and has a non-perfect elastic collision with the curved bars [28], at which point it remains stable. It is assumed that the distance between the two stop bars is the sliding displacement of the potato block and that the conservation of energy is satisfied in this process:
where is the mass of the potato block, kg; g is the acceleration of gravity, m/s2; is the spacing between adjacent rubber stoppers, mm; is the kinetic energy of the potato block before the collision, J; is the friction energy when the block tumbles or slides, J; and is the energy consumed by the block undergoing inelastic deformation, J.
Figure 11.
Force analysis of the potato block during collision with the stopper bar.
The energy consumption conversion of the potato block was analyzed. The potato block and rubber bar collision is in line with the conservation of momentum [27]. During this collision, the external force is negligible. Assuming that the potato block’s collision along the vertical direction of the sieve surface produces a “jump” effect, by the law of conservation of energy, the following can be obtained:
where is the bounce height of the potato block, in mm.
In order to prevent the bounce height of the potato block upon collision from being greater than the height of the rubber stopper, which would result in a larger collision force and thus damage to the potato block when it tumbles to the next rubber stopper interval, the following condition should be satisfied:
The association of (10) and (12) yields
Combined with Formula (13) and farmers’ field planting agronomy, the diameters of the rubber stopper and bending bar are 10 mm, the height of the “whisker-like” rubber stopper is 11 mm, and the spacing between the bars on the separating sieve is 40 mm. According to the topography of the hilly mountainous area, the inclination angle of the separating sieve is too large to make the potato pieces roll back from the separating sieve [29]; conversely, the separating sieve’s inclination angle is too small to reduce the efficiency of harvesting, so the separating sieve inclination angle is set to 30°. In the actual working situation, due to the instantaneous change in speed caused by the harvester moving over hilly terrain, the potato blocks will slip, resulting in collisions. In order to reduce the cumulative damage of the potato blocks in various situations, the distance between the two rubber stoppers is 200 mm; at the same time, in order to prevent the potato blocks receiving damage from bouncing over to the next rubber stopper, the height of the rubber stopper is taken as 22 mm.
2.4.4. Design of Sorting Tonnage Units
The end sorting tonnage package device is installed at the end of the rubber separation sieve, as shown in Figure 12. It consists of a sorting conveyor belt, a baffle plate, the frame, a partition board, a light roller, a support plate, a spring lifting plate, and other components. The sorting conveyor belt is installed on the lower end of the separation sieve. In order to reduce the damage to the potatoes on the conveyor belt, PVC is used as the sorting conveyor belt material. To also reduce the damage to the potatoes in the process of sliding down, the safe sliding height difference of potato pieces should be kept below 300 mm [15]; therefore, taking into consideration the size of the harvester, the height difference between the sorting conveyor belt and the separating sieve was designed to be 180 mm.
Figure 12.
Harvester sorting tonnage bag device: 1. rackmount; 2. baffle; 3. sorting conveyor; 4. drive support shaft; 5. small light roller; 6. large light roller; 7. dividing plate; 8. bottom plate; 9. spring lifting plate. (a) Top view. (b) Axonometric drawing.
After passing through the rubber separating screen, the potato and soil mixture is conveyed to the sorting device. At this stage, the mixture is free of fine soil and only contains a small amount of soil pieces and some impurities. During the manual sorting process above the conveyor, the potato blocks are gently pushed to the sides, while the soil and impurities are pushed to the center. The impurities then slide down to the ground from the middle of the light rollers equipped at the end of the tonnage package device, while the potato pieces slide down the channels on either side of the light rollers to the potato baskets or bags for tonnage package processing. The potato baskets or bags, filled with potato pieces, slowly descend to the ground from the spring-lifting plate equipped to the end tonnage package device and are manually loaded and transported, as illustrated in Figure 13.
Figure 13.
Potato–soil mixture diversion diagram: 1. soil clods; 2. potato clods; 3. weeds; 4. soil mixture channel; 5. soil clods channel; 6. potato spuds.
At the end of the sorting conveyor belt, three light rollers are arranged for conveying. The material selected for the light rollers is a polyurethane elastomer [15], which has excellently high elasticity and causes less damage to the potato pieces. In order to ensure the gentle conveying of potato pieces without damage, the three light rollers are arranged at an inclined angle. If the light roller inclination angle is too small, the potato pieces will be conveyed slowly, affecting the efficiency of packaging; conversely, if the angle is too large, the potato pieces will slide down too fast and collide [30,31]. Therefore, according to the design requirements of this machine, the inclination angle θ of the three light rollers is set at 20°. Additionally, to ensure harvest quality and reduce errors from manual sorting, the three light rollers are spaced at a certain distance and have different diameters. This creates a “concave-convex” shape in the spacing, allowing for normal potato transportation while also allowing soil or impurities to fall through the gaps. This achieves complete separation of potatoes and soil, as shown in Figure 14.
Figure 14.
The impact of breaking up the soil clods using the light rollers.
From the literature, it is known [32,33] that the three-axis dimensions of the common potato block are approximately 115 × 74 × 65 mm (L × W × H), and the design should satisfy the following:
where is the length of the potato, mm; is the diameter of the large light roller, mm; is the height of the potato, mm; is the diameter of the small light roller, mm; is the width of the potato, mm; and is the spacing between the two light rollers, mm.
Therefore, in the large light roller and two small light roller arrangement, the diameter of the large light roller is 180 mm, the diameter of the small light rollers is 120 mm, and the spacing between the two light rollers is 25 mm. The large light rollers are installed at the tail end, and the small light rollers and sorting conveyor belt are installed close to the sequential diagonal arrangement to help sieve out the role of the small pieces of soil and appropriately reduce the sliding speed of the pieces of potatoes to reduce potential damage.
2.5. Test Methods
There are many factors that affect the potato damage rate and potato skin-breakage rate in the lightweight self-propelled crawler potato combine harvester, such as the soil moisture content, the feed volume of the digging device, the parameters of the rubber separation screen, and the structural design of the end tonnage sorting bag device. In the actual process of forward digging and harvesting, the forward speed and digging depth of the harvester remain unchanged, and the linear speed, vibration frequency, and inclination angle of the rubber separation screen are the main factors affecting the operational efficiency of the potato harvester. If the separation screen’s line speed is too high, part of the soil mixture will be transferred to the next stage before it can be separated on the separation screen, reducing the harvest quality. If the separation screen’s line speed is too low, the potato tubers will be transported slowly, reducing harvesting efficiency. If the vibration frequency and inclination angle of the separation screen are too large, the potato tubers will undergo the “tumbling reflux” phenomenon, resulting in multiple collisions between the potato tubers. Conversely, if the vibration frequency and inclination angle of the separation screen are too small, less soil will fall on the separation screen, increasing the potato tuber breakage rate. Therefore, based on the design parameters of relevant conveying and separation devices employed nationally and internationally and the actual operating conditions of the proposed machine, the range of each test factor was determined through a preliminary harvest performance test, as follows: a separation screen line speed of 0.6~1 m/s, a vibration frequency of 8~12 Hz, and a device incline of 20°~30°.
In order to ensure the accuracy of the test, this paper divides the test into a response surface optimization test and prototype field test. Response surface optimization tests were performed in Design-Expert 13.0 software, the results of which were combined with each other and verified. The field test of the designed potato harvester was carried out in August 2024 in Xinli Village, Pingdingbao Town, Guyuan County, Zhangjiakou City, with a latitude of 41° N and longitude of 130° E. The average temperature at the time of the test was 28°, the soil type was sandy loam, and the soil water content was 15.8%. The tested potato variety was Jizhang Potato No. 12 potato. The width of potato rows was 60 cm, the planting depth was 5–15 cm, the diameter of potato cubes was between 40 and 145 mm, and the mass was between 105 and 430 g. The diameter of the potato cubes ranged from 40 to 145 mm, the mass ranged from 105 to 430 g, and field impurities included potato seedlings, soil pieces, and weeds at the time of testing. According to the actual cultivation of potatoes and the requirements of this test, a total of five test plots were used. Each plot contained two planting plots, exactly back-to-back. The length of each plot was 40 m, and the transition area between each plot was 2 m. The test was conducted in accordance with the range of each test factor. After each test, the potato block’s internal damage and external damage and the statistics of impurities contained in the potato baskets were assessed.
2.6. Test Indicators
Potato injury rate, skin breakage rate, loss rate, and rate of impurities are important indices used to evaluate the harvesting performance of potato combine harvesters. According to the NY/T648-2015 “potato harvester quality evaluation technical specification” [34], the formulas for the injury rate , broken skin rate , loss rate , rate of impurity are as follows:
where Q is the total mass of potatoes during harvesting, kg; is the total mass of damaged potatoes after harvesting, kg; is the total mass of potatoes with skin breakage after harvesting, kg; is the mass of failed pickup potatoes, kg; is the mass of missed potatoes during digging, kg; is the mass of successfully harvested potatoes, kg; is the impurity content, kg.
The test program was a three-factor, three-level Box–Behnken test, using Design-Expert 13.0 software to conduct response surface tests for the three test factors of linear velocity , vibration frequency , and incline angle of separation sieve of the potato harvester. The coding of the test factors and levels is shown in Table 3.
Table 3.
Test factors and levels.
3. Results
The test yielded a total of 17 groups of test data, which were subjected to ANOVA and multiple regression fitting to obtain the regression equations of the test indices of potato injury rate, skin-breaking rate, loss rate, and impurities rate. A final test was conducted to analyze the interactions and significance of the test factors, and the results of the factors test are shown in Table 4.
Table 4.
Experimental factors and results.
3.1. Analysis of Differences
The experimental data in Table 4 were analyzed by Design-Expert 13.0 software to obtain quadratic regression models of the designed potato harvester’s harvest injury rate and skin-breaking rate :
where is the separation screen’s linear velocity, m/s; is the separation screen’s vibration frequency, Hz; and is the separation screen’s incline angle (°).
3.1.1. Analysis of Variance (ANOVA) for Potato Injury Rate and Skin-Breaking Rate
The analysis of variance (ANOVA) of the potato injury rate and skin-breaking rate was performed via a lack-of-fit test of the regression equation, as shown in Table 5.
Table 5.
Analysis of variance (ANOVA) for potato injury rate and skin-breaking rate.
The results of the analysis of variance of the potato injury potato rate and skin-breaking rate are shown in Table 5. When p < 0.01, it indicates that the model is highly significant; a loss-of-fit term of p > 0.1 indicates that the model is highly reliable. It can be seen that the test factors , , and have a highly significant effect on the potato injury rate; for the interaction effect of test factors; , , and have highly significant effects on the potato injury rate; have a significant effect on potato injury rate; and the rest of the test factors have a non-significant effect on potato injury rate. According to the coefficients of the regression equation, the factors affecting the potato injury rate are , , and , in descending order. Similarly, it can be seen that the test factors , , and had a highly significant effect on the potato skin-breaking rate; in the interaction effect of the test factors, , , and had a highly significant effect on the potato skin-breaking rate, and , , and had a significant effect on the potato skin-breaking rate. The factors affecting the potato skin-breaking rate the most were , , and , in descending order. These findings are due to the numerical changes in the separation screen line speed, vibration frequency, and incline angle affecting the separation effect of the potato and soil mixture during the conveying process, where the potato and soil mixture ratio directly determines the size of the potato block via the buffer protection effect, which, in turn, causes potato damage and broken skin.
3.1.2. Analysis of Variance (ANOVA) for Potato Loss Rate and Impurity Rate
The analysis of variance (ANOVA) of the potato loss rate and impurity rate was performed via a loss-of-fit test on the regression equation, as shown in Table 6.
Table 6.
Analysis of variance (ANOVA) for potato loss rate, impurity rate.
The analysis of variance of potato loss rate and impurity shows that the model is highly significant and reliable. The test factors , , and have a highly significant effect on potato loss rate; in the test factor interaction effect, , , , , and all have a highly significant effect on the potato loss rate, and has a significant effect on the potato loss rate. According to the coefficients of the regression equation, the factors affecting the potato loss rate most were , , and , in descending order. Similarly, the test factors , , and had a highly significant effect on the potato impurity rate; in the interaction effect of the test factors, , , , , and all had a highly significant effect on the potato impurity rate, and the rest of the test factors had a non-significant effect on the potato impurity rate. According to the coefficients of the regression equation, the factors most affecting the potato loss rate were , , and , in descending order. These findings are due to the fact that, in the process of conveying and separating potatoes, the speed and vibration of the separating device determines the speed of sieving and removal of impurities, which causes the potatoes to fall, thus affecting the rate of potato harvest loss and the rate of impurity.
3.2. Analysis of the Interaction Effect on Potato Injury Rate and Skin-Breaking Rate of Potatoes
Using Design-Expert 13.0 software, the response surface effect of the interaction between the separation sieve’s line speed, vibration frequency, and incline angle on the potato injury rate and skin-breaking rate in the conveying and separating device can be obtained, as shown in Figure 15.
Figure 15.
Response surface plots of potato injury rate and skin breakage rate.
As can be observed from Figure 15a–c, the response surfaces for (a) and (c) are steeper, while the response surface for (b) is more gradual. When one of the influencing factors is kept constant and the other two are increased, it is evident that the vibration frequency has the most significant impact on the potato injury rate. The potato injury rate exhibits a trend of increasing and then decreasing, with the parameter range of greatest influence being a vibration frequency of 9 to 11 Hz. The effects of the separation sieve’s linear speed and incline angle on the potato injury rate are more moderate, with the most significant parameter intervals being a linear speed of 0.7 to 1 m/s and an inclination angle of 22° to 28°. Figure 15d–f show that the response surfaces for (d) and (f) are steeper, while the response surface for (e) is more gradual. Similarly, the most significant factor affecting the potato skin-breaking rate is the vibration frequency , which results in an initial increase followed by a decrease, with the optimal parameter range for the vibration frequency being 9 to 11 Hz. The impacts of the separation screen’s linear speed and incline angle on the potato skin-breaking rate are less pronounced, with the significant parameter intervals being a linear speed of 0.7 to 1 m/s and an inclination angle of 20° to 26°. This is due to the fact that changes in the vibration frequency of the separation sieve directly affect the amount of soil removed by the harvester’s conveyor separation device and the number of potato collisions, ultimately influencing the rate of potato damage and skin breaking.
3.3. Analysis of the Interaction Effects on the Rate of Loss and the Rate of Impurity in Potatoes
As shown above, using Design-Expert 13.0 software, the response surface of the interaction effects of the separation sieve’s linear velocity, vibration frequency, and incline angle on the rate of potato loss and the rate of impurities in the conveying and separation device can be obtained, as shown in Figure 16.
Figure 16.
Response surface plots of the effect of potato loss rate and impurity rate.
As can be observed from Figure 16a–c, the response surfaces in (a) and (c) are steeper, while the response surface in (b) is gentler. When one of the influencing factors is kept constant and the other two factors are increased simultaneously, the most significant factor affecting the potato injury rate is the vibration frequency . The potato injury rate exhibits a trend of initially increasing and then decreasing, with the vibration frequency range of 9.5 to 11 Hz having the greatest impact. The effects of the separation sieve’s linear speed and incline angle on the potato injury rate are more moderate, with the most significant parameter intervals being a linear speed of 0.8–1 m/s and an inclination angle of 20° to 26°. In Figure 16d–f, the response surfaces in (d) and (f) are steeper, while the response surface in (e) is gentler. Similarly, for the potato skin-breaking rate, the most influential factor is the vibration frequency , with the rate showing a pattern of initially increasing and then decreasing, with the key parameter range being 9.5 to 11 Hz. The impact of the separation sieve’s speed and incline angle on the potato skin-breaking rate is less pronounced, with the significant parameter intervals being a speed of 0.75 to 1 m/s and an inclination angle of 20° to 26°. This is due to the high vibration frequency causing the soil mixture to sieve out too quickly, resulting in poor impurity removal and increased potato loss.
3.4. Optimization of Parameters
The optimization module regression model in Design-Expert13.0 software was used to optimize harvest parameters. According to the potato harvesting performance requirements of self-propelled crawler potato combine harvesters listed in NY/T648-2015 “Technical Specifications for Quality Evaluation of Potato Harvesters”, the following optimization constraints were selected:
By implementing the optimized solution, with a separation sieve line speed of 1 m/s, vibration frequency of 8 Hz, and device inclination angle of 30°, the potato harvest injury rate is 1.318%, the skin-breaking rate is 1.825%, the loss rate is 2.815%, and the impurity rate is 2.736%.
3.5. Validation of Field Trials
To validate the accuracy of the optimized theoretical model, verification is conducted using a response surface test. The test uses the separation device of a self-propelled crawler potato combine harvester with a linear velocity of 1 m/s, a vibration frequency of 8 Hz, and an incline angle of 30°. The test strictly follows the test program in Section 3.1 for verification, and the results are averaged. The field test is illustrated in Figure 17.
Figure 17.
Harvester field trials.
The verified data are shown in Table 7. The field test shows the following results when the linear speed of the separation device of the self-propelled crawler potato combine harvester is 1 m/s, the vibration frequency is 8 Hz, and the device’s incline angle is 30°: the potato injury rate of the harvester is 1.357%, and the error compared with the predicted value is 0.039%; the potato skin-breaking rate of the harvester is 1.853%, and the error compared with the predicted value is 0.028%; the potato loss rate of the harvester is 2.86%, and the error compared with the predicted value is 0.045%; and the harvest impurity rate is 2.748%, and the error compared with the predicted value is 0.012%. The results show that the optimized model is reliable and close to the field test, thus verifying the accuracy of the optimized parameter scheme.
Table 7.
Optimization and validation of test data.
4. Discussion
By comparing the validated results with related studies, the operational performance of the designed potato combine harvester can be analyzed. The crawler self-propelled potato sorting harvester designed by Wei Zhongcai et al. [14] has working dimensions of 4800 × 2060 × 1500 mm (L × W × H) and a mass of 1300 kg, while the machine designed here has dimensions of 2300 × 1900 × 1400 mm (L × W × H) and a mass of 500 kg, which is more than half the weight and length of the first machine; this makes the designed machine more flexible in operations such as steering and turning in narrow spaces, as well as more adaptable to operations in hilly and mountainous areas. The roller-type potato–soil separation device designed by Yang Ranbing et al. [15] utilizes a polyurethane material with high elasticity, resulting in minimal damage to harvested potatoes. Field tests showed that the average potato damage rate with a traditional separation device was 0.76%, while with their conveying separation device, it was 0.64%, which is a reduction of 0.12%. This aligns with the material selection strategy of the machine designed in this paper, which aimed to minimize contact damage to potatoes. The elastic kneading potato combine harvester developed by Wei Zhongcai et al. [35] employs a harvesting process that combines elastic kneading for impurity removal with cushioning and loss-reducing potato collection and transportation. During field tests at an operating speed of 3.17 km/h, the potato damage rate was 1.3%, the skin-breaking rate was 1.98%, and the loss rate was 1.17%. The machine designed in this paper utilizes a rubber flexible separation device and a harvesting process where the tonnage bags are conveyed by a bare end rod. In field tests, the potato damage rate was 1.357%, the skin breakage rate was 1.853%, and the loss rate was 2.86%, demonstrating similar operational performance to the aforementioned harvesters.
The lightweight self-propelled crawler potato combine harvester is designed for single-row and single-ridge harvesting. A depth-limiting device and an auxiliary feeding device are installed at the front end, allowing it disturb the soil mixture on the ridge surface to reduce the impurity content of the potato–soil mixture after excavation and avoid grass from becoming entangled at the front end of the harvester and congesting the conveyor. During the conveying and separation stage, rubber baffles and curved bars are arranged in a “concave and convex” pattern to increase the supporting force on the potato tubers and reduce damage to the tubers. In the final sorting tonnage bag device, the materials used are all highly elastic materials, reducing damage to the potato tubers and reducing the amount of clay, ultimately reducing the energy consumption of the harvester. When the smooth roller transports the potato to the tonnage basket or bag, there is a certain height difference, which can potentially cause falling damage to the potato tubers. Therefore, flexible bagging should be used to increase the cushioning and protection of the potato tubers.
5. Conclusions
- (1)
- According to the complex terrain and the potato-planting patterns in hilly and mountainous areas, a lightweight and simple self-propelled crawler potato combine harvester was designed. It consists of key components such as a digging and conveying device, an auxiliary feeding device, a conveying and separation device, and a terminal sorting tonnage bag device. A brief analysis was conducted on its design structure and working principle. The key components of the harvester were designed and analyzed, and the parameter values and dimensions of the key components of the harvester were determined by applying the principles of mechanics and kinematics. The design was determined to meet the design standards of self-propelled crawler potato combine harvesters.
- (2)
- Through a pre-harvest performance test, the separation sieve line speed, vibration frequency, and device inclination angle were identified as the test influencing factors. The evaluation indices selected were the potato injury rate, skin-breaking rate, loss rate, and impurities rate. A regression model of potato indices was established, and a three-factor, three-level Box–Behnken test was designed to analyze the influence of each parameter on the indices through response surface tests, followed by parameter optimization. The results indicated that with a separation sieve line speed of 1 m/s, vibration frequency of 8 Hz, and device inclination angle of 30°, the rate of potato harvesting injury is 1.318%, the skin breakage rate is 1.825%, the loss rate is 2.815%, and the impurity rate is 2.736%. Field trials were conducted using the same parameters, and the potato injury rate of the harvester was 1.357%, with an error of 0.039% compared to the predicted value; the potato skin-breaking rate was 1.853%, with an error of 0.028%; the loss rate was 2.86%, with an error of 0.045%; and the impurity rate was 2.748%, with an error of 0.012%. The field tests confirmed the feasibility of the machine’s structural design and the accuracy of the parameter optimization.
- (3)
- The light and simple self-propelled crawler potato combine harvester is adapted to potato harvesting in many kinds of small plots and complex terrains, with wide adaptability and strong practical relevance. It has technical advantages such as its lightweight structure, auxiliary feeding and conveying, flexible separating and conveying, and end sorting and tonnage packaging and was demonstrated to reduce and prevent crop losses during potato harvesting.
Author Contributions
Conceptualization, B.W., F.G. and F.W.; methodology, B.W. and F.W.; software, C.L.; validation, N.W. and G.C.; formal analysis, B.W.; investigation, G.C. and N.W.; resources, C.L.; data curation, C.L.; writing—original draft preparation, C.L.; writing—review and editing, C.L.; visualization, F.G.; supervision, F.W.; project administration, B.W; funding acquisition, L.S. All authors have read and agreed to the published version of the manuscript.
Funding
This project was funded by the China Postdoctoral Science Foundation (2024T170443); the China Postdoctoral Science Foundation (2023M731824); and the Nanjing Postdoctoral Outstanding Research Project.
Data Availability Statement
The data presented in this study are available in the article.
Conflicts of Interest
Author Guangseng Cheng was employed by the company Yucheng Yatai Machinery Manufacturing Co., Ltd. The remaining authors declare that the research was conducted in the absence of any commercial or financial relationships that could be construed as a potential conflict of interest.
References
- Liu, W.; Xie, S.Y.; Li, M.S.; Wang, Y.J.; Chen, K.L.; Yan, Y.L. Design and test of separation lifting device for light potato harvester. J. Southwest Univ. Nat. Sci. Ed. 2024, 46, 189–201. [Google Scholar]
- Almady, S.S.; Al-Hamed, S.A.; Marey, S.A.; Al-Sager, S.M.; Aboukarima, A.M. An Assessment of Some Mechanical Properties of Harvested Potato Tubers Cv. Spunta. Agronomy 2024, 14, 1116. [Google Scholar] [CrossRef]
- Wang, H.C.; Zhao, W.Y.; Sun, W.; Zhang, H.; Liu, X.L.; Li, H. Research progress on mechanized potato harvesting technology and equipment. J. Agric. Eng. 2023, 39, 1–22. [Google Scholar]
- Wei, Z.C.; Wang, Y.W.; Su, G.L.; Zhang, X.C.; Wang, X.L.; Cheng, X.P.; Li, X.Q.; Jin, C.Q. Progress in potato mechanized harvesting and debris removal technology and equipment. J. Agric. Eng. 2024, 40, 1–13. [Google Scholar]
- Pobereżny, J.; Retmańska, K.; Wszelaczyńska, E.; Nogalska, A. Influence of Magnesium and Biostimulant on the Consumption Value and Harmful Nitrogen Compounds Content of Potato Tubers after Storage. Agriculture 2023, 13, 2052. [Google Scholar] [CrossRef]
- Zhang, Z.G.; Li, Y.B.; Wang, H.Y.; Zhang, Z.D.; Liu, X.C. Progress of key technologies and equipment for mechanized potato harvesting. J. Yunnan Agric. Univ. Nat. Sci. 2021, 36, 1092–1103. [Google Scholar]
- Wang, W.; Yang, R.; Pan, Z.; Qing, Y.; Zhang, J.; Chen, D.; Guo, X.; Lyu, S. Design and Experimental Study of Single Plant Harvester for Potato Breeding Experiments. Agriculture 2024, 14, 71. [Google Scholar] [CrossRef]
- Wei, Z.C.; Li, H.W.; Su, G.L.; Sun, C.Z.; Liu, W.Z.; Li, X.Q. Development of buffer sieve-type potato harvester for separating potato impurities. J. Agric. Eng. 2019, 35, 1–11. [Google Scholar]
- Chen, Y.; Xing, R.; Liu, X.; Zhang, H.; Li, H. Design and Test of Potato Seedling Killing and Residual Film Recycling Integrated Machine. Agronomy 2024, 14, 2269. [Google Scholar] [CrossRef]
- Zhao, Z.; Deng, W.; Hu, X.; Yu, H.; Li, Q. Investigation of Impact Contact Force Testing and Damage Analysis on Potatoes. Agriculture 2024, 14, 1740. [Google Scholar] [CrossRef]
- Wang, H.; Zhao, W.; Sun, W.; Liu, X.; Shi, R.; Zhang, H.; Chen, P.; Gao, K. The Design and Experimentation of a Wheeled-Chassis Potato Combine Harvester with Integrated Bagging and Ton Bag-Lifting Systems. Agriculture 2024, 14, 1461. [Google Scholar] [CrossRef]
- Wang, L.; Liu, F.; Wang, Q.; Zhou, J.; Fan, X.; Li, J.; Zhao, X.; Xie, S. Design of a Spring-Finger Potato Picker and an Experimental Study of Its Picking Performance. Agriculture 2023, 13, 945. [Google Scholar] [CrossRef]
- Yang, X.; Wu, Y.; Wang, L.; Liu, F.; Zhao, X.; Bai, H.; Dong, W.; Kong, X.; Hu, H.; Zhong, W.; et al. Design and Performance Test of 4UJ-180A Potato Picking and Bagging Machine. Agriculture 2024, 14, 454. [Google Scholar] [CrossRef]
- Wei, Z.C.; Wang, X.H.; Li, X.Q.; Wang, F.M.; Li, Z.H.; Jin, C.Q. Design and experiment of crawler self-propelled sorting potato harvester. J. Agric. Mach. 2023, 54, 95–106. [Google Scholar]
- Yang, R.B.; Tian, G.B.; Shang, S.Q.; Wang, B.J.; Zhang, J.; Zhai, Y.M. Design and test of roller set potato soil separation device for potato harvester. J. Agric. Mach. 2023, 54, 107–118. [Google Scholar]
- Chen, Y.; Wang, Z.; Zhang, H.; Liu, X.; Li, H.; Sun, W.; Li, H. Investigation of the Traveling Performance of the Tracked Chassis of a Potato Combine Harvester in Hilly and Mountainous Areas. Agriculture 2024, 14, 1625. [Google Scholar] [CrossRef]
- Zhang, X.; Liu, J.; Zhang, C.; Zhao, Y.; Du, X. Design and Experimentation of Small Potato Harvester for Heavy Soil in Hilly and Mountainous Areas. Agronomy 2024, 14, 2131. [Google Scholar] [CrossRef]
- Xie, S.; Zhang, Y.; Li, J.; Liu, F. Analysis of Breaking and Separating Characteristics of Potato–Soil Aggregates Based on the New Type of Swing Separation Sieve. Agronomy 2024, 14, 1272. [Google Scholar] [CrossRef]
- Wang, Y.; Naber, M.R.; Crosby, T.W. Effects of Wound-Healing Management on Potato Post-Harvest Storability. Agronomy 2020, 10, 512. [Google Scholar] [CrossRef]
- Akimbekov, N.; Qiao, X.; Digel, I.; Abdieva, G.; Ualieva, P.; Zhubanova, A. The Effect of Leonardite-Derived Amendments on Soil Microbiome Structure and Potato Yield. Agriculture 2020, 10, 147. [Google Scholar] [CrossRef]
- Chulikova, N.; Malyuga, A.; Borshchegovskaya, P.; Zubritskaya, Y.; Ipatova, V.; Chernyaev, A.; Yurov, D.; Zolotov, S.; Nikitchenko, A.; Bliznyuk, U.; et al. Electron Beam Irradiation to Control Rhizoctonia Solani in Potato. Agriculture 2023, 13, 1221. [Google Scholar] [CrossRef]
- Wang, B.; Hu, L.L.; Cheng, G.S.; Hu, Z.C.; Chen, H.; Yan, B.; Xie, Q.; Wang, G.; Yang, H.; Wang, B. A Combined Potato Crop Harvester. International Patent Application No. CN115024075B, 21 April 2023. [Google Scholar]
- Wei, Z.C.; Li, H.W.; Su, G.L.; Sun, C.Z.; Liu, W.Z.; Li, X.Q. Design and test of low spreading double buffer potato harvester. J. Agric. Mach. 2019, 50, 140–152. [Google Scholar]
- Li, Z.; Sun, W.; Wang, H.; Wang, J.; Simionescu, P.A. Study on the Process of Soil Clod Removal and Potato Damage in the Front Harvesting Device of Potato Combine Harvester. Agriculture 2024, 14, 1947. [Google Scholar] [CrossRef]
- Xie, S.S.; Wang, C.G.; Deng, W.G.; Li, X.; Qi, S.H. Oscillating separation sieve potato soil separation mechanism analysis and parameter optimization test. J. Agric. Mach. 2017, 48, 156–164. [Google Scholar]
- Wei, H.A.; Zhang, J.L.; Yang, S.; Huang, X.P.; Dai, L.X.; Sun, G.H.; Liu, X. Improved design and test of 4UFD-1400 potato combine harvester. J. Agric. Eng. 2014, 30, 12–17. [Google Scholar]
- Xie, S.S.; Wang, C.G.; Deng, W.G. Potato collision damage test and collision acceleration characterization. J. China Agric. Univ. 2020, 25, 163–169. [Google Scholar]
- Feng, B.; Sun, W.; Shi, L.R.; Sun, B.G.; Zhang, T.; Wu, J.M. Determination of impact restitution coefficient of potato tubers at harvest time and analysis of influencing factors. J. Agric. Eng. 2017, 33, 50–57. [Google Scholar]
- Lu, Q. Experimental Study on Potato Damage Mechanism and Design of Combine Harvester. Master’s Thesis, Northwest Agriculture and Forestry University, Xianyang, China, 2016. [Google Scholar]
- Tang, H.; Zhu, G.; Sun, Z.; Xu, C.; Wang, J. Impact Damage Evolution Rules of Maize Kernel Based on FEM. Biosyst. Eng. 2024, 247, 162–174. [Google Scholar] [CrossRef]
- Tang, H.; Zhu, G.; Wang, Z.; Xu, W.; Xu, C.; Wang, J. Prediction Method for Maize Kernel Impact Breakage Based on High-Speed Camera and FEM. Powder Technol. 2024, 444, 120002. [Google Scholar] [CrossRef]
- Guo, R.J. Experimental Study on Drop and Collision Damage of Mechanized Potato Harvesting. Master’s Thesis, Shenyang Agricultural University, Shenyang, China, 2023. [Google Scholar]
- Zhang, T.F. Design and Experimental Study of Automatic Seed Potato Cutting Machine. Master’s Thesis, Inner Mongolia University of Technology, Hohhot, China, 2024. [Google Scholar]
- NY/T 648-2015; Technical Specification for Quality Evaluation of Potato Harvesters. China Standard Press: Beijing, China, 2015.
- Wei, Z.C.; Wang, Y.W.; Li, X.Q.; Wang, J.M.; Su, G.L.; Meng, P.C.; Han, M.; Jin, C.Q.; Li, Z.H. Design and test of flexible kneading potato combine harvester. J. Agric. Eng. 2023, 39, 60–69. [Google Scholar]
Disclaimer/Publisher’s Note: The statements, opinions and data contained in all publications are solely those of the individual author(s) and contributor(s) and not of MDPI and/or the editor(s). MDPI and/or the editor(s) disclaim responsibility for any injury to people or property resulting from any ideas, methods, instructions or products referred to in the content. |
© 2024 by the authors. Licensee MDPI, Basel, Switzerland. This article is an open access article distributed under the terms and conditions of the Creative Commons Attribution (CC BY) license (https://creativecommons.org/licenses/by/4.0/).
















