Design and Test of the Structure of Extractor Negative Pressure Zone of Sugarcane Chopper Harvester
Abstract
:1. Introduction
2. Structure and Working Principle
3. Materials and Methods
3.1. Design of the Negative Pressure Structure
3.2. Construction of the Airflow Field Simulation Model
3.2.1. Model Building and Meshing of the Extractor
3.2.2. Control Equations and Boundary Conditions
3.3. Verification of Extractor System Simulation Model
3.4. Flow Field Simulation of the Extractor System
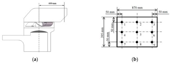
3.5. The Performance Field Test of the Extractor System
3.5.1. Test Conditions
3.5.2. Test Methods
- (1)
- Trash content Jh, as shown in Formula (1).
- (2)
- Loss rate Si, as shown in Formula (2).
4. Results and Discussion
4.1. Analyzed Aerodynamic Performance of the Extractor System’s Negative Zone
4.1.1. Wind Pressure Analysis
4.1.2. Analysis of Flow Velocity
4.2. Verification Results of Simulation Test of the Extractor System
4.3. Measurement Results of the Trash Content and Loss Rate
4.3.1. Measurement Results of the Trash Content
4.3.2. Measurement Results of the Loss Rate
5. Conclusions
- (1)
- Based on the negative pressure structure in the original extractor, the structure of the negative pressure zone in the two fans was designed. Through the analysis of the internal flow field of the fan, it is found that the negative pressure zone in fan structure 2 had the best aerodynamic performance, the air pressure distribution was uniform and stable, and it had good consistency in air flow direction, which was conducive to reducing trash content.
- (2)
- The simulation results were verified by the three indexes of the original extractor’s wind speed, wind pressure, and flow rate. The results showed that the actual values of wind speed and wind pressure were basically consistent with the simulation values and the relative error of outlet flow rate was less than 10% at different speeds. The fan simulation model could be used to study the internal airflow field.
- (3)
- Test results of trash content showed that when the feed rate was 1.5 kg/s, there was no significant difference in the trash content between the original extractor and the optimal extractor under various fan speeds. When the feed rate was 4.5 kg/s, the trash content in the optimal extractor was reduced by 1.37%, 1.0%, and 0.77%, respectively, compared with the original fan at low (950 r/min), medium (1100 r/min), and high (1250 r/min) speeds. When the feed rate was 7.5 kg/s, the low-speed performance of the optimal extractor was significantly improved and the trash content decreased by 2.5%.
- (4)
- Test results of the loss rate showed that when the fan speed was 950 r/min, there was no significant difference in the loss rate of the two fans. When the fan speed was 1100 r/min, the loss rate of the optimal extractor was reduced by 0.53%, 0.21%, and 0.19%, respectively, compared with the original fan at low (1.5 kg/s), medium (4.5 kg/s), and high (7.5 kg/s) feed rate. When the fan speed was 950 r/min, there was no significant difference in the loss rate of the two fans, but it was significantly higher than the loss rate under medium and low speeds.
Author Contributions
Funding
Institutional Review Board Statement
Informed Consent Statement
Data Availability Statement
Conflicts of Interest
References
- Liu, Q.T.; Liu, X.X.; Wu, T.; Ou, Y. The 14th five-year plan of sugarcane mechanization sustainable development of sugarcane Industry in China. Mod. Agric. Equip. 2020, 41, 2–9. [Google Scholar]
- Xing, H.M.; Ma, S.C.; Wang, F.L.; Bai, J.; Hu, J.W. Structure optimization and experiment of sugarcane chopper harvester extractor. Trans. Chin. Soc. Agric. Eng. 2020, 36, 67–75. [Google Scholar] [CrossRef]
- Viator, R.P.; Richard, E.P.; Viator, B.J.; Jackson, W.; Waguespack, H.L.; Birkett, H.S. Sugarcane chopper harvester extractor fan and ground speed effects on yield and quality. Appl. Eng. Agric. 2007, 23, 31–34. [Google Scholar] [CrossRef]
- Whiteing, C.; Norris, C.P.; Paton, D.C. Extraneous matter versus cane loss: Finding a balance in chopper harvested green cane. Sugar Cane Technol. 2001, 24, 276–282. [Google Scholar]
- Wang, F.; Yang, G.; Ke, W.; Ma, S. Effect of sugarcane chopper harvester extractor parameters on impurity removal and cane losses. IFAC-Pap. Online 2018, 51, 292–297. [Google Scholar] [CrossRef]
- Xing, H.; Ma, S.; Wang, F.; Bai, J.; Hu, J. Cane loss studies on sugarcane chopper harvester. In Conference: 2020 ASABE Annual International Virtual Meeting; American Society of Agricultural and Biological Engineers: St. Joseph, MI, USA, 2020. [Google Scholar] [CrossRef]
- McCarthy, S.G.; Harris, H.; Billingsley, J. Listening for Cane Loss; Sugar Tech: Durban, South African, 2000. [Google Scholar]
- Chen, Y.L.; Zhang, Y.; Wang, X. A variable speed control strategy for impurity removal fan of sugarcane combine harvester based on ga-svr model. Sugar Technol. 2021, 23, 1126–1136. [Google Scholar] [CrossRef]
- Xie, F.; Ou, Y.; Liu, Q.; Zou, X.; Feng, J. Design and experiment of impurity discharging fan of sugarcane harvester. Trans. Chin. Soc. Agric. Eng. 2012, 28, 8–14. [Google Scholar] [CrossRef]
- Wang, H.B.; Li, S.P.; Ma, F.L.; Li, Z. Pneumatic design of small sugarcane harvester fan. J. Agric. Mech. Res. 2015, 37, 103–107. [Google Scholar] [CrossRef]
- Zillman, S.R.; Harris, H.D. Developing and Improving the Jetclean Harvester Cleaning System; Corporation Project NCA006 Final Report; Sugar Research and Development: Brisbane, Australia, 2001. [Google Scholar]
- Zhong, J.Q.; Li, S.P.; Ma, F.L. Stress strain and mode analysis on impurity removal fan based on fluid structure interaction. J. Agric. Mech. Res. 2017, 39, 18–22. [Google Scholar] [CrossRef]
- Xing, H.N.; Ma, S.C.; Mo, J.L.; Zeng, B.S.; Liang, W.P.; Li, W.Q.; Wang, F.L.; Bai, J.; Ding, Z.L. Optimization and experiment of parameters for the impeller structure of extractor in a sugarcane chopper harvester. Trans. Chin. Soc. Agric. Eng. 2021, 37, 12–19. [Google Scholar] [CrossRef]
- Xing, H.N.; Ma, S.C.; Wang, F.L.; Bai, J.; Ma, J. Aerodynamic performance evaluation of sugarcane harvester extractor based on CFD. Sugar Technol. 2021, 23, 627–633. [Google Scholar] [CrossRef]
- Xing, H.N.; Ma, S.C.; Wang, F.L.; Bai, J.; Hu, J. Improving the performance of a sugarcane harvester extractor using design changes validated by computational fluid dynamic modelling and experiment. Biosyst. Eng. 2022, 218, 124–138. [Google Scholar] [CrossRef]
- Huang, Z.; Sun, F.Y.; Huang, S.X.; Yang, D.T. Simulation of airflow field of sugarcane harvester based on fluent. J. Agric. Mech. Res. 2017, 39, 32–36. [Google Scholar] [CrossRef]
- Zhu, H.Y. Study on Airflow Field of Sugarcane Billet Harvester; South China Agricultural University: Guangzhou, China, 2017. [Google Scholar]
- Yuan, C.Y. Study and Experiment on the Impurity Removal on Air Selection System of the Segment Sugarcane Combine Harvester; South China Agricultural University: Guangzhou, China, 2016. [Google Scholar]
- Lateb, M.; Masson, C.; Stathopoulos, T.; Bédard, C. Comparison of various types of k-ε models for pollutant emissions around a two-building configuration. J. Wind. Eng. Ind. Aerodyn. 2013, 115, 9–21. [Google Scholar] [CrossRef]
- Li, C.; Li, X.; Li, P.; Ye, X. Numerical investigation of impeller trimming effect on performance of an axial flow fan. Energy 2014, 75, 534–548. [Google Scholar] [CrossRef]
- Wang, F.J. Computational Fluid Dynamics Analysis: CFD Soft Principle and Application; Tsinghua University Press: Beijing, China, 2004. [Google Scholar]













| Parameters | Measurement Results |
|---|---|
| Ridge height/mm | 113 |
| Ridge distance/mm | 122 |
| Soil moisture content | 17% |
| Soil firmness/KPa | 2837 |
| Growth density/Plant·m−1 | 11 |
| Leaf-stem ratio | 29% |
| Moisture content of sugarcane leaf | 9.2% |
| Test Factors | Levels | ||
|---|---|---|---|
| Fan speed/(rad·min−1) | 950 | 1100 | 1250 |
| Driving speed/(km·h−1) | 1 | 2 | 3 |
Publisher’s Note: MDPI stays neutral with regard to jurisdictional claims in published maps and institutional affiliations. |
© 2022 by the authors. Licensee MDPI, Basel, Switzerland. This article is an open access article distributed under the terms and conditions of the Creative Commons Attribution (CC BY) license (https://creativecommons.org/licenses/by/4.0/).
Share and Cite
Ren, J.; Wu, T.; Liu, Q.; Zou, X.; Li, K. Design and Test of the Structure of Extractor Negative Pressure Zone of Sugarcane Chopper Harvester. Agronomy 2022, 12, 2336. https://doi.org/10.3390/agronomy12102336
Ren J, Wu T, Liu Q, Zou X, Li K. Design and Test of the Structure of Extractor Negative Pressure Zone of Sugarcane Chopper Harvester. Agronomy. 2022; 12(10):2336. https://doi.org/10.3390/agronomy12102336
Chicago/Turabian StyleRen, Jiahui, Tao Wu, Qingting Liu, Xiaoping Zou, and Ke Li. 2022. "Design and Test of the Structure of Extractor Negative Pressure Zone of Sugarcane Chopper Harvester" Agronomy 12, no. 10: 2336. https://doi.org/10.3390/agronomy12102336
APA StyleRen, J., Wu, T., Liu, Q., Zou, X., & Li, K. (2022). Design and Test of the Structure of Extractor Negative Pressure Zone of Sugarcane Chopper Harvester. Agronomy, 12(10), 2336. https://doi.org/10.3390/agronomy12102336

