Validated Cohesive Zone Models for Epoxy-Based Adhesive Joints Between Steel and CFRP Composites for Multimaterial Structural Design in Transportation Applications
Abstract
1. Introduction
2. Materials and Methods
2.1. Material Testing of Stainless Steel 1.4003
2.2. Material Testing of CFRP SIKA Carbodur S812
2.3. Material Testing of Adhesive SikaPower 1277
2.4. Determination of Mode I Parameters—DCB Test
2.5. Determination of Mode II Parameters—ENF Test
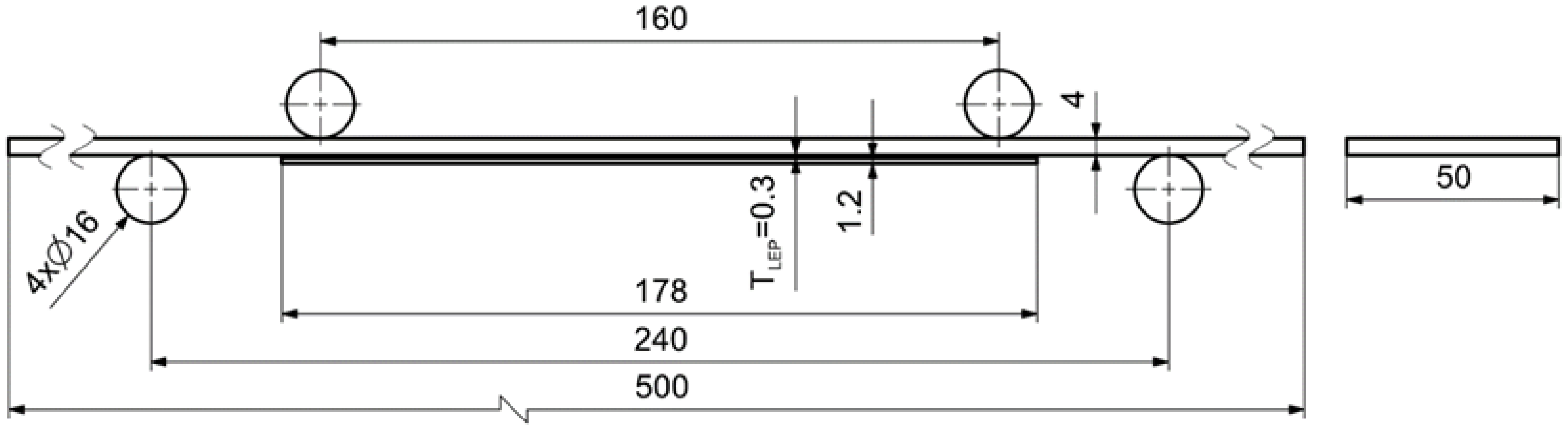
2.6. Experiment for Validation of Material Model Parameters
3. Results
3.1. Final Validated Material Models
3.2. Agreement Between Experimental, Numerical, and Analytical Results for Cohesive Failure in Mode I
3.2.1. Agreement Between Experimental, Numerical, and Analytical Results for Cohesive Failure in Mode II
3.2.2. Validation of Material Model Parameters
4. Discussion
5. Conclusions
Author Contributions
Funding
Institutional Review Board Statement
Informed Consent Statement
Data Availability Statement
Acknowledgments
Conflicts of Interest
Abbreviations
| ASTM | American Society for Testing and Materials |
| CFRP | Carbon Fiber Reinforced Polymer |
| CZM | Cohesive Zone Model |
| DCB | Double Cantilever Beam (Mode I test) |
| ENF | End Notched Flexure (Mode II test) |
| ESI | Engineering Systems International (developer of Visual Crash-PAM) |
| FEA | Finite Element Analysis |
References
- Giusti, R.; Lucchetta, G. Cohesive Zone Modeling of the Interface Fracture in Full-Thermoplastic Hybrid Composites for Lightweight Applications. Polymers 2023, 15, 4459. [Google Scholar] [CrossRef]
- Oshima, S.; Koyanagi, J. Review on Damage and Failure in Adhesively Bonded Composite Joints: A Microscopic Aspect. Polymers 2025, 17, 377. [Google Scholar] [CrossRef]
- Mohabeddine, A.; Malik, G.; Correia, J.; Silva, F.; De Jesus, A.; Fantuzzi, N.; Castro, J.M. Experimental Parametric Investigation on the Behavior of Adhesively Bonded CFRP/Steel Joints. Compos. Struct. 2023, 307, 116598. [Google Scholar] [CrossRef]
- Campilho, R.D.S.G.; de Moura, M.F.S.F.; Domingues, J.J.M.S. Validation of a Direct Method to Predict the Strength of Adhesively Bonded Joints—Cohesive Zone Modelling of Three Adhesives via DCB/ENF Tests. Sci. Technol. Mater. 2018, 29, e53–e59. [Google Scholar]
- Ries, M. Mechanical Behaviour of Adhesive Joints: A Review on Modelling Techniques. Comput. Methods Mater. Sci. 2024, 24, 5–35. [Google Scholar]
- He, X. A Review of Finite Element Analysis of Adhesively Bonded Joints. Int. J. Adhes. Adhes. 2011, 31, 248–264. [Google Scholar] [CrossRef]
- Park, J.-S.; Kim, J.-H.; Park, J.-H.; Ko, D.-C. Prediction of the Delamination at the Steel and CFRP Interface of Hybrid Composite Part. Materials 2021, 14, 6285. [Google Scholar] [CrossRef]
- Kowal, M.; Hypki, M. Numerical analyses of adhesive-bonded joints in steel I-beams reinforced with CFRP strips. ITM Web Conf. 2017, 15, 07007. [Google Scholar] [CrossRef][Green Version]
- Wei, Y.; Jin, X.; Luo, Q.; Li, Q.; Sun, G. Adhesively bonded joints—A review on design, manufacturing, experiments, modeling and challenges. Compos. Part B Eng. 2024, 277, 111225. [Google Scholar] [CrossRef]
- Sam-Daliri, O.; Jiang, Y.; Flaherty, D.; Walls, M.; Kennedy, C.; Flanagan, M.; Ghabezi, P.; Finnegan, W. Mechanical analysis of unidirectional glass fibre reinforced epoxy composite joints manufactured by adhesive bonding and co-curing techniques. Mater. Des. 2025, 258, 114739. [Google Scholar] [CrossRef]
- Karthikeyan, N.; Naveen, J. Enhanced shear and vibration behaviour of co-cured CFRP joints with innovative lamination techniques. J. Adhes. 2025, 101, 1012–1032. [Google Scholar] [CrossRef]
- Pereira, T.F.C.; Campilho, R.D.S.G.; Rocha, R.J.B.; Sánchez-Arce, I.J. Cohesive Zone Parameter Influence on the Impact Strength of Adhesive Joints. Compos. Struct. 2022, 278, 114782. [Google Scholar] [CrossRef]
- Loutas, T.; Tsokanas, P.; Kostopoulos, V.; Nijhuis, P.; van den Brink, W.M. Mode I Fracture Toughness of Asymmetric Metal-Composite Adhesive Joints. arXiv 2020, arXiv:2002.10186. [Google Scholar] [CrossRef]
- ASTM D5528/D5528M; Standard Test Method for Mode I Interlaminar Fracture Toughness of Unidirectional Fiber-Reinforced Polymer Matrix Composites. ASTM International: West Conshohocken, PA, USA, 2022.
- Korta, J.; Młyniec, A.; Uhl, T. Finite Element Analysis of Adhesive Bonds Using the Cohesive Zone Modeling Method. Mech. Control 2014, 33, 51–63. [Google Scholar] [CrossRef][Green Version]
- ASTM D7905/D7905M; Standard Test Method for Determination of the Mode II Interlaminar Fracture Toughness of Unidirectional Fiber-Reinforced Polymer Matrix Composites. ASTM International: West Conshohocken, PA, USA, 2019.
- Shi, T.; Pang, M.; Wang, Y.; Zhang, Y. Inverse Identification Framework for Cohesive Zone Model Incorporating Failure Mode Based on Multi-Island Genetic Algorithm. arXiv 2023, arXiv:2311.00359. [Google Scholar] [CrossRef]
- Kalina, T.; Chval, Z.; Sedlacek, F.; Spirk, S. Sensitivity Analysis and Influence Evaluation of Progressive Wall Thickness of Honeycomb Structures as Energy Absorber Produced by Additive Technology Multi-Jet Fusion. Materials 2025, 18, 1. [Google Scholar] [CrossRef]
- Hismanshu, R.; Ramaswamy, A. A Discrete Cohesive Zone Model for Beam Element: Application to Adhesively Bonded Laminates and Sandwich Panels. arXiv 2024, arXiv:2410.02432. [Google Scholar] [CrossRef]
- Heshmati, M.; Haghani, R.; Al-Emrani, M.; André, A. On the strength prediction of adhesively bonded FRP-steel joints using cohesive zone modelling. Theor. Appl. Fract. Mech. 2018, 96, 64–78. [Google Scholar] [CrossRef]
- Askarinejad, S.; Martínez-Pañeda, E.; Cuesta, I.; Fleck, N.A. Mode II Fracture of an MMA Adhesive Layer: Theory Versus Experiment. arXiv 2020, arXiv:2009.12883. [Google Scholar] [CrossRef]
- Adediran, I.; Fritz, J.; Truster, T. Comparative Analysis of Different Adhesive Model Representations in Single-Lap Joints Using Finite Element Analysis. Appl. Sci. 2025, 15, 2661. [Google Scholar] [CrossRef]
- Lanzerath, H.; Nowack, N.; Mestres, E. Simulation Tool Including Failure for Structural Adhesives in Full-Car Crash Models; SAE Technical Paper 2009-01-0474; SAE International: Warrendale, PA, USA, 2009. [Google Scholar] [CrossRef]
- Akkasali, N.K.; Biswas, A. A State-of-the-Art Review on Adhesively Bonded Joints of Similar and Dissimilar Materials. J. Adhes. Sci. Technol. 2024, 38, 4317–4371. [Google Scholar] [CrossRef]
- Zhelyazov, T. Models Analyzing the Response of the Adhesive Joint Between FRP and Concrete. Adv. Civ. Eng. 2024, 3, 23. [Google Scholar]
- Špirk, S.; Špička, J.; Vychytil, J. Simulation of Tram–Pedestrian Collision with Validated Windshield Material Model. In Proceedings of the 58th International Scientific Conference on Experimental Stress Analysis (EAN 2020), Tábor, Czech Republic, 30 June–3 July 2020; pp. 519–528. [Google Scholar]
- Vychytil, J.; Špirk, S. Numerical Analysis of Passenger Kinematics and Injury Risks during a Railway Vehicle Collision: The Effect of Safety Belts. Appl. Comput. Mech. 2020, 14, 65–80. [Google Scholar] [CrossRef]
- Jiang, X.; Kolstein, M.H.; Bijlaard, F.S.K. Study on Mechanical Behaviours of FRP-to-Steel Adhesively-Bonded Joint Under Tensile Loading. Compos. Struct. 2013, 98, 192–201. [Google Scholar] [CrossRef]
- Jofré, L.D.; Olagüe, E. Durability of Adhesively-Bonded CFRP/Steel Joints: Moisture Diffusion and Strength Degradation. Master’s Thesis, Chalmers University, Gothenburg, Sweden, 2013. No. 123. [Google Scholar]
- Sugiman, S.; Crocombe, A.D.; Ashcroft, I.A. Experimental and Numerical Investigation of the Static Response of Environmentally Aged Adhesively Bonded Joints. Int. J. Adhes. Adhes. 2013, 40, 224–237. [Google Scholar] [CrossRef]
- Kouno, Y.; Imanaka, M.; Hino, R.; Omiya, M.; Yoshida, F. Estimation of Fracture Behavior of CFRP/CFRP Adhesively-Bonded Joints. Int. J. Adhes. Adhes. 2024, 120, 102824. [Google Scholar]




















| Keyword | Unit | Value | Description |
|---|---|---|---|
| RHO | kg/mm3 | Material density | |
| ISINT | — | 0 | Shell integration rule |
| ISHG | — | 4 | Elements hourglass prevention |
| E | GPa | 187 | Elastic modulus |
| sigmOPTN | — | KRUPK | Yield option (plasticity model) |
| NU | — | 0.28 | Poisson’s ratio |
| k | GPa | 0.75437 | Plastic hardening parameter (strength coefficient) |
| EPSI0 | — | 0.0575 | Strain at onset of hardening |
| n | — | 0.194 | Exponent of the power-law curve |
| SIGMAmax | GPa | 0 | Not used (no upper stress limit defined) |
| REL_THIN | — | 0.72 | Ratio of thickness/original thickness for element elimination |
| StrainOPT | — | Ini Strain | Strain options |
| EPSIi | — | 0.3 | Strain at damage initiation |
| EPSI1 | — | 0.5 | Strain at damage initiation |
| d1 | — | 0.2 | Intermediate damage parameter |
| EPSIu | — | 0.6 | Strain at failure completion |
| dU | — | 0.6 | Ultimate damage value |
| EPSIpmax | — | 1.52 | Strain limit for element elimination |
| EPMX | — | 0.14 | Keyword for selecting Generic user criterion output |
| KSI | — | 0.1 | Proportional damping |
| Keyword | Unit | Value | Description |
|---|---|---|---|
| RHO | kg/mm3 | Material density | |
| ISINT | — | 0 | Shell integration rule |
| ISHG | — | 4 | Elements hourglass prevention |
| E | GPa | 165 | Elastic modulus |
| sigmOPTN | — | Yield Stress | Yield option (plasticity model) |
| SIGMAy | GPa | 3 | Yield stress for single stress–strain curve |
| NU | — | 0.26 | Poisson’s ratio |
| E1 | GPa | 1 | Plastic tangent modulus |
| SIGMA1 | GPa | 3.1 | True stress (for E1) |
| EPSIpmax | — | 0.05 | Strain limit for element elimination |
| REL_THIN | — | 0.92 | Ratio of thickness/original thickness for element elimination |
| KSI | — | 0.1 | Proportional damping |
| Keyword | Unit | Value | Description |
|---|---|---|---|
| RHO | kg/mm3 | Material density | |
| ISINT | — | 0 | Interface formulation type |
| ISHG | — | 0 | Hourglass control (off) |
| KSI | — | 0.1 | Stiffness-proportional damping ratio |
| IELAST | — | 0 | Elastic formulation flag |
| IDELA | — | 1 | Interaction method |
| ETA | — | 6.79 | Quasi-static loading mode criterion exponent |
| Ncycle | — | 10 | Number of cycles for stress reduction |
| NFEQD | — | 10 | Number of cycles for filtered displacements |
| IDRUP | — | 0 | Failure mode flag (off) |
| PSLOPE | — | 0.0231 | Hardening coefficient (both modes) |
| En | GPa | 1.6 | Normal stiffness (modulus) |
| SIGSn | MPa | 0.0311 | Max elastic stress (static mode) |
| R_SIGSn | — | Strain rate for SIGSn | |
| SIGDn | MPa | 0.08083 | Max elastic stress (dynamic mode) |
| R_SIGDn | — | 10000 | Strain rate for SIGDn |
| EFRSn | — | 0.0039 | Fracture energy (static mode) |
| R_EFRSn | — | Strain rate for EFRSn | |
| EFRDn | — | 0.0072 | Fracture energy (dynamic mode) |
| R_EFRDn | — | 10000 | Strain rate for EFRDn |
| PCn | N/mm | 0.449 | Normal plasticity coefficient |
| Es | GPa | 0.37 | Shear stiffness (modulus) |
| SIGSs | MPa | 0.0231 | Max elastic stress (static mode) |
| R_SIGSs | — | Strain rate for SIGSs | |
| SIGDs | MPa | 0.04933 | Max elastic stress (dynamic mode) |
| R_SIGDs | — | 10000 | Strain rate for SIGDs |
| EFRSs | — | 0.0231 | Fracture energy (static mode) |
| R_EFRSs | — | Strain rate for EFRSs | |
| EFRDs | — | 0.02394 | Fracture energy (dynamic mode) |
| R_EFRDs | — | 10000 | Strain rate for EFRDs |
| PCs | N/mm | 0.49 | Shear plasticity coefficient |
Disclaimer/Publisher’s Note: The statements, opinions and data contained in all publications are solely those of the individual author(s) and contributor(s) and not of MDPI and/or the editor(s). MDPI and/or the editor(s) disclaim responsibility for any injury to people or property resulting from any ideas, methods, instructions or products referred to in the content. |
© 2026 by the authors. Licensee MDPI, Basel, Switzerland. This article is an open access article distributed under the terms and conditions of the Creative Commons Attribution (CC BY) license.
Share and Cite
Špirk, S.; Kalina, T. Validated Cohesive Zone Models for Epoxy-Based Adhesive Joints Between Steel and CFRP Composites for Multimaterial Structural Design in Transportation Applications. Polymers 2026, 18, 309. https://doi.org/10.3390/polym18030309
Špirk S, Kalina T. Validated Cohesive Zone Models for Epoxy-Based Adhesive Joints Between Steel and CFRP Composites for Multimaterial Structural Design in Transportation Applications. Polymers. 2026; 18(3):309. https://doi.org/10.3390/polym18030309
Chicago/Turabian StyleŠpirk, Stanislav, and Tomáš Kalina. 2026. "Validated Cohesive Zone Models for Epoxy-Based Adhesive Joints Between Steel and CFRP Composites for Multimaterial Structural Design in Transportation Applications" Polymers 18, no. 3: 309. https://doi.org/10.3390/polym18030309
APA StyleŠpirk, S., & Kalina, T. (2026). Validated Cohesive Zone Models for Epoxy-Based Adhesive Joints Between Steel and CFRP Composites for Multimaterial Structural Design in Transportation Applications. Polymers, 18(3), 309. https://doi.org/10.3390/polym18030309
