Hydrophilic Modification of Polytetrafluoroethylene (PTFE) Capillary Membranes with Chemical Resistance by Constructing Three-Dimensional Hydrophilic Networks
Abstract
1. Introduction
2. Materials and Methods
2.1. Materials
2.2. Preparation of Hydrophilic PTFE Capillary Membranes
2.3. Characterization of Structure and Surface Chemical Composition of PTFE Capillary Membranes
2.4. Surface Wettability and Pure Water Flux Tests of PTFE Capillary Membranes
2.5. Filtration Performance Tests of Hydrophilic Modified PTFE Capillary Membranes
2.6. Chemical Resistance Tests of Hydrophilic Modified PTFE Capillary Membranes
3. Results and Discussion
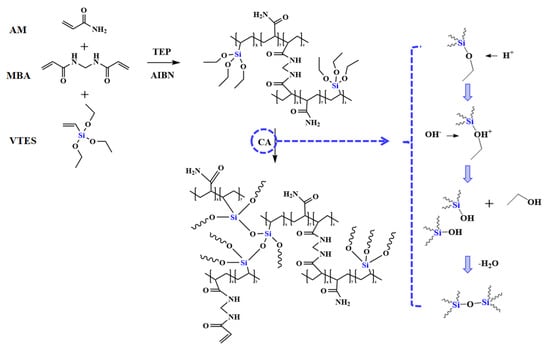
3.1. Mechanism for Intertwining the Hydrophilic Three-Dimensional Network with PTFE Capillary Membranes
3.2. Chemical Composition of Modified PTFE Capillary Membranes
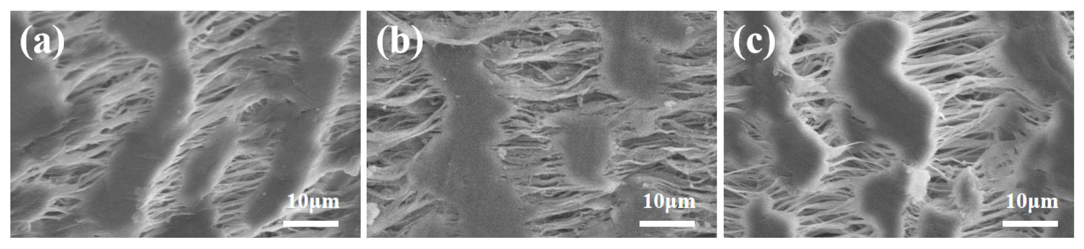
3.3. Surface Morphology of Modified PTFE Capillary Membranes
3.4. Surface Wettability and Filtration Performance Tests of PTFE Capillary Membranes
3.5. Chemical Resistance of Hydrophilic Modified PTFE Capillary Membranes
4. Conclusions
Author Contributions
Funding
Institutional Review Board Statement
Data Availability Statement
Acknowledgments
Conflicts of Interest
References
- Loganathan, P.; Kandasamy, J.; Ratnaweera, H.; Vigneswaran, S. Submerged membrane/adsorption hybrid process in water reclamation and concentrate management—A mini review. Environ. Sci. Pollut. Res. Int. 2022, 30, 42738–42752. [Google Scholar] [CrossRef] [PubMed]
- Liu, M.; He, M.; Han, J.; Sun, Y.; Jiang, H.; Li, Z.; Li, Y.; Zhang, H. Recent Advances in Capacitive Deionization: Research Progress and Application Prospects. Sustainability 2022, 14, 14429. [Google Scholar] [CrossRef]
- Sun, F.; Li, T.T.; Ren, H.T.; Lou, C.W.; Lin, J.H. Rational design of dopamine-decorated gradient structure membrane with novel hydrophibic/underwater-oleophobic for oil/water separation. J. Mater. Res. Technol. 2023, 22, 2251–2261. [Google Scholar] [CrossRef]
- Sohail Ahmad, M.; Inomata, Y.; Kida, T. Energy Application of Graphene Based Membrane: Hydrogen Separation. Chem. Rec. 2023, 24, 163. [Google Scholar] [CrossRef] [PubMed]
- Loh, C.Y.; Ye, W.; Fang, S.; Lin, J.; Gu, A.; Zhang, X.; Burrows, A.D.; Xie, M. Advances in two-dimensional materials for energy-efficient and molecular precise membranes for biohydrogen production. Bioresour. Technol. 2022, 364, 128065. [Google Scholar] [CrossRef]
- Yan, Z.; Zhou, Z.; Zhang, Z.; Zhang, R.; Cui, J.; Dai, J. One-Pot Fabrication of Superhydrophilic/Underwater Superoleophobic Membrane Based on Mussel-Inspired Chemistry for High-Efficiency Oil-Water Separation. Nano 2022, 7, 1793. [Google Scholar] [CrossRef]
- Zieliński, M.; Dębowski, M.; Kazimierowicz, J. Outflow from a Biogas Plant as a Medium for Microalgae Biomass Cultivation-Pilot Scale Study and Technical Concept of a Large-Scale Installation. Energies 2022, 15, 2912. [Google Scholar] [CrossRef]
- Zhu, X.; Zhu, L.; Xue, J.; Xue, Q. Preparation of micro-nano particles modified discarded face-mask by a versatile thermocompression modification approach and its application to emulsion separation. Sep. Sci. Technol. 2023, 58, 695–703. [Google Scholar] [CrossRef]
- Shi, D.; Li, C.; Yin, Y.; Lu, W.; Li, G.; Li, X. Application of Poly(ether sulfone)-Based Membranes in Clean Energy Technology. Chem. Asian J. 2022, 18, 1038. [Google Scholar] [CrossRef]
- Shahrabadi, A.Z.; Kargari, A.; Tayebi, A. Evaluation of the effectiveness of poly(phenyl sulfone)/nanoclay mixed matrix membranes for carbon dioxide/methane separation. Int. J. Greenh. Gas Control 2022, 121, 3792. [Google Scholar] [CrossRef]
- Zou, D.; Lee, Y.M. Design strategy of poly(vinylidene fluoride) membranes for water treatment. Prog. Polym. Sci. 2022, 128, 101535. [Google Scholar] [CrossRef]
- Liu, H.; Xie, J.; Zhao, J.; Xue, P.; Lv, X.; Sun, S. Hydrophilic ionic-liquid grafted poly(vinylidene fluoride) membranes with excellent cationic dye and oil–water emulsion removal performance. J. Mater. Sci. 2022, 57, 4876–4894. [Google Scholar] [CrossRef]
- Guo, Q.; Huang, Y.; Xu, M.; Huang, Q.; Cheng, J.; Yu, S.; Zhang, Y.; Xiao, C. PTFE porous membrane technology: A comprehensive review. J. Membr. Sci. 2022, 664, 121115. [Google Scholar] [CrossRef]
- Fu, H.; Xue, K.; Li, Z.; Zhang, H.; Gao, D.; Chen, H. Study on the performance of CO2 capture from flue gas with ceramic and PTFE membrane contactors. Energy 2023, 263 PA, 125677. [Google Scholar] [CrossRef]
- Chen, X.; Dai, C.; Zhang, T.; Xu, P.; Ke, W.; Wu, J.; Qiu, M.; Fu, K.; Fan, Y. Efficient construction of a robust PTFE/Al2O3 hydrophobic membrane for effective oil purification. Chem. Eng. J. 2022, 435, 134972. [Google Scholar] [CrossRef]
- Shi, W.; Li, T.; Fan, M.; Li, H.; Zhang, H.; Qin, X. Construction of rough and porous surface of hydrophobic PTFE powder-embedded PVDF hollow fiber composite membrane for accelerated water mass transfer of membrane distillation. J. Ind. Eng. Chem. 2022, 108, 328–343. [Google Scholar] [CrossRef]
- Su, M.; Liang, L.; Ren, F.; Yao, W.; Yu, M.; Ren, M.; Sun, J. Influence of reinforcing fiber on the dry sliding wear behavior of hybrid fabric/benzoxazine composites. Text. Res. J. 2019, 89, 5153–5164. [Google Scholar] [CrossRef]
- Zhao, J.; Ma, P. Comparative Study on the Tribological Properties of PTFE Coated Kevlar Fabric and Hybrid PTFE/Kevlar Fabric. Fibers Polym. 2022, 23, 1111–1118. [Google Scholar] [CrossRef]
- Wang, H.; Qi, X.; Zhang, W.; Dong, Y.; Fan, B.; Zhang, Y. Tribological properties of PTFE/Kevlar fabric composites under heavy loading. Tribol. Int. 2020, 151, 106507. [Google Scholar] [CrossRef]
- Sun, Q.; Xiang, B.; Mu, P.; Li, J. Green Preparation of a Carboxymethyl Cellulose-Coated Membrane for Highly Efficient Separation of Crude Oil-In-Water Emulsions. Langmuir ACS J. Surf. Colloids 2022, 38, 7067. [Google Scholar] [CrossRef]
- Chen, Z.; Yang, X.; Wang, B.; Dai, J.; Bai, Z. Adhesion behavior of oil droplets on solid surface with different wettability and inclined angle in water. J. Dispers. Sci. Technol. 2023, 44, 459–467. [Google Scholar] [CrossRef]
- Kim, H.-C.; Shin, J.; Won, S.; Lee, J.-Y.; Maeng, S.K.; Song, K.G. Membrane distillation combined with an anaerobic moving bed biofilm reactor for treating municipal wastewater. Water Res. 2015, 71, 97–106. [Google Scholar] [CrossRef] [PubMed]
- Huang, Q.-L.; Xiao, C.-F.; Hu, X.-Y.; Li, X.-F. Study on the effects and properties of hydrophobic poly(tetrafluoroethylene) membrane. Desalination 2011, 277, 187–192. [Google Scholar] [CrossRef]
- Huang, Q.; Huang, Y.; Gao, S.; Zhang, M.; Xiao, C. Novel Ultrafine Fibrous Poly(tetrafluoroethylene) Hollow Fiber Membrane Fabricated by Electrospinning. Polymers 2018, 10, 464. [Google Scholar] [CrossRef] [PubMed]
- Park, B.-H.; Sohn, J.-Y.; Shin, J. Radiolytic preparation and characterization of hydrophilic poly(acrylonitrile-co-vinylsulfonate)-grafted porous poly(tetrafluoroethylene) substrates. Radiat. Phys. Chem. 2016, 118, 42–47. [Google Scholar] [CrossRef]
- Ruiz-Rubio, F.; López-Saucedo, F.; Duarte-Peña, L.; Valencia-May, E.; Bucio, E. Teflon graft poly N-N-dimethylacrylamide as a ciprofloxacin release system. Radiat. Phys. Chem. 2022, 196, 110106. [Google Scholar] [CrossRef]
- Wei, W.; Sun, M.; Zhang, L.; Zhao, S.; Wu, J.; Wang, J. Underwater oleophobic PTFE membrane for efficient and reusable emulsion separation and the influence of surface wettability and pore size. Sep. Purif. Technol. 2017, 189, 32–39. [Google Scholar] [CrossRef]
- Lojen, D.; Primc, G.; Mozetič, M.; Vesel, A. Optimization of surface wettability of polytetrafluoroethylene (PTFE) by precise dosing of oxygen atoms. Appl. Surf. Sci. 2022, 598, 153817. [Google Scholar] [CrossRef]
- Lin, L.; Rui, L.; Li, C.; Liu, Q.; Li, S.; Xia, Y.; Hu, H.; Yang, W.; Xu, H. Study on CO2-based plasmas for surface modification of polytetrafluoroethylene and the wettability effects. J. CO2 Util. 2021, 53, 101752. [Google Scholar] [CrossRef]
- Chi, L.; Qian, Y.; Guo, J.; Wang, X.; Arandiyan, H.; Jiang, Z. Novel g-C3N4/TiO2/PAA/PTFE ultrafiltration membrane enabling enhanced antifouling and exceptional visible-light photocatalytic self-cleaning. Catal. Today 2016, 6, 225–233. [Google Scholar] [CrossRef]
- Park, J.; Wang, L.; Advani, S.G.; Prasad, A.K. Mechanical Stability of H3PO4-Doped PBI/Hydrophilic-Pretreated PTFE Membranes for High Temperature PEMFCs. Electrochim. Acta 2014, 120, 30–38. [Google Scholar] [CrossRef]
- Wang, C.; Liu, Y.; Wang, N.; Zhang, Y.; Zhang, L.; Zhao, S. Effects of catanionic surfactant mixture adsorption on the wettability of PTFE and PMMA. Colloids Surf. A Physicochem. Eng. Asp. 2021, 631, 127659. [Google Scholar] [CrossRef]
- Du, Y.; Zhang, Q.; Zhu, Y.; Zhou, Z.; Zhang, F.; Zhang, L.; Yan, F.; Wang, M.; Zhang, L. Adsorption of extended surfactants at the water-PTFE interface: The effect of PO number. J. Mol. Liq. 2022, 348, 118465. [Google Scholar] [CrossRef]
- Xu, Q.; Yang, Y.; Wang, X.; Wang, Z.; Jin, W.; Huang, J.; Wang, Y. Atomic layer deposition of alumina on porous polytetrafluoroethylene membranes for enhanced hydrophilicity and separation performances. J. Membr. Sci. 2012, 416, 435–443. [Google Scholar] [CrossRef]
- Huang, Z.; Yang, G.; Zhang, J.; Gray, S.; Xie, Z. Dual-layer membranes with a thin film hydrophilic MOF/PVA nanocomposite for enhanced antiwetting property in membrane distillation. Desalination 2021, 518, 115268. [Google Scholar] [CrossRef]
- Yang, Y.; Ma, L.; Wang, H.; Jia, W.; Zhu, J.; Wang, J.; Yang, S. A novel water-based lubricating additive of GO@PTFE: Superior tribological performances from the synergistic effect. Tribol. Int. 2022, 169, 107485. [Google Scholar] [CrossRef]
- Lee, H.; Dellatore, S.M.; Miller, W.M.; Messersmith, P.B. Mussel-Inspired Surface Chemistry for Multifunctional Coatings. Science 2007, 318, 426–430. [Google Scholar] [CrossRef]
- Wang, K.; Hou, D.; Wang, J.; Wang, Z.; Tian, B.; Liang, P. Hydrophilic surface coating on hydrophobic PTFE membrane for robust anti-oil-fouling membrane distillation. Appl. Surf. Sci. 2018, 450, 57–65. [Google Scholar] [CrossRef]
- Liu, W.; Lin, H.; Wang, J.; Han, Q.; Liu, F. Polytetrafluoroethylene (PTFE) hollow fibers modified by hydrophilic crosslinking network(HCN) for robust resistance to fouling and harsh chemical cleaning. J. Membr. Sci. 2021, 630, 119301. [Google Scholar] [CrossRef]
- Wang, F.; Zhu, H.; Zhang, H.; Tang, H.; Chen, J.; Guo, Y. Effect of surface hydrophilic modification on the wettability, surface charge property and separation performance of PTFE membrane. J. Water Process Eng. 2015, 8, 11–18. [Google Scholar] [CrossRef]
- Xu, S.; Ma, W.; Yang, H.; Cao, Z.; Gong, F.; Liu, C. Cross-Linking Combined with Surfactant Bilayer Assembly Enhances the Hydrophilic and Antifouling Properties of PTFE Microfiltration Membranes. Separations 2021, 9, 2. [Google Scholar] [CrossRef]
- Wang, W.; Huang, X.; Wu, M.; Wu, Q.; Yang, J.; Liu, J.; Zhang, J. A novel hydrophilic modification method for polytetrafluoroethylene (PTFE) hollow fiber membrane using sacrificial template. J. Membr. Sci. 2024, 699, 122667. [Google Scholar] [CrossRef]
- Farhan, N.; Al-Maleki, A.R.; Ataei, S.; Sarih, N.M.; Yahya, R. Synthesis, DFT study, theoretical and experimental spectroscopy of fatty amides based on extra-virgin olive oil and their antibacterial activity. Bioorg. Chem. 2023, 135, 106511. [Google Scholar] [CrossRef]
- Fu, H.; Ding, X.; Ren, C.; Li, W.; Wu, H.; Yang, H. Preparation of magnetic porous NiFe2O4/SiO2 composite xerogels for potential application in adsorption of Ce(iv) ions from aqueous solution. RSC Adv. 2017, 7, 16513. [Google Scholar] [CrossRef]













| VTES (g) | AM (g) | MBA (g) | |
|---|---|---|---|
| PTFE-AM1.50-MBA0 | 11.20 | 1.50 | 0 |
| PTFE-AM1.00-MBA0.50 | 11.20 | 1.00 | 0.50 |
| PTFE-AM0.75-MBA0.75 | 11.20 | 0.75 | 0.75 |
| PTFE-AM0.50-MBA1.00 | 11.20 | 0.50 | 1.00 |
| PTFE-AM0-MBA1.50 | 11.20 | 0 | 1.50 |
| Content (%) | |||||
|---|---|---|---|---|---|
| C | N | O | F | Si | |
| Pristine PTFE | 22.35 | 0 | 6.77 | 70.88 | 0 |
| PTFE-AM0.75-MBA0.75 | 44.14 | 2.21 | 9.31 | 41.64 | 2.66 |
| Water Flux(L/m2·h) | Water Contact Angle (°) | Water Contact Angle Decrease Ratio | |
|---|---|---|---|
| PTFE | 0 | 121.0 ± 2.2 | - |
| PTFE-AM1.50-MBA0 | 1949.7 ± 54.3 | 91.6 ± 2.7 | 24.3% |
| PTFE-AM1.00-MBA0.50 | 2301.5 ± 102.1 | 76.8 ± 3.6 | 36.5% |
| PTFE-AM0.75-MBA0.75 | 2666.0 ± 105.6 | 47.0 ± 4.2 | 61.2% |
| PTFE-AM0.50-MBA1.00 | 2325.1 ± 148.1 | 57.6 ± 5.6 | 52.4% |
| PTFE-AM0-MBA1.50 | 1732.7 ± 91.1 | 57.8 ± 4.1 | 52.2% |
| Samples | Water Contact Angle (°) | Water Flux (L/m2·h) | Flux Loss | |
|---|---|---|---|---|
| PTFE-AM0.75-MBA0.75 | 47 | 2666.0 ± 105.6 | ||
| 7 d | 3 wt%HCl | 61 | 1429.1 ± 124.5 | 45.4% |
| 3 wt%NaOH | 50 | 2157.9 ± 196.8 | 19.1% | |
| 3 wt%NaClO | 81 | 959.7 ± 100.4 | 64.0% | |
| 14 d | 3 wt%HCl | 82 | 1121.6 ± 106.6 | 57.9% |
| 3 wt%NaOH | 52 | 1900.8 ± 205.4 | 28.7% | |
| 3 wt%NaClO | 96 | 631.3 ± 108.5 | 76.3% | |
Disclaimer/Publisher’s Note: The statements, opinions and data contained in all publications are solely those of the individual author(s) and contributor(s) and not of MDPI and/or the editor(s). MDPI and/or the editor(s) disclaim responsibility for any injury to people or property resulting from any ideas, methods, instructions or products referred to in the content. |
© 2024 by the authors. Licensee MDPI, Basel, Switzerland. This article is an open access article distributed under the terms and conditions of the Creative Commons Attribution (CC BY) license (https://creativecommons.org/licenses/by/4.0/).
Share and Cite
Hou, M.; Li, Q.; Che, Y. Hydrophilic Modification of Polytetrafluoroethylene (PTFE) Capillary Membranes with Chemical Resistance by Constructing Three-Dimensional Hydrophilic Networks. Polymers 2024, 16, 1154. https://doi.org/10.3390/polym16081154
Hou M, Li Q, Che Y. Hydrophilic Modification of Polytetrafluoroethylene (PTFE) Capillary Membranes with Chemical Resistance by Constructing Three-Dimensional Hydrophilic Networks. Polymers. 2024; 16(8):1154. https://doi.org/10.3390/polym16081154
Chicago/Turabian StyleHou, Mingpeng, Qiuying Li, and Yanchao Che. 2024. "Hydrophilic Modification of Polytetrafluoroethylene (PTFE) Capillary Membranes with Chemical Resistance by Constructing Three-Dimensional Hydrophilic Networks" Polymers 16, no. 8: 1154. https://doi.org/10.3390/polym16081154
APA StyleHou, M., Li, Q., & Che, Y. (2024). Hydrophilic Modification of Polytetrafluoroethylene (PTFE) Capillary Membranes with Chemical Resistance by Constructing Three-Dimensional Hydrophilic Networks. Polymers, 16(8), 1154. https://doi.org/10.3390/polym16081154

