A Novel Frequency-Selective Surface-Enhanced Composite Honeycomb Absorber with Excellent Microwave Absorption
Abstract
1. Introduction
2. Electromagnetic Wave Absorption Theory
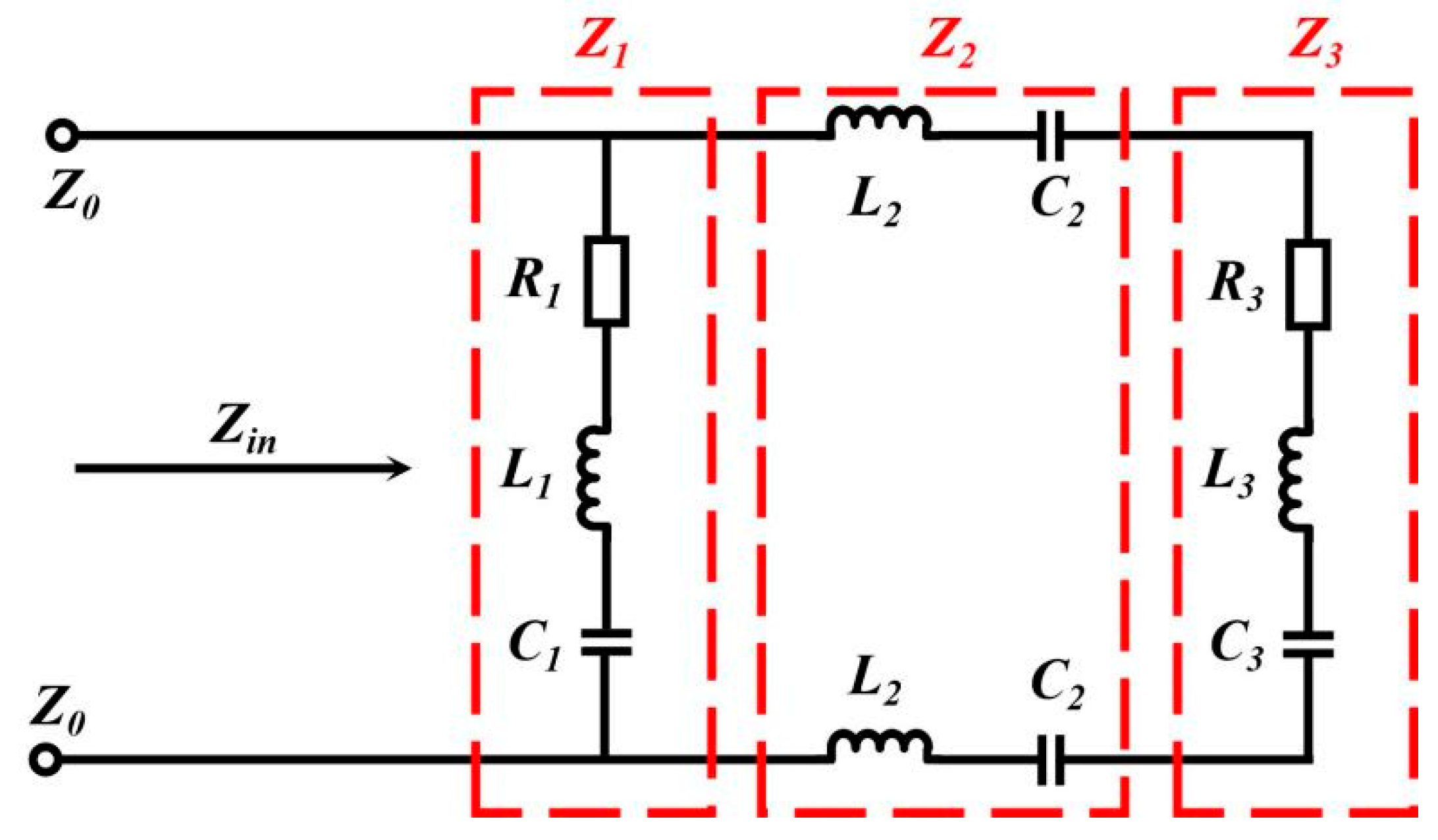
3. Design and Optimization of FSS-CHA Structure
4. Experimental Section
4.1. Materials
4.2. Fabrication
5. Results and Discussion
5.1. Electromagnetic Properties
5.2. Mechanical Properties
5.3. Cost Statistics
6. Conclusions
Author Contributions
Funding
Institutional Review Board Statement
Data Availability Statement
Conflicts of Interest
References
- Xu, T.; An, Z.; Zhang, R. Novel ceramic matrix metastructure for high-temperature radar-infrared compatible stealth: Structure-function design and manufacture. Compos. Part A Appl. Sci. Manuf. 2024, 179, 108030. [Google Scholar] [CrossRef]
- Anjana, A.C. Facile synthesis and characterization of polymer composites with cobalt ferrite and biomass based activated carbon for microwave absorption. Mater. Today Commun. 2023, 37, 107397. [Google Scholar] [CrossRef]
- Bai, Y.-H.; Xie, B.; Li, H.; Tian, R.; Zhang, Q.-H. Mechanical properties and electromagnetic absorption characteristics of foam Cement-based absorbing materials. Constr. Build. Mater. 2022, 330, 127221. [Google Scholar] [CrossRef]
- Kwon, H.; Jang, M.-S.; Yun, J.-M.; Park, Y.; Shin, C.; Yang, J.; Kim, C.-G. Design and verification of simultaneously self-sensing and microwave-absorbing composite structures based on embedded SiC fiber network. Compos. Struct. 2021, 261, 113286. [Google Scholar] [CrossRef]
- Cheng, L.; Si, Y.; Ji, Z.; Xu, J.; Dong, J.; He, Z.; Huang, R.; Zheng, L.; Yan, L.; Zheng, X. A novel linear gradient carbon fiber array integrated square honeycomb structure with electromagnetic wave absorption and enhanced mechanical performances. Compos. Struct. 2023, 305, 116510. [Google Scholar] [CrossRef]
- Yang, P.; Liu, Y.; Zhao, X.; Cheng, J.; Li, H. Electromagnetic wave absorption properties of mechanically alloyed FeCoNiCrAl high entropy alloy powders. Adv. Powder Technol. 2016, 27, 1128–1133. [Google Scholar] [CrossRef]
- Lai, W.; Wang, Y.; He, J. Effects of Carbonyl Iron Powder (CIP) Content on the Electromagnetic Wave Absorption and Mechanical Properties of CIP/ABS Composites. Polymers 2020, 12, 1694. [Google Scholar] [CrossRef]
- Du, B.; Cai, M.; Wang, X.; Qian, J.; He, C.; Shui, A. Enhanced electromagnetic wave absorption property of binary ZnO/NiCo2O4 composites. J. Adv. Ceram. 2021, 10, 832–842. [Google Scholar] [CrossRef]
- Marra, F.; Lecini, J.; Tamburrano, A.; Pisu, L.; Sarto, M.S. Electromagnetic wave absorption and structural properties of wide-band absorber made of graphene-printed glass-fibre composite. Sci. Rep. 2018, 8, 12029. [Google Scholar] [CrossRef]
- Bai, Y.; Chen, Y.; Lu, Y. Graphite-enhanced foam cement-based materials: Mechanical properties, pore structure and electromagnetic wave absorption performance. Mater. Today Commun. 2024, 40, 109377. [Google Scholar] [CrossRef]
- Qin, F.; Peng, H.; Tang, J.; Qin, L.C. Ferromagnetic microwires enabled polymer composites for sensing applications. Compos. Part A Appl. Sci. Manuf. 2010, 41, 1823–1828. [Google Scholar] [CrossRef]
- Li, Q.; Yang, D.; Mao, X. Pressure-resistant cylindrical shell structures comprising graded hybrid zero Poisson’s ratio metamaterials with designated band gap characteristics. Mar. Struct. 2022, 84, 103221. [Google Scholar] [CrossRef]
- Kurlyamdskaya, G.; Safronov, A.; Bhagat, S.; Lofland, S.E.; Beketov, I.V.; Prieto, L.M. Tailoring functional properties of Ni nanoparticles-acrylic copolymer composites with different concentrations of magnetic filler. J. Appl. Phys. 2015, 117, 123917. [Google Scholar] [CrossRef]
- Baranov, S. Glass-Coated Microwires For Composites. Mold. J. Phys. Sci. 2021, 20, 56–65. [Google Scholar] [CrossRef]
- Choi, W.-H.; Kim, C.-G. Broadband microwave-absorbing honeycomb structure with novel design concept. Compos. Part B Eng. 2015, 83, 14–20. [Google Scholar] [CrossRef]
- Khurram, A.A.; Ali, N.; Rakha, S.A.; Zhou, P.; Munir, A. Optimization of the Carbon Coating of Honeycomb Cores for Broadband Microwave Absorption. IEEE Trans. Electromagn. Compat. 2014, 56, 1061–1066. [Google Scholar] [CrossRef]
- Jiang, W.; Yan, L.; Ma, H.; Fan, Y.; Wang, J.; Feng, M.; Qu, S. Electromagnetic wave absorption and compressive behavior of a three-dimensional metamaterial absorber based on 3D printed honeycomb. Sci. Rep. 2018, 8, 4817. [Google Scholar] [CrossRef]
- Shen, L.; Pang, Y.; Yan, L.; Shen, Y.; Xu, Z.; Qu, S. Broadband radar absorbing sandwich structures with enhanced mechanical properties. Results Phys. 2018, 11, 253–258. [Google Scholar] [CrossRef]
- Nam, Y.-W.; Choi, J.-H.; Lee, W.-J.; Kim, C.-G. Fabrication of a thin and lightweight microwave absorber containing Ni-coated glass fibers by electroless plating. Compos. Sci. Technol. 2017, 145, 165–172. [Google Scholar] [CrossRef]
- Giordano, A.; Mao, L.; Chiang, F.-P. Full-field experimental analysis of a sandwich beam under bending and comparison with theories. Compos. Struct. 2021, 255, 112965. [Google Scholar] [CrossRef]
- Wang, C.; Chen, M.; Lei, H.; Zeng, Z.; Yao, K.; Yuan, X.; Fang, D. Frequency-selective-surface based sandwich structure for both effective loadbearing and customizable microwave absorption. Compos. Struct. 2020, 235, 111792. [Google Scholar] [CrossRef]
- Luo, H.; Chen, F.; Wang, X.; Dai, W.; Xiong, Y.; Yang, J.; Gong, R. A novel two-layer honeycomb sandwich structure absorber with high-performance microwave absorption. Compos. Part A Appl. Sci. Manuf. 2019, 119, 1–7. [Google Scholar] [CrossRef]
- Huang, Y.; Wu, D.; Chen, M.; Zhang, K.; Fang, D. Evolutionary optimization design of honeycomb metastructure with effective mechanical resistance and broadband microwave absorption. Carbon 2021, 177, 79–89. [Google Scholar] [CrossRef]
- Choi, J.-H.; Jang, M.-S.; Jang, W.-H.; Kim, C.-G. Investigation on microwave absorption characteristics of conductive-coated honeycomb absorber. Compos. Struct. 2020, 242, 112129. [Google Scholar] [CrossRef]
- He, Y.; Gong, R.; Cao, H.; Wang, X.; Zheng, Y. Preparation and microwave absorption properties of metal magnetic micropowder-coated honeycomb sandwich structures. Smart Mater. Struct. 2007, 16, 1501–1505. [Google Scholar] [CrossRef]
- Kwak, B.-S.; Choi, W.-H.; Noh, Y.-H.; Jeong, G.-W.; Yook, J.-G.; Kweon, J.-H.; Nam, Y.-W. Nickel-coated glass/epoxy honeycomb sandwich composite for broadband RCS reduction. Compos. Part B Eng. 2020, 191, 107952. [Google Scholar] [CrossRef]
- Wang, C.; Lei, H.; Huang, Y.; Li, H.; Chen, M.; Fang, D. Effects of stitch on mechanical and microwave absorption properties of radar absorbing structure. Compos. Struct. 2018, 195, 297–307. [Google Scholar] [CrossRef]
- Zhang, Z.; Lei, H.; Yang, H.; Chen, M.; Wang, C.; Yang, H.; Fang, D. Novel multifunctional lattice composite structures with superior load-bearing capacities and radar absorption characteristics. Compos. Sci. Technol. 2021, 216, 109064. [Google Scholar] [CrossRef]
- Liu, Z.; Wang, S.; Shao, J.; Zhao, W.; Yu, G.; Wu, L. 3D radar stealth composite hierarchical grid structure with extremely broadband absorption performance and effective load bearing. Compos. Part B Eng. 2022, 247, 110316. [Google Scholar] [CrossRef]
- Hashin, Z.; Shtrikman, S. A Variational Approach to the Theory of the Effective Magnetic Permeability of Multiphase Materials. J. Appl. Phys. 1962, 33, 3125–3131. [Google Scholar] [CrossRef]
- Zhang, J.; Li, Z.; Shao, L.; Zhu, W. Dynamical absorption manipulation in a graphene-based optically transparent and flexible metasurface. Carbon 2021, 176, 374–382. [Google Scholar] [CrossRef]
- Yang, C.; He, E.; Yang, P.; Gao, Q.; Yan, T.; Ye, X.; Ye, Y.; Wu, H. 3D-printed stepped structure based on graphene-FeSiAl composites for broadband and wide-angle electromagnetic wave absorption. Compos. Part B Eng. 2024, 270, 111135. [Google Scholar] [CrossRef]
- Song, Z.; Zhu, J.F.; Wang, X.; Zhang, R.; Min, P.; Cao, W.; He, Y.; Han, J.; Wang, T.; Zhu, J.; et al. Origami metamaterials for ultra-wideband and large-depth reflection modulation. Nat. Commun. 2024, 15, 3181. [Google Scholar] [CrossRef] [PubMed]










| Parameter Meanings | Values |
|---|---|
| FSS-CHA single cell cycle p (mm) | 15 |
| CHA wall thickness d (mm) | 1 |
| CHA height h (mm) | 9 |
| CHA wall resistance rf (Ω) | 400 |
| Resistance of each resistor sheet in the FSS r1 (Ω) | 600 |
| Cycles per resistor sheet in FSS l (mm) | 9 |
| PTFE thickness h1 (mm) | 0.5 |
| Carbon fiber back plate thickness h2 (mm) | 0.4 |
| Materials | Height (mm) | Absorption Domain (GHz) | Bandwidths (GHz) | Compressive Strength (MPa) | Costs (USD /m2) | Ref. |
|---|---|---|---|---|---|---|
| Graphene | 3.35 | 7–18 | 11 | - | 96,590 a | [31] |
| QFRP, resistive sheet | 10 | 5.4–18 | 12.6 | 24.0 | - | [28] |
| QFRC, carbon fiber, Resistive sheet, PMI | 22 | 2.6–4, 6.6–40 | 34.8 | 5.80 | >13,979 b | [29] |
| FeSiAl, graphene, PLA | 9 | 5.25–18 | 12.75 | - | >4703 c | [32] |
| Conductive carbon black | 9 | 4.9–18 | 13.1 | - | >1588 d | [22] |
| FR-4, resistive sheet | 9.9 | 3.96–18 | 14.04 | 17.10 | 270.7 | This work |
Disclaimer/Publisher’s Note: The statements, opinions and data contained in all publications are solely those of the individual author(s) and contributor(s) and not of MDPI and/or the editor(s). MDPI and/or the editor(s) disclaim responsibility for any injury to people or property resulting from any ideas, methods, instructions or products referred to in the content. |
© 2024 by the authors. Licensee MDPI, Basel, Switzerland. This article is an open access article distributed under the terms and conditions of the Creative Commons Attribution (CC BY) license (https://creativecommons.org/licenses/by/4.0/).
Share and Cite
Xian, Y.-X.; Yang, J.-S.; Li, H.-Z.; Xu, C.; Wang, X.-W. A Novel Frequency-Selective Surface-Enhanced Composite Honeycomb Absorber with Excellent Microwave Absorption. Polymers 2024, 16, 3312. https://doi.org/10.3390/polym16233312
Xian Y-X, Yang J-S, Li H-Z, Xu C, Wang X-W. A Novel Frequency-Selective Surface-Enhanced Composite Honeycomb Absorber with Excellent Microwave Absorption. Polymers. 2024; 16(23):3312. https://doi.org/10.3390/polym16233312
Chicago/Turabian StyleXian, Yu-Xuan, Jin-Shui Yang, Hong-Zhou Li, Chang Xu, and Xiang-Wei Wang. 2024. "A Novel Frequency-Selective Surface-Enhanced Composite Honeycomb Absorber with Excellent Microwave Absorption" Polymers 16, no. 23: 3312. https://doi.org/10.3390/polym16233312
APA StyleXian, Y.-X., Yang, J.-S., Li, H.-Z., Xu, C., & Wang, X.-W. (2024). A Novel Frequency-Selective Surface-Enhanced Composite Honeycomb Absorber with Excellent Microwave Absorption. Polymers, 16(23), 3312. https://doi.org/10.3390/polym16233312

