Lumped-Element Circuit Modeling for Composite Scaffold with Nano-Hydroxyapatite and Wangi Rice Starch
Abstract
1. Introduction
2. Materials and Methods
2.1. Sample Preparation
2.2. Measurement
2.3. Lumped-Element Modeling
3. Results and Discussion
3.1. Dielectric Constant and Dielectric Loss Factor of Wangi Rice Starch/nHA Scaffold with Various Ratios at X-Band and Ku-Band
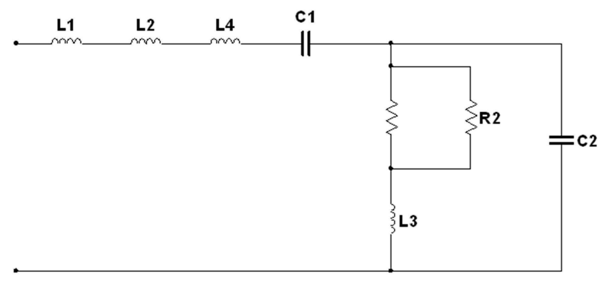
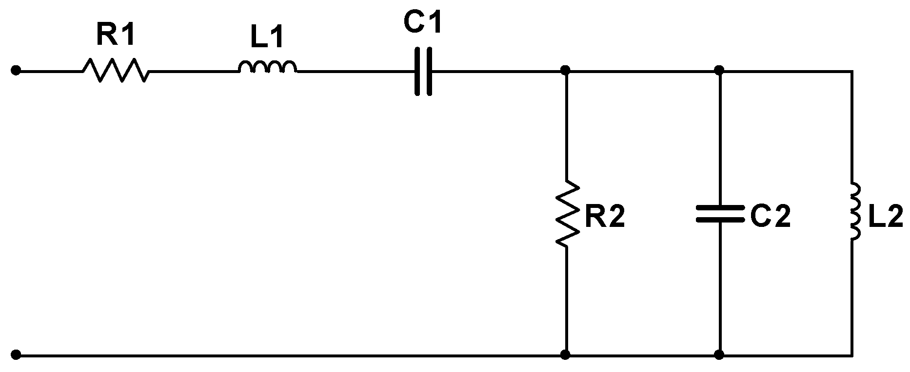
3.2. Lumped-Element Circuit Model
4. Conclusions
Author Contributions
Funding
Institutional Review Board Statement
Informed Consent Statement
Data Availability Statement
Acknowledgments
Conflicts of Interest
References
- Qu, H.; Fu, H.; Han, Z.; Sun, Y. Biomaterials for bone tissue engineering scaffolds: A review. RSC Adv. 2019, 9, 26252–26262. [Google Scholar] [CrossRef] [PubMed]
- Petra, C.; Vlastimil, K.; Vaclav, B. Fabrication of scaffolds for bone-tissue regeneration. Materials 2019, 12, 568. [Google Scholar]
- Valdoz, J.C.; Johnson, B.C.; Jacobs, D.J.; Franks, N.A.; Dodson, E.L.; Sanders, C.; Cribbs, C.G.; Van Ry, P.M. The ECM: To scaffold, or not to scaffold, That is the question. Int. J. Mol. Sci. 2021, 22, 12690. [Google Scholar] [CrossRef] [PubMed]
- Zhao, J.; Xiao, S.; Lu, X.; Wang, J.; Weng, J. A study on improving mechanical properties of porous HA tissue engineering scaffolds by hot isostatic pressing. Biomed. Mater. 2006, 1, 188–192. [Google Scholar] [CrossRef] [PubMed]
- Qiu, L.L.; Cleo, C. Three-Dimensional Scaffolds for Tissue Engineering Applications: Role of Porosity and Pore Size. Tissue Eng. Part B 2013, 19, 485–502. [Google Scholar]
- Barbara, P.C.; Kam, W.L. Scaffolding in tissue engineering: General approaches and tissue-specific considerations. Eur. Spine J. 2008, 17, 467–479. [Google Scholar]
- Jilani, M.T.; Wen, W.P.; Cheong, L.Y.; Zakariya, M.A.; Rehman, M.Z. Equivalent circuit modeling of the dielectric loaded microwave biosensor. Radioengineering 2014, 23, 1038–1047. [Google Scholar]
- Zhang, G.; Gao, J.; Cao, X.; Yang, H.; Jidi, L. An ultra-thin low-frequency tunable metamaterial absorber based on lumped element. Radioengineering 2019, 28, 579–584. [Google Scholar] [CrossRef]
- Qiang, M.; Huanyan, T.; Bo, Z. Compact LTCC Balun using L-C Embraced Structure for 128 MHz 3T MRI Applications. Radioengineering 2022, 31, 455–459. [Google Scholar]
- David, K.; Pavel, H. A Passive Network Synthesis from Two-Terminal Measured Impedance Characteristic. Radioengineering 2019, 28, 183–190. [Google Scholar]
- Yasir, M.; Zaccagnini, P.; Palmara, G.; Frascella, F.; Paccotti, N.; Savi, P. Morphological Characterization and Lumped Element Model of Graphene and Biochar Thick Films. J. Carbon Res. 2019, 7, 36. [Google Scholar] [CrossRef]
- Rossetti, S.; Gardonio, P.; Brennan, M.J. A wave model for rigid-frame porous materials using lumped parameter concepts. J. Sound Vib. 2005, 286, 81–96. [Google Scholar] [CrossRef]
- Andi, P.; Wilen, L.A. Lumped-element technique for the measurement of complex density. J. Acoust. Soc. Am. 2001, 110, 1950–1957. [Google Scholar]
- Li, H.; Gao, Z.; Guan, J.; Zhao, J.; Xu, Z.; Zhao, S.; Wang, Q. Lumped parameter modeling of dynamic degradation characteristics of fiber-reinforced composite sheets in thermal environment. Mech. Adv. Mater. Struct. 2022, 29, 4698–4710. [Google Scholar] [CrossRef]
- García-Macías, E.; Downey, A.; D’Alessandro, A.; Castro-Triguero, R.; Laflamme, S.; Ubertini, F. Enhanced lumped circuit model for smart nanocomposite cement-based sensors under dynamic compressive loading conditions. Sens. Actuators A Phys. 2017, 260, 45–57. [Google Scholar] [CrossRef]
- Sternberg, B.K.; Levitskaya, T.M. Measurement of sheet-material electrical properties: Extending lumped-element methods to 10 GHz. IEE Proc. Sci. Meas. Technol. 2005, 152, 123–128. [Google Scholar] [CrossRef]
- Roslan, M.R.; Nasir, N.M.; Cheng, E.M.; Mamat, N. Preliminary characterization of nanoHA-Bubuk Wangi rice starch tissue scaffold. In Proceedings of the 2016 International Conference on Electrical, Electronics and Optimization Techniques (ICEEOT), Chennai, India, 3–5 March 2016. [Google Scholar]
- Lim, J.J.; Fischbarg, J. Electrical properties of rabbit corneal endothelium as determined from impedance measurements. Biophys. J. 1981, 36, 677–695. [Google Scholar] [CrossRef]
- Suesserman, M.F.; Spelman, F.A. Lumped-Parameter Model for In Vivo Cochlear Stimulation. IEEE Trans. Biomed. Eng. 1993, 40, 237–245. [Google Scholar] [CrossRef]
- Hu, Y.; Grainger, D.W.; Winn, S.R.; Hollinger, J.O. Fabrication of poly(alpha-hydroxy acid) foam scaffolds using multiple solvent systems. J. Biomed. Mater. Res. 2002, 59, 563–572. [Google Scholar] [CrossRef]
- Rey, C.; Combes, C.; Drouet, C.; Glimcher, M.J. Bone mineral: Update on chemical composition and structure. Osteoporos Int. 2009, 20, 1013–1021. [Google Scholar] [CrossRef]
- Spelman, F.A.; Clopton, B.M.; Pfingst, B.E. Tissue impedance and current flow in the implanted ear. Implications for the cochlear prosthesis. Ann. Otol. Rhinol. Laryngol. 1982, 98, 3–8. [Google Scholar]
- Bailey, S.; Mays, E.; Michalak, D.J.; Chebiam, R.; King, S.; Sooryakumar, R. Mechanical properties of high porosity low-k dielectric nano-films determined by Brillouin light scattering. J. Phys. D Appl. Phys. 2013, 46, 045308. [Google Scholar] [CrossRef]
- Sopyan, I.; Mel, M.; Ramesh, S.; Khalid, K.A. Porous hydroxyapatite for artificial bone applications. Sci. Technol. Adv. Mater. 2007, 8, 116–123. [Google Scholar] [CrossRef]
- Kobayashi, T.; Nakamura, S.; Yamashita, K. Enhanced osteobonding by negative surface charges of electrically polarized hydroxyapatite. J. Biomed. Mater. Res. 2001, 57, 477–484. [Google Scholar] [CrossRef] [PubMed]
- Huang, Y.; Wang, Y.; Li, Z.; Yang, Z.; Shen, C.; He, C. Effect of Pore Morphology on the Dielectric Properties of Porous Carbons for Microwave Absorption Applications. J. Phys. Chem. C 2014, 118, 26027–26032. [Google Scholar] [CrossRef]
- Kaufmann, T.A.; Neidlin, M.; Büsen, M.; Sonntag, S.J.; Steinseifer, U. Implementation of intrinsic lumped parameter modeling into computational fluid dynamics studies of cardiopulmonary bypass. J. Biomech. 2014, 47, 729–735. [Google Scholar] [CrossRef]
- Roslana, M.R.; Nasirb, N.M.; Cheng, E.M.; Mamat, N. The Characterization of nanoHA-Balik Wangi Rice Starch Tissue Engineering Scaffold. Int. J. Mech. Mechatron. Eng. 2016, 16, 36–41. [Google Scholar]













| Composition | nHA (w/v%) | Rice Starch Concentration (w/v%) |
|---|---|---|
| A | 50 | 50 |
| B | 40 | 60 |
| C | 30 | 70 |
| Composition | Component Values in the Circuit (Figure 3) | |||||||
|---|---|---|---|---|---|---|---|---|
| L1 (H) | L2 (H) | L3 (H) | L4 (H) | C1 (F) | C2 (F) | R1 (Ω) | R2 (Ω) | |
| A | 7.24 × 10−10 | 3.27 × 10−11 | 3.16 × 10−10 | - | 1.00 × 10−9 | 3.60 × 10−14 | R(f) | ≥8000 |
| B | 3.30 × 10−11 | 3.00 × 10−12 | 1.00 × 10−9 | 1.70 × 10−10 | 1.00 × 10−9 | 7.00 × 10−14 | R(f) | 400 |
| C | 5.00 × 10−10 | 3.00 × 10−11 | 1.00 × 10−12 | - | 3.44 × 10−8 | 1.14 × 10−14 | R(f) | 604 |
| Composition | Component Values in the Circuit (Figure 4) | |||||
|---|---|---|---|---|---|---|
| L1 (H) | L2 (H) | C1 (F) | C2 (F) | R1 (Ω) | R2 (Ω) | |
| A | 1.20 × 10−9 | 9.00 × 10−8 | 3.16 × 10−13 | 1.00 × 10−14 | 0 | R(f) |
| B | 1.69 × 10−10 | 6.00 × 10−10 | <1.00 × 10−6 | 3.39 × 10−13 | R(f) | >8000 |
| C | 1.00 × 10−9 | 1.00 × 10−8 | 2.00 × 10−13 | 1.00 × 10−14 | 0 | R(f) |
| Composition | Mean Percentage Error (%) | |
|---|---|---|
| Z′ | Z″ | |
| A | 11.09 | 23.90 |
| B | 3.60 | 13.57 |
| C | 18.31 | 19.80 |
| Composition | Mean Percentage Error (%) | |
|---|---|---|
| Z′ | Z″ | |
| A | 10.23 | 17.21 |
| B | 12.86 | 23.30 |
| C | 6.78 | 13.80 |
| Composition | Component Values in Circuit | |||||
|---|---|---|---|---|---|---|
| L1 (H) | L2 (H) | C1 (F) | C2 (F) | R1 (Ω) | R2 (Ω) | |
| <15.5 GHz | 0 | 1.00 × 10−9 | <1.00 × 10−9 | 3.20 × 10−13 | R(f) | >8000 |
| >15.5 GHz | 3.50 × 10−10 | 5.00 × 10−11 | <1.00 × 10−9 | 1.40 × 10−12 | R(f) | >8000 |
Disclaimer/Publisher’s Note: The statements, opinions and data contained in all publications are solely those of the individual author(s) and contributor(s) and not of MDPI and/or the editor(s). MDPI and/or the editor(s) disclaim responsibility for any injury to people or property resulting from any ideas, methods, instructions or products referred to in the content. |
© 2023 by the authors. Licensee MDPI, Basel, Switzerland. This article is an open access article distributed under the terms and conditions of the Creative Commons Attribution (CC BY) license (https://creativecommons.org/licenses/by/4.0/).
Share and Cite
Tan, X.J.; Cheng, E.M.; Mohd Nasir, N.F.; Abdul Majid, M.S.; Mohd Jamir, M.R.; Khor, S.F.; Lee, K.Y.; You, K.Y.; Mohamad, C.W.S.R. Lumped-Element Circuit Modeling for Composite Scaffold with Nano-Hydroxyapatite and Wangi Rice Starch. Polymers 2023, 15, 354. https://doi.org/10.3390/polym15020354
Tan XJ, Cheng EM, Mohd Nasir NF, Abdul Majid MS, Mohd Jamir MR, Khor SF, Lee KY, You KY, Mohamad CWSR. Lumped-Element Circuit Modeling for Composite Scaffold with Nano-Hydroxyapatite and Wangi Rice Starch. Polymers. 2023; 15(2):354. https://doi.org/10.3390/polym15020354
Chicago/Turabian StyleTan, Xiao Jian, Ee Meng Cheng, Nashrul Fazli Mohd Nasir, Mohd Shukry Abdul Majid, Mohd Ridzuan Mohd Jamir, Shing Fhan Khor, Kim Yee Lee, Kok Yeow You, and Che Wan Sharifah Robiah Mohamad. 2023. "Lumped-Element Circuit Modeling for Composite Scaffold with Nano-Hydroxyapatite and Wangi Rice Starch" Polymers 15, no. 2: 354. https://doi.org/10.3390/polym15020354
APA StyleTan, X. J., Cheng, E. M., Mohd Nasir, N. F., Abdul Majid, M. S., Mohd Jamir, M. R., Khor, S. F., Lee, K. Y., You, K. Y., & Mohamad, C. W. S. R. (2023). Lumped-Element Circuit Modeling for Composite Scaffold with Nano-Hydroxyapatite and Wangi Rice Starch. Polymers, 15(2), 354. https://doi.org/10.3390/polym15020354

