Construction of Three-Dimensional Network Structure in Polyethylene-EPDM-Based Phase Change Materials by Carbon Nanotube with Enhanced Thermal Conductivity, Mechanical Property and Photo-Thermal Conversion Performance
Abstract
:1. Introduction
2. Materials and Methods
2.1. Materials
2.2. Preparations of CNT-Polyethylene-EPDM-Based Phase Change Materials
2.3. Characterization of PCMs
2.4. Photo-Thermal Conversion Performance of CNT/PE-EPDM/EG-Based PCMs
3. Results and Discussion
3.1. Thermal Conductivity Analysis of the as-Prepared CNT/PE-EPDM/EG-Based PCMs
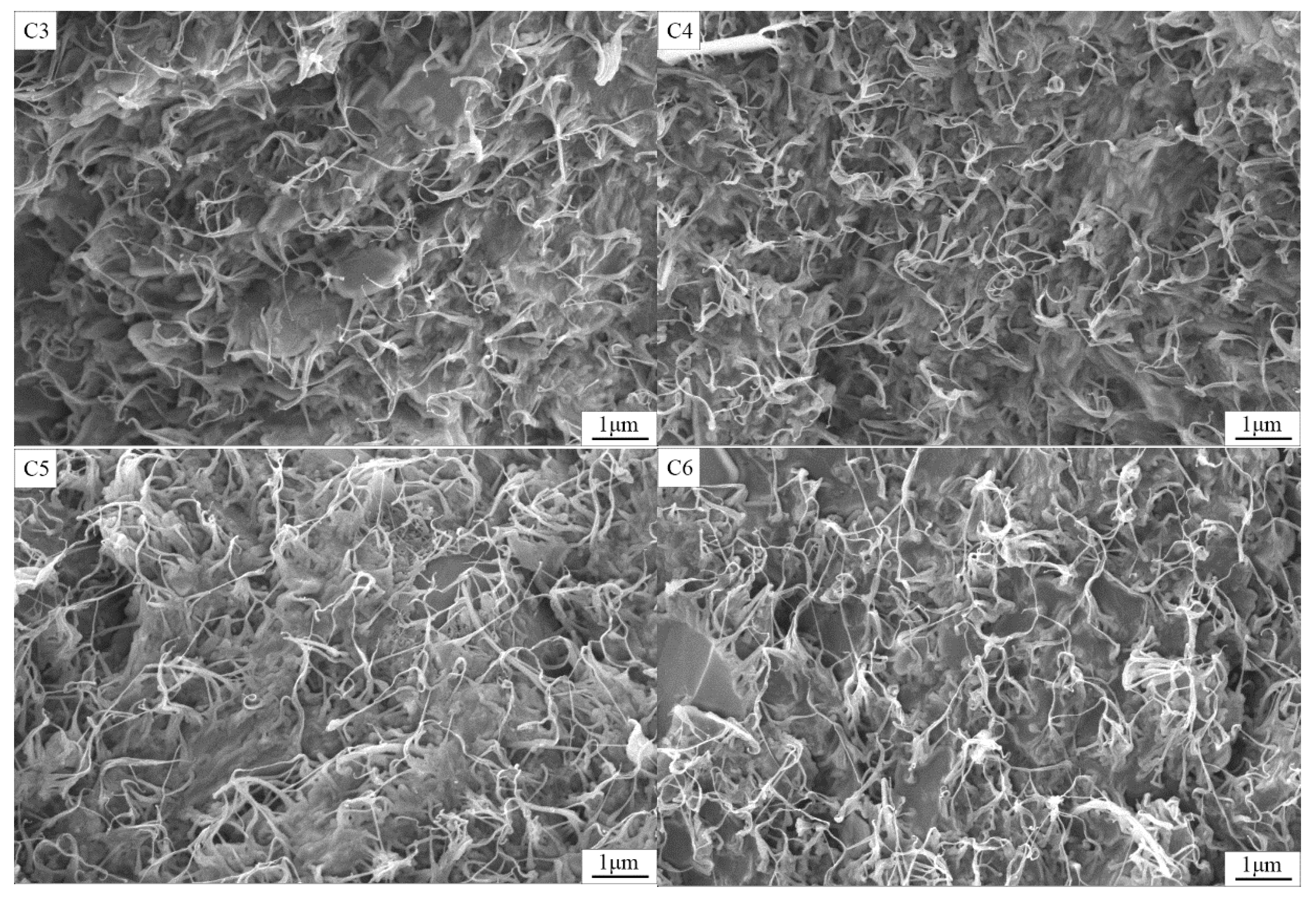
3.2. Morphology and Microstructure of the as-Prepared CNT/PE-EPDM/EG-Based PCMs
3.3. Mechanical Property of the as-Prepared CNT/PE-EPDM/EG-Based PCMs
3.4. FT-IR and Raman Analysis of the as-Prepared CNT/PE-EPDM/EG-Based PCMs
3.5. Melting and Freezing Behavior of CNT/PE-EPDM/EG Phase Change Material
3.6. Reversible Property of CNT/PE-EPDM/EG Phase Change Materials
3.7. Photo-Thermal Conversion Performance of CNT/PE-EPDM/EG Phase Change Materials
4. Conclusions
Author Contributions
Funding
Institutional Review Board Statement
Informed Consent Statement
Data Availability Statement
Conflicts of Interest
References
- Sharma, A.; Tyagi, V.V.; Chen, C.R.; Buddhi, D. Review on thermal energy storage with phase change materials and applications. Renew. Sustain. Energy Rev. 2009, 13, 318–345. [Google Scholar] [CrossRef]
- Wu, S.; Yan, T.; Kuai, Z.; Pan, W.J.E.S.M. Thermal conductivity enhancement on phase change materials for thermal energy storage: A review. Energy Storage Mater. 2020, 25, 251–295. [Google Scholar] [CrossRef]
- Huang, X.; Chen, X.; Li, A.; Atinafu, D.; Gao, H.; Dong, W.; Wang, G. Shape-stabilized phase change materials based on porous supports for thermal energy storage applications. Chem. Eng. J. 2019, 356, 641–661. [Google Scholar] [CrossRef]
- Huide, F.; Xuxin, Z.; Lei, M.; Tao, Z.; Qixing, W.; Hongyuan, S. A comparative study on three types of solar utilization technologies for buildings: Photovoltaic, solar thermal and hybrid photovoltaic/thermal systems. Energy Convers. Manag. 2017, 140, 1–13. [Google Scholar] [CrossRef]
- Yang, W.; Feng, Y.; Si, Q.; Yan, Q.; Long, P.; Dong, L.; Fu, L.; Feng, W. Efficient cycling utilization of solar-thermal energy for thermochromic displays with controllable heat output. J. Mater. Chem. A 2019, 7, 97–106. [Google Scholar] [CrossRef]
- Xu, B.; Li, Z. Paraffin/diatomite composite phase change material incorporated cement-based composite for thermal energy storage. Appl. Energy 2013, 105, 229–237. [Google Scholar] [CrossRef]
- Soares, N.; Costa, J.J.; Gaspar, A.R.; Santos, P. Review of passive PCM latent heat thermal energy storage systems towards buildings’ energy efficiency. Energy Build. 2013, 59, 82–103. [Google Scholar] [CrossRef]
- Pagkalos, C.; Dogkas, G.; Koukou, M.K.; Konstantaras, J.; Lymperis, K.; Vrachopoulos, M.G. Evaluation of water and paraffin PCM as storage media for use in thermal energy storage applications: A numerical approach. Int. J. Thermofl. 2019, 1, 100006. [Google Scholar] [CrossRef]
- Li, C.; Yu, H.; Song, Y.; Wang, M.; Liu, Z. A n-octadecane/hierarchically porous TiO2 form-stable PCM for thermal energy storage. Renew. Energy 2020, 145, 1465–1473. [Google Scholar] [CrossRef]
- Tang, J.; Yang, M.; Dong, W.; Yang, M.; Zhang, H.; Fan, S.; Wang, J.; Tan, L.; Wang, G. Highly porous carbons derived from MOFs for shape-stabilized phase change materials with high storage capacity and thermal conductivity. RSC Adv. 2016, 6, 40106–40114. [Google Scholar] [CrossRef]
- Nomura, T.; Okinaka, N.; Akiyama, T. Impregnation of porous material with phase change material for thermal energy storage. Mater. Chem. Phys. 2009, 115, 846–850. [Google Scholar] [CrossRef]
- Chen, Y.; Liu, C.; Situ, Y.; Liu, J.; Huang, H. Enhancing Thermal Conductivity and Photo-Driven Thermal Energy Charging/Discharging Rate of Annealed CMK-3 Based Phase Change Material. Nanomaterials 2019, 9, 364. [Google Scholar] [CrossRef] [PubMed] [Green Version]
- Hawlader, M.; Uddin, M.; Khin, M.M. Microencapsulated PCM thermal-energy storage system. Appl. Energy 2003, 74, 195–202. [Google Scholar] [CrossRef]
- Konuklu, Y.; Ostry, M.; Paksoy, H.O.; Charvat, P. Review on using microencapsulated phase change materials (PCM) in building applications. Energy Build. 2015, 106, 134–155. [Google Scholar] [CrossRef]
- Ho, C.-J.; Chang, P.-C.; Yan, W.-M.; Amani, M. Microencapsulated n-eicosane PCM suspensions: Thermophysical properties measurement and modeling. Int. J. Heat Mass Transf. 2018, 125, 792–800. [Google Scholar] [CrossRef]
- Sarı, A.; Karaipekli, A. Preparation, thermal properties and thermal reliability of palmitic acid/expanded graphite composite as form-stable PCM for thermal energy storage. Sol. Energy Mater. Sol. Cells 2009, 93, 571–576. [Google Scholar] [CrossRef]
- Luo, Z.; Huang, Z.; Xie, N.; Gao, X.; Xu, T.; Fang, Y.; Zhang, Z. Numerical and experimental study on temperature control of solar panels with form-stable paraffin/expanded graphite composite PCM. Energy Convers. Manag. 2017, 149, 416–423. [Google Scholar] [CrossRef]
- Zhang, L.; Li, R.; Tang, B.; Wang, P. Solar-thermal conversion and thermal energy storage of graphene foam-based composites. Nanoscale 2016, 8, 14600–14607. [Google Scholar] [CrossRef] [Green Version]
- Qi, G.; Yang, J.; Bao, R.; Xia, D.; Cao, M.; Yang, W.; Yang, M.; Wei, D. Hierarchical graphene foam-based phase change materials with enhanced thermal conductivity and shape stability for efficient solar-to-thermal energy conversion and storage. Nano Res. 2017, 10, 802–813. [Google Scholar] [CrossRef]
- Zhang, Q.; Liu, J. Sebacic acid/CNT sponge phase change material with excellent thermal conductivity and photo-thermal performance. Sol. Energy Mater. Sol. Cells 2018, 179, 217–222. [Google Scholar] [CrossRef]
- Hong, Y.; Xin-Shi, G. Preparation of polyethylene–paraffin compound as a form-stable solid-liquid phase change material. Sol. Energy Mater. Sol. Cells 2000, 64, 37–44. [Google Scholar] [CrossRef]
- Zhang, Q.; Zhao, Y.; Feng, J. Systematic investigation on shape stability of high-efficiency SEBS/paraffin form-stable phase change materials. Sol. Energy Mater. Sol. Cells 2013, 118, 54–60. [Google Scholar] [CrossRef]
- Wu, W.; Wu, W.; Wang, S. Form-stable and thermally induced flexible composite phase change material for thermal energy storage and thermal management applications. Appl. Energy 2019, 236, 10–21. [Google Scholar] [CrossRef]
- Chen, Y.; Wu, X.; Situ, Y.; Liu, J.; Huang, H. Ethylene-Propylene Terpolymer-Modified Polyethylene-Based Phase Change Material with Enhanced Mechanical and Thermal Properties for Building Application. Ind. Eng. Chem. Res. 2018, 58, 179–186. [Google Scholar] [CrossRef]
- Chen, Y.; Gao, S.; Liu, C.; Situ, Y.; Liu, J.; Huang, H. Preparation of PE-EPDM based phase change materials with great mechanical property, thermal conductivity and photo-thermal performance. Sol. Energy Mater. Sol. Cells 2019, 200, 109988. [Google Scholar] [CrossRef]
- Chen, L.; Xie, H. Surfactant-free nanofluids containing double-and single-walled carbon nanotubes functionalized by a wet-mechanochemical reaction. Thermochim. Acta 2010, 497, 67–71. [Google Scholar] [CrossRef]











| Samples | PE (g) | EPDM (g) | OP70/EG a (g) | CNT (g) | Total (g) |
|---|---|---|---|---|---|
| C1 | 30 | 5 | 70 | 0 | 105 |
| C2 | 30 | 5 | 70 | 1 | 106 |
| C3 | 30 | 5 | 70 | 2 | 107 |
| C4 | 30 | 5 | 70 | 4 | 109 |
| C5 | 30 | 5 | 70 | 6 | 111 |
| C6 | 30 | 5 | 70 | 8 | 113 |
| Samples | PE | EPDM | OP70 | EG | CNT | Total |
|---|---|---|---|---|---|---|
| C1 | 28.57 | 4.76 | 60.00 | 6.67 | 0.00 | 100.00 |
| C2 | 28.30 | 4.72 | 59.44 | 6.60 | 0.94 | 100.00 |
| C3 | 28.04 | 4.67 | 58.88 | 6.54 | 1.87 | 100.00 |
| C4 | 27.52 | 4.59 | 57.80 | 6.42 | 3.67 | 100.00 |
| C5 | 27.03 | 4.50 | 56.76 | 6.31 | 5.40 | 100.00 |
| C6 | 26.55 | 4.43 | 55.75 | 6.19 | 7.08 | 100.00 |
| Samples | Tm/°C | Tm, max/°C | △Hm/J g−1 | Tf/°C | Tf, max/°C | △Hf/J g−1 |
|---|---|---|---|---|---|---|
| C1 | 63.8 | 70.2 | 138.9 | 63.9 | 62.1 | 138.4 |
| C2 | 63.9 | 69.9 | 137.6 | 64.2 | 61.8 | 137.4 |
| C3 | 64.1 | 69.4 | 135.7 | 64.0 | 61.6 | 135.5 |
| C4 | 64.6 | 70.0 | 133.2 | 64.1 | 61.3 | 133.9 |
| C5 | 64.5 | 70.2 | 130.3 | 64.2 | 62.1 | 130.5 |
| C6 | 64.4 | 69.6 | 129.1 | 64.3 | 61.9 | 129.4 |
Publisher’s Note: MDPI stays neutral with regard to jurisdictional claims in published maps and institutional affiliations. |
© 2022 by the authors. Licensee MDPI, Basel, Switzerland. This article is an open access article distributed under the terms and conditions of the Creative Commons Attribution (CC BY) license (https://creativecommons.org/licenses/by/4.0/).
Share and Cite
He, Y.; Chen, Y.; Liu, C.; Huang, L.; Huang, C.; Lu, J.; Huang, H. Construction of Three-Dimensional Network Structure in Polyethylene-EPDM-Based Phase Change Materials by Carbon Nanotube with Enhanced Thermal Conductivity, Mechanical Property and Photo-Thermal Conversion Performance. Polymers 2022, 14, 2285. https://doi.org/10.3390/polym14112285
He Y, Chen Y, Liu C, Huang L, Huang C, Lu J, Huang H. Construction of Three-Dimensional Network Structure in Polyethylene-EPDM-Based Phase Change Materials by Carbon Nanotube with Enhanced Thermal Conductivity, Mechanical Property and Photo-Thermal Conversion Performance. Polymers. 2022; 14(11):2285. https://doi.org/10.3390/polym14112285
Chicago/Turabian StyleHe, Yunbing, Yanfeng Chen, Cuiyin Liu, Lisha Huang, Chuyu Huang, Junhua Lu, and Hong Huang. 2022. "Construction of Three-Dimensional Network Structure in Polyethylene-EPDM-Based Phase Change Materials by Carbon Nanotube with Enhanced Thermal Conductivity, Mechanical Property and Photo-Thermal Conversion Performance" Polymers 14, no. 11: 2285. https://doi.org/10.3390/polym14112285
APA StyleHe, Y., Chen, Y., Liu, C., Huang, L., Huang, C., Lu, J., & Huang, H. (2022). Construction of Three-Dimensional Network Structure in Polyethylene-EPDM-Based Phase Change Materials by Carbon Nanotube with Enhanced Thermal Conductivity, Mechanical Property and Photo-Thermal Conversion Performance. Polymers, 14(11), 2285. https://doi.org/10.3390/polym14112285

