Study on Compressive Properties and Dynamic Characteristics of Polypropylene-Fiber-and-Cement-Modified Iron-Ore Tailing under Traffic Load
Abstract
:1. Introduction
2. Materials and Methods
2.1. Materials
2.2. Test Scheme
2.3. Specimen Preparation
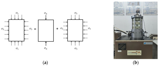
2.4. Test Apparatus
3. Results and Discussion
3.1. Unconfined Compressive Properties
3.1.1. Characteristics of Stress–Strain Curve
3.1.2. UCS and Residual Strength
3.1.3. Brittleness Index, Toughness Index, and Modulus Strength Ratio
4. Dynamic Characteristics
4.1. Dynamic Stress–Strain Characteristics
4.2. Evolution Law of Dynamic Characteristics with Cycle Times
4.2.1. Dynamic Elastic Modulus
4.2.2. Damping Ratio
4.3. Development Law of Cumulative Plastic Strain with the Number of Cycles
4.3.1. Porosity
4.3.2. Analysis of Cumulative Deformation Characteristics
5. Conclusions
- (1)
- The addition of PP fiber increases the UCS and residual strength of FCIT, and 0.75% has the best effect on improving the UCS and residual strength among all PP-fiber contents.
- (2)
- The brittleness index and modulus strength ratio both decrease with increasing PP-fiber content, and the addition of PP fiber efficiently improves the tensile and toughness properties of FCIT.
- (3)
- The dynamic elastic modulus and damping ratio of FCIT both meet the linear relationship with cycle time. The dynamic elastic modulus of FCIT first increases and then decreases, and the damping ratio first decreases, then increases, and finally decreases among specimens with increasing PP-fiber content from 0.25% to 1%.
- (4)
- The deformation characteristics of FCIT under cycle load are related to the PP-fiber content, and the cumulative plastic strain increases with increasing PP-fiber content.
- (5)
- A prediction model is developed for simulating the deformation behaviors of the dynamic-triaxial test, which can effectively capture the evolution law of the cumulative plastic strain with cycle time of FCIT at different PP-fiber contents.
Author Contributions
Funding
Institutional Review Board Statement
Informed Consent Statement
Data Availability Statement
Conflicts of Interest
References
- Yuan, S.; Zhou, W.T.; Han, Y.X.; Li, Y.J. Efficient enrichment of iron concentrate from iron tailings via suspension magnetization roasting and magnetic separation. J. Mater. Cycles Waste Manag. 2020, 22, 1152–1162. [Google Scholar] [CrossRef]
- Suther, S.; Pinto, P.; Nunna, V.; Nguyen, A.V. Experimental study of dry desliming iron ore tailings by air classification. Min. Proc. Ext. Met. Rev. 2019, 40, 344–355. [Google Scholar] [CrossRef]
- Lv, X.S.; Cui, F.H.; Ning, Z.Q.; Free, M.L.; Zhai, Y.C. Mechanism and Kinetics of Ammonium Sulfate Roasting of Boron-Bearing Iron Tailings for Enhanced Metal Extraction. Processes 2019, 7, 812. [Google Scholar] [CrossRef] [Green Version]
- Yao, G.; Wang, Q.; Wang, Z.; Wang, J.; Lv, X. Activation of hydration properties of iron ore tailings and their application as supplementary cementitious materials in cement. Powder Technol. 2020, 360, 863–871. [Google Scholar] [CrossRef]
- Shettima, A.U.; Hussin, M.W.; Ahmad, Y.; Mirza, J. Evaluation of iron ore tailings as replacement for fine aggregate in concrete. Constr. Build. Mater. 2016, 120, 72–79. [Google Scholar] [CrossRef]
- Luo, L.; Li, K.; Fu, W.; Liu, C.; Yang, S. Preparation, characteristics and mechanisms of the composite sintered bricks produced from shale, sewage sludge, coal gangue powder and iron ore tailings. Constr. Build. Mater. 2020, 232, 117250.1–117250.8. [Google Scholar] [CrossRef]
- Kuranchie, F.A.; Shukla, S.K.; Habibi, D. Utilisation of iron ore mine tailings for the production of geopolymer bricks. Int. J. Min. Reclam. Env. 2016, 30, 90–114. [Google Scholar] [CrossRef]
- Huang, X.; Ranade, R.; Ni, W.; Li, V.C. Development of green engineered cementitious composites using iron ore tailings as aggregates. Constr. Build. Mater. 2013, 44, 757–764. [Google Scholar] [CrossRef]
- Wang, A.N.; Liu, G.C.; Xu, X.H.; Li, X.G.; Li, Y.L. Evaluation of soil quality in iron tailing ore wastelands of various reclamation periods. J. Beijing For. Univ. 2020, 42, 104–113. [Google Scholar]
- Li, N.; Lv, S.W.; Wang, W.; Guo, J.; Liu, Y. Experimental Investigations on the Mechanical Behavior of Iron Tailings Powder with Compound Admixture of Cement and Nano-Clay. Constr. Build. Mater. 2020, 254, 119259. [Google Scholar] [CrossRef]
- Zeng, Y.; Pan, J.P.; Zeng, B. Application of iron tailings in road base materials. Appl. Chem. Ind. 2018, 47, 358–364. [Google Scholar]
- Bastos, D.C.; Silva, G.C.; Mendes, J.C.; Peixoto, R.A.F. Using Iron Ore Tailings from Tailing Dams as Road Material. J. Mater. Civil. Eng. 2016, 28, 4016102. [Google Scholar] [CrossRef]
- Wang, W.; Kang, H.B.; Li, N.; Guo, J.; Girma, D.Y.; Liu, Y. Experimental investigations on the mechanical and microscopic behavior of cement-treated clay modified by nano-MgO and fibers. Int. J. Geomech. 2022, 22, 04022059. [Google Scholar] [CrossRef]
- Li, X.G.; Jing, S.S.; Ma, Y.P. Mechanical properties and pore structure of cement mortar with iron ore tailings. Concrete 2014, 124–128. [Google Scholar] [CrossRef]
- Liu, J.L.; Wang, Y.F.; Liu, H.; Zhang, J.; Huang, Q.L. Characterization Parameter of Unconfined Compressive Strength of Cement Stabilized Iron Tailings. Sci. Technolo. Eng. 2018, 18, 275–281. [Google Scholar]
- Yang, B.H.; Weng, X.Z.; Liu, J.Z.; Kou, Y.N.; Fu, J.; Jiang, L.; Li, H.L. Mechanical properties of modified polypropylene fiber reinforced cement stabilized loess. J. Build. Mater. 2016, 19, 694–701. [Google Scholar]
- Jin, J.X.; Cui, H.Z.; Zhou, H.Y.; Zhou, Y.B.; Zhang, E.J. Experimental Study on the Polypropylene Fibers on Mechanical Properties of Reinforced Tailing Sand. Non-Met. Mines 2017, 40, 29–31. [Google Scholar]
- Jiang, P.; Lv, S.W.; Wang, Y.; Li, N.; Wang, W. Investigation on Direct Shear and Energy Dissipation Characteristics of Iron Tailings Powder Reinforced by Polypropylene Fiber. Appl. Sci. 2019, 9, 5098. [Google Scholar] [CrossRef] [Green Version]
- Zhang, Y.; Sun, L.; Sheng, L.; Qian, K.F. Deformation Characteristics of Fiber Reinforced Subgrade Soil Based on Cyclic triaxial Test. J. Jixi Univ. 2020, 20, 113–116. [Google Scholar]
- Zhao, Y.Y.; Yang, Y.; Ling, X.Z.; Gong, W.M. Dynamic behavior of natural sand soils and fiber reinforced soils in heavy-haul railway embankment under multistage cyclic loading. Transp. Geotech. 2021, 28, 100507. [Google Scholar] [CrossRef]
- Wang, J.Q.; Chang, Z.C.; Huang, S.B.; Wang, Q. Experimental Analysis of Dynamic Characteristics of Geogrid Reinforced Gravel Soil under Cyclic Dynamic Load. Sci. Technolo. Eng. 2019, 19, 350–357. [Google Scholar]
- Maher, M.H.; Woods, R.D. Dynamic response of sand reinforced with randomly distributed fibers. J. Geotech. 1990, 116, 1116–1131. [Google Scholar] [CrossRef]
- Li, J.; Ding, D.W. Nonlinear elastic behavior of fiber-reinforced soil under cyclic loading. Soil Dyn. Earthq. Eng. 2002, 22, 977–983. [Google Scholar] [CrossRef]
- Orakoglu, M.E.; Liu, J.; Niu, F. Dynamic behavior of fiber-reinforced soil under freeze-thaw cycles. Soil Dyn. Earthq. Eng. 2017, 101, 269–284. [Google Scholar] [CrossRef]
- Cai, Y.; Zhao, L.; Cao, Z.; Gu, C. Experimental study on dynamic characteristics of unbound granular materials under cyclic loading with different frequencies. Chin. J. Rock Mech. Eng. 2017, 36, 1238–1246. [Google Scholar]
- Highway Research Institute of the Ministry of Transport. Construction of Highway Pavement Base; China Communications Press: Beijing, China, 2015. [Google Scholar]
- Lu, Q.; Guo, S.L.; Wang, M.M.; Gao, M. Experimental study of mechanical properties of fiber cement soil. Rock Soil Mech. 2016, 37, 421–426. [Google Scholar]
- Huang, B.X.; Liu, J.W. The effect of loading rate on the behavior of samples composed of coal and rock. Int. J. Rock Mech. Min. 2013, 61, 23–30. [Google Scholar] [CrossRef]
- Khattak, M.J.; Alrashidi, M. Durability and mechanistic characteristics of fiber reinforced soil-cement mixtures. Int. J. Pavement Eng. 2006, 7, 53–62. [Google Scholar] [CrossRef]
- Gu, C.; Wang, J.; Zhang, T.T.; Cai, Y.Q. Influence of stress path on secant modulus of soft saturated clay. Rock Soil Mech. 2013, 34, 3394–3402. [Google Scholar]
- Jamsawang, P.; Suansomjeen, T.; Sukontasukkul, P.; Jongpraist, P.; Bergado, D.T. Comparative flexural performance of compacted cement-fiber-sand. Geotext. Geomembr. 2018, 46, 414–425. [Google Scholar] [CrossRef]
- Li, Y.F.; Nie, R.S.; Leng, W.M.; Guo, Y.P.; Dong, J.L.; Sun, B.L. Cumulative permanent strain and critical dynamic stress of silty filler for subgrade subjected to intermittent cyclic loading of trains. B. Eng. Geol. Environ. 2021, 80, 3079–3096. [Google Scholar] [CrossRef]
- Ahari, A.S.; Forough, S.A.; Khodaii, A. Modeling the primary and secondary regions of creep curves for sbs-modified asphalt mixtures under dry and wet conditions. J. Mater. Civil. Eng. 2014, 26, 904–911. [Google Scholar] [CrossRef]
- Hao, F.; Liu, Q.T.; Mo, L.T.; Javilla, B.; Sun, B.N.; Wu, S.P. Characterization of three-stage rutting development of asphalt mixtures. Constr. Build. Mater. 2017, 154, 340–348. [Google Scholar]






















| Composition (%) | Liquid Limit (%) | Plasticity Index (%) | ||
|---|---|---|---|---|
| CaO | Fe2O3 | SiO2 | ||
| 24.8 | 22.9 | 21.2 | 36.95 | 29.35 |
| Initial Setting Time (Min) | Final Setting Time (Min) | Compressive Strength | Break Off Strength | ||
|---|---|---|---|---|---|
| 3 d | 28 d | 3 d | 28 d | ||
| ≥45 | ≤600 | ≥17 | ≥42.5 | ≥3.5 | ≥5.5 |
| Diameter (mm) | Specific Gravity (g/cm3) | Tensile Strength (MPa) | Elastic Modulus (MPa) |
|---|---|---|---|
| 0.048 | 0.91 | 340 | 4200 |
| Test | PP Content (%) | Loading Rate (mm/min) | Loading Frequency (Hz) | Cycle Time | Amplitude (kPa) | Confining Pressure (kPa) |
|---|---|---|---|---|---|---|
| UCS | 0 | 1 | — | — | — | 0 |
| 0.25 | ||||||
| 0.50 | ||||||
| 0.75 | ||||||
| 1 | ||||||
| DT | 0 | — | 1 | 1000 | 75 | 100 |
| 0.25 | ||||||
| 0.50 | ||||||
| 0.75 | ||||||
| 1 |
Publisher’s Note: MDPI stays neutral with regard to jurisdictional claims in published maps and institutional affiliations. |
© 2022 by the authors. Licensee MDPI, Basel, Switzerland. This article is an open access article distributed under the terms and conditions of the Creative Commons Attribution (CC BY) license (https://creativecommons.org/licenses/by/4.0/).
Share and Cite
Jiang, P.; Chen, Y.; Song, X.; Li, N.; Wang, W.; Wu, E. Study on Compressive Properties and Dynamic Characteristics of Polypropylene-Fiber-and-Cement-Modified Iron-Ore Tailing under Traffic Load. Polymers 2022, 14, 1995. https://doi.org/10.3390/polym14101995
Jiang P, Chen Y, Song X, Li N, Wang W, Wu E. Study on Compressive Properties and Dynamic Characteristics of Polypropylene-Fiber-and-Cement-Modified Iron-Ore Tailing under Traffic Load. Polymers. 2022; 14(10):1995. https://doi.org/10.3390/polym14101995
Chicago/Turabian StyleJiang, Ping, Yewen Chen, Xinjiang Song, Na Li, Wei Wang, and Erlu Wu. 2022. "Study on Compressive Properties and Dynamic Characteristics of Polypropylene-Fiber-and-Cement-Modified Iron-Ore Tailing under Traffic Load" Polymers 14, no. 10: 1995. https://doi.org/10.3390/polym14101995
APA StyleJiang, P., Chen, Y., Song, X., Li, N., Wang, W., & Wu, E. (2022). Study on Compressive Properties and Dynamic Characteristics of Polypropylene-Fiber-and-Cement-Modified Iron-Ore Tailing under Traffic Load. Polymers, 14(10), 1995. https://doi.org/10.3390/polym14101995

