Attaining Toughness and Reduced Electrical Percolation Thresholds in Bio-Based PA410 by Combined Addition of Bio-Based Thermoplastic Elastomers and CNTs
Abstract
1. Introduction
2. Materials and Methods
2.1. Materials
2.2. Composite Processing
2.3. Phase Structure
2.4. Morphology
2.5. Mechanical Properties
2.6. Electrical Properties
3. Results and Discussion
3.1. Phase Structure
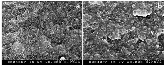
3.2. Nanostructure and Morphology
3.3. Electrical Properties
3.4. Mechanical Properties
4. Conclusions
Supplementary Materials
Author Contributions
Funding
Institutional Review Board Statement
Informed Consent Statement
Acknowledgments
Conflicts of Interest
References
- Otaegi, I.; Aranburu, N.; Iturrondobeitia, M.; Ibarretxe, J.; Guerrica-Echevarría, G. The effect of the preparation method and the dispersion and aspect ratio of CNTs on the mechanical and electrical properties of bio-based polyamide-4,10/CNT nanocomposites. Polymers 2019, 11, 2059. [Google Scholar] [CrossRef]
- Palmer, R.J. Polyamides, plastics. In Kirk-Othmer Encyclopedia of Chemical Technology; John Wiley & Sons: Hoboken, NJ, USA, 2000. [Google Scholar] [CrossRef]
- Parikh, D.; Malshe, V.C. Nylons as engineering plastics: A review. Pop. Plast. Packag. 2002, 47, 72–80. [Google Scholar]
- Niaounakis, M. Introduction to Biopolymers. In Biopolymers Reuse, Recycling, and Disposal; William Andrew Publishing: Oxford, UK, 2013; pp. 1–75. [Google Scholar] [CrossRef]
- Mubofu, E.B. Castor oil as a potential renewable resource for the production of functional materials. Sustain. Chem. Process. 2016, 4, 1–12. [Google Scholar] [CrossRef]
- Ogunniyi, D.S. Castor oil: A vital industrial raw material. Bioresour. Technol. 2006, 97, 1086–1091. [Google Scholar] [CrossRef] [PubMed]
- Kuciel, S.; Kuzniar, P.; Liber-Knec, A. Polyamides from renewable sources as matrices of short fiber reinforced biocomposites. Polimery 2012, 57, 627–634. [Google Scholar] [CrossRef]
- Pagacz, J.; Raftopoulos, K.N.; Leszczynska, A.; Pielichowski, K. Bio-polyamides based on renewable raw materials—Glass transition and crystallinity studies. J. Therm. Anal. Calorim. 2016, 123, 1225–1237. [Google Scholar] [CrossRef]
- Radzik, P.; Leszczynska, A.; Pielichowski, K. Modern biopolyamide-based materials: Synthesis and modification. Polym. Bull. 2020, 77, 501–528. [Google Scholar] [CrossRef]
- Paul, D.R.; Bucknall, C.B. Polymer Blends: Formulation and Performance, Set; John Wiley & Sons: Hoboken, NJ, USA, 2000; Available online: https://books.google.es/books?id=s-hTAAAAMAAJ (accessed on 15 December 2019).
- Oshinski, A.J.; Keskkula, H.; Paul, D.R. Rubber toughening of polyamides with functionalized block copolymers: 1. Nylon-6. Polymer 1992, 33, 268–283. [Google Scholar] [CrossRef]
- Gaymans, R.J.; Borggreve, R.J.M.; Spoelstra, A.B. Ductile transition in nylon-rubber blends: Influence of water. J. Appl. Polym. Sci. 1989, 37, 479–486. [Google Scholar] [CrossRef]
- Liu, H.; Zhang, J. Toughening modification of poly(lactic acid) via melt blending. In Biobased Monomers, Polymers, and Materials; American Chemical Society: Washington, DC, USA, 2012; Volume 1105, pp. 27–46. [Google Scholar] [CrossRef]
- Holden, G. 6—Thermoplastic elastomers. In Applied Plastics Engineering Handbook; Kutz, M., Ed.; William Andrew Publishing: Oxford, UK, 2011; pp. 77–91. [Google Scholar] [CrossRef]
- McKeen, L.W. Chapter 8—Thermoplastic elastomers. In The Effect of Creep and Other Time Related Factors on Plastics and Elastomers, 2nd ed.; McKeen, L.W., Ed.; William Andrew Publishing: Boston, MA, USA, 2009; pp. 297–307. [Google Scholar] [CrossRef]
- McKeen, L.W. Chapter 10—Thermoplastic elastomers. In Fatigue and Tribological Properties of Plastics and Elastomers, 2nd ed.; McKeen, L.W., Ed.; William Andrew Publishing: Oxford, UK, 2010; pp. 245–247. [Google Scholar] [CrossRef]
- Grady, B.P.; Cooper, S.L.; Robertson, C.G. Chapter 13—Thermoplastic elastomers. In The Science and Technology of Rubber, 4th ed.; Mark, J.E., Erman, B., Roland, C.M., Eds.; Academic Press: Boston, MA, USA, 2013; pp. 591–652. [Google Scholar] [CrossRef]
- Handlin, D.L. Thermoplastic Elastomers. In Encyclopedia of Materials: Science and Technology; Buschow, K.H.J., Cahn, R.W., Flemings, M.C., Ilschner, B., Kramer, E.J., Mahajan, S., Veyssière, P., Eds.; Elsevier: Oxford, UK, 2001; pp. 9197–9204. [Google Scholar] [CrossRef]
- Chen, W.-M.; Yang, M.-C.; Hong, S.-G.; Hsieh, Y.-S. Effect of poly(styrene-co-maleic anhydride) on physical properties and crystalline behavior of nylon-6/PEBA blends. J. Polym. Res. 2017, 24, 40. [Google Scholar] [CrossRef]
- Chen, W.-M.; Yang, M.-C.; Hong, S.-G.; Hsieh, Y.-S. Effect of soft segment content of Pebax® Rnew on the properties of Nylon-6/SMA/PEBA blends. J. Polym. Res. 2019, 26, 25. [Google Scholar] [CrossRef]
- Hoffendahl, C.; Fontaine, G.; Bourbigot, S. Flame retardancy of bio-based polyether-block-amide polymer (PEBAX). Polym. Degrad. Stab. 2013, 98, 1247–1255. [Google Scholar] [CrossRef]
- Zhang, W.; Chen, L.; Zhang, Y. Surprising shape-memory effect of polylactide resulted from toughening by polyamide elastomer. Polymer 2009, 50, 1311–1315. [Google Scholar] [CrossRef]
- Sampranpiboon, P.; Jiraratananon, R.; Uttapap, D.; Feng, X.; Huang, R.Y.M. Pervaporation separation of ethyl butyrate and isopropanol with polyether block amide (PEBA) membranes. J. Membr. Sci. 2000, 173, 53–59. [Google Scholar] [CrossRef]
- Zhou, L.; Zhao, G.; Jiang, W. Mechanical properties of biodegradable polylactide/poly (ether-block-amide)/thermoplastic starch blends: Effect of the crosslinking of starch. J. Appl. Polym. Sci. 2016, 133, 42297. [Google Scholar] [CrossRef]
- Mahmood, N.; Islam, M.; Hameed, A.; Saeed, S.; Khan, A.N. Polyamide-6-based composites reinforced with pristine or functionalized multi-walled carbon nanotubes produced using melt extrusion technique. J. Compos. Mater. 2014, 48, 1197–1207. [Google Scholar] [CrossRef]
- Meng, H.; Sui, G.X.; Fang, P.F.; Yang, R. Effects of acid- and diamine-modified MWNTs on the mechanical properties and crystallization behavior of polyamide 6. Polymer 2008, 49, 610–620. [Google Scholar] [CrossRef]
- Qiu, L.; Chen, Y.; Yang, Y.; Xu, L.; Liu, X. A study of surface modifications of carbon nanotubes on the properties of polyamide 66/multiwalled carbon nanotube composites. J. Nanomater. 2013, 2013, 252417. [Google Scholar] [CrossRef]
- Lin, S.-Y.; Chen, E.-C.; Liu, K.-Y.; Wu, T.-M. Isothermal crystallization behavior of polyamide 6,6/multiwalled carbon nanotube nanocomposites. Polym. Eng. Sci. 2009, 49, 2447–2453. [Google Scholar] [CrossRef]
- Alig, I.; Pötschke, P.; Lellinger, D.; Skipa, T.; Pegel, S.; Kasaliwal, G.R.; Villmow, T. Establishment, morphology and properties of carbon nanotube networks in polymer melts. Polymer 2012, 53, 4–28. [Google Scholar] [CrossRef]
- Gonzalez, I.; Eguiazabal, J.I.; Nazabal, J. Attaining high electrical conductivity and toughness in PA6 by combined addition of MWCNT and rubber. Compos. Part A Appl. Sci. Manuf. 2012, 43, 1482–1489. [Google Scholar] [CrossRef]
- Dasari, A.; Yu, Z.-Z.; Mai, Y.-W. Electrically conductive and super-tough polyamide-based nanocomposites. Polymer 2009, 50, 4112–4121. [Google Scholar] [CrossRef]
- Rivadeneira-Velasco, K.E.; Utreras-Silva, C.A.; Díaz-Barrios, A.; Sommer-Márquez, A.E.; Tafur, J.P.; Michell, R.M. Green nanocomposites based on thermoplastic starch: A review. Polymers 2021, 13, 3227. [Google Scholar] [CrossRef]
- Ates, B.; Koytepe, S.; Ulu, A.; Gurses, C.; Thakur, V.K. Chemistry, structures, and advanced applications of nanocomposites from biorenewable resources. Chem. Rev. 2020, 120, 9304–9362. [Google Scholar] [CrossRef]
- Platnieksa, O.; Sereda, A.; Gaidukovs, S.; Thakur, V.K.; Barkane, A.; Gaidukova, G.; Filipova, I.; Ogurcovs, A.; Fridrihsone, V. Adding value to poly (butylene succinate) and nanofibrillated cellulose-based sustainable nanocomposites by applying masterbatch process. Ind. Crops Prod. 2021, 169, 113669. [Google Scholar] [CrossRef]
- Borggreve, R.J.M.; Gaymans, R.J.; Schuijer, J.; Housz, J.F.I. Brittle-tough transition in nylon-rubber blends: Effect of rubber concentration and particle size. Polymer 1987, 28, 1489–1496. [Google Scholar] [CrossRef]
- Gonzalez, I.; Eguiazabal, J.I.; Nazabal, J. Toughening and brittle-tough transition in blends of an amorphous polyamide with a modified styrene/ethylene-butylene/styrene triblock copolymer. Polym. Eng. Sci. 2009, 49, 1350–1356. [Google Scholar] [CrossRef]
- Oshinski, A.J.; Keskkula, H.; Paul, D.R. Rubber toughening of polyamides with functionalized block copolymers: 2. Nylon-6,6. Polymer 1992, 33, 284–293. [Google Scholar] [CrossRef]
- Liu, Q.; Xu, Y.; Zhang, H.; Li, Y.; Deng, B. Polypropylene/polyamide elastomer blends: Morphology and mechanical property. Polymer 2014, 38, 613–619. [Google Scholar] [CrossRef][Green Version]
- Urquijo, J.; Guerrica-Echevarria, G.; Eguiazabal, J.I. Melt processed PLA/PCL blends: Effect of processing method on phase structure, morphology, and mechanical properties. J. Appl. Polym. Sci. 2015, 132, 42641. [Google Scholar] [CrossRef]
- Liu, Q.; Zhang, H.; Zhu, M.; Dong, Z.; Wu, C.; Jiang, J.; Li, X.; Luo, F.; Gao, Y.; Deng, B.; et al. Blends of polylactide/thermoplactic elastomer: Miscibility, physical aging and crystallization behaviors. Fibers Polym. 2013, 14, 1688–1698. [Google Scholar] [CrossRef]
- Van Duin, M.; Borggreve, R.J.M. Blends of polyamides and maleic-anhydride-containing polymers: Interfacial chemistry and properties. In Reactive Modifiers for Polymers; Al-Malaika, S., Ed.; Springer: Dordrecht, The Netherlands, 1997; pp. 133–162. [Google Scholar] [CrossRef]
- Kim, J.W.; Kim, S.C. Investigation of phase morphology of incompatible polyethylene/nylon 6 blends containing EPDM-based functionalized compatibilizers. Polym. Adv. Technol. 1991, 2, 177–189. [Google Scholar] [CrossRef]
- Hahn, M.T.; Hertzberg, R.W.; Manson, J.A. Characterization of an impact-modified nylon 66. J. Mater. Sci. 1983, 18, 3551–3561. [Google Scholar] [CrossRef]
- Martuscelli, E.; Riva, F.; Sellitti, C.; Silvestre, C. Crystallization, morphology, structure and thermal behaviour of nylon-6/rubber blends. Polymer 1985, 26, 270–282. [Google Scholar] [CrossRef]
- Moran, C.S.; Barthelon, A.; Pearsall, A.; Mittal, V.; Dorgan, J.R. Biorenewable blends of polyamide-4,10 and polyamide-6,10. J. Appl. Polym. Sci. 2016, 133, 43626. [Google Scholar] [CrossRef]
- Otaegi, I.; Aramburu, N.; Muller, A.J.; Guerrica-Echevarria, G. Novel biobased polyamide 410/polyamide 6/CNT nanocomposites. Polymers 2018, 10, 986. [Google Scholar] [CrossRef]
- Safari, M.; Otaegi, I.; Aramburu, N.; Wang, Y.; Liu, G.; Dong, X.; Wang, D.; Guerrica-Echevarria, G.; Müller, A.J. Composition dependent miscibility in the crystalline state of polyamide 6/polyamide 4,10 blends: From single to double crystalline blends. Polymer 2021, 219, 123570. [Google Scholar] [CrossRef]
- Odent, J.; Habibi, Y.; Raquez, J.-M.; Dubois, P. Ultra-tough polylactide-based materials synergistically designed in the presence of rubbery ε-caprolactone-based copolyester and silica nanoparticles. Compos. Sci. Technol. 2013, 84, 86–91. [Google Scholar] [CrossRef]
- Xiu, H.; Huang, C.; Bai, H.; Jiang, J.; Chen, F.; Deng, H.; Wang, K.; Zhang, Q.; Fu, Q. Improving impact toughness of polylactide/poly(ether)urethane blends via designing the phase morphology assisted by hydrophilic silica nanoparticles. Polymer 2014, 55, 1593–1600. [Google Scholar] [CrossRef]
- Filippone, G.; Dintcheva, N.T.; La Mantia, F.P.; Acierno, D. Using organoclay to promote morphology refinement and co-continuity in high-density polyethylene/polyamide 6 blends—Effect of filler content and polymer matrix composition. Polymer 2010, 51, 3956–3965. [Google Scholar] [CrossRef]
- Wu, D.; Zhang, Y.; Zhang, M.; Yu, W. Selective localization of multiwalled carbon nanotubes in poly(ε-caprolactone)/polylactide blend. Biomacromolecules 2009, 10, 417–424. [Google Scholar] [CrossRef] [PubMed]
- Zhang, L.; Wan, C.; Zhang, Y. Investigation on the multiwalled carbon nanotubes reinforced polyamide 6/polypropylene composites. Polym. Eng. Sci. 2009, 49, 1909–1917. [Google Scholar] [CrossRef]
- González, I.; Santamaría, P.; Eguiazábal, J.I. Tough semiconductor polycarbonate/multiwalled carbon nanotubes nanocomposites by rubber modification. Compos.-A Appl. Sci. Manuf. 2015, 71, 227–234. [Google Scholar] [CrossRef]
- Bose, S.; Bhattacharyya, A.R.; Kulkarni, A.R.; Pötschke, P. Electrical, rheological and morphological studies in co-continuous blends of polyamide 6 and acrylonitrile–butadiene–styrene with multiwall carbon nanotubes prepared by melt blending. Compos. Sci. Technol. 2009, 69, 365–372. [Google Scholar] [CrossRef]
- Urquijo, J.; Aranburu, N.; Dagreou, S.; Guerrica-Echevarria, G.; Eguiazabal, J.I. CNT-induced morphology and its effect on properties in PLA/PBAT-based nanocomposites. Eur. Polym. J. 2017, 93, 545–555. [Google Scholar] [CrossRef]
- Ko, S.W.; Gupta, R.K.; Bhattacharya, S.N.; Choi, H.J. Rheology and physical characteristics of synthetic biodegradable aliphatic polymer blends dispersed with MWNTs. Macromol. Mater. Eng. 2010, 295, 320–328. [Google Scholar] [CrossRef]
- Ko, S.W.; Hong, M.K.; Park, B.J.; Gupta, R.K.; Choi, H.J.; Bhattacharya, S.N. Morphological and rheological characterization of multi-walled carbon nanotube/PLA/PBAT blend nanocomposites. Polym. Bull. 2009, 63, 125–134. [Google Scholar] [CrossRef]
- Cheng, H.K.F.; Sahoo, N.G.; Khin, T.H.; Li, L.; Chan, S.H.; Zhao, J.; Juay, Y.K. The role of functionalized carbon nanotubes in a PA6/LCP blend. J. Nanosci. Nanotechnol. 2010, 10, 5242–5251. [Google Scholar] [CrossRef]
- Urquijo, J.; Dagréou, S.; Guerrica-Echevarría, G.; Eguiazábal, J.I. Morphology and properties of electrically and rheologically percolated PLA/PCL/CNT nanocomposites. J. Appl. Polym. Sci. 2017, 134, 45265. [Google Scholar] [CrossRef]
- Pötschke, P.; Bhattacharyya, A.R.; Janke, A. Morphology and electrical resistivity of melt mixed blends of polyethylene and carbon nanotube filled polycarbonate. Polymer 2003, 44, 8061–8069. [Google Scholar] [CrossRef]
- Xiang, F.; Shi, Y.; Li, X.; Huang, T.; Chen, C.; Peng, Y.; Wang, Y. Cocontinuous morphology of immiscible high density polyethylene/polyamide 6 blend induced by multiwalled carbon nanotubes network. Eur. Polym. J. 2012, 48, 350–361. [Google Scholar] [CrossRef]
- Bin, Y.; Xu, C.; Agari, Y.; Matsuo, M. Morphology and electrical conductivity of ultrahigh-molecular-weight polyethylene-low-molecular-weight polyethylene-carbon black composites prepared by gelation/crystallization from solutions. Colloid Polym. Sci. 1999, 277, 452–461. [Google Scholar] [CrossRef]
- Meincke, O.; Kaempfer, D.; Weickmann, H.; Friedrich, C.; Vathauer, M.; Warth, H. Mechanical properties and electrical conductivity of carbon-nanotube filled polyamide-6 and its blends with acrylonitrile/butadiene/styrene. Polymer 2004, 45, 739–748. [Google Scholar] [CrossRef]
- Monemian, S.; Jafari, S.H.; Khonakdar, H.A.; Goodarzi, V.; Reuter, U.; Pötschke, P. MWNT-filled PC/ABS blends: Correlation of morphology with rheological and electrical response. J. Appl. Polym. Sci. 2013, 130, 739–748. [Google Scholar] [CrossRef]
- Thongruang, W.; Balik, C.M.; Spontak, R.J. Volume-exclusion effects in polyethylene blends filled with carbon black, graphite, or carbon fiber. J. Polym. Sci. B Polym. Phys. 2002, 40, 1013–1025. [Google Scholar] [CrossRef]
- Feng, J.; Chan, C.-M. Carbon black–filled immiscible blends of poly(vinylidene fluoride) and high density polyethylene: Electrical properties and morphology. Polym. Eng. Sci. 1998, 38, 1649–1657. [Google Scholar] [CrossRef]
- Rafiee, M.A.; Rafiee, J.; Wang, Z.; Song, H.; Yu, Z.-Z.; Koratkar, N. Enhanced mechanical properties of nanocomposites at low graphene content. ACS Nano 2009, 3, 3884–3890. [Google Scholar] [CrossRef]
- Rafiee, M.A.; Rafiee, J.; Yu, Z.-Z.; Koratkar, N. Buckling resistant graphene nanocomposites. Appl. Phys. Lett. 2009, 95, 223103. [Google Scholar] [CrossRef]
- Zhu, J.; Kim, J.D.; Peng, H.; Margrave, J.L.; Khabashesku, V.N.; Barrera, E.V. Improving the dispersion and integration of single-walled carbon nanotubes in epoxy composites through functionalization. Nano Lett. 2003, 3, 1107–1113. [Google Scholar] [CrossRef]
- Grady, B.P. Carbon Nanotube-Polymer Composites: Manufacture, Properties, and Applications; John Wiley & Sons: Hoboken, NJ, USA, 2011; pp. 191–247. [Google Scholar] [CrossRef]
- Aranburu, N.; Eguiazabal, J.I. Compatible blends of polypropylene with an amorphous polyamide. J. Appl. Polym. Sci. 2013, 127, 5007–5013. [Google Scholar] [CrossRef]
- Wang, Y.; Wang, W.; Peng, F.; Liu, M.; Zhao, Q.; Fu, P.-F. Morphology of nylon 1212 toughened with a maleated EPDM rubber. Polym. Int. 2009, 58, 190–197. [Google Scholar] [CrossRef]













| Nomenclature | PA410 (wt%) | PA6 (wt%) | Pebax (wt%) | Nanocyl NC7000TM (wt%) | |
|---|---|---|---|---|---|
| PA410/Pebax/CNT ternary NCs | 100/0/0 | 100 | - | 0 | 0 |
| 69.8/30/0.2 | 69.8 | - | 30 | 0.2 | |
| 69.6/30/0.4 | 69.6 | - | 30 | 0.4 | |
| 69.4/30/0.6 | 69.4 | - | 30 | 0.6 | |
| 69.2/30/0.8 | 69.2 | - | 30 | 0.8 | |
| 69/30/1 | 69 | - | 30 | 1 | |
| PA410/PA6/Pebax/CNT quaternary NCs | 100/0/0/0 | 100 | 0 | 0 | 0 |
| 68.7/1.1/30/0.2 | 68.7 | 1.1 | 30 | 0.2 | |
| 67.3/2.3/30/0.4 | 67.3 | 2.3 | 30 | 0.4 | |
| 66/3.4/30/0.6 | 66 | 3.4 | 30 | 0.6 | |
| 64.6/4.6/30/0.8 | 64.6 | 4.6 | 30 | 0.8 | |
| 63.3/5.7/30/1 | 63.3 | 5.7 | 30 | 1 |
| PA410/Pebax/CNT Composition | α (°C) | β (°C) | PA410/PA6/Pebax/CNT Composition | α (°C) | β (°C) |
|---|---|---|---|---|---|
| 100/0/0 | 76.8 ± 0.6 | −52.7 ± 2.5 | 100/0/0/0 | 74.8 ± 0.2 | −54.3 ± 0.2 |
| 69.8/30/0.2 | 75.1 ± 0.7 | −51.9 ± 0.0 | 68.7/1.1/30/0.2 | 74.1 ± 0.6 | −51.4 ± 0.1 |
| 69.6/30/0.4 | 74.8 ± 0.5 | −52.3 ± 0.3 | 67.3/2.3/30/0.4 | 74.4 ± 0.4 | −51.8 ± 0.7 |
| 69.4/30/0.6 | 74.9 ± 0.2 | −52.3 ± 1.5 | 66/3.4/30/0.6 | 72.3 ± 0.1 | −53.2 ± 0.0 |
| 69.2/30/0.8 | 74.5 ± 0.2 | −51.3 ± 0.5 | 64.6/4.6/30/0.8 | 72.9 ± 0.0 | −50.7 ± 0.1 |
| 69/30/1 | 75.2 ± 0.4 | −50.6 ± 0.3 | 63.3/5.7/30/1 | 72.0 ± 0.4 | −54.0 ± 1.4 |
| PA410/Pebax/CNT Composition | |||||
|---|---|---|---|---|---|
| 100/0/0 | 254.4 | 62.0 | 23 | 224.3 | −37.9 |
| 69.8/30/0.2 | 255.1 | 49.1 (70.4) | 26 | 230.9 | −30.5 (−43.7) |
| 69.6/30/0.4 | 254.1 | 45.3 (65.0) | 24 | 232.9 | −31.3 (−44.9) |
| 69.4/30/0.6 | 254.7 | 47.3 (68.1) | 25 | 233.3 | −35.2 (−50.7) |
| 69.2/30/0.8 | 253.1 | 46.3 (66.8) | 25 | 233.3 | −35.3 (−50.9) |
| 69/30/1 | 254.4 | 48.2 (69.9) | 26 | 233.9 | −36.2 (−52.4) |
| PA410/PA6/Pebax/CNT Composition | |||||
|---|---|---|---|---|---|
| 100/0/0/0 | 258.1 | 62.1 | 23 | 224.6 | −36.7 |
| (*) 68.7/1.1/30/0.2 | 254.4 | 45.6 (65.4) | - | 232.6 | −30.7 (−44.0) |
| 67.3/2.3/30/0.4 | 252.7 | 43.4 (62.4) | - | 233.6 | −33.7 (−48.4) |
| 66/3.4/30/0.6 | 253.4 | 43.2 (62.2) | - | 233.9 | −33.8 (−48.6) |
| 64.6/4.6/30/0.8 | 252.1 | 43.5 (62.8) | - | 233.6 | −35.3 (−51.0) |
| 63.3/5.7/30/1 | 254.4 | 44.5 (64.5) | - | 233.9 | −33.6 (−48.6) |
| System | pc (wt%) |
| PA410/Pebax/CNT | 0.40 |
| PA410/PA6/Pebax/CNT | 0.38 |
| PA410/CNT | 0.50 |
| PA410/PA6/CNT | 0.65 |
Publisher’s Note: MDPI stays neutral with regard to jurisdictional claims in published maps and institutional affiliations. |
© 2021 by the authors. Licensee MDPI, Basel, Switzerland. This article is an open access article distributed under the terms and conditions of the Creative Commons Attribution (CC BY) license (https://creativecommons.org/licenses/by/4.0/).
Share and Cite
Otaegi, I.; Aranburu, N.; Guerrica-Echevarría, G. Attaining Toughness and Reduced Electrical Percolation Thresholds in Bio-Based PA410 by Combined Addition of Bio-Based Thermoplastic Elastomers and CNTs. Polymers 2021, 13, 3420. https://doi.org/10.3390/polym13193420
Otaegi I, Aranburu N, Guerrica-Echevarría G. Attaining Toughness and Reduced Electrical Percolation Thresholds in Bio-Based PA410 by Combined Addition of Bio-Based Thermoplastic Elastomers and CNTs. Polymers. 2021; 13(19):3420. https://doi.org/10.3390/polym13193420
Chicago/Turabian StyleOtaegi, Itziar, Nora Aranburu, and Gonzalo Guerrica-Echevarría. 2021. "Attaining Toughness and Reduced Electrical Percolation Thresholds in Bio-Based PA410 by Combined Addition of Bio-Based Thermoplastic Elastomers and CNTs" Polymers 13, no. 19: 3420. https://doi.org/10.3390/polym13193420
APA StyleOtaegi, I., Aranburu, N., & Guerrica-Echevarría, G. (2021). Attaining Toughness and Reduced Electrical Percolation Thresholds in Bio-Based PA410 by Combined Addition of Bio-Based Thermoplastic Elastomers and CNTs. Polymers, 13(19), 3420. https://doi.org/10.3390/polym13193420

