Preparation of Nanofibers Mats Derived from Task-Specific Polymeric Ionic Liquid for Sensing and Catalytic Applications
Abstract
:1. Introduction
2. Materials and Methods
2.1. Materials
2.2. General Characterization Protocols
2.3. Synthetic Protocols
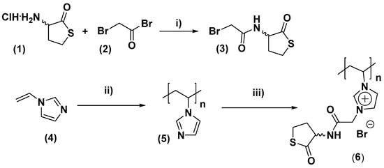
2.3.1. Synthesis of Thiolactone Derivative (3)
2.3.2. Synthesis of Poly(1-vinylimidazole) (5)
2.3.3. Quaternization of Poly(1-vinylimidazole) (5) to Produce (6)
2.4. Preparation of the Electrospun Fibers
3. Results and Discussion
3.1. Synthesis and Characterization of a Task Specific PIL Containing Thiolactone Fragments
3.2. Synthesis of NFs Mats by Electrospinning
3.3. Post-Functionalization of the NFs Mat
3.4. Application of the NFs Mat to Sensing
3.5. Application of the Fiber-Mats for Catalysis
4. Conclusions
Supplementary Materials
Author Contributions
Funding
Institutional Review Board Statement
Informed Consent Statement
Data Availability Statement
Acknowledgments
Conflicts of Interest
References
- Xue, J.; Wu, T.; Dai, Y.; Xia, Y. Electrospinning and Electrospun Nanofibers: Methods, Materials, and Applications. Chem. Rev. 2019, 119, 5298–5415. [Google Scholar] [CrossRef] [PubMed]
- Ibrahim, H.M.; Klingner, A. A Review on Electrospun Polymeric Nanofibers: Production Parameters and Potential Applications. Polym. Test. 2020, 90, 106647. [Google Scholar] [CrossRef]
- Ma, Q.; Cheng, H.; Fane, A.G.; Wang, R.; Zhang, H. Recent Development of Advanced Materials with Special Wettability for Selective Oil/Water Separation. Small 2016, 12, 2186–2202. [Google Scholar] [CrossRef] [PubMed]
- Ma, W.; Zhang, Q.; Hua, D.; Xiong, R.; Zhao, J.; Rao, W.; Huang, S.; Zhan, X.; Chen, F.; Huang, C. Electrospun Fibers for Oil-Water Separation. RSC Adv. 2016, 6, 12868–12884. [Google Scholar] [CrossRef]
- Cavaliere, S.; Subianto, S.; Savych, I.; Jones, D.J.; Rozière, J. Electrospinning: Designed Architectures for Energy Conversion and Storage Devices. Energy Environ. Sci. 2011, 4, 4761–4785. [Google Scholar] [CrossRef] [Green Version]
- Sebe, I.; Szabó, P.; Kállai-Szabó, B.; Zelkó, R. Incorporating Small Molecules or Biologics into Nanofibers for Optimized Drug Release: A Review. Int. J. Pharm. 2015, 494, 516–530. [Google Scholar] [CrossRef] [PubMed]
- Liu, Y.; Hao, M.; Chen, Z.; Liu, L.; Liu, Y.; Yang, W.; Ramakrishna, S. A Review on Recent Advances in Application of Elec-trospun Nanofiber Materials as Biosensors. Curr. Opin. Biomed. Eng. 2020, 13, 174–189. [Google Scholar] [CrossRef]
- Zampetti, A.E.; Kny, E. Electrospinning for High Performance Sensors; Springer: Cham, Switzerland, 2015. [Google Scholar]
- Mohammadi, M.A.; Hosseini, S.M.; Yousefi, M. Application of Electrospinning Technique in Development of Intelligent Food Packaging: A Short Review of Recent Trends. Food Sci. Nutr. 2020, 8, 4656–4665. [Google Scholar] [CrossRef]
- Pham, Q.P.; Sharma, U.; Mikos, A.G. Electrospinning of Polymeric Nanofibers for Tissue Engineering Applications: A Review. Tissue Eng. 2006, 12, 1197–1211. [Google Scholar] [CrossRef] [Green Version]
- Huang, Z.-M.; Zhang, Y.-Z.; Kotaki, M.; Ramakrishna, S. A Review on Polymer Nanofibers by Electrospinning and Their Applications in Nanocomposites. Compos. Sci. Technol. 2003, 63, 2223–2253. [Google Scholar] [CrossRef]
- Zhang, S.-Y.; Zhuang, Q.; Zhang, M.; Wang, H.; Gao, Z.; Sun, J.-K.; Yuan, J. Poly(Ionic Liquid) Composites. Chem. Soc. Rev. 2020, 49, 1726–1755. [Google Scholar] [CrossRef] [Green Version]
- Qian, W.; Texter, J.; Yan, F. Frontiers in Poly(Ionic Liquid)s: Syntheses and applications. Chem. Soc. Rev. 2017, 46, 1124–1159. [Google Scholar] [CrossRef]
- Montolio, S.; Altava, B.; García-Verdugo, E.; Luis, S.V. Supported ILs and materials based on ILs for the development of green synthetic processes and procedures. In Green Synthetic Processes and Procedures; RSC Publishing: London, UK, 2019; pp. 289–318. [Google Scholar]
- Lin, H.; Zhang, S.; Sun, J.-K.; Antonietti, M.; Yuan, J. Poly(Ionic Liquid)s with Engineered Nanopores for Energy and En-vironmental Applications. Polymer 2020, 202, 122640. [Google Scholar] [CrossRef]
- Minami, H. Preparation and Morphology Control of Poly(Ionic Liquid) Particles. Langmuir 2020, 36, 8668–8679. [Google Scholar] [CrossRef] [PubMed]
- Josef, E.; Guterman, R. Designing Solutions for Electrospinning of Poly(Ionic Liquid)s. Macromolecules 2019, 52, 5223–5230. [Google Scholar] [CrossRef] [Green Version]
- Montolio, S.; Abarca, G.; Porcar, R.; Dupont, J.; Burguete, M.I.; García-Verdugo, E.; Luis, S.V. Hierarchically Structured Polymeric Ionic Liquids and Polyvinylpyrrolidone Mat-Fibers Fabricated by Electrospinning. J. Mater. Chem. A 2017, 5, 9733–9744. [Google Scholar] [CrossRef] [Green Version]
- Thomas, M.; Rajiv, S. Grafted PEO Polymeric Ionic Liquid Nanocomposite Electrospun Membrane for Efficient and Stable Dye Sensitized Solar Cell. Electrochim. Acta 2020, 341, 136040. [Google Scholar] [CrossRef]
- Pang, H.-W.; Yu, H.-F.; Huang, Y.-J.; Li, C.-T.; Ho, K.-C. Electrospun Membranes of Imidazole-Grafted PVDF-HFP Poly-meric Ionic Liquids for Highly Efficient Quasi-Solid-State Dye-Sensitized Solar Cells. J. Mater. Chem. A 2018, 6, 14215–14223. [Google Scholar] [CrossRef]
- Yuan, J.; Márquez, A.G.; Reinacher, J.; Giordano, C.; Janek, J.; Antonietti, M. Nitrogen-Doped Carbon Fibers and Mem-branes by Carbonization of Electrospun Poly(Ionic Liquid)s. Polym. Chem. 2011, 2, 1654–1657. [Google Scholar] [CrossRef]
- Bahadur, I.; Momin, M.I.K.; Koorbanally, N.A.; Sattari, M.; Ebenso, E.E.; Katata-Seru, L.M.; Singh, S.; Ramjugernath, D. Interactions of Polyvinylpyrrolidone with Imidazolium Based Ionic Liquids: Spectroscopic and Density Functional Theory Studies. J. Mol. Liq. 2016, 213, 13–16. [Google Scholar] [CrossRef]
- Schoolaert, E.; Hoogenboom, R.; Clerck, K.D. Colorimetric Nanofibers as Optical Sensors. Adv. Funct. Mater. 2017, 27, 1702646. [Google Scholar] [CrossRef] [Green Version]
- Jornet-Martínez, N.; Moliner-Martínez, Y.; Herráez-Hernández, R.; Molins-Legua, C.; Verdú-Andrés, J.; Campíns-Falcó, P. Designing Solid Optical Sensors for in Situ Passive Discrimination of Volatile Amines Based on a New One-Step Hydrophilic PDMS Preparation. Sens. Actuators B 2016, 223, 333–342. [Google Scholar] [CrossRef]
- Askim, J.R.; Mahmoudi, M.; Suslick, K.S. Optical Sensor Arrays for Chemical Sensing: The Optoelectronic Nose. Chem. Soc. Rev. 2013, 42, 8649–8682. [Google Scholar] [CrossRef] [Green Version]
- Li, Z.; Askim, J.R.; Suslick, K.S. The Optoelectronic Nose: Colorimetric and Fluorometric Sensor Arrays. Chem. Rev. 2019, 119, 231–292. [Google Scholar] [CrossRef]
- Muginova, S.V.; Myasnikova, D.A.; Kazarian, S.G.; Shekhovtsova, T.N. Applications of Ionic Liquids for the Development of Optical Chemical Sensors and Biosensors. Anal. Sci. 2017, 33, 261–274. [Google Scholar] [CrossRef] [PubMed] [Green Version]
- Guterman, R.; Ambrogi, M.; Yuan, J. Harnessing Poly(Ionic Liquid)s for Sensing Applications. Macromol. Rapid Commun. 2016, 37, 1106–1115. [Google Scholar] [CrossRef]
- Ruiz-Capillas, C.; Jiménez-Colmenero, F. Biogenic Amines in Meat and Meat Products. Crit. Rev. Food Sci. Nutr. 2005, 44, 489–599. [Google Scholar] [CrossRef] [PubMed] [Green Version]
- Lu, P.; Murray, S.; Zhu, M. Electrospun Nanofibers for Catalysts. In Electrospinning: Nanofabrication and Applications; Ding, B., Wang, X., Yu, J., Eds.; Micro and Nano Technologies; William Andrew Publishing: Norwich, NY, USA, 2019; pp. 695–717. [Google Scholar]
- Zhou, X.; Weber, J.; Yuan, J. Poly(Ionic Liquid)s: Platform for CO2 Capture and Catalysis. Curr. Opin. Green Sustain. Chem. 2019, 16, 39–46. [Google Scholar] [CrossRef] [Green Version]
- Luo, R.; Liu, X.; Chen, M.; Liu, B.; Fang, Y. Recent Advances on Imidazolium-Functionalized Organic Cationic Polymers for CO2 Adsorption and Simultaneous Conversion into Cyclic Carbonates. ChemSusChem 2020, 13, 3945–3966. [Google Scholar] [CrossRef]











Publisher’s Note: MDPI stays neutral with regard to jurisdictional claims in published maps and institutional affiliations. |
© 2021 by the authors. Licensee MDPI, Basel, Switzerland. This article is an open access article distributed under the terms and conditions of the Creative Commons Attribution (CC BY) license (https://creativecommons.org/licenses/by/4.0/).
Share and Cite
Valverde, D.; Muñoz, I.; García-Verdugo, E.; Altava, B.; Luis, S.V. Preparation of Nanofibers Mats Derived from Task-Specific Polymeric Ionic Liquid for Sensing and Catalytic Applications. Polymers 2021, 13, 3110. https://doi.org/10.3390/polym13183110
Valverde D, Muñoz I, García-Verdugo E, Altava B, Luis SV. Preparation of Nanofibers Mats Derived from Task-Specific Polymeric Ionic Liquid for Sensing and Catalytic Applications. Polymers. 2021; 13(18):3110. https://doi.org/10.3390/polym13183110
Chicago/Turabian StyleValverde, David, Iván Muñoz, Eduardo García-Verdugo, Belen Altava, and Santiago V. Luis. 2021. "Preparation of Nanofibers Mats Derived from Task-Specific Polymeric Ionic Liquid for Sensing and Catalytic Applications" Polymers 13, no. 18: 3110. https://doi.org/10.3390/polym13183110
APA StyleValverde, D., Muñoz, I., García-Verdugo, E., Altava, B., & Luis, S. V. (2021). Preparation of Nanofibers Mats Derived from Task-Specific Polymeric Ionic Liquid for Sensing and Catalytic Applications. Polymers, 13(18), 3110. https://doi.org/10.3390/polym13183110

