Determining Deformation Transition in Polyethylene under Tensile Loading
Abstract
1. Introduction
2. Multi-Relaxation (MR) Test
3. Experimental Details
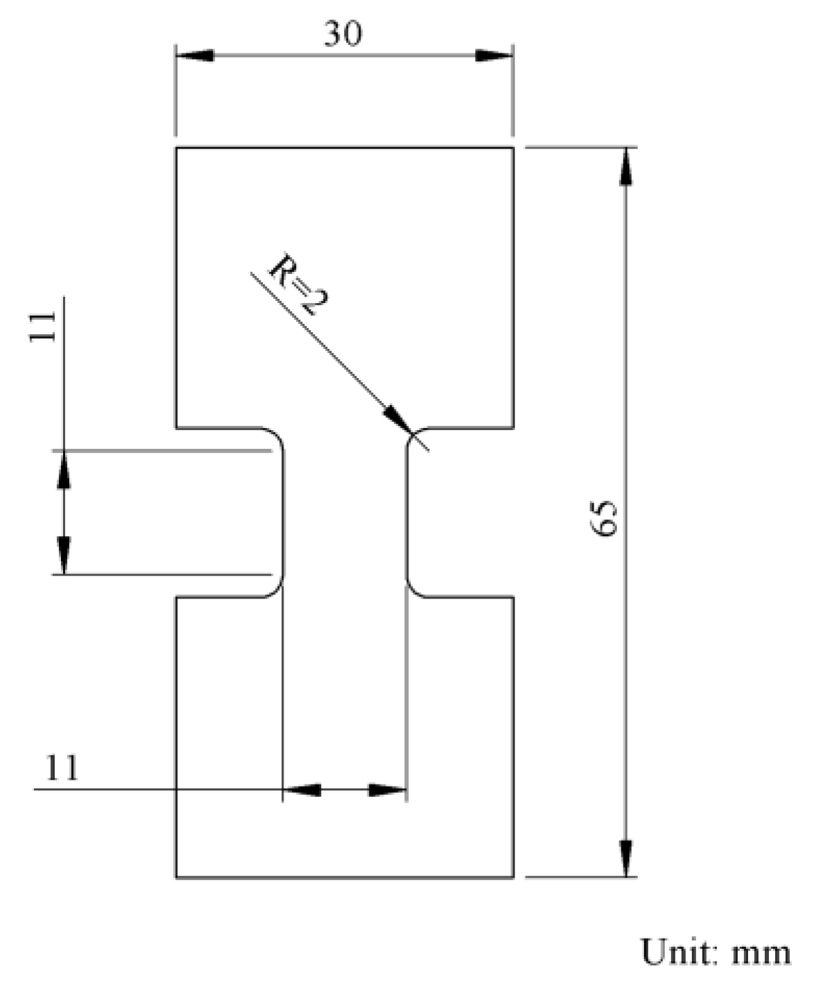
3.1. Materials and Specimen Dimensions
3.2. Multi-Relaxation (MR) Test
3.3. Wide-Angle X-ray Scattering (WAXS)
4. Results and Discussion
4.1. MR Test
4.2. WAXS
4.3. Discussion
5. Conclusions
Author Contributions
Funding
Acknowledgments
Conflicts of Interest
References
- Peacock, A. Handbook of Polyethylene: Structures, Properties, and Applications, 1st ed.; CRC press: New York, NY, USA, 2000. [Google Scholar] [CrossRef]
- Li, D.; Garmestani, H.; Kalidindi, S.R.; Alamo, R. Crystallographic texture evolution in high-density polyethylene during uniaxial tension. Polymer 2001, 42, 4903–4913. [Google Scholar] [CrossRef]
- Zhang, Y.; Jar, P.Y.B. Phenomenological modelling of tensile fracture in PE pipe by considering damage evolution. Mater. Des. 2015, 77, 72–82. [Google Scholar] [CrossRef]
- Humbert, S.; Lame, O.; Chenal, J.M.; Rochas, C.; Vigier, G. New insight on initiation of cavitation in semicrystalline polymers: In-situ SAXS measurements. Macromolecules 2010, 43, 7212–7221. [Google Scholar] [CrossRef]
- Hiss, R.; Hobeika, S.; Lynn, C.; Strobl, G. Network stretching, slip processes, and fragmentation of crystallites during uniaxial drawing of polyethylene and related copolymers. A comparative study. Macromolecules 1999, 32, 4390–4403. [Google Scholar] [CrossRef]
- Zhang, Y.; Jar, P.Y.B.; Xue, S.; Li, L. Quantification of strain-induced damage in semi-crystalline polymers: A review. J. Mater. Sci. 2019, 54, 62–82. [Google Scholar] [CrossRef]
- Farge, L.; Boisse, J.; Dillet, J.; André, S.; Albouy, P.A.; Meneau, F. Wide-angle X-ray scattering study of the lamellar/fibrillar transition for a semi-crystalline polymer deformed in tension in relation with the evolution of volume strain. J. Polym. Sci. Part. B Polym. Phys. 2015, 53, 1470–1480. [Google Scholar] [CrossRef]
- Butler, M.F.; Donald, A.M.; Bras, W.; Mant, G.R.; Derbyshire, G.E.; Ryan, A.J. A real-time simultaneous small- and wide-angle X-ray scattering study of in-situ deformation of isotropic polyethylene. Macromolecules 1995, 28, 6383–6393. [Google Scholar] [CrossRef]
- Hiss, R.; Hobeika, S.; Lynn, C.; Strobl, G. General scheme derived from video-controlled stretching tests and WAXS for describing tensile deformations of polyethylenes. J. Macromol. Sci. Part. B Phys. 1999, 38, 37–41. [Google Scholar] [CrossRef]
- Louse, D.J.; Gaylord, R.J. The amorphous contribution to the modulus of a semi-crystalline polymer. Polym. Eng. Sci. 1978, 18, 512–517. [Google Scholar] [CrossRef]
- Hobeika, S.; Men, Y.; Strobl, G. Temperature and strain rate independence of critical strains in polyethylene and poly(ethylene-co-vinyl acetate). Macromolecules 2000, 33, 1827–1833. [Google Scholar] [CrossRef]
- Fu, Q.; Men, Y.; Strobl, G. Understanding of the tensile deformation in HDPE/LDPE blends based on their crystal structure and phase morphology. Polymer 2003, 44, 1927–1933. [Google Scholar] [CrossRef]
- Men, Y.; Strobl, G. Critical strains in poly (ε-caprolactone) and Blends with Poly (vinyl methyl ether) and Poly (styrene-co-acrylonitrile). Macromolecules 2003, 36, 1889–1898. [Google Scholar] [CrossRef]
- Hong, K.; Rastogi, A.; Strobl, G. A model treating tensile deformation of semicrystalline polymers: Quasi-static stress-strain relationship and viscous stress determined for a sample of polyethylene. Macromolecules 2004, 37, 10165–10173. [Google Scholar] [CrossRef]
- Wang, Z.; Liu, Y.; Liu, C.; Yang, J.; Li, L. Understanding structure-mechanics relationship of high density polyethylene based on stress induced lattice distortion. Polymer 2019, 160, 170–180. [Google Scholar] [CrossRef]
- Kuriyagawa, M.; Nitta, K.H. Structural explanation on natural draw ratio of metallocene-catalyzed high density polyethylene. Polymer 2011, 52, 3469–3477. [Google Scholar] [CrossRef]
- Plummer, C.J.; Goldberg, A.; Ghanem, A. Micromechanisms of slow crack growth in polyethylene. Eur. Struct. Integr. Soc. 2003, 32, 3–14. [Google Scholar] [CrossRef]
- Pawlak, A.; Galeski, A.; Rozanski, A. Cavitation during deformation of semicrystalline polymers. Prog. Polym. Sci. 2014, 39, 921–958. [Google Scholar] [CrossRef]
- Na, B.; Zhang, Q.; Fu, Q.; Men, Y.; Hong, K.; Strobl, G. Viscous-force-dominated tensile deformation behavior of oriented polyethylene. Macromolecules 2006, 39, 2584–2591. [Google Scholar] [CrossRef]
- Zhang, Y.; Jar, P.Y.B. Effects of crosshead speed on the quasi-static stress–strain relationship of polyethylene pipes. J. Press. Vessel Technol. 2016, 139, 021402. [Google Scholar] [CrossRef]
- Tan, N.; Jar, P.Y.B. Multi-relaxation test to characterize PE pipe performance. In Proceedings of the ANTEC, Detroit, MI, USA, 18–21 March 2019; 7. [Google Scholar]
- Eyring, H. Viscosity, plasticity, and diffusion as examples of absolute reaction rates. J. Chem. Phys. 1936, 4, 283–291. [Google Scholar] [CrossRef]
- Ward, I.M. The yield behaviour of polymers. J. Mater. Sci. 1971, 6, 1397–1417. [Google Scholar] [CrossRef]
- Tervoort, T.A.; Smit, R.J.M.; Brekelmans, W.A.M.; Govaert, L.E. A constitutive equation for the elasto-viscoplastic deformation of glassy polymers. Mech. Time-Depend. Mater. 1998, 1, 269–291. [Google Scholar] [CrossRef]
- Bartczak, Z. Effect of the molecular network on high-strain compression of cross-linked polyethylene. Eur. Polym. J. 2012, 48, 2019–2030. [Google Scholar] [CrossRef]
- Lustiger, A.; Markham, R.L. Importance of tie molecules in preventing polyethylene fracture under long-term loading conditions. Polymer 1983, 24, 1647–1654. [Google Scholar] [CrossRef]
- Bowden, P.B.; Young, R.J. Deformation mechanisms in crystalline polymers. J. Mater. Sci. 1974, 9, 2034–2051. [Google Scholar] [CrossRef]
- Cao, W.; Mullarney, M.P.; Hancock, B.C.; Bates, S.; Morris, K.R. Modeling of transmitted X-ray intensity variation with sample thickness and solid fraction in glycine compacts. J. Pharm. Sci. 2003, 92, 2345–2353. [Google Scholar] [CrossRef]
- Humbert, S.; Lame, O.; Vigier, G. Analysis of the effects of local stress transmission on yielding properties of the polyethylenes. Int. J. Mater. Form. 2008, 1, 611–614. [Google Scholar] [CrossRef]
- Humbert, S.; Lame, O.; Vigier, G. Polyethylene yielding behaviour: What is behind the correlation between yield stress and crystallinity? Polymer 2009, 50, 3755–3761. [Google Scholar] [CrossRef]
- Wang, K.H.; Chung, I.J.; Jang, M.C.; Keum, J.K.; Song, H.H. Deformation behavior of polyethylene/silicate nanocomposites as studied by real-time wide-angle X-ray scattering. Macromolecules 2002, 35, 5529–5535. [Google Scholar] [CrossRef]
- Jaggi, H.S.; Satapathy, B.K.; Ray, A.R. Viscoelastic properties correlations to morphological and mechanical response of HDPE/UHMWPE blends. J. Polym. Res. 2014, 21, 482. [Google Scholar] [CrossRef]
- Bartczak, Z.; Cohen, R.E.; Argon, A.S. Evolution of the crystalline texture of high-density polyethylene during uniaxial compression. Macromolecules 1992, 25, 4692–4704. [Google Scholar] [CrossRef]
- Bartczak, Z.; Argon, A.S.; Cohen, R.E. Deformation mechanisms and plastic resistance in single-crystal-textured high-density polyethylene. Macromolecules 1992, 25, 5036–5053. [Google Scholar] [CrossRef]
- Xiong, B.; Lame, O.; Chenal, J.M.; Rochas, C.; Seguela, R.; Vigier, G. Temperature-microstructure mapping of the initiation of the plastic deformation processes in polyethylene via in situ WAXS and SAXS. Macromolecules 2015, 48, 5267–5275. [Google Scholar] [CrossRef]
- Moonen, J.A.; Roovers, W.A.; Meier, R.J.; Kip, B.J. Crystal and molecular deformation in strained high-performance polyethylene fibers studied by wide-angle x-ray scattering and Raman spectroscopy. J. Polym. Sci. Part. B Polym. Phys. 1992, 30, 361–372. [Google Scholar] [CrossRef]
- Sajkiewicz, P.; Hashimoto, T.; Saijo, K.; Gradys, A. “Intermediate phase” in poly(ethylene) as elucidated by the WAXS. Analysis of crystallization kinetics. Polymer 2005, 46, 513–521. [Google Scholar] [CrossRef]
- Lu, X.; Qian, R.; Brown, N. The effect of crystallinity on fracture and yielding of polyethylenes. Polymer 1995, 36, 4239–4244. [Google Scholar] [CrossRef]











| Material | Density (g/cc) | Yield Strength (MPa) | Melt Index (g/10 min) at 190 °C/2.16 Kg | Molecular Weight Distribution | Co-Monomer |
|---|---|---|---|---|---|
| #1 LLDPE | 0.938 | 19.0 | 3.3 | Unimodal | Hexene |
| #2 HDPE | 0.941 | 22.0 | 2.0 | Unimodal | Hexene |
| #3 HDPE | 0.952 | 27.1 | 6.7 | Unimodal | Hexene |
| #4 HDPE | 0.965 | 31.4 | 8.2 | Unimodal | - |
| #5 HDPE | 0.954 | 27.7 | 0.3 | Unimodal | Butene |
| #6 HDPE | 0.957 | 29.2 | 0.46 | Bimodal | Hexene |
© 2019 by the authors. Licensee MDPI, Basel, Switzerland. This article is an open access article distributed under the terms and conditions of the Creative Commons Attribution (CC BY) license (http://creativecommons.org/licenses/by/4.0/).
Share and Cite
Tan, N.; Jar, P.-Y.B. Determining Deformation Transition in Polyethylene under Tensile Loading. Polymers 2019, 11, 1415. https://doi.org/10.3390/polym11091415
Tan N, Jar P-YB. Determining Deformation Transition in Polyethylene under Tensile Loading. Polymers. 2019; 11(9):1415. https://doi.org/10.3390/polym11091415
Chicago/Turabian StyleTan, Na, and P.-Y. Ben Jar. 2019. "Determining Deformation Transition in Polyethylene under Tensile Loading" Polymers 11, no. 9: 1415. https://doi.org/10.3390/polym11091415
APA StyleTan, N., & Jar, P.-Y. B. (2019). Determining Deformation Transition in Polyethylene under Tensile Loading. Polymers, 11(9), 1415. https://doi.org/10.3390/polym11091415

