Dielectric Properties of Epoxy Resin Impregnated Nano-SiO2 Modified Insulating Paper
Abstract
1. Introduction
2. Materials and Methods
2.1. Sample Preparation
2.2. Measurement System
3. Results
3.1. Conductivity Characteristics of Non-Modified and Nano-SiO2 Modified RIP
3.2. Relative Permittivity Characteristics of Non-Modified and Nano-SiO2 Modified RIP
3.3. DC Breakdown Strength Characteristics of Non-Modified and Nano-Modified RIP
3.4. TSC Test Results of Epoxy Resin Non-Modified and Nano-SiO2 Modified RIP
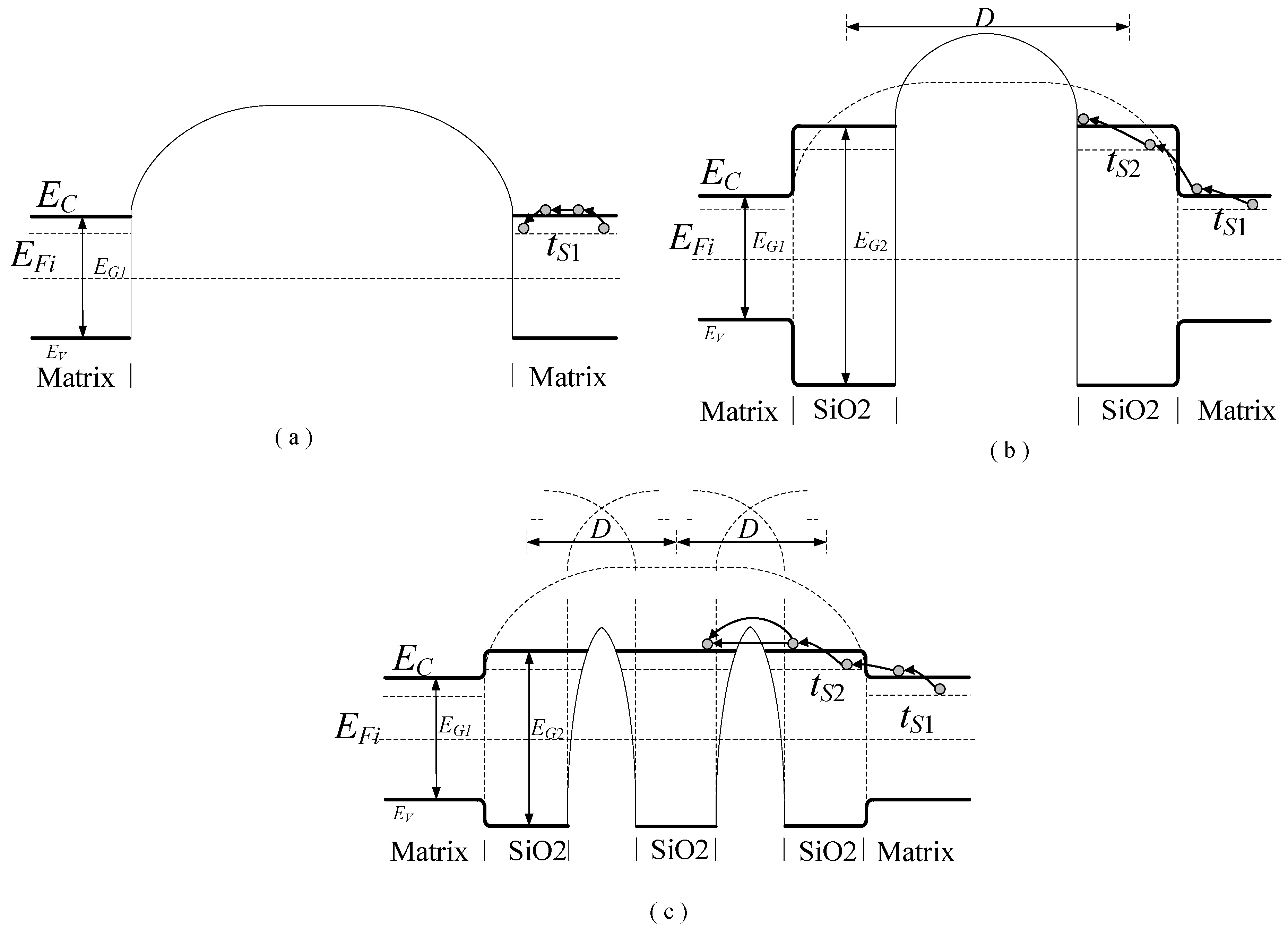
4. Discussion
5. Conclusions
- The nano-SiO2 particles can alter the trap depth and density; within a specific range, the trap depth increased and the trap is decreased.
- The trap depth is closely related to the DC breakdown strength, and the DC breakdown strength increased with increasing of the trap depth.
- Nano-SiO2 doping at an appropriate content can increase the DC breakdown strength, while simultaneously decreasing the volume conductivity and relative permittivity of the RIP.
Author Contributions
Funding
Conflicts of Interest
References
- Ning, X.; Peng, Z.; Feng, H.; Liu, P. Dielectric properties of epoxy and epoxy/creep paper composites for UHVDC dry casings. Chin. J. Electr. Eng. 2015, 35, 995–1001. [Google Scholar]
- Peng, L.I.; Hai-Yun, J.I.; Hui-Cheng, S.H.; Nai-Kui, G.A.; Zhong-Ren, P.E. Investigation on dielectric properties of epoxy/crepe paper composites for ultra-high voltage DC bushing. High Voltage App. 2009, 45, 6–8. (In Chinese) [Google Scholar]
- Ning, X.; Feng, H.; Zhang, H.; Liu, P.; Xiang, Z.; Peng, Z. Dielectric properties of multi-layer epoxy resinimpregnated crepe paper composites. IEEE Trans. Dielectr. Electr. Insul. 2015, 22, 161–168. [Google Scholar] [CrossRef]
- Krivda, A.; Tanaka, T.; Frechette, M.; Castellon, J.; Fabiani, D.; Montanari, G.C.; Gorur, R.; Morshuis, P.; Gubanski, S.; Kindersberger, J.; et al. Characterization of epoxy microcomposite and nanocomposite materials for power engineering applications. IEEE Electr. Insul. Mag. 2017, 28, 38–51. [Google Scholar] [CrossRef]
- Preetha, P.; Thomas, M.J. Partial discharge resistant characteristics of epoxy nanocomposites. IEEE Trans. Dielectr. Electr. Insul. 2011, 18, 264–274. [Google Scholar] [CrossRef]
- Das, S.; Gupta, N. Study of space charge characteristics in epoxy resin and its nanocomposites. In Proceedings of the 2010 10th IEEE International Conference on Solid Dielectrics, Potsdam, Germany, 4–9 July 2010; IEEE: New York, NY, USA, 2010; pp. 1–4. [Google Scholar]
- Katayama, J.; Ohki, Y.; Fuse, N.; Kozako, M.; Tanaka, T. Effects of nanofiller materials on the dielectric properties of epoxy nanocomposites. IEEE Trans. Dielectr. Electr. Insul. 2013, 20, 157–165. [Google Scholar] [CrossRef]
- Song, G.S.; Lee, D.S.; Kang, I. The Effects of in Situ-Formed Silver Nanoparticles on the Electrical Properties of Epoxy Resin Filled with Silver Nanowires. Polymers 2016, 8, 157. [Google Scholar] [CrossRef]
- Nezhad, H.Y.; Thakur, V.K. Effect of morphological changes due to increasing carbon nanoparticles content on the quasi-static mechanical response of epoxy resin. Polymers 2018, 10, 1106. [Google Scholar] [CrossRef]
- Hanemann, T.; Szabó, D.V. Polymer-Nanoparticle Composites: From Synthesis to Modern Applications. Materials 2010, 3, 3468–3517. [Google Scholar] [CrossRef]
- Kamata, Y.; Ohe, E.; Endoh, K.; Furukawa, S.; Tsukioka, H.; Masejima, M.; Fujita, H.; Nozaki, M.; Ishizuka, F.; Hyohdoh, K. Development of low-permittivity pressboard and its evaluation for insulation of oil-immersed EHV power transformers. IEEE. Trans. Dielectr. Electr. Insul. 1991, 26, 819–825. [Google Scholar] [CrossRef]
- Tang, W.W.; Zeng, G.M.; Gong, J.L.; Liu, Y.; Wang, X.Y.; Liu, Y.Y.; Liu, Z.F.; Chen, L.; Zhang, X.R.; Tu, D.Z. Simultaneous adsorption of atrazine and Cu (II) from wastewater by magnetic multi-walled carbon nanotube. Chem. Eng. J. 2012, 211, 470–478. [Google Scholar] [CrossRef]
- Liao, R.J.; Yuan, L.; Zhang, F.Z.; Yang, L.J.; Wang, K.; Duan, L. Preparation of montmorillonite modified insulation paper and study on its electrical characteristics. High Volt. Eng. 2014, 40, 33–39. [Google Scholar]
- Liao, R.J.; Lv, C.; Wu, W.Q.; Liu, T. Insulating property of insulation paper modified by Nano-TiO2. High Volt. Eng. 2014, 40, 1932–1939. [Google Scholar]
- Bai, G.; Liao, R.J.; Liu, N.; Liu, H.B.; Yang, L.J.; Shakeel, A. Influence of Nano-AlN Modification on the Dielectric Properties of Meta-aramid Paper. High Volt. Eng. 2015, 41, 461–467. [Google Scholar]
- Yang, Y.; Zhang, J.; Zhou, C.; Wu, S.; Xu, S.; Liu, W.; Han, H.; Chen, B.; Zhao, X.Z. Effect of lithium iodide addition on poly(ethylene oxide)-poly(vinylidene fluoride) polymer-blend electrolyte for dye-sensitized nanocrystalline solar cell. J. Phys. Chem. B 2008, 112, 6594. [Google Scholar] [CrossRef] [PubMed]
- Liao, R.J.; Lv, C.; Yang, L.J.; Zhang, Y.Y.; Liu, T. Space Charge Behavior in Oil-Impregnated Insulation Paper Reinforced with Nano-TiO2. Bioresources 2013, 8, 5655–5665. [Google Scholar] [CrossRef]
- Chen, Q.G.; Liu, H.Q.; Zhuge, X.L.; Wei, X.L. Analysis of dielectric properties and electric field homogenization of modified insulation pressboard based on nano SiC. Electr. Mach. Control 2014, 18, 79–84 and 94. [Google Scholar]
- Chen, Q.; Liu, H.; Chi, M.; Wang, Y.; Wei, X. Experimental Study on Influence of Trap Parameters on Dielectric Characteristics of Nano-Modified Insulation Pressboard. Materials 2017, 10, 90. [Google Scholar] [CrossRef] [PubMed]
- Wang, X.; Nelson, J.K.; Schadler, L.S.; Hillborg, H. Mechanisms leading to nonlinear electrical response of a nano p-sic/silicone rubber composite. IEEE Trans. Dielectr. Electr. Insul. 2010, 17, 1687–1696. [Google Scholar] [CrossRef]
- Green, M.L.; Rhine, W.E.; Calvert, P.; Bowen, H.K. Preparation of poly(ethylene glycol)-grafted alumina. J. Mater. Sci. Lett. 1993, 12, 1425–1427. [Google Scholar] [CrossRef]
- Tu, Y.P.; He, J.; Wang, Q.; Liu, M.; Xu, G.L.; Ding, L.J. Measurement of thermally stimulated current in ZnO varistor. Proc. CSEE 2010, 30, 116–121. [Google Scholar]
- Li, S.; Yin, G.; Chen, G.; Li, J.; Bai, S.; Zhong, L.; Zhang, Y.; Lei, Q. Short-term breakdown and long-term failure in nanodielectrics: A review. IEEE Trans. Dielectr. Electr. Insul. 2010, 17, 1523–1535. [Google Scholar] [CrossRef]
- Dissado, L.A.; Fothergill, J.C. Electrical Degradation and Breakdown in Polymers; IET: Stevenage, UK, 1992; p. 620. [Google Scholar]
- Tanaka, T. Dielectric nanocomposites with insulating properties. IEEE Trans. Dielectr. Electr. Insul. 2005, 12, 914–928. [Google Scholar] [CrossRef]
- Roy, M.; Nelson, J.K.; Maccrone, R.K.; Schadler, L.S. Candidate mechanisms controlling the electrical characteristics of silica/xlpe nanodielectrics. J. Mater. Sci. 2007, 42, 3789–3799. [Google Scholar] [CrossRef]















| Nanoparticle Components | Peak Current Value (pA) | Peak Value Temperature (K) | Trap Charge Quantity (nC) | Trap Level (eV) |
|---|---|---|---|---|
| non-modified | 10.7 | 349 | 17.1 | 0.5583 |
| 0.5 wt % SiO2 | 13.5 | 349 | 16.91 | 0.5666 |
| 1 wt % SiO2 | 14.3 | 345 | 16.67 | 0.5948 |
| 2 wt % SiO2 | 12.6 | 345 | 13.46 | 0.6486 |
| 3 wt % SiO2 | 14.1 | 349 | 17.4 | 0.5996 |
| 4 wt % SiO2 | 53 | 345 | 54.2 | 0.5856 |
© 2019 by the authors. Licensee MDPI, Basel, Switzerland. This article is an open access article distributed under the terms and conditions of the Creative Commons Attribution (CC BY) license (http://creativecommons.org/licenses/by/4.0/).
Share and Cite
Chen, Q.; Yang, H.; Wang, X.; Liu, H.; Zhou, K.; Ning, X. Dielectric Properties of Epoxy Resin Impregnated Nano-SiO2 Modified Insulating Paper. Polymers 2019, 11, 393. https://doi.org/10.3390/polym11030393
Chen Q, Yang H, Wang X, Liu H, Zhou K, Ning X. Dielectric Properties of Epoxy Resin Impregnated Nano-SiO2 Modified Insulating Paper. Polymers. 2019; 11(3):393. https://doi.org/10.3390/polym11030393
Chicago/Turabian StyleChen, Qingguo, Hongda Yang, Xinyu Wang, Heqian Liu, Kai Zhou, and Xin Ning. 2019. "Dielectric Properties of Epoxy Resin Impregnated Nano-SiO2 Modified Insulating Paper" Polymers 11, no. 3: 393. https://doi.org/10.3390/polym11030393
APA StyleChen, Q., Yang, H., Wang, X., Liu, H., Zhou, K., & Ning, X. (2019). Dielectric Properties of Epoxy Resin Impregnated Nano-SiO2 Modified Insulating Paper. Polymers, 11(3), 393. https://doi.org/10.3390/polym11030393

