The Fatigue Behavior of TC4 and Ti60 Dissimilar Titanium Alloy Joints Welded by Electron Beam
Abstract
1. Introduction
2. Materials and Methods
3. Results and Discussion
3.1. Microstructure
3.2. Tensile Properties
3.3. Fatigue Properties
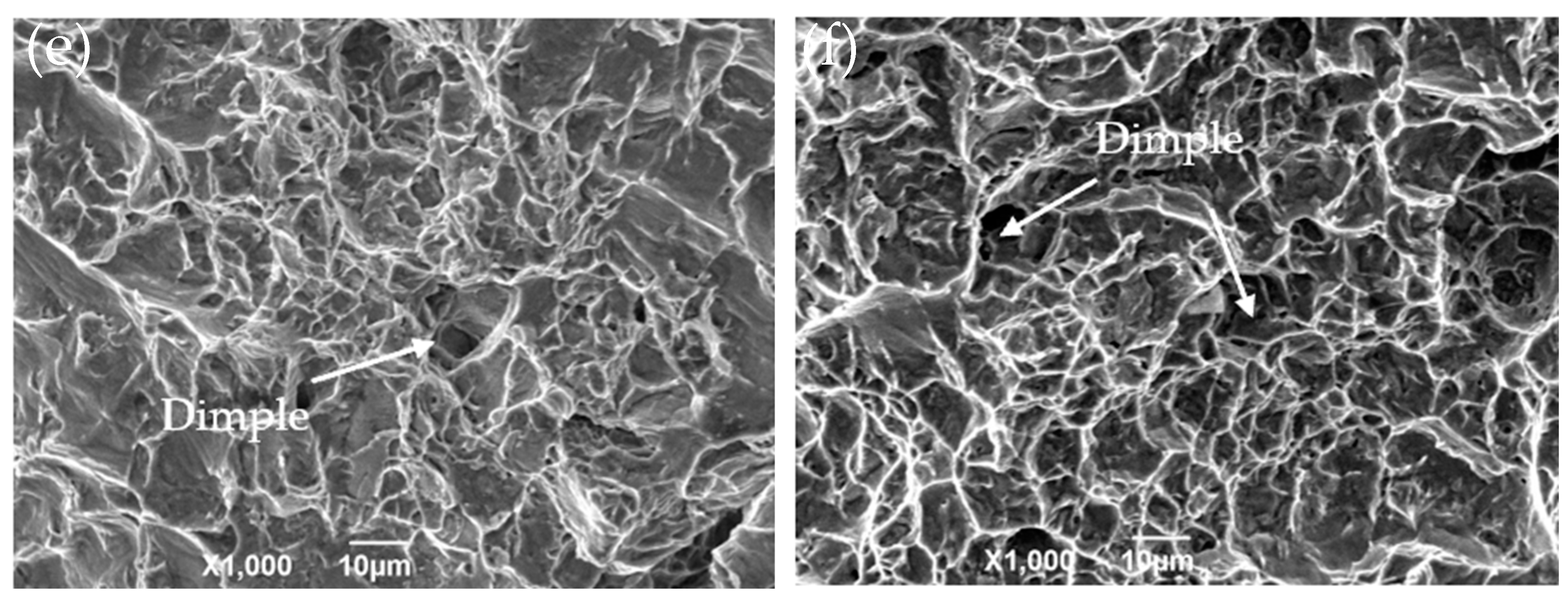
3.4. Fractography
4. Conclusions
Author Contributions
Funding
Data Availability Statement
Conflicts of Interest
References
- Cheng, M.; Yu, B.B.; Guo, R.P.; Shi, X.H.; Xu, L.; Qiao, J.W.; Yang, R. Electron beam welding of a novel near α high temperature titanium alloy powder compact: Effect of post-welding heat treatment on tensile properties. J. Mater. Res. Technol. 2021, 10, 153–163. [Google Scholar] [CrossRef]
- Zhao, X.L.; Lu, X.H.; Wang, K.; He, H. Investigation on the microstructure and mechanical properties of Ti6Al4V titanium alloy electron beam welding joint. Proc. Inst. Mech. Eng. Part C J. Mech. Eng. Sci. 2022, 236, 2957–2966. [Google Scholar] [CrossRef]
- Wan, Y.; Song, L.M.; Zhang, X.Y.; Jiang, W.C.; Xie, X.F.; Qi, X.Y. Insight into the keyhole behaviour and its role on residual stress formation in vacuum electron beam welding of TC4 titanium alloy. Vacuum 2025, 232, 113835. [Google Scholar] [CrossRef]
- Zhang, L.L.; Zhang, L.J.; Long, J.; Ning, J.; Zhang, J.X.; Na, S.J. Effects of titanium on grain boundary strength in molybdenum laser weld bead and formation and strengthening mechanisms of brazing layer. Mater. Des. 2019, 169, 107681. [Google Scholar] [CrossRef]
- Rominiyi, A.L.; Peter, M.M. A critical review of microstructure and mechanical properties of laser welded similar and dissimilar titanium alloy joints. J. Adv. Join. Process. 2024, 9, 100191. [Google Scholar] [CrossRef]
- Zhao, P.K.; Hu, Y.X.; Geng, P.H.; Shen, B.; Yuan, L. Effective toughening of dissimilar Ti alloy friction welded joint by combining electropulsing thermal and thermal effects. Mater. Sci. Eng. A 2024, 909, 146864. [Google Scholar] [CrossRef]
- Zhao, P.K.; Chen, W.; Li, Y.; Tao, J.; Chen, C.; Xiao, X.; Zhang, M. Effect of heat treatment on the microstructure, microhardness and impact toughness of TC11 and TC17 linear friction welded joint. Mater. Sci. Eng. A 2021, 803, 140496. [Google Scholar] [CrossRef]
- Singh, J.K.; Roy, G.G.; Majumdar, J.D. Studies of Wear and Tensile Behavior of Titanium-Based Alloy (Ti-6Al-4V) Joint Developed by Electron Beam Welding. J. Mater. Eng. Perform. 2024, 280, 1–16. [Google Scholar] [CrossRef]
- Fu, P.F.; Mao, Z.Y.; Wang, Y.J.; Zuo, C.J.; Xu, H.Y. Mechanical properties of Ti6.5Al2Zr1Mo1V titanium alloy with EBW under different temperatures. Mater. Sci. Eng. A 2014, 608, 199–206. [Google Scholar] [CrossRef]
- Lu, Y.; Turner, R.; Brooks, J.; Basoalto, H. Microstructural characteristics and computational investigation on electron beam welded Ti-6Al-4 V alloy. J. Mater. Process. Technol. 2021, 288, 116837. [Google Scholar] [CrossRef]
- Ou, P.; Cao, Z.Q.; Hai, M.; Qiang, J.F.; Wang, Y.M. Microstructure and mechanical properties of K-TIG welded dissimilar joints between TC4 and TA17 titanium alloys. Mater. Charact. 2023, 196, 112644. [Google Scholar] [CrossRef]
- Xu, W.; Jun, M.A.; Luo, Y. Microstructure and high-temperature mechanical properties of laser beam welded TC4/TA15 dissimilar titanium alloy joints. Trans. Nonferrous Met. Soc. China 2020, 30, 160–170. [Google Scholar] [CrossRef]
- Li, L.Z.; Wang, S.G.; Huang, W.; Jin, Y. Microstructure and mechanical properties of electron beam welded TC4/TA7 dissimilar titanium alloy joint. J. Manuf. Process. 2020, 50, 295–304. [Google Scholar] [CrossRef]
- Zhao, X.L.; Lu, X.H.; Wang, K.; He, F. Microstructure and mechanical properties of electron beam welded TC4 titanium alloy structure with backing plate. Mater. Today Commun. 2023, 35, 106160. [Google Scholar] [CrossRef]
- Rajan, S.; Wanjara, P.; Gholipour, J.; Kabir, A.S. Fatigue Behavior of Linear Friction Welded Ti-6Al-4V and Ti-6Al-2Sn-4Zr-2Mo-0.1Si Dissimilar Welds. Materials 2021, 14, 3136. [Google Scholar] [CrossRef]
- Long, J.; Zhang, L.J.; Zhang, L.L.; Ning, J.; Zhuang, M.X.; Zhang, J.X.; Na, S.-J. Analysis of heterogeneity of fatigue properties of double-sided electron beam welded 140-mm thick TC4 titanium alloy joints. Int. J. Fatigue 2021, 142, 105942. [Google Scholar] [CrossRef]
- Sun, W.B.; Ma, Y.; Huang, W.; Zhang, W.H.; Qian, X.D. Effects of build direction on tensile and fatigue performance of selective laser melting Ti6Al4V titanium alloy. Int. J. Fatigue 2020, 130, 105260. [Google Scholar] [CrossRef]
- Liu, H.Q.; Wang, H.M.; Zhang, Z.; Liu, Y.J.; Huang, Z.Y.; Wang, Q.Y.; Chen, Q. Tensile and fatigue behavior of electron beam welded TC17 titanium alloy joint. Int. J. Fatigue 2019, 128, 105210. [Google Scholar] [CrossRef]
- Hu, Y.N.; Wu, S.C.; Xin, C.; Wu, W.W.; Zhang, J. Fatigue life evaluation of Ti-6Al-4V welded joints manufactured by electron beam melting. Fatigue Fract. Eng. Mater. Struct. 2021, 44, 2210–2221. [Google Scholar] [CrossRef]
- Pasqualino, C.; Vincenzo, C. Fatigue analysis of TI6AL4V/INCONEL 625 dissimilar welded joints. Ocean. Eng. 2021, 221, 108582. [Google Scholar] [CrossRef]
- Oh, J.; Kim, N.J.; Lee, S.; Lee, E.W. Correlation of fatigue properties and microstructure in investment cast Ti-6Al-4V welds. Mater. Sci. Eng. A 2003, 340, 232–242. [Google Scholar] [CrossRef]
- Arcieri, E.V.; Baragetti, S.; Bozi, Z. Failure analysis of Ti6Al4V titanium alloy under fatigue loading: An experimental and numerical study. Eng. Fail. Anal. 2024, 164, 108715. [Google Scholar] [CrossRef]
- Tusher, M.M.H.; Ince, A. High Cycle Fatigue and Very High Cycle Fatigue Performance of Selective Laser Melting Ti-6Al-4V Titanium Alloy—A Review. Mater. Perform. Charact. 2023, 12, 214–293. [Google Scholar] [CrossRef]
- Farabi, N.; Chen, D.L.; Zhou, Y. Tensile properties and work hardening behavior of laser-welded dual-phase steel joints. J. Mater. Eng. Perform. 2012, 21, 222–230. [Google Scholar] [CrossRef]
- Ma, T.J.; Zhong, B.; Li, W.Y.; Yang, S.Q.; Yang, C.L. On microstructure and mechanical properties of linear friction welded dissimilar Ti-6Al-4V and Ti-6.5Al-3.5Mo-1.5Zr 0.3Si joint. Sci. Technol. Weld. Join. 2012, 17, 9–12. [Google Scholar] [CrossRef]
- Hirschberg, M.H.; Manson, S.S.; Smith, R.W. Fatigue Behavior of Materials Under Strain Cycling in Low and Intermediate Life Range; NASA: Washington, DC, USA, 1963. [Google Scholar]
- Guo, Z.G.; Ma, T.J.; Yang, X.W.; Chen, X.; Tao, J.; Li, J.; Li, W.; Vairis, A. Linear friction welding of Ti60 near-α titanium alloy: Investigating phase transformations and dynamic recrystallization mechanisms. Mater. Charact. 2022, 194, 112424. [Google Scholar] [CrossRef]
- Lin, F.L.; Chen, Y.; He, C.; Li, L.; Wang, C.; Li, H.Z.; Zhang, H.; Wang, Q.; Liu, Y. Tensile and very high cycle fatigue behaviors of a compressor blade titanium alloy at room and high temperatures. Mater. Sci. Eng. A 2021, 811, 141049. [Google Scholar] [CrossRef]


















| Alloy | Al | Sn | Zr | Mo | Cr | Fe | Nd | Ta | Si | O | C | N | Ti |
|---|---|---|---|---|---|---|---|---|---|---|---|---|---|
| TC4 | 5 | 2 | 2 | 4 | 4 | 0.3 | - | - | - | 0.15 | 0.05 | 0.04 | Bal. |
| Ti60 | 5.13 | 3.97 | 1.98 | 0.78 | - | - | 1 | 0.3 | 0.3 | - | 0.09 | - | Bal. |
| Accelerating Voltage (V) | Beam Current (Ib) | Focus Current (If) | Welding Speed (v) |
|---|---|---|---|
| 60 kV | 68 mA | 2230 mA | 500 mm/min |
Disclaimer/Publisher’s Note: The statements, opinions and data contained in all publications are solely those of the individual author(s) and contributor(s) and not of MDPI and/or the editor(s). MDPI and/or the editor(s) disclaim responsibility for any injury to people or property resulting from any ideas, methods, instructions or products referred to in the content. |
© 2025 by the authors. Licensee MDPI, Basel, Switzerland. This article is an open access article distributed under the terms and conditions of the Creative Commons Attribution (CC BY) license (https://creativecommons.org/licenses/by/4.0/).
Share and Cite
Wang, S.; Zhu, X.; Zhai, W.; Gao, Q.; Lu, Y. The Fatigue Behavior of TC4 and Ti60 Dissimilar Titanium Alloy Joints Welded by Electron Beam. Crystals 2025, 15, 224. https://doi.org/10.3390/cryst15030224
Wang S, Zhu X, Zhai W, Gao Q, Lu Y. The Fatigue Behavior of TC4 and Ti60 Dissimilar Titanium Alloy Joints Welded by Electron Beam. Crystals. 2025; 15(3):224. https://doi.org/10.3390/cryst15030224
Chicago/Turabian StyleWang, Shiqing, Xiangyong Zhu, Wenyan Zhai, Qian Gao, and Yongxin Lu. 2025. "The Fatigue Behavior of TC4 and Ti60 Dissimilar Titanium Alloy Joints Welded by Electron Beam" Crystals 15, no. 3: 224. https://doi.org/10.3390/cryst15030224
APA StyleWang, S., Zhu, X., Zhai, W., Gao, Q., & Lu, Y. (2025). The Fatigue Behavior of TC4 and Ti60 Dissimilar Titanium Alloy Joints Welded by Electron Beam. Crystals, 15(3), 224. https://doi.org/10.3390/cryst15030224
