Next Article in Journal
Pressure-Induced Structural Phase Transition and Fluorescence Enhancement of Double Perovskite Material Cs2NaHoCl6
Previous Article in Journal
Advances in Green Nanocomposites: Design, Characterization and Applications
 
 
Font Type:
Arial Georgia Verdana
Font Size:
Aa Aa Aa
Line Spacing:
Column Width:
Background:
Article

Influence of Mechanical Activation on the Evolution of TiSiCN Powders for Reactive Plasma Spraying

by
Lazat Baimoldanova
1,2,*,
Bauyrzhan Rakhadilov
1,2,
Aidar Kengesbekov
3 and
Rashid Kuanyshbai
3
1
Plasma Science LLP, Oskemen 070000, Kazakhstan
2
Physics and Technology Department, Sarsen Amanzholov East Kazakhstan University, Oskemen 070000, Kazakhstan
3
Physics Department, Daulet Serikbayev East Kazakhstan Technical University, Oskemen 070004, Kazakhstan
*
Author to whom correspondence should be addressed.
Crystals 2024, 14(11), 1005; https://doi.org/10.3390/cryst14111005
Submission received: 4 October 2024 / Revised: 15 November 2024 / Accepted: 16 November 2024 / Published: 20 November 2024
(This article belongs to the Section Hybrid and Composite Crystalline Materials)

Abstract

In modern materials science and surface engineering, reactive plasma spraying (RPS) holds a key position due to its ability to create high-quality coatings with unique properties. The effectiveness of this process is largely determined by the physicochemical characteristics of the initial powder materials. This study examines the effects of mechanical activation for two compositions in the TiSiCN system and their impact on the quality and performance characteristics of RPS-produced coatings. It is shown that mechanical activation induces significant changes in the crystalline structure of the powders, reducing their particle size and increasing their specific surface area, thereby enhancing the reactivity of the materials during mechanochemical reactions. These changes contribute to the formation of dense and durable coatings with improved hardness and thermal stability. Thermogravimetric analysis (TGA) results confirm that the powders retain stable thermal properties and exhibit resistance to oxidation and decomposition. X-ray structural analysis reveals multiphase structures, including TiC, SiC, and TiCN, with the TiCN phase playing a key role in ensuring coating hardness. Additionally, SEM analysis showed that the TiSiCN-2-2 coating possesses a denser and more homogeneous structure with minimal pores and microcracks, providing superior mechanical strength and wear resistance compared to TiSiCN-1-2. Cross-sectional micrographs further revealed that the TiCN + Si coating has a greater average thickness (39.87 μm) and more uniform distribution compared to Ti + SiC (35.48 μm), indicating better application control and a more homogeneous material structure. Mechanical activation significantly influences the properties of powders, allowing for the determination of optimal parameters for RPS, which is a highly efficient method for creating coatings with unique performance characteristics.

1. Introduction

Reactive plasma spraying (RPS) is a widely utilized technique for creating surface coatings with unique properties, which are essential in various industries, ranging from mechanical engineering to electronics [1,2,3,4]. However, the effectiveness of this process is directly influenced by the properties of the precursor powder materials. Within this framework, mechanical activation as a preliminary treatment serves as a crucial factor that can markedly alter the structure and properties of powders, thereby optimizing the RPS process. High-performance initial powders, such as TiSiCN, are required for effective reactive plasma spraying. Mechanical activation enables significant enhancement of the powders’ physicochemical characteristics, including specific surface area, crystalline structure, and chemical reactivity. Consequently, this process improves the quality of coatings produced via RPS, increasing their resilience to extreme operational conditions [5].
Mechanical activation is a method that can induce various physical and chemical changes in solid materials by applying shear, compression, impact, bending, and stretching, which also initiate chemical reactions in solid–liquid, solid–gas, and solid–solid systems [6]. During mechanical milling, the structure of solid materials is significantly altered: the particle size of inorganic non-metallic materials is rapidly reduced, the surface area of particles increases quickly, lattice distortions arise, lattice defects are formed, and the amorphous (non-crystalline) nature is enhanced [7,8]. At the same time, chemical activity increases and reaction conditions between inorganic non-metallic materials and other materials become less stringent, leading to the so-called mechanization-learning effect [9,10]. In the process of mechanical milling, if the chemical composition of the solid material does not change, it is called mechanical activation; however, if the chemical composition or structure of the solid material also changes, it is referred to as mechanochemical activation [11,12]. Under the influence of this mechanochemical effect, solid materials have more active sites per unit mass, which can significantly improve reactivity; this is widely utilized in practical applications [13].
Additionally, the most commonly used tools for mechanical activation in laboratories are planetary ball milling, vibratory mills, and prototype machines. However, there is limited experimental research on improving activity through mechanical activation and the impact of mechanochemical methods on the fundamental physical and chemical properties [14,15].
Mechanical activation involves intense mechanical impact on powders, leading to changes in their crystal structure, reduction in particle size, and an increase in specific surface area. These changes facilitate the initiation of solid-phase mechanochemical reactions, thereby enhancing the reactivity of materials. One of the key methods for analyzing these processes is the modified Arrhenius equation, which describes the dependence of reaction kinetics on activation energy and local atomic load. Understanding the breaking of a single molecule allows for a description of the behavior of the connected chain of atoms. The modified Arrhenius equation:
k T = A exp E a     α F k B T
The behavior is influenced by the relative magnitudes of the activation energy values E a , α F , and k B T , where α F represents the product of the activated atomic volume and the magnitude of the local load acting on these atoms. The reaction is primarily thermochemical, with stress functioning as a minor perturbation if this value remains minimal. A large α F signifies the dominance of the mechanical effect, with this difference becoming particularly significant at lower temperatures [16]. Within a chain of atoms, elastic energy accumulates across several bonds; when the weakest bond fractures, additional energy is released, which may substantially exceed the energy required for a single bond [16].
The impact of mechanical activation on powder properties for RPS coating formation can be interpreted through the lens of nanomechanics.
The nanomechanics of individual molecules—or mechanochemical—represents the fundamental scenario. For instance, if the fracture force of a covalent or metallic bond ranges between 2 and 6 nN, then the bond strength is approximately 1 nN/(1 nm2) = 1 GPa1 [17].
The energy diagram of mechanochemical reactions highlights critical aspects: when the activation energy threshold is surpassed, chemical bonds dissociate, leading to the formation of new products at a lower energy state (Figure 1). This exothermic process is pivotal in the mechanical activation of solid materials.
An analysis of the dependencies shown in the figure reveals two stages of energy and deformation change: the first stage is characterized by a monotonic increase, while the second is stepwise. The stepwise increase in deformation (molar volume expansion) corresponds to a stepwise increase in the total energy absorbed by the atomic system under external stress. According to the work of S.V. Makarov [18], an increase in activation volume indicates a substantial increase in the scale of cooperative atomic movements caused by external mechanical stress. In stress and temperature fields, the atomic system may reach a near-barrier state where strain accumulates a thermally, leading to fluid-like behavior on a mesoscopic scale.
In [19], the possibility of structural adaptation at multiscale levels under material deformation conditions in a ball mill was experimentally demonstrated.
Mechanical activation is an important process in materials science that allows modification of powder properties to improve their reactivity [20,21]. Mechanical activation is a process in which solid substances undergo intense mechanical impact, leading to changes in their structure and properties. This process is often used to enhance the reactivity of materials, especially powders, by creating defects in the crystal lattice, reducing particle size, and increasing specific surface area, thus initiating mechanochemical reactions in the solid phase. Mechanical activation in material processing plays a crucial role, influencing various aspects of their properties and structure. It maintains moderate activity of powders, which positively affects the synthesis of new materials, catalysis, and solid-state structure formation. In addition, these processes may lead to the formation of amorphous structures in materials, which can be important for certain applications. Enhancing the efficiency of powder component systems offers the potential for creating composite materials [22,23,24]. Mechanical activation also increases diffusion rates in materials, accelerating processes that require mass transfer. Furthermore, advanced powders are better prepared for industrial processes such as pressing, sintering, and extrusion. Thus, mechanical activation plays a key role in modern material processing technologies, promoting the development of products with innovation and enhanced functionality.
Coatings made from nitrides and carbonitrides of transition metals, such as TiN, TiC, and Ti(CN), are widely used due to their high hardness and excellent wear resistance. However, their inherent drawbacks, such as low oxidation resistance and brittleness, limit their further application. Therefore, a number of methods have been proposed to increase hardness and oxidation resistance, one of which is the incorporation of a second phase into the coating. Silicon (Si), as a potential alloying element, can enhance thermal stability and hardness. Among such coatings, TiSiN [1,2,3,25,26,27] and TiSiCN [28,29], refs. [4,5], are the most promising candidates for demanding tribological applications due to their high hardness, good oxidation resistance, and thermal stability. Additionally, TiSiCN coatings are promising materials owing to their high hardness and low coefficient of friction, as well as their excellent wear resistance and resistance to oxidation and corrosion. The combination of these properties makes TiSiCN coatings potential candidates for protective applications in the aerospace, automotive, and oil industries, as well as for marine applications.
Of particular interest is the study of the influence of mechanical activation on the structural evolution of the TiSiCN powder system, which is one of the promising materials for reactive plasma spraying. Understanding these changes will not only allow optimization of the spraying process but will also provide opportunities to create new materials with improved properties, which could be significant for various applications of this technology.
This paper discusses the mechanical activation of powders in an Emax mill, which is highly efficient due to the use of centrifugal forces. The aim of the study is to analyze the effect of activation parameters on the physical and mechanical properties of powders for reactive plasma spraying. Mechanical activation is a process in which solid substances undergo intense mechanical impact, leading to changes in their structure and properties. This process is often used to increase the reactivity of materials, especially powders, by creating defects in the crystal lattice, reducing particle size, and increasing the specific surface area, thus initiating mechanochemical reactions in the solid phase.

2. Material and Methods of Research

As materials, we used fine Ti powder (grade PTOM-1) with a particle size of 30 μm, fine grinding SiC powder with a particle size of 20 μm, and TiCN powder, each with a purity of 99.99%, produced in Russia, as well as powders produced in China, TiCN, Si, TiC, and Si3N4, with particle sizes of 15–45 μm. A total of 4 samples were prepared, differing in powder composition, country of production, and activation time. The samples were divided into two groups, Ti + SiC and TiCN + SiC, with activation times of 30 and 60 min at a rotation speed of 1500 rpm. The samples were fabricated using powders from Russian and Chinese manufacturers. The powders were weighed according to the required coating composition, calculated to maintain the stoichiometric atomic-mass ratios of the powders.
To predict the formation of solid solutions in the TiSiCN system, we utilized the Hume-Rothery rules. This approach considers composition-weighted terms for atomic radius differences (δr) and the average valence electron concentration (VEC).
δ r = 100 % c i c i ( 1 r i r ¯ ) 2
where c i is the content (at. %) of the i-th element in the alloy, ri is the atomic radius of the i-th element in the alloy, and r ¯ = c i r i is the average atomic radius of the alloy.
V E C = i = 1 n a i ( V E C ) i
where ( V E C ) i is the valence electron concentration of the i-th element [30].
Samples are labelled according to Table 1 according to composition and activation time.
Mechanical mixing of the powders was conducted using a high-energy ball mill Emax (Retsch, Haan, Germany) with water cooling for 2 h at a temperature range of 23–27 °C. The mass ratio of balls to powder load was 10:1. The powders were mixed at a milling speed of 1500 rpm for 30 and 60 min, resulting in fine grinding of the powders to a particle size of less than 80 nm. The use of water cooling helped maintain a stable temperature range (23–27 °C), which reduces the risk of equipment overheating and consequently decreases component wear. The capabilities of the ball mill allow the use of high-energy impulse methodology (more than 100 keV) on the mechanochemically activated material intended for the future TiSiCN coating. A method of narrow particle size distribution was applied, enabled by the special design of the milling jars that improve sample mixing.
After mechanical activation, coatings were prepared using a reactive plasma spraying (RPS) system. Stainless steel grade 12X18H10T (Fe-67%, Cr-17–19%, Ni-9–11%, Mn-2%, Ti-0.4–1%, Si-0.8%) was used as the substrate material, from which samples with dimensions of 10 × 10 × 10 mm were fabricated. The substrates were ground to rough surfaces and subjected to sandblasting.
Before coating application, the substrate was preheated to 250 °C using a plasma jet, with the temperature monitored by an HT-819 pyrometer. The schematic of the RPS gun is shown in Figure 2. The pressure in the vacuum chamber was initially reduced to 1 mbar, after which the working pressure was maintained at <1 mbar. Stainless steel substrates were positioned at a distance of 10 cm from the SG-100 plasma torch.
The plasma torch was used to spray the composite TiSiCN powders (TiSiCN-1-2 and TiSiCN-2-2). The spraying system includes a plasma gun and a reactive chamber, specifically designed and constructed for this experiment. During the RPS process, N2 gas was introduced into the reactive chamber to ensure stable spraying conditions. The powder was then fed into the plasma torch, where it was deposited onto the preheated substrate under the influence of the plasma flow. The spraying parameters used in the experiment are presented in Table 2.
TiSiCN coatings with two different compositions (TiSiCN-1-2 and TiSiCN-2-2) were applied to the substrate surfaces. The parameters, compositions, and their effects are presented in Section 3.
For phase analysis of the synthesized powders, an X’Pert PRO diffractometer equipped with a measurement system utilizing CuKα radiation (λ = 1.5406 Å) at 40 kV and 30 mA was used. Diffraction studies enabled phase composition identification and assessment of the crystal structure of the synthesized materials. Measurements were conducted over a 2θ angle range from 20° to 90°, with a step size of 0.05° and a dwell time at each step sufficient to obtain high-precision phase composition information. The temperature during measurements was fixed at 25 °C to eliminate thermal distortions that could affect the results. This methodological approach allowed for phase identification and examination of crystal parameters, essential for understanding the structural features and properties of the investigated powders.
For examining the surface morphology and structure of the TiSiCN-1-2 and TiSiCN-2-2 samples, a TESCAN MIRA3 scanning electron microscope (SEM) was used. This instrument is equipped with a field emission cathode, which provides high image resolution and contrast, allowing detailed study of the materials’ microstructure. TESCAN MIRA3 has a broad magnification range, enabling high-resolution imaging as well as qualitative and quantitative analysis. Using the TESCAN MIRA3, electron micrographs were obtained, illustrating the microstructural features of the samples, including particle size and shape, pore distribution, and microdefects.
The use of the TESCAN MIRA3 in this study enabled not only the visualization of micro- and nanostructures but also the correlation of morphological characteristics with the physicochemical properties of the materials, an important step for in-depth analysis of their characteristics.
Thermogravimetric analysis (TGA) is a method for examining mass changes in samples subjected to controlled heating, allowing for an in-depth investigation of thermal stability and phase transitions in multicomponent systems such as Ti + SiC and TiCN + Si. Analysis of these systems revealed distinct behavioral features with variations in temperature and activation time, which hold significant importance in the scientific literature for understanding the kinetic and thermodynamic properties of these materials. TGA is a precise quantitative technique, though it provides limited qualitative information. Generally, observed mass changes can be correlated with specific decomposition products by understanding the material’s breakdown mechanism or having preliminary compositional information [31]. For instance, residual solvents or moisture in the material can be inferred by observing a mass loss near the corresponding boiling point.
The studies were conducted over a temperature range of 20–950 °C at a heating rate of 10 °C/min, using nitrogen as the purge gas in a TGA-1250 setup. Samples were weighed on microbalances and placed into ceramic crucibles. A thermogram—a plot of mass percentage versus temperature—was used to analyze changes in the powder’s thermal stability, with a recording error of ±2 °C.
Hardness measurements were performed using the FISCHERSCOPE HM2000 S system According to the device specifications, the measurement range for hardness spans 0.001–120,000 N/mm2, with a load accuracy of 4 mg and displacement measurement precision of 0.1 nm. The microhardness measurement error is 2% of the measured value. The indenter speed was 2 μm/s, with a load range of 0.1–2000 mN. Primary data processing was conducted with the device’s WIN-HCU software, and a four-sided diamond Vickers pyramid indenter with a 136° face angle was used.
Martens hardness (HM) was chosen as the key parameter. When measuring HM, both plastic and elastic deformations are considered, allowing this hardness value to be determined for a wide range of materials. Martens hardness is defined as the ratio of the applied test load to the cross-sectional area of the indenter at a specified distance from the apex and is calculated by the following formula:
H M = F A s S = F 26.43 h 2
where HM represents Martens hardness [N/mm2]; F is the test load [N]; As is the cross-sectional area of the indenter [mm2]; and h is the indentation depth [mm].

3. Results and Discussion

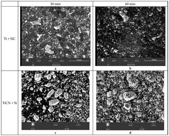
Figure 3 shows SEM images of the powders after activation of all pre-selected compositions: Ti + SiC (a) and TiCN + Si (b). Figure 3a shows a heterogeneous mixture of Ti and SiC particles with 30 min of activation, where the average particle size of Ti + SiC is 31.8 μm. However, the particles appear less sintered and more distinctly separated from each other compared to the 60 min activation. The texture shows clearer boundaries between particles, and the surface texture displays a combination of smooth and rough areas. Figure 3b shows a heterogeneous mixture of Ti and SiC particles after 60 min of activation, with an average particle size of 9.9 μm. The texture of the particles appears more compact, with a mix of smooth and rough areas, indicating partial sintering or synthesis during activation. The scale bar shows 20 μm, indicating that the mixture consists of smaller particles, possibly down to submicron levels.
Based on SEM studies, it can be concluded that mechanical activation for 60 min is optimal for preparing powders for reactive plasma spraying (RPS). Extended activation improves particle morphology and surface properties, facilitating the formation of coatings with high performance characteristics, such as increased hardness, wear resistance, and adhesion. In terms of composition, TiC + Si and TiCN + SiC powders demonstrate the best results after 60 min of activation.
According to the theoretical principles of TGA presented in [31], mass changes may reflect evaporation, degradation, oxidation, or phase transformations depending on the temperature and chemical composition of the sample. In the case of multicomponent systems based on Ti, Si, and C, processes such as moisture removal, desorption of volatile components, degradation, and reactions between components were clearly observed in the samples under study. Based on the results presented in the second document, several key stages corresponding to temperature changes can be identified.
Figure 4 shows the thermogravimetric analysis (TGA) curves of the multicomponent systems (powders), (a) Ti + SiC and (b) TiCN + SiC, by activation time: black line—30 min, red line—60 min. In the 100–400 °C range, a slight mass decrease occurs, indicating the removal of surface moisture and volatile compounds. This stage is noted in all samples and corresponds to the commonly accepted stages described in thermogravimetric analysis for the evaporation of low-molecular-weight substances.
In the TiCN + SiC system, sharp mass changes are observed at higher temperatures (400 °C, 600 °C, 800 °C). These jumps indicate thermally activated reactions between the components, such as phase transitions characteristic of mixed carbide and nitride compounds, as evidenced by the mass change described in the TGA literature.
The study of samples with different activation times (30 min and 60 min) showed that extended activation promotes more uniform reaction progression. In Figure 4a, for Ti + SiC samples with 30 min of activation, six successive stages of mass increase were observed, which may be associated with the stepwise synthesis and reaction activity of components, including Ti and SiC. Samples with 60 min of activation displayed three distinct reaction stages, indicating the exhaustion of active sites in the initial stages or a more stable phase following thermal treatment.
A unique mass change was found on the TGA curves for TiCN + SiC at 640 °C, characteristic of samples with 60 min of activation. This transformation suggests a possible mechanochemical reaction (Figure 4b), typical of highly active phases that arise under prolonged activation conditions.
The thermogravimetric data enabled the calculation of activation energies for various stages of decomposition and synthesis in Ti-based systems. TGA studies not only help identify the temperatures at which reactions begin, peak, and end but also allow the assessment of relative thermal stability depending on processing conditions such as activation time.
Thus, the TGA data of the multicomponent Ti + SiC and TiCN + SiC systems highlight key aspects of material behavior during heating and reveal patterns of thermal stability and phase transitions. Extended activation time enhances the reactivity and stability of materials, which may be beneficial for developing new high-temperature ceramics and titanium-based composites. These results are significant for science and industry, as they expand understanding of the mechanisms of thermal processes in multicomponent materials, which is especially important for materials science and engineering applications.
A detailed study of such thermogravimetric characteristics of multicomponent systems opens up opportunities for further research and the application of results in the development of thermally stable and oxidation-resistant materials for high-tech industries.
Based on the thermogravimetric analysis conducted for three different compositions and activation times, it can be concluded that activation time significantly affects the thermal stability and reactivity of the powders.
The analysis of X-ray data for the Ti + SiC powder composition after powder activation, presented in the X-ray diffraction pattern (Figure 5), showed the presence of several phases, including silicon carbide (SiC), silicon carbonitride (SiCN), titanium carbonitride (TiCN), titanium carbide (TiC), and titanium nitride (TiN). Silicon carbide was found in the Rs-type form with a cubic crystal system (space group Fm-3m) and a lattice parameter of a = 4.0400 Å, indicating its high density (4.04 g/cm3) and stability under high pressures. Silicon carbonitride (SiCN), also with a cubic system (space group F-43 m), is characterized by a lattice parameter of a = 4.3590 Å and a density of 4.34 g/cm3. Due to its stability in a nitrogen atmosphere and high wear resistance it is a suitable coating for creating strong and durable materials.
The most significant phase in the sample, titanium carbonitride (TiCN), has a cubic structure with a lattice parameter of a = 4.2760 Å and a density of 5.17 g/cm3, which confirms its high hardness and resistance to deformation. With the highest score value (51) and a scaling factor of 0.496, this phase dominates the composition and provides key operational characteristics of the material, such as high wear resistance and resistance to mechanical stress.
Additionally, titanium carbide (TiC) and titanium nitride (TiN) were found in the sample. TiC has a lattice parameter of a = 4.2610 Å and a density of 5.14 g/cm3, confirming its wear resistance and high hardness, which makes it optimal for use in coatings and cutting tools. Titanium nitride (TiN), also with a cubic system (space group Fm-3m) and a lattice parameter of a = 4.2700 Å, is characterized by a high density (5.28 g/cm3), oxidation resistance, and strength, making it suitable for use under high mechanical loads.
Thus, among all phases, TiCN has the greatest importance in the composition, as shown in the X-ray diffraction pattern. While silicon carbide and silicon carbonitride complement TiCN by enhancing the corrosion resistance and overall strength of the material, the primary role of TiCN ensures high wear resistance and mechanical strength, making it the key phase in the sample under study.
Figure 6 presents the X-ray diffraction pattern of TiCN + Si powder, where peak intensities are shown as a function of diffraction angles (positions 2θ).
The X-ray structural analysis of the TiCN + Si powder provided data that allowed for important conclusions about the phase composition and crystal structure of the material under investigation. The results showed that the sample consists of several phases, each of which plays its role in the overall composition of the material.
The analysis of the X-ray diffraction pattern confirmed the presence of multiple phases, including titanium carbides and nitrides (TiC and TiN), as well as silicon carbides (SiC). The primary phases, such as TiC and TiN, have crystal structures typical of these compounds, with cubic and tetragonal lattice configurations. The high intensity of peaks corresponding to these phases indicates their predominance in the material under investigation. Additionally, peaks associated with the TiCN phase were detected in the diffraction pattern, confirming the presence of carbide–nitride structures characteristic of titanium and carbon-based materials.
The high intensity of certain peaks indicates the predominance of specific phases (e.g., SiC). The complex overlapping of peaks from different phases complicates the analysis yet confirms the multiphase nature of the sample.
During the X-ray structural analysis of the TiCN + Si powder, the following phases were identified: The high proportion of titanium carbide and nitride suggests the dominance of thermodynamically stable phases formed at high temperatures. Simultaneously, the presence of SiC in the structure suggests silicon’s involvement in reactions occurring during synthesis, indicating the need for further optimization of processing parameters to control the phase composition.
Based on the obtained data, it can be concluded that TiCN + Si material may possess unique properties for coating applications, making it suitable for use in high-load environments, such as cutting tools or armor elements. However, further studies are needed to fully understand the relationship between the material’s structural features and its operational characteristics. In particular, additional studies are required to examine the influence of various phases on the tribological and thermal properties of the material, which would expand its application scope.
Titanium carbide (TiC) is present in the sample in small quantities. This phase, with high hardness and durability, plays an important role in improving the material’s performance. Pure titanium (Ti) was detected with a high match score, indicating the presence of this phase in the material. A scale factor of 0.175 suggests a significant amount of Ti in the sample, which may affect the overall properties, such as strength and corrosion resistance. Silicon carbide (SiC) in its α-form (Rs type) is present in a substantial amount. A high scale factor indicates that this phase contributes significantly to the material’s hardness and thermal stability. Titanium carbonitride (TiCN) was detected with a high match score and significant scaling factor. This phase contributes to the material’s durability and resistance to harsh environments. Silicon carbide in its γ-form (SiC—Gamma) is also present in a significant amount. The scale factor of 0.246 indicates its major role in enhancing the material’s mechanical properties and resistance to thermal impacts. Titanium nitride (Ti2N) is present in moderate amounts. Despite a comparatively low match score, a high scale factor of 0.328 indicates the presence of this phase, which enhances hardness and resistance.
These results were achieved through mechanochemical processing, which synthesizes new non-equilibrium phases well-adapted to each other due to high-energy impacts. In the X-ray diffraction images, it is apparent how different phases produce diffraction maxima at nearly the same diffraction angles, indicating atomic shifts in neighboring grains to align on multiple scales: angstroms, tens of angstroms, hundreds of angstroms, microns, tens of microns, etc. This is the so-called ‘frequency pulling’ effect, as discussed in Berger’s book Order in Chaos [11]. The main outcome of our work is the identification of the possibility to create materials suitable for RPS processes to improve the surface quality of products.
Based on the experimental data obtained from the study of powders after mechanical activation with a selected duration of 60 min, coatings were produced using the reactive plasma spraying method. Further experimental investigations were conducted on two coating samples. Figure 7 presents the surfaces of TiSiCN-1-2 (a) and TiSiCN-2-2 (b) coatings. The surface of the TiSiCN-1-2 coating shows more pronounced structural heterogeneity. Grains and microparticles are evenly distributed, but several microcracks and pores are observed. The contrast in the image indicates the presence of multiple phases, such as TiC, SiC, and TiN, which explains the high functionality of the coating under high temperatures and loads. Dark areas in the image may indicate the presence of phases with high titanium content or other dense components.
In contrast, the surface of the TiSiCN-2-2 coating appears denser and more homogeneous, with a minimal number of pores and microcracks. Compact grains form a structure that provides high mechanical strength and wear resistance. The image contrast confirms the presence of TiC and SiC phases, which contribute to increased hardness and thermal stability. Therefore, TiSiCN-2-2 is preferred for use under high mechanical loads.
Figure 8 presents micrographs of cross-sections obtained using an optical microscope. The figure shows cross-sections of the coatings for the Ti + SiC and TiCN + Si samples, with thickness measurements taken at various points. The average coating thickness for the Ti + SiC sample is 35.48 μm, while for the TiCN + Si sample it is 39.87 μm. This indicates that the TiCN + Si coating is, on average, somewhat thicker than the Ti + SiC coating.
The thickness variability also differs between the two samples. For the Ti + SiC sample, the coating thickness ranges from 26.23 to 49.77 μm, suggesting greater fluctuations and less uniform distribution. In contrast, the TiCN + Si sample exhibits a thickness variation from 35.41 to 51.02 μm, indicating a more consistent thickness distribution with smaller fluctuations.
The TiCN + Si coating demonstrates greater stability in thickness distribution across the surface, which may suggest better control over the coating application or a more homogeneous material structure. Conversely, the Ti + SiC coating shows more significant thickness variability, which could be attributed to the specifics of the application process or differences in the adhesion of coating components. Overall, the TiCN + Si sample has a greater average thickness and a more uniform distribution.
Following the production of TiSiCN coatings from Ti + SiC composition, X-ray phase analysis was performed, with the X-ray pattern shown in Figure 9. The study revealed that the sample contains several phases, primarily titanium, silicon carbide, and titanium nitrides. Special attention should be given to titanium nitride (TiN), which exhibits high wear resistance. The results correlate well with known data on the phase composition and properties of compounds, confirming the reliability of the measurements and their interpretation.
The analysis of diffraction data identified the following phases in the TiSiCN-1-2 sample. Titanium (Ti) was identified as a phase with a cubic crystal structure, belonging to the space group Fm-3m, with a lattice parameter of a = 4.0600 Å and a calculated density of 4.75 g/cm3. These data match literature values for pure titanium, confirming the accuracy of its identification. Silicon carbide (SiC) is characterized by a cubic crystal structure with space group F-43m and a lattice parameter of a = 4.3580 Å, corresponding to the 3C (moissanite) modification. The calculated density is 3.22 g/cm3, while the measured density is 3.20 g/cm3, which confirms the high purity and stability of this phase, particularly under high-temperature conditions. Titanium nitride (TiN) was also identified as a cubic phase with space group Fm-3m, a lattice parameter of a = 4.2400 Å, and a density of 5.39 g/cm3, making it suitable for high-wear-resistance applications. Titanium nitride (Ti2N) was identified as having a tetragonal structure, belonging to the space group I41/amd, with lattice parameters a = 4.1490 Å and c = 8.7860 Å, confirming the presence of ordered vacancies and high phase hardness.
A list of peaks, including key parameters such as 2θ positions, intensities, full widths at half maximum (FWHM), and interplanar spacings, was analyzed to evaluate the quantitative content of each phase. For example, the main peak for titanium was recorded at 2θ = 38.370°, consistent with data from literature sources. The peak intensities and interplanar spacings align with known values, confirming the accuracy of the analysis.
The presence of solid titanium nitride (TiN) and silicon carbide (SiC) indicates the high strength of the material. These compounds exhibit high hardness and resistance to mechanical and thermal stresses, making them ideal for coatings and high-wear-resistance applications.
Based on the data analysis from X-ray diffraction (XRD) in Figure 10, the phases in the TiSiCN-4-2 sample were identified. Titanium (Ti) was identified as a phase with a cubic crystal system, belonging to the space group Fm-3m, with a lattice parameter of a = 4.0600 Å. The calculated density is 4.75 g/cm3, which fully corresponds to literature data. Silicon carbide (SiC) is characterized by a cubic system with space group F-43m and a lattice parameter of a = 4.3580 Å. The calculated density is 3.22 g/cm3, indicating the high thermal stability of the material. Titanium nitride (Ti2N) was identified as a phase with a tetragonal crystal system and space group I41/amd, with lattice parameters a = 4.1490 Å and c = 8.7860 Å and a density of 4.82 g/cm3, indicating the high strength of this phase. Titanium nitride (TiN) was also detected, with a cubic system, space group Fm-3m, lattice parameter a = 4.2400 Å, and a density of 5.39 g/cm3, confirming its hardness and wear resistance, especially under extreme operating conditions.
The main peaks for each compound were identified and recorded. For example, the main peak for titanium was found at 2θ = 38.370°, consistent with literature data. The interplanar spacings and relative peak intensities confirm the presence of the stated phases and their purity. The analysis results demonstrate high accuracy in determining the phase composition and crystal structure of the material. The presence of phases with known high mechanical and thermal properties, such as silicon carbide and titanium nitrides, confirms the suitability of the material for high-load applications. The crystal parameters and symmetry of the phases, such as tetragonal and cubic structures for Ti2N and TiN, respectively, are consistent with the ICSD database.
Figure 11 shows the dependence of indenter penetration depth on the applied load for two samples, TiSiCN-1-2 and TiSiCN-2-2. This graph illustrates how the penetration depth increases with increasing load, which corresponds to the expected behavior in the hardness testing of materials.
As a result of the comparative analysis of two samples based on the load-depth penetration curves, the following conclusions can be drawn: the first sample demonstrates a greater penetration depth under the same applied load, indicating lower hardness compared to the second sample. The second sample shows a smaller penetration depth under the same loads, which indicates its higher hardness. The average Martens hardness for the second sample is 2599.2 N/mm2, significantly higher than the 1141.7 N/mm2 of the first sample.
The modulus of elasticity for the second sample is 154.7 GPa, also higher than that of the first sample (137.3 GPa), which indicates a greater ability of the second sample to resist deformation.
According to Vickers hardness measurements, the second sample also exhibited a higher value (323.7 N/mm2 versus 129.1 N/mm2 for the first sample), further confirming its superior mechanical strength and resistance to indentation.
Overall, the second sample has higher hardness and elastic modulus values, making it stronger and more resistant to deformation under load. The first sample, on the other hand, is more compliant and demonstrates lower resistance under similar test conditions.

4. Conclusions

Mechanical activation of TiSiCN system powders had a significant impact on their structural and physicochemical properties. Activated powders showed reduced particle size, increased specific surface area, and the formation of defects in the crystal lattice, enhancing the reactivity of the materials. A 60 min activation time was found to be optimal for increasing coating density and structural strength.
X-ray structural analysis confirmed the formation of multiphase structures, including TiC, SiC, and TiCN, with the key TiCN phase providing hardness and wear resistance.
SEM analysis revealed that the TiSiCN-2-2 coating exhibits a denser and more homogeneous structure with minimal pores and microcracks, providing superior mechanical strength and wear resistance compared to TiSiCN-1-2.
The analysis of cross-sectional micrographs showed that the TiSiCN-2-2 coating has a greater average thickness (39.87 μm) compared to TiSiCN-1-2 (35.48 μm), as well as a more uniform thickness distribution, indicating better application control and a more homogeneous material structure.
Thermogravimetric analysis indicated that the TiSiCN-2-2 sample has higher thermal stability, demonstrating resistance to oxidation and decomposition up to 800 °C, whereas the TiSiCN-1-2 sample begins to show signs of degradation at around 700 °C. These differences suggest that the TiCN + SiC composition has better thermal characteristics and is more suitable for high-temperature and high-load applications.
Coatings obtained by the reactive plasma spraying of TiSiCN-1-2 and TiSiCN-2-2 also demonstrated good mechanical properties. A comparative hardness analysis of the samples showed that the TiSiCN-2-2 sample has significantly higher Martens hardness (2599.2 N/mm2 versus 1141.7 N/mm2 for the first sample), a higher modulus of elasticity (154.7 GPa versus 137.3 GPa), and greater Vickers hardness (323.7 N/mm2 versus 129.1 N/mm2), confirming its superior mechanical strength and resistance to deformation compared to the TiSiCN-1-2 sample.
In conclusion, the study established that mechanical activation of TiSiCN system powders significantly affects their physicochemical and structural properties, causing particle size reduction, increased specific surface area, and the formation of defects in the crystal lattice. These changes enhance the reactivity of the materials and contribute to improved hardness and thermal stability of the coatings, associated with the redistribution and accumulation of energy in atomic bonds at the nanomechanical level. Specifically, the TiCN + SiC composition (TiSiCN-2-2) demonstrates optimal characteristics for operation under high temperatures and mechanical loads, confirming the importance of mechanical activation in enhancing the energetic potential of atomic bonds, ensuring coating stability and strength under extreme conditions.

Author Contributions

Conceptualization, B.R.; methodology, A.K.; validation, B.R.; formal analysis, L.B.; investigation, L.B.; resources, R.K.; data curation, R.K.; writing—original draft, L.B.; writing—review and editing, L.B.; visualization, R.K.; supervision, B.R.; project administration, L.B.; acquisition of funding, L.B. All authors have read and agreed to the published version of the manuscript.

Funding

This research was funded by the Committee of Science of the Ministry of Science and Higher Education of the Republic of Kazakhstan, grant number AP19175967.

Institutional Review Board Statement

Not applicable.

Data Availability Statement

Data is contained within the article.

Conflicts of Interest

The authors declare that there is no conflict of interest regarding the publication of this manuscript.

References

  1. Cheng, Y.; Browne, T.; Heckerman, B.; Meletis, E. Mechanical and tribological properties of nanocomposite TiSiN coatings. Surf. Coat. Technol. 2010, 204, 2123–2129. [Google Scholar] [CrossRef]
  2. Ma, D.; Ma, S.; Xu, K. Influence of Si content on Nano-structured Ti–Si–N films coated by pulsed-dc plasma enhanced CVD. Surf. Coat. Technol. 2004, 184, 182–187. [Google Scholar] [CrossRef]
  3. Movassagh-Alanagh, F.; Abdollah-zadeh, A.; Aliofkhazraei, M.; Abedi, M. Improving the wear and corrosion resistance of Ti–6Al–4V alloy by deposition of TiSiN nanocomposite coating with pulsed-DC PACVD. Wear 2017, 390, 93–103. [Google Scholar] [CrossRef]
  4. Abraham, S.; Choi, E.Y.; Kang, N.; Kim, K.H. Microstructure and mechanical properties of Ti-Si-CN films synthesized by plasma-enhanced chemical vapor deposition. Surf. Coat. Technol. 2007, 202, 915–919. [Google Scholar] [CrossRef]
  5. Muzamil, M.; Wu, J.; Akhtar, M.; Patel, V.; Majeed, A.; Yang, J. Multicomponent enabled MWCNTs-TiO2 nano-activating flux for controlling the geometrical behavior of modified TIG welding joint process. Diam. Relat. Mater. 2019, 97, 107442. [Google Scholar] [CrossRef]
  6. Hewitt, S.A.; Kibble, K.A. Effects of ball milling time on the synthesis and consolidation of nanostructured WC–Co composites. Int. J. Refract. Met. Hard Mater. 2009, 27, 937–948. [Google Scholar] [CrossRef]
  7. Sharafi, S.; Gomari, S. Effects of milling and subsequent consolidation treatment on the microstructural properties and hardness of the nanocrystalline chromium carbide powders. Int. J. Refract. Met. Hard Mater. 2012, 30, 57–63. [Google Scholar] [CrossRef]
  8. Lee, J.S.; Choi, M.S.; Hung, N.V.; Kim, Y.S.; Kim, I.W.; Park, E.C. Effects of high energy ball-milling on the sintering behavior and piezoelectric properties of PZT based ceramics. Ceram. Int. 2007, 33, 1283–1286. [Google Scholar] [CrossRef]
  9. Razmjou, A.; Mansouri, J.; Chen, V. The effects of mechanical and chemical modification of TiO2 nanoparticles on the surface chemistry, structure and fouling performance of PES ultrafiltration membranes. J. Membr. Sci. 2011, 378, 73–84. [Google Scholar] [CrossRef]
  10. Patil, A.G.; Anandhan, S. Ball milling of class-F Indian Fly ash obtained froma thermal power station. Int. J. Energy Eng. 2012, 2, 57–62. [Google Scholar]
  11. Sharma, A.; Srivastava, K.; Devra, V.; Rani, A. Modification in properties of fly ash through mechanical and chemical activation. Am. Chem. Sci. J. 2012, 2, 177–187. [Google Scholar] [CrossRef]
  12. Akçay, K.; Sirkecioğlu, A.; Tatlıer, M.; Savaşçı, Ö.T.; Erdem-Şenatalar, A. Wet ball milling of zeolite HY. Powder Technol. 2004, 142, 121–128. [Google Scholar] [CrossRef]
  13. Watanabe, H. Critical rotation speed for ball-milling. Powder Technol. 1999, 104, 95–99. [Google Scholar] [CrossRef]
  14. Patil, A.G.; Shanmugharaj, A.M.; Anandhana, S. Interparticle interactions and lacunarity of mechano-chemically activated fly ash. Powder Technol. 2015, 272, 241–249. [Google Scholar] [CrossRef]
  15. Zhao, J.H.; Wang, D.M.; Liao, S.C. Effect of mechanical grinding on physical and chemical characteristics of circulating fluidized bed fly ash from coal gangue power plant. Constr. Build. Mater. 2015, 101, 851–860. [Google Scholar] [CrossRef]
  16. Zhurkov, S.N. Kinetic concept of the strength of solids. Int. J. Fract. Mech. 1965, 1, 311–323. [Google Scholar] [CrossRef]
  17. Beyer, M.K.; Clausen-Schowmann, H. Mechanochemistry: Mechanical Activation of Covalent Bonds. Chem. Rev. 2005, 105, 2921–2948. [Google Scholar] [CrossRef]
  18. Makarova, S.V.; Golovneva, I.F. [5,6*] Acoustic Wave Correlation of Elementary Deformation Acts During High-Temperature Deformation of Metals and Alloys; Diss. Doc. Phys.-Math. Sciences: 01.04.07; Makarov Sergey Viktorovich: Barnaul, Russia, 2016. [Google Scholar]
  19. Boldyrev, V.V. Mechanochemistry and Mechanical Activation of Solids. Uspekhi Chem. 2006, 75, 203–216. [Google Scholar]
  20. Zeldovich, Y.B.; Raiser, Y.P. Physics of Shock waves and High-Temperature Hydrodynamic Phenomena; Fizmatlit: Moscow, Russia, 2008; 656p. [Google Scholar]
  21. Panin, V.E.; Egorushkin, V.E. Nanostructured states in solids. Phys. Met. Met. Sci. 2010, 110, 487–496. [Google Scholar]
  22. Muzamil, M.; Wu, J.; Samiuddin, M. Modified utilization of semi-sectioned tubes as filler coated with MWCNTs–TiO2 in TIG arc welding to recover fusion lost mechanical properties of the weldment. J. Braz. Soc. Mech. Sci. Eng. 2019, 41, 5. [Google Scholar] [CrossRef]
  23. Pogrebnjak, A.; Buranich, V.; Ivashchenko, V.; Baimoldanova, L.; Rokosz, K.; Raaen, S.; Zukowski, P.; Opielak, M.; Rakhadilov, B.; Beresnev, V.; et al. The Effect of Substrate Treatment on the Properties of TiAlSiYN/CrN Nanocomposite Coatings. Surf. Interfaces 2022, 30, 101902. [Google Scholar] [CrossRef]
  24. Ma, S.L.; Ma, D.Y.; Guo, Y.; Xu, B.; Wu, G.Z.; Xu, K.W.; Chu, P.K. Synthesis and characterization of super hard, self-lubricating Ti–Si–C–N nanocomposite coatings. Acta Mater. 2007, 55, 6350–6355. [Google Scholar] [CrossRef]
  25. Maksakova, O.V.; Pogrebnjak, A.D.; Buranich, V.V.; Ivashchenko, V.I.; Baimoldanova, L.S.; Rokosz, K.; Raaen, S.; Malovana, N. Theoretical and experimental investigation of multilayer (TiAlSiY) N/CrN coating before and after gold ions implantation. High Temp. Mater. Process. Int. Q. High-Technol. Plasma Process. 2021, 25. [Google Scholar] [CrossRef]
  26. Smyrnova, K.V.; Bondar, O.V.; Borba-Pogrebnjak, S.O.; Kravchenko, Y.O.; Beresnev, V.M.; Zhollybekov, B.; Baimoldanova, L. The microstructure and mechanical properties of (TiAlSiY)N nanostructured coatings. In Proceedings of the 2017 IEEE 7th International Conference on Nanomaterials: Applications & Properties (NAP 2017), Odessa, Ukraine, 10–15 September 2017; Volume 2, pp. 01FNC13-1–01FNC13-4. [Google Scholar]
  27. Li, J.; Wang, Y.; Yao, Y.; Wang, Y.; Wang, L. Structure and tribological properties of TiSiCN coating on Ti6Al4V by arc ion plating. Thin Solid Films 2017, 644, 115–119. [Google Scholar] [CrossRef]
  28. Johnson, L.J.S.; Rogström, L.; Johansson, M.P.; Odén, M.; Hultman, L. Microstructure evolution and age hardening in (Ti, Si)(C, N) thin films deposited by cathodic arc evaporation. Thin Solid Films 2010, 519, 1397–1403. [Google Scholar] [CrossRef]
  29. Dong, Y.; Yan, D.; He, J.; Zhang, J.; Xiao, L.; Li, X. Studies on Nanocrystalline TiN Coatings Prepared by Reactive Plasma Spraying. J. Nanomater. 2008, 2008, 690951. [Google Scholar] [CrossRef]
  30. Zhao, Y.; Yang, T.; Tong, Y.; Wang, J.; Luan, J.; Jiao, Z.; Chen, D.; Yang, Y.; Hu, A.; Liu, C.; et al. Heterogeneous precipitation behavior and stacking-faultmediated deformation in a CoCrNi-based medium-entropy alloy. Acta Mater. 2017, 138, 72–82. [Google Scholar] [CrossRef]
  31. Dollimore, D. Thermal Analysis-Definitions, Codes of Practice, and Nomenclature. In Characterization of Materials, 1st ed.; The University of Toledo: Toledo, OH, USA, 2002; Volume 1, pp. 337–344. [Google Scholar] [CrossRef]
Figure 1. Dependence of the increase in total energy on the magnitude of external stress (left) and the stepwise nature of strain accumulation under mechanical stress near the yield point (right) [18,19].
Figure 1. Dependence of the increase in total energy on the magnitude of external stress (left) and the stepwise nature of strain accumulation under mechanical stress near the yield point (right) [18,19].
Crystals 14 01005 g001
Figure 2. Schematic configuration of chamber.
Figure 2. Schematic configuration of chamber.
Crystals 14 01005 g002
Figure 3. SEM images of powders after activation: (a,b) Ti + SiC; (c,d) TiCN + Si. Activation time: (a,c) 30 min; (b,d) 60 min.
Figure 3. SEM images of powders after activation: (a,b) Ti + SiC; (c,d) TiCN + Si. Activation time: (a,c) 30 min; (b,d) 60 min.
Crystals 14 01005 g003
Figure 4. Thermogravimetric analysis (TGA) curves of multicomponent systems (powders), (a) Ti + SiC and (b) TiCN + SiC, by activation time: black line—30 min, red line—60 min.
Figure 4. Thermogravimetric analysis (TGA) curves of multicomponent systems (powders), (a) Ti + SiC and (b) TiCN + SiC, by activation time: black line—30 min, red line—60 min.
Crystals 14 01005 g004
Figure 5. X-ray diffraction pattern of Ti + SiC powder.
Figure 5. X-ray diffraction pattern of Ti + SiC powder.
Crystals 14 01005 g005
Figure 6. X-ray diffraction pattern of TiCN + Si powder.
Figure 6. X-ray diffraction pattern of TiCN + Si powder.
Crystals 14 01005 g006
Figure 7. SEM micrograph of TiSiCN coating surface: (a) TiSiCN-1-2; (b) TiSiCN-2-2.
Figure 7. SEM micrograph of TiSiCN coating surface: (a) TiSiCN-1-2; (b) TiSiCN-2-2.
Crystals 14 01005 g007
Figure 8. Cross-sectional micrographs with coating thickness measurements for coatings: (a) TiSiCN-1-2; (b) TiSiCN-2-2.
Figure 8. Cross-sectional micrographs with coating thickness measurements for coatings: (a) TiSiCN-1-2; (b) TiSiCN-2-2.
Crystals 14 01005 g008
Figure 9. X-ray diffraction pattern of TiSiCN-1-2 coating.
Figure 9. X-ray diffraction pattern of TiSiCN-1-2 coating.
Crystals 14 01005 g009
Figure 10. X-ray diffraction pattern of TiSiCN-2-2 coating.
Figure 10. X-ray diffraction pattern of TiSiCN-2-2 coating.
Crystals 14 01005 g010
Figure 11. Loading and unloading curves for the coating.
Figure 11. Loading and unloading curves for the coating.
Crystals 14 01005 g011
Table 1. Marking of samples.
Table 1. Marking of samples.
No.SamplesPowder CompositionActivation Time, minRotation Speed, rpm
1TiSiCN-1-1Ti + SiC301500
2TiSiCN-1-2Ti + SiC601500
3TiSiCN-2-2TiCN + Si301500
4TiSiCN-2-3TiCN + Si601500
Table 2. Parameters of the spraying process.
Table 2. Parameters of the spraying process.
Parameters Values
Chamber pressure, mbar<1
Spraying distance, mm 110
Current, A500
Gas flow rate (Ar), sl/min35
Power, kW21
Substrate preheat temperature, °C250
Disclaimer/Publisher’s Note: The statements, opinions and data contained in all publications are solely those of the individual author(s) and contributor(s) and not of MDPI and/or the editor(s). MDPI and/or the editor(s) disclaim responsibility for any injury to people or property resulting from any ideas, methods, instructions or products referred to in the content.

Share and Cite

MDPI and ACS Style

Baimoldanova, L.; Rakhadilov, B.; Kengesbekov, A.; Kuanyshbai, R. Influence of Mechanical Activation on the Evolution of TiSiCN Powders for Reactive Plasma Spraying. Crystals 2024, 14, 1005. https://doi.org/10.3390/cryst14111005

AMA Style

Baimoldanova L, Rakhadilov B, Kengesbekov A, Kuanyshbai R. Influence of Mechanical Activation on the Evolution of TiSiCN Powders for Reactive Plasma Spraying. Crystals. 2024; 14(11):1005. https://doi.org/10.3390/cryst14111005

Chicago/Turabian Style

Baimoldanova, Lazat, Bauyrzhan Rakhadilov, Aidar Kengesbekov, and Rashid Kuanyshbai. 2024. "Influence of Mechanical Activation on the Evolution of TiSiCN Powders for Reactive Plasma Spraying" Crystals 14, no. 11: 1005. https://doi.org/10.3390/cryst14111005

APA Style

Baimoldanova, L., Rakhadilov, B., Kengesbekov, A., & Kuanyshbai, R. (2024). Influence of Mechanical Activation on the Evolution of TiSiCN Powders for Reactive Plasma Spraying. Crystals, 14(11), 1005. https://doi.org/10.3390/cryst14111005

Note that from the first issue of 2016, this journal uses article numbers instead of page numbers. See further details here.

Article Metrics

Back to TopTop