Next Article in Journal
Phase Structures, Electromechanical Responses, and Electrocaloric Effects in K0.5Na0.5NbO3 Epitaxial Film Controlled by Non-Isometric Misfit Strain
Next Article in Special Issue
Stress-Based Model for Calculating the Opening Angle of Notch Cracks in a Magnesium Alloy under Multiaxial Fatigue
Previous Article in Journal
Probing Boron Vacancy Complexes in h-BN Semi-Bulk Crystals Synthesized by Hydride Vapor Phase Epitaxy
Previous Article in Special Issue
The Effect of Microstructural Defects on High-Cycle Fatigue of Ti Grade 2 Manufactured by PBF-LB and Hydrostatic Extrusion
 
 
Font Type:
Arial Georgia Verdana
Font Size:
Aa Aa Aa
Line Spacing:
Column Width:
Background:
Article

Fatigue Behavior and Mechanism Study on Lugs of TC18 Titanium Alloy

1
Research Institute for Frontier Science, Beihang University (BUAA), Beijing 100191, China
2
The Solid Mechanics Research Centre, School of Aeronautic Science and Engineering, Beihang University (BUAA), Beijing 100191, China
*
Author to whom correspondence should be addressed.
Crystals 2023, 13(9), 1320; https://doi.org/10.3390/cryst13091320
Submission received: 14 August 2023 / Revised: 24 August 2023 / Accepted: 25 August 2023 / Published: 29 August 2023
(This article belongs to the Special Issue Fatigue Behavior in Metals and Alloys)

Abstract

Aerospace structural components are in a complex stress state when they undertake load due to their specific geometric construction. Their fatigue behavior is quite different from the materials that undertake the standard stress state. The research on fatigue behavior of aircraft structures was the foundation of their design and life prediction. Lugs are one of the important connected components of aircrafts. In this paper, the mathematical mechanics’ method was used to calculate the structural feature parameters of TC18 Titanium alloy lugs under several specific loads. The design reference values of structural feature parameters were put forward for lugs. The fatigue behavior and fatigue failure characteristics under specific loads were studied experimentally. The fatigue experiment was conducted to verify the criterion, and the validity of the criterion mentioned above was confirmed by the test results. The fatigue life S-N curves under different loading forms and different mean stresses were researched. The fatigue failure characteristics, such as fatigue crack initiation, propagation, and final fracture, were also studied. These studies provided theoretical support for the anti-fatigue damage design of lugs.

1. Introduction

As an essential load-bearing component, aviation structural parts are in a complex stress state when they bear loads, and their fatigue behavior is quite different from that of materials under a normal stress state. The research on the fatigue behavior of aviation structural parts was the basis of aviation structural parts design and life prediction. As aviation structural parts have been subjected to cyclic load for a long time, especially connectors with unique structures such as holes or threads, as well as aircraft skins, they are bound to encounter problems such as stress concentration which then reduces the fatigue performance of materials, making fatigue failure the most critical threat to their reliable service [1,2,3,4,5,6]. Aircraft structures such as lugs and skins were the focus of strength calculation and detailed analysis of aircraft structures [7]. Studying the fatigue behavior and mechanism systematically and intensely was of great practical and theoretical significance. The wing and fuselage of the aircraft, the engine and the engine frame, the flap, aileron, and spoiler, and the wing, the shell of the landing gear, and the upper torsion arm are all connected by lugs [8,9]. The ultimate bearing capacity of the lug is affected by the load type and geometry [10]. Titanium alloy lugs can be used as aircraft landing gear. This kind of lug will be mainly introduced in this paper.
There were many kinds of aviation structural parts. As one of the essential connecting parts in aviation aircraft structure, the fatigue life of the lug plays a vital role in the safety of the aircraft. According to the different geometric shapes and load forms, the types of lugs are also diverse [11]. According to geometric shape, they can be divided into straight lugs, non-axial lugs, and bee waist lugs (or dog bone lugs). According to the number used in connection, lugs can be divided into single and binaural lugs. According to the load direction, lugs can be divided into axial and non-axial tensile lugs. The strength of the lug is usually calculated by looking up a curve or formula. In the past, when calculating the strength of the lug, it was calculated at 0° regardless of the loading angle, and it was considered safer. However, when the loading angle was greater than 0°, the load and stiffness on both sides of the lug hole were no longer equal, and the bending effect on the side with more significant stress was enhanced so that the lug with a greater loading angle has lower bearing capacity [12]. Therefore, as far as possible in the current design, lugs under axial load or lugs with a smaller loading angle were preferred. In addition to the loading angle, the failure load of the lug was also directly related to geometric parameters such as the width and eccentricity of the lug and the material’s tensile strength. The fatigue failure form of the lug changes with the change in loading angle and maximum stress position [12]. The factors affecting the fatigue strength and static strength of members were different. A large number of studies found that the main influencing factors of the fatigue strength of the lug were as follows [13,14,15,16,17,18,19,20,21,22,23,24,25,26]: stress concentration, size effect, surface state, the influence of materials, and the influence of load. In addition, the fit clearance between the pin and the hole, lubrication, and pin diameter also affect the fatigue strength of the lugs [27,28,29,30,31].
Although there are many examples of literature on the fatigue characteristics of lugs, only a few pieces of literature have studied the influence of elastoplasticity on the contact stress and fatigue life of lugs by statics [32], and few examples of literature have reported the influence of elastoplasticity on the fatigue characteristics of lugs by dynamics. The plastic zone was generally used to analyze the crack tip closure caused by plasticity [33]: when loading, a large tensile plastic deformation will be formed at the crack tip. Because the plastic deformation cannot be fully recovered when unloading, there will be residual compressive stress in the plastic zone at the crack tip after unloading. This can partially offset the tensile force that expands the crack in the subsequent loading. Therefore, the plastic zone’s size has been considered an essential parameter for analyzing fatigue crack growth [34]. However, the plastic zone was often only used to study crack growth and was generally only studied by statics. Using finite element dynamic analysis was another effective way to study the high cycle fatigue performance of lugs.
This paper studies the fatigue behavior and mechanism materials, TC18 titanium alloy, commonly used in aircraft structures. TC18 (Ti-5Al-5Mo-5V-1Fe-1Cr) dual-phase titanium alloy is similar to the Russian brand BT22 [35] and is a transition alloy; its transition temperature is 840~880 °C. The alloy has many advantages, such as good hardenability, plasticity, and weldability, and relatively high strength [36,37,38,39,40]. These characteristics give this alloy a broad application prospect, especially in aviation, aerospace, and other fields. The lug connection structure involves load-bearing structural parts such as aircraft landing gear.
In this paper, the characteristic structural parameters of the lug under several specific load forms were theoretically calculated by the mathematical mechanics method. The structural design criteria of the TC18 titanium alloy lug were put forward to provide a reliable analysis means and basis for its design, analysis, and safety assessment. The TC18 titanium alloy has been deeply and thoroughly studied abroad. Still, because of its unique use, it was difficult to find basic data on these materials’ high cycle fatigue performance in existing literature. The fatigue behavior and fatigue failure characteristics of the lug under specific loads, such as different load forms and mean stress, were studied. The initiation, propagation, and instantaneous fracture behavior of lugs were analyzed through the observation of fracture morphology.

2. Materials and Methods

2.1. Material of Lugs

The TC18 titanium alloy lug material was provided by AVIC First Aircraft Design and Research Institute of titanium alloy forging blank material, and the size was 300 mm × 140 mm × 65 mm. The forging stock’s plane and end appearance photos are shown in Figure 1a,b. The appearance of all forging billets was inspected, and the surface morphology of each forging billet was photographed. The number of TC18 titanium alloy lugs tested was 120. The fatigue performance was tested under two different mean stresses σm (378 MPa, 270 MPa) and different loading angles α (0°, 30°). Under four groups of test conditions corresponding to different mean stress and loading angles, the number of lugs tested in each group was 30.
The original organization of the material is shown in Figure 1c–f. The microstructure of the forging blank surface and perpendicular to the surface was observed. The results showed that the grain size was about 50–200 μm, and the grain size was not uniform. It can be seen from scanning electron microscopy that the α phase was distributed in the matrix of β phase in the shape of needles, and the mean size of the α phase was about 10 μm. The composition and mechanical properties of TC18 titanium alloy are shown in Table 1 and Table 2, respectively.
In this paper, wire-cutting technology cut the titanium alloy lug blank sample from the titanium alloy forging blank. In the final step of lug processing, 2300 # imported polishing sandpaper was used to grind the hole so that the surface of the lug hole was smooth and had no scratches. The stress relief annealing heat treatment of the lug was carried out according to the national standard GJB3763 [41] as follows: the vacuum degree was 10−3 Par, the heating temperature was required to 605 °C, and the heat was kept for 3 h; the heat was then cooled with the furnace temperature. A fluorescence test was performed on all machined samples following the standard HB/Z61-1998 [42].

2.2. Test Method of Mechanical Properties

The WDW-100A microcomputer-controlled electronic universal testing machine with a maximum test force of 100 KN and a first-class accuracy level was selected for the tensile failure test of the lug tag. The static tensile strength of the lug was obtained through experiments and the efficiency coefficient curve and conversion coefficient were calculated. The tensile fixture was made of 30CrMnSiNi2A steel with high strength. During stretching, the speed should be controlled within the 1–5 mm/min range. After stretching, the pins and fixtures should be checked. If there was excessive deformation or wear, additional tests should be made.
In this study, QBG-100 high-cycle fatigue testing machine was used to carry out tensile fatigue tests on the lugs of aviation structural parts to obtain the fatigue life curve of the lugs and the stress severity coefficient of the lugs combined with finite element analysis and calculation. The maximum load of the fatigue test machine was 100 KN, and the static load error was less than 1%. The dynamic load error shall not exceed 3%. According to HB5287-1996 [43], “Fatigue Test Method of Metal Materials under Axial Loading”, the room temperature test was carried out on the lug tag. The load was a sine wave, and the vibration frequency was about 100 Hz. The maximum tensile stress of the hole profile, determined by experiments, was not less than five levels, with 4–6 lugs per level, and the expected intermittent vibration times N was between 10,000 and 1 million times. Then, the average value, standard deviation, and dispersion of vibration times were counted when N lugs of each stage were broken, and the S-N fatigue curve of the lugs was drawn.
The design of the fixture for the lug fatigue test will directly affect the success of the fatigue test. Before the test, it was necessary to select the material of the test fixture and reasonably design the structural form to ensure that the specimen was not broken and the fixture was destroyed first during the fatigue test. A sample of 30CrMnSiNi2A high-strength steel with high strength and good toughness was selected for the titanium alloy lug clamp. The pin adopts AerMet100 high strength and toughness alloy steel. The physical diagram of the lug fatigue testing machine and fixture pin assembly is shown in Figure 2.
The metallographic microscope used in this paper was an Olympus bx51m, and the samples needed to be ground, polished, and corroded before metallographic observation. The alloy’s fracture morphology and crack propagation path were observed by scanning electron microscope.
In this paper, the overall morphology of fracture was analyzed by CamScan-3400 scanning electron microscope, CamScan Company, Cambridgeshire, UK and the fatigue band of fracture was observed by Apollo 300, CamScan Company, Cambridgeshire, UK field emission scanning electron microscope. The acceleration voltage used in the former was 20 KV, and the latter was 10~15 KV. Note that when cutting the fracture to observe the sample, the fracture should be wrapped with non-adhesive plastic film, plastic tape, and medical tape to protect the fracture. In order to prevent oxidation and corrosion, the tape should dry quickly after cutting. Before scanning observation, the sample should clean by ultrasonic wave, and the water temperature should not be too high always.

2.3. Design Method of Lugs

Before researching the fatigue performance of typical aviation structural components, it was necessary to design the size and shape of the lug reasonably to ensure that the fatigue damage occurs at the hole’s critical position and that the lug’s overall stiffness can meet the test requirements. Then, the test lug was processed and produced to assess the fatigue performance of the lug. It was necessary to comprehensively consider the lug’s deformation, the pin’s life, and the lug’s failure position when designing the lug specimen. In the shape design, it was necessary to use finite element to carry out the stress and strain analysis of the lug. The commercial finite element software ABAQUS 6.12 was used in this paper. This paper investigates the stress state of the lug under fatigue load (axial load and non-axial load) using the principle of elastic mechanics and the finite element analysis method. The possible locations of fatigue failure of the lug with different geometric shapes were calculated and analyzed according to the mechanical performance parameters of lug materials, and the design criteria of geometric parameters of the lug based on fatigue damage resistance were put forward.

3. Results

3.1. Dimension and Shape Design of Lugs

3.1.1. Dimension Design of Lugs for Fatigue Tests

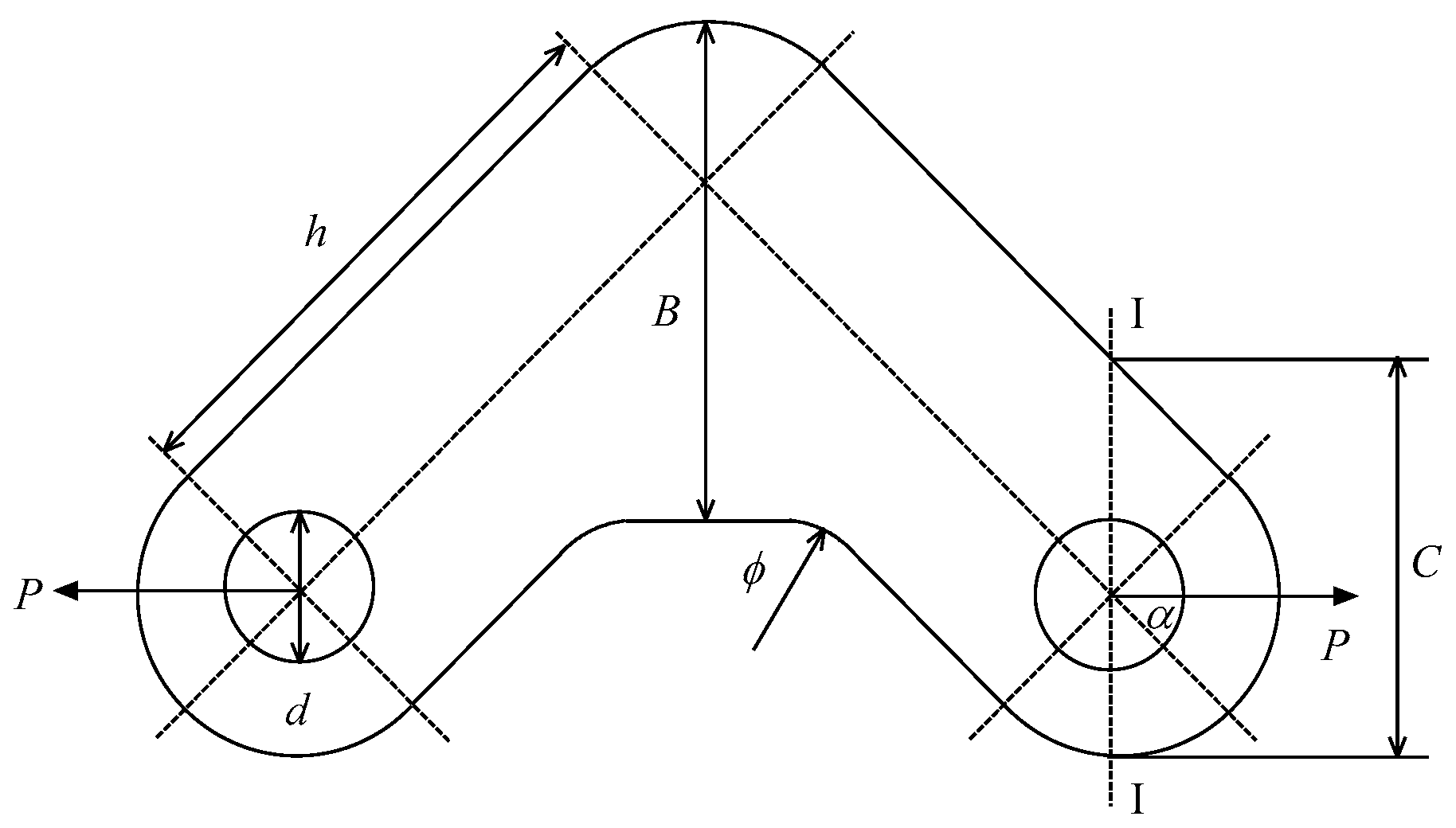
The shape parameters of the lug include thickness (t), width (b), height (H), length (h), and aperture (d). The load (P) and angle (α) should also be considered when designing the lug specimen, as shown in Figure 3.
In elasticity, an object surrounded by two parallel planes and a cylinder perpendicular to it is called a flat plate or simply a plate. These parallel faces are called plate faces, and the cylinder faces are called plate edges or sides. The thickness t of a plate was the distance between two plate surfaces, and the plane bisecting the thickness was called the middle plane of the plate. When the thickness t was much smaller than the smallest dimension bmin in the middle plane, that is, t/bmin < 1/80, it was called a film. When 1/80 < t/bmin < 1/5, it was called a thin plate. When t/bmin > 1/5, it was called a thick plate [44]. Further design should be carried out based on t/bmin > 1/5 when selecting the lug size. In order to for the lug to have enough resistance to tension and compression deformation without large lateral bending deformation, the range of the thickness (t) of the lug was as follows:
(H + h)/10 < t < H
If the length of the lug was more than ten times the thickness, it was generally considered that the lug was very thin and allowed bending deformation. On the contrary, if the lug was too thick, the stress distribution in the thickness direction would be uneven. The range of lug height h was as follows:
t < Hb/2
Generally, the lug height H should be b/2. If it is too small, the location of the fatigue fracture will change. That is, fatigue fracture will no longer occur in the I-I section. The value of the aperture d should be close to the lug height H, and at the same time, the strength requirements of the pin should meet, namely as follows:
4 P max π d 2 < σ pin d > 2 P max π σ pin
where σpin is the fatigue limit of the pin, and Pmax was the maximum value of the load P. Generally speaking, the material of the pin was different from that of the lug, so the lug hole of the lug with lower strength can be smaller than that of the lug with higher strength.
The distance between the two lug holes of the lug can be determined according to the Saint-Venant principle of elasticity, which was put forward by the French mechanic Saint-Venant in 1855 [45]. When the surface force on a small part of the boundary of an object is equivalently transformed, it will have a significant impact on the stress distribution in the local area near it. However, it has no apparent impact on the stress in most elastic areas that are far away. Thus, distant impact does not need to be taken into consideration. Among them, the surface force of equivalent transformation refers to the surface force with different distributions, but the same principal vector of static equivalence and the same principal moment at the same point. Here, proximity refers to a local area that was one or two times the transformation range of surface force.
By extending Saint-Venant’s principle, it can be known that when the surface force on a small part of the boundary of an object is a balanced force system with zero principal vector and principal moment, this surface force will significantly change the stress in the vicinity. However, it has little effect on distance. Therefore, distant stress impact can be approximately taken as the average value. For the lug component, after the load is applied at the lug’s hole, the stress concentration near the lug’s hole will be evident, while the stress in the distance will evenly distribute. The range of the distance between two lugs’ holes is as follows:
h > b + d/2
The overall length of the lug is 2 (h + H), and the size of the loading fixture should be considered when selecting the lug length.
In addition, if the loading angle α is not zero, the lug specimen should be designed as shown in Figure 4. The selection principle of dimension parameters near the lug’s hole of non-axial loading straight lug is the same as that of axial loading straight lug, so it can select according to the above principle. Only width b in the middle should be taken as follows:
BC
where C is the width of the dangerous section. In the fatigue test, due to the high loading frequency, it was required that the stiffness of the non-axial loading straight lug be large. That is, B needs to be large enough.
It is worth noting that the above parameters have nothing to do with the material of the lug except the lug’s hole. In addition, the above range is relatively narrow. According to the actual situation, the above parameters are not much different from the upper or lower limit of the given range. The load P related to the lugs’ loading scheme, which related to the material’s strength.
In order to further determine the relevant dimensional parameters of the lug, the static test was carried out. The dimensions of serialized lugs are shown in Table 3. Among them, the loading angle of non-axial loading was 30°. The corresponding stress was selected according to the lug and its stress, and the nominal breaking strength, efficiency coefficient, and conversion coefficient of various lugs were calculated. Then, the relationship between the geometric size and stress angle of the lug and the failure load, nominal fracture strength, and efficiency coefficient were analyzed.
After conducting tensile tests on lugs with different lug widths and heights, the data were processed to obtain the relationship between failure load and lug geometry size and stress angle, as shown in Figure 5.
The following conclusions can be drawn from the results shown in Figure 5: (1) Under the same lug width b, with the increase in lug height H, the failure load f of lug increases, and the relationship between F and H is approximately linear. (2) When the value of b increases, the value of F increases, and the increase in F was greater than the height of the lug because the bearing area of the lug increased. The bearing area does not increase when only increasing the height of the lugs. (3) With the increase in the loading angle, the slope of the straight line decreases obviously, which indicates that the contribution of increasing the lug height to improving the failure load decreases under the same lug width. (4) Under the same lug size, the failure load of a non-axial loaded lug was lower than that of an axial loaded lug. For example, for a straight lug with a width of 32 mm, the failure load of the lug was about 125–160 KN under axial loading; However, under non-axial load, the failure load was all below 130 KN, which was due to the increase in the dangerous cross-sectional area of the lug under non-axial load.
Combined with the above test results, the efficiency and conversion coefficients of the lug were calculated. The efficiency coefficient calculated for the axial loading lug and non-axial loading lug is as follows:
K 0 = σ u l t σ b = P u l t / ( b d ) t σ b
where K0 is the lug efficiency coefficient, σult is the ultimate tensile stress perpendicular to the lug axis, σb is the tensile strength, and Pult is the axial tensile ultimate load of the lug, which is the experimental failure load. b is the lug width, d is the aperture, and t is the lug thickness. Calculate the c value and the b/d value of lugs with different sizes as follows:
c = H d / 2 ( b d ) / 2
The formula of conversion coefficient ( K c o n ) for non-axial loaded lugs is as follows:
Kcon = Pfa/Pf0
where Kcon is the conversion coefficient of the non-axial loading lug; Pfa is the failure load of the lug under non-axial loading. Pf0 is the failure load of the lug with the exact specification under axial loading. According to Formula (6), the efficiency coefficients of lugs with different loading modes were calculated, and the calculation results are shown in Table 4. According to Formula (8), the conversion coefficient of the lug under non-axial loading was calculated, and the results are shown in Table 5.
On the whole, the relationship between lug failure load and lug size at different loading angles and the calculation results of lug efficiency coefficient and conversion coefficient show the following:
(1)
Failure load: The greater the lug width, the greater the failure load; When the load was 30°, the failure load changed little when the lug height was increased.
(2)
Efficiency coefficient: The smaller the lug width, the higher the efficiency coefficient.
(3)
Conversion coefficient: group c = 1.0. When the lug height was half the lug width (b = 2H), the conversion coefficient was the highest. This verifies the correctness of Equation (2). Therefore, the titanium alloy lug size for fatigue test under different angles was selected as b = 2H.
Combined with the lug design specification, we determine the lug size design pacification as follows: (H + h)/10 < t < H; H = b/2; hb + d/2. In the following chapters, we will examine and verify the size mentioned above design specifications of lugs to provide reference and technical support for the design of other lugs.

3.1.2. Shape Design of Lugs for Fatigue Tests

The shape design process of the lug was analyzed as follows. The elastic constants of this material showed in Table 2. A titanium alloy lug was set as an ideal elastoplastic body. The calculated stress expressed by Mises equivalent stress was defined as follows:
σ ¯ = ( σ x σ y ) 2 + ( σ y σ z ) 2 + ( σ z σ x ) 2 + 6 ( τ x y 2 + τ y z 2 + τ z x 2 )   /   2
where σx, σy, σz were nominal stresses, and τxy, τyz, τzx were shear stresses. Mises yield criterion was as follows: when the equivalent stress at a point reaches a fixed value, the point will enter a plastic state under certain deformation conditions. The contact stress between the pin and the lug is usually written as p = P/Dt or p = P0cosα, where D is the lug hole diameter, t is the lug thickness, and −π/2 < α < π/2 is the included angle between the contact stress and the loading direction P0, as shown in Figure 3. P0 was defined as follows:
P0 = 4P/πDt
Gencoz et al. put forward a more reasonable analytical formula for contact stress distribution of lugs [23], as follows:
p = P 0 ( cos α 2 5 cos 3 α + 5 168 cos 5 α + )
Two types of contact stress distribution, p = P0cosα, and Formula (11), are shown in Figure 6a,b, respectively. The loading direction in the figure was parallel to the x-axis direction. In this paper, we were concerned about the stress distribution at the dangerous section, which was unrelated to contact stress. The formula p = P0cosα can meet the requirements of calculation accuracy in this paper.
This paper analyzes the stress and shape design of the widely used axially loaded and 30° non-axially loaded lugs. Other loading angle analysis methods were identical. When axially loaded, the lug will break at the lug’s hole. However, when the load is non-axial, the lug may be broken at places outside the lug hole where the stress is concentrated. When the lug is loaded axially, the finite element method analyzes the static stress to obtain the fracture’s location at the lug’s hole. Under non-axial loading, the geometric shape of the lug is designed based on two different configurations to ensure an effective follow-up fatigue test.
In this paper, the geometric shapes of lugs with different loading modes were designed, and the rationality of the designed lugs was verified by elastic-plastic mechanical analysis. Because the model is symmetric, only half of the model needs to be analyzed, and the boundary conditions only need to be imposed on the symmetric surface. In order to avoid rigid body movements, the displacements on the directions perpendicular to the symmetric direction are also constrained. Firstly, the axially loaded lugs were analyzed. Let the mean tensile stress σm of the I-I section be 590 MPa. The finite element mesh division and Mises equivalent stress are shown in Figure 7a, and the corresponding equivalent plastic strain is shown in Figure 7b. As can be seen from the results shown in Figure 7, the maximum Mises stress was located slightly outside the I-I section of the lug’s hole. The simulation results were consistent with the requirements of the lug for the fracture position. Further simulation results show that when the mean stress σm of the I-I section was 430 MPa, the lug produced a minimal plastic strain. Below this value, plastic deformation will not occur.
The design should consider problems such as lug stiffness and stress concentration for non-axially loaded lugs. To solve these problems, we designed two configurations. The dimensional diagram of configuration (I) is shown in Figure 8a, and the corresponding finite element model is shown in Figure 8b.
In this configuration, first, it was necessary to verify the broken position of the lug; the stiffness of the lug should also be considered. Because of the symmetry of the lug, here we selected half of the lug for analysis. The stress distribution and displacement change of the lug were obtained through finite element calculation, and the specific simulation results are shown in Figure 9. Here, the load P of the non-axial loading lug was the same as that of the axial loading lug (Figure 7), and the linear elastic method was adopted.
It can be seen from Figure 9a that the maximum stress at the lug’s hole edge was close to 1156 MPa under the applied load, and the maximum stress at the corner of the specimen was about 775 MPa. From the point of view of stress analysis, this configuration can effectively carry out the fatigue test of the lug. However, it was found in the calculation that the whole deformation of the lug was relatively large. That is, the stiffness of the lug was not large enough, as shown in Figure 9b. In order to ensure that the high cycle fatigue test can successfully carry out on the high frequency fatigue machine, it was necessary to further improve the stiffness of the lug structure. Based on the stiffness problem of the lug, we designed the second configuration. The dimension schematic diagram showed in Figure 10a, and the corresponding finite element model showed in Figure 10b. In configuration (II), we widen the bend. The results of finite element calculation are shown in Figure 11. Figure 11a shows the stress distribution, and Figure 11b shows the displacement of the lug in the x direction.
As can be seen from Figure 11a, under the applied load, the maximum stress at the lug’s hole edge was close to 1156 MPa, and the maximum stress at the corner of the specimen was only about 294 MPa. From the point of view of stress analysis, the lug of this configuration will break at the lug’s hole position. At the same time, it can be seen from Figure 11b that the overall deformation of the lug was much smaller than that of configuration I, and the stiffness of the lug was greatly improved. In addition to the stiffness of the lug, the stress concentration should also consider in the configuration (II). Adding an arc transition at the corner of the lug root can reduce the stress concentration. Otherwise, it is likely to break at the lug root. The finite element calculation results before and after adding the arc transition are shown in Figure 12.
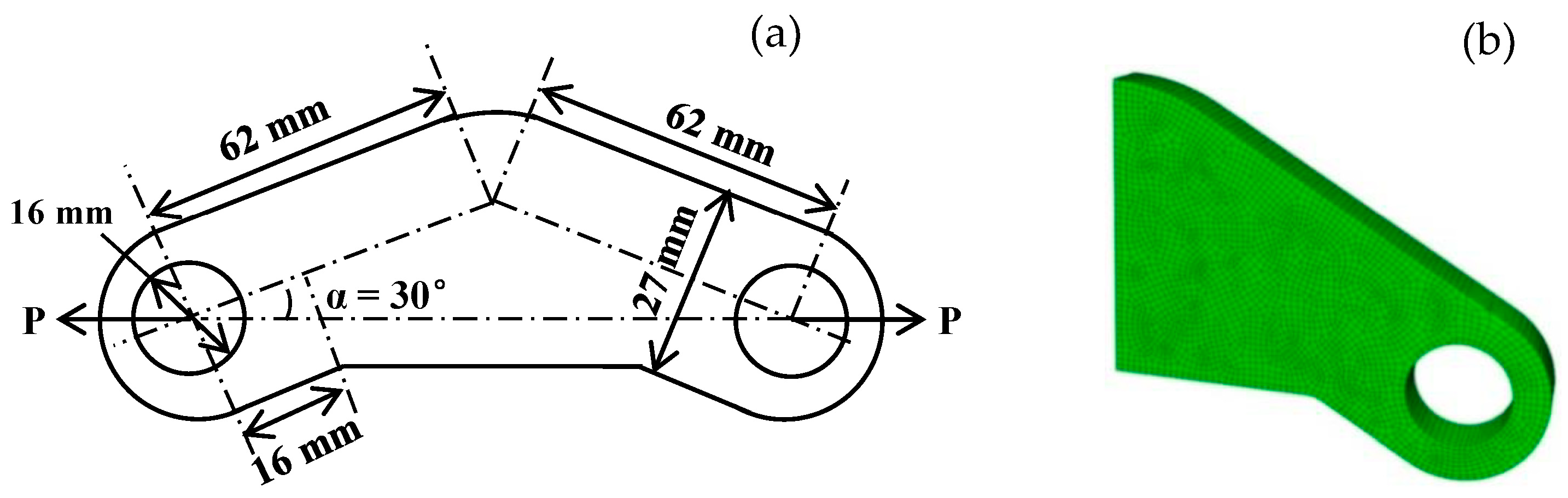
As shown in Figure 12, when there was no arc transition, the stress at the root of the lug reached 1156 MPa, and the lug was likely to break here. When the arc transition was added, the stress at the root of the lug was reduced to 775 MPa, much lower than that at the lug’s hole, which can effectively solve the stress concentration problem in the second configuration. Considering the fracture position, stiffness, stress concentration, and other lug issues, the configuration (II) lug type was preferred for high-cycle fatigue tests. Combined with the results of lug size and shape design, the geometric shape of the lug under axial loading and non-axial loading is shown in Figure 13.
The size and structure of lugs with different loading modes were designed through theoretical analysis, static test, and finite element analysis. In order to ensure the fatigue fracture of the lug at the lug hole, and at the same time, ensure the overall deformation of the sample is small and the stiffness is sufficient, the shape and size of the lug should meet the following conditions: (H + h)/10 < t < H, t < Hb/2, hb + d/2. Increasing the lug’s width was helpful to improve the failure load on the axial loading but had little effect on the non-axial loading lug. Considering the efficiency coefficient and conversion coefficient comprehensively, it was best to take the lug height as half of the lug width, that is, H = b/2. The design of non-axial loading lugs also needed to be satisfied. That is, the middle part of the lug needs to be widened, and the corner needs to be treated with arc transition.

3.2. Verification of the Lug’s Design Rationality

In this part, the design rationality of the lug under axial loading was checked and verified. The design rationality of the lug under non-axial loading was also verified. Through verification, the fracture position and deformation of the lug were tested to ensure the validity of the high-cycle fatigue test results to achieve the purpose of examining the lug. On this basis, we further studied the fatigue behavior of the lug designed based on the anti-fatigue damage design principle. The effects of mean stress and different loading forms on the fatigue behavior of the lug were studied. Literature qualitatively analyzes the influence of stress ratio or mean stress on the fatigue life of materials or components from the perspective of stress amplitude [43,44,45]. Based on the qualitative analysis of stress amplitude, this paper quantitatively analyzed the reasons for the difference in fatigue life of lugs caused by different stress ratios or mean stresses from the perspective of lug deformation. In addition, the fatigue fracture surfaces were observed by scanning electron microscope, and the fatigue failure characteristics, such as the initiation, propagation, and instantaneous fracture of fatigue cracks, were studied.
The stress state at the dangerous section of the lug can also be analyzed. For example, the tensile or compressive stress at the lug’s dangerous section differed under different load conditions or reinforcement methods. Then, the fatigue performance of the lug can be evaluated. This paper mainly studies the fatigue behavior and mechanism of lugs under a specific load condition or strengthening mode. The follow-up study will further explore optimizing the fatigue performance evaluation methods of lugs under different loading conditions or strengthening methods by analyzing the differences in stress states at dangerous sections.
According to the geometric parameter design criteria proposed above, the relevant dimensional parameters were designed for TC18 titanium alloy lugs, and the design rationality was verified. The geometric parameters of axial and non-axial loading lugs were as follows: aperture d = 16 mm, lug height H = 13.5 mm, lug width b = 27 mm, and lug thickness t = 8 mm. See Figure 13 for the schematic diagram of specific dimensions and shapes. According to the fatigue test steps in HB5287-1996, “Fatigue Test Method for Metal Materials under Axial Loading”, the stress levels of the lug for the fatigue test were determined. See Table 6 for specific high-cycle fatigue test conditions.
Based on the results of finite element simulation and the high cycle fatigue test, the structural design of the TC18 titanium alloy lug was examined and verified. From the finite element results, it was obtained that the possible location of fatigue fracture of the lug was at the lug hole—the fracture morphology of the lug after the high cycle fatigue test was analyzed below. Typical photos of the broken lug under different loading conditions (axial and non-axial loading) are shown in Figure 14.
As shown in Figure 14, regardless of whether the lug loading condition was axial or non-axial, all lugs were broken at the lug’s hole position. Further observation shows that the lug usually breaks at the lug’s hole position perpendicular to the loading direction under different test conditions. When the lug bears the axial load, the fracture position was near the I-I cross-section of the lug, and the test results were consistent with the fracture position simulated by the finite element method mentioned above. After the high-cycle fatigue test, it was known that all the lugs can vibrate normally, which meets the requirements of lug stiffness. At the same time, the fatigue fracture position of the lugs was at the lugs’ hole, which achieves the purpose of examining the lug and proves that the structural design of the lug was reasonable and adequate.

3.3. Fatigue Life Analysis of Lugs

The fatigue behavior of the TC18 titanium alloy lug under specific loading conditions was analyzed below. This paper mainly analyzes the influence of different loading modes or mean stresses on the fatigue life of the lug.

3.3.1. Fatigue Life Analysis of Lugs under Different Loading Modes

The fatigue life S-N curve of the TC18 titanium alloy lug was obtained by high cycle fatigue test under different loading conditions. The fatigue test results of groups 1 and 2 in Table 6 are shown in Figure 15a, and the test results of groups 3 and 4 are shown in Figure 15b. Among them, solid points ▲ and ● were the median life, and hollow points were the measured life. Next, we analyze the influence of different loading methods on the fatigue life of the lug.
It can be seen from Figure 15 that the fatigue life of the lug under axial loading was longer than that under non-axial loading under the same maximum stress, regardless of the mean stress (378 MPa, 270 MPa). This was due to the different degrees of stress concentration between them. The greater the maximum stress, the greater the influence of the loading angle; with the decrease in maximum stress, the influence gap of different loading angles on the life of the lug decreases. In addition, the results of the S-N curve show that the TC18 titanium alloy lug has a fatigue limit. When the mean stress was high (378 MPa), the fatigue limit of the lug under different loading modes was about 400~420 MPa; when the mean stress was low (270 MPa), the fatigue limit of the lug under different loading modes was about 300 MPa. According to the comparison results of the S-N curves of lugs in Figure 15, the fatigue life of lugs under non-axial loading was shorter than that under axial loading. This was caused by the different stress concentrations of the lug corresponding to different loading methods. Next, we take the first and second groups of samples in Table 6 as examples and use the finite element method to calculate the stress concentration factors of the lug under two loading conditions. The stress concentration factor Kt was defined as follows:
Kt = σmax/σm
where σm is the nominal stress at the danger point, and σmax is the maximum stress on the section. In the first and second groups, the nominal stress was 378 MPa. The maximum stress σmax on the lug section under different loading angles can be calculated. Then, the stress concentration coefficient of the lug can be calculated. First, the stress concentration factor of the axially loaded lug was calculated. The finite element model and calculation results under this condition are shown in Figure 16.
As shown in Figure 16b, when a mean stress of 378 MPa was applied, the maximum stress in the x direction on the x = 0 cross section was calculated by the finite element method to be 687 MPa. The calculation shows that the stress concentration factor of the lug was 1.82. Next, the stress concentration factor of the non-axially loaded lug was calculated, and its finite element model and calculation results are shown in Figure 17.
As shown in Figure 17b, when a mean stress of 378 MPa was applied, the maximum stress in the x direction on the x = 0 cross section was calculated by the finite element method to be 1156 MPa. The calculation shows that the stress concentration factor of the lug was 3.06. Compared with the finite element calculation results, it can be seen that the stress concentration coefficient of the lug under axial loading was only 60% of that under non-axial loading. Therefore, the fatigue performance of the lug under axial loading was better than that under non-axial loading. The same conclusion can be obtained by calculating the third and fourth groups. Different loading angles will lead to different stress concentration factors of the lug, which will further affect the high-cycle fatigue life of the lug. The smaller the stress concentration coefficient, the longer the fatigue life of the lug.

3.3.2. Fatigue Life Analysis of Lugs under Different Mean Stresses

When the lug was subjected to axial or non-axial load, the fatigue life S-N curve of the lug under different mean stresses was shown in Figure 18. The fatigue test results of Groups 1 and 3 in Table 6 are shown in Figure 18a, and the test results of Groups 2 and 4 are shown in Figure 18b. Among them, the solid points ▲ and ● are the median life, and the hollow points are the measured life. Next, we analyze the influence of different mean stresses on the fatigue life of the lug.
It can be seen from Figure 18 that the fatigue life of the lug under high mean stress (378 MPa) was longer than that under low mean stress (270 MPa) under the same maximum stress condition, regardless of the axial or non-axial load. It was known from the literature [46,47,48] that under the same maximum load condition, the amplitude of the low mean stress lug was more significant than that of the high mean stress lug, so its fatigue life was shorter than that of the latter. In this study, taking the first and third groups as examples, we calculated the stress and strain at the dangerous section of the lug under dynamic load by using the elastic-plastic theory. Further, we explained the mean stress effect by combining the fatigue test results.
The plastic deformation at the lug’s dangerous section has been introduced using finite element static analysis. From the simulation results, it can be seen that when the maximum stress of the section is higher than 430 MPa, plastic deformation will occur at the lug hole, and the plastic deformation area will increase with the increase in stress. The elastic-plastic dynamic process of the lug was analyzed below, and its grid division was consistent with Figure 7a. Taking three different test conditions in the first and third groups in Table 6 as examples, different maximum tensile stresses were applied on the I-I cross-section of the lug. The strain-time and stress-time curves at points A, B, and C on the lug cross-section were obtained through calculation, and the corresponding results are shown in Figure 19.
The high cycle fatigue cracks of lug components generally originate from the inner surface of the lug hole, so the stress and strain at danger point A of the inner surface were calculated emphatically below. Using the same calculation method as in Figure 19, the maximum stress, mean stress, and plastic strain at the danger point A of the lug under six different stress levels in Group 1 and Group 3 were calculated successively, and the calculation results are shown in Table 7. By comparing Figure 19a–d, it can be seen that the stress and strain at points A, B, and C all increase with the maximum stress, but the growth rate at point B was faster than at other points. As shown in Figure 19e, the stable stress at point B was higher than at point A under the given test conditions. In addition, we need to pay attention to the fact that the stress propagates at high speed in the form of waves and quickly becomes stable, so there will be irregular fluctuations in the initial part of the strain-time and stress-time curve in Figure 19a–e, and then it will quickly enter the stable fluctuation stage. The initial fluctuation stage is shown in Figure 19f.
The high cycle fatigue cracks of lug components generally originate from the inner surface of the lug hole, so the stress and strain at the danger point A of the inner surface were calculated emphatically below. Using the same calculation method as in Figure 19, the maximum stress, mean stress and plastic strain at the danger point A of the lug under six different stress levels in Group 1 and Group 3 were calculated successively, and the calculation results are shown in Table 7.
As seen from Table 7, the maximum stress at danger point A of the two groups of lugs decreases gradually from the first stress level to the sixth stress level. The maximum stress and mean stress at point A in the first group were lower than those in the third group (except the first stress level). At the same time, it can be seen that the plastic strain at danger point A in the first group was much higher than that in the third group at all stress levels. We select two groups of lugs with the same maximum and different mean stress for comparison and further analyze the influence of mean stress on the fatigue life of lugs. The selected lugs corresponded to the first group of stress level 4 and the third group of stress level 1. The corresponding maximum stress was 430 MPa, and the mean was 378 MPa and 270 MPa, respectively. The finite element dynamic stress and strain calculation results of the I-I cross-section of the lug and danger point A under these two conditions were compared, and the comparison results were shown in Table 8.
From Table 8, we can see that under the same maximum stress on the I-I section, the greater the mean stress on the lug section, the greater the plastic deformation at the danger point A on the inner surface of the lug hole, and the smaller the maximum stress and mean stress. The plastic strain at danger point A on the I-I section of the middle lug in the first group was more than twice as large as that in the third group. This was because extensive plastic deformation can release more internal stress in the lug deformation area, which makes the maximum stress and mean stress here smaller when loading. Hence, the fatigue life of the lug in the first group was better than that in the third group.

3.4. Fatigue Failure Characteristics of the Lug

Next, we use a scanning electron microscope to observe the typical fracture of the lug after the fatigue test and analyze the fatigue characteristics of the lug. Fracture observation mainly includes overall fracture morphology, crack initiation, propagation, and final fracture zone. The fracture morphology characteristics at different positions were introduced one by one. First, the overall morphology of the lug after the fatigue test was observed, and we selected a typical fracture, as shown in Figure 20.
As can be seen from Figure 20, the fracture surface was mainly composed of two parts: crack propagation area and immediate fracture area. The fracture surface was relatively flat, and no obvious plastic deformation can be seen in the expansion zone. Under different loads, the area ratio of the crack propagation zone and instantaneous fracture zone will change accordingly. The greater the loading load, the smaller the area ratio of the two areas. This was because the more significant the load, the larger the area needed to bear the added load. The origin position of the fatigue crack in the lug under this condition was below the fracture surface. The typical crack origin mode of the TC18 titanium alloy lug is shown in Figure 21.
As can be seen from Figure 21, the crack origins of the TC18 titanium alloy lug were different from aluminum alloy after cold expansion [49]. Figure 21a was due to the extrusion ridge formed on the surface of the lug under the action of cyclic load, and the fatigue crack then propagates from here to the inside; Figure 21b shows the existence of inclusions, which makes the crack start from here. The figure shows a cavity corresponding to the inclusion, about 12.4 μm in length and 10.8 μm in height. Due to the mismatch between the thermal expansion coefficient and elastic modulus of inclusions and TC18 titanium alloy matrix, the local stress concentration at the interface between them was large, which induced cracks to originate from here and spread inward. Figure 21c shows the crack initiation caused by the surface defect of the lug; Figure 21d shows that a crack originates at a relatively large plane defect rather than a point defect on the secondary surface of the material and thus propagates inward. A typical photo of the crack propagation area of the TC18 titanium alloy lug is shown in Figure 22.
It can be seen from Figure 22 that when the mean stress level was the same and the maximum stress level was different, fatigue cracks could be observed in the extended area. Furthermore, when the maximum stress was greater, the amplitude of the corresponding lug was greater, and the stress intensity factor at the crack tip was greater, which made the fatigue crack expand faster. There was a corresponding relationship between the fatigue crack growth rate and the fatigue strip spacing and the fatigue strip spacing changes on the fracture surface. From the observation results in Figure 22a–c, it can be seen that the fatigue crack width changes from 2.0 μm to 1.5 μm and 1.3 μm with the decrease in maximum stress. With the maximum stress decrease, the fatigue strip spacing gradually narrows. A typical photo of the TC18 titanium alloy lug snap-off area is shown in Figure 23. It can be seen from Figure 23 that there were many dimples in the final fracture zone, which was a typical ductile fracture mode.

4. Conclusions

(1)
The design criteria of geometric lug parameters based on fatigue damage resistance were put forward. The specific criteria were (H + h)/10 < t < H, H = b/2, hb + d/2; the dimension of the middle part of non-axial loading lug B was not less than the dimension of the dangerous section of lug C, and the corner needs smooth transition.
(2)
The structural design and fatigue test verification were conducted. The fatigue fracture of the lug occured in the lug’s hole diameter. It was almost perpendicular to the direction of load loading, which was consistent with the finite element simulation results.
(3)
The fatigue behavior and fracture characteristics were revealed. The lugs’ stress concentration differed under different loading modes. The fatigue life of axially loaded lugs was better than that of non-axially loaded lugs at the same maximum stress. The lugs’ plastic deformation degree differed under different mean stresses. The lugs were loaded under high mean stress, and their fatigue life was better than that of the lugs with low mean stress.
(4)
The fatigue failure characteristics of the TC18 titanium alloy lugs were obtained. The fatigue cracks of the lugs initiate from the inner diameter hole edge of the lugs. The lugs made of TC18 titanium alloy usually had multiple fatigue crack sources. Prominent fatigue bands and typical dimple morphology can be observed in the expansion and instantaneous fracture zones.

Author Contributions

Conceptualization, C.L. and C.M.; methodology, C.L., B.L. and C.M.; validation, C.L.; investigation, C.L.; resources, C.M.; data curation, C.L.; writing—original draft preparation, C.L.; writing—review and editing, B.L.; visualization, B.L.; supervision, C.M.; project administration, C.M.; funding acquisition, B.L. and C.M. All authors have read and agreed to the published version of the manuscript.

Funding

The authors would like to thank for the funding from the National Natural Science Foundation of China (grant number 12002018, 11972004, 11772031, 11402015).

Data Availability Statement

The data presented in this study are available on request from the corresponding author.

Conflicts of Interest

The authors declare no conflict of interest.

References

  1. Lukáš, P.; Klesnil, M.; Polak, J. High cycle fatigue life of metals. Mater. Sci. Eng. 1974, 15, 239–245. [Google Scholar] [CrossRef]
  2. Peyre, P.; Fabbro, R.; Merrien, P.; Lieurade, H.P. Laser shock processing of aluminium alloys. Application to high cycle fatigue behaviour. Mater. Sci. Eng. A 1996, 210, 102–113. [Google Scholar] [CrossRef]
  3. Cowles, B.A. High cycle fatigue in aircraft gas turbines-an industry perspective. Int. J. Fract. 1989, 80, 147–163. [Google Scholar] [CrossRef]
  4. Mughrabi, H.; Wang, R.; Differt, K.; Essmann, U. Fatigue crack initiation by cyclic slip irreversibilities in high-cycle fatigue. ASTM Int. 1982, 5–45. [Google Scholar] [CrossRef]
  5. Wang, Q.Y.; Berard, J.Y.; Rathery, S.; Bathias, C. Technical note High-cycle fatigue crack initiation and propagation behaviour of high-strength sprin steel wires. Fatigue Fract. Eng. Mater. Struct. 1999, 22, 673–677. [Google Scholar] [CrossRef]
  6. Chung, C.S.; Kim, J.K.; Kim, H.K.; Kim, W.J. Improvement of high-cycle fatigue life in a 6061 Al alloy produced by equal channel angular pressing. Mater. Sci. Eng. A 2002, 337, 39–44. [Google Scholar] [CrossRef]
  7. Zhou, Z.Y.; Xu, W.; Lu, G.; Liu, T.X. Tensile Strength and Failure Mechanism of 300M Steel Lugs. Mach. Des. Res. 2022, 5, 225–231. [Google Scholar]
  8. Azevedo CR, F.; Hippert, E., Jr.; Spera, G.; Gerardi, P. Aircraft landning gear failure: Fracture of the outer cylinder lug. Eng. Fail. Anal. 2002, 9, 1–15. [Google Scholar] [CrossRef]
  9. Boljanović, S.; Maksimović, S. Fatigue crack growth modeling of attachment lugs. Int. J. Fatigue 2014, 58, 66–74. [Google Scholar] [CrossRef]
  10. Suresh, S. Fatigue of Materials; Wang, Z.G., Translator; National Defense Industry Press: Beijing, China, 1993. [Google Scholar]
  11. Zhang, S.X. Strength analysis of lug under arbitrary angle load. Mech. Des. 1992, 1, 22–25. [Google Scholar]
  12. Zhou, L.J.; Sui, F.C. Study of Lug Strength under axial tension loads. Aircr. Des. 2005, 3, 30–32. [Google Scholar]
  13. Dement’ev, A.D. Behavior of a lug with through and non-through cracks under the action of an arbitrary load. Russ. Eng. Res. 2010, 30, 1085–1089. [Google Scholar] [CrossRef]
  14. Wang, G.S. Weight functions and stress intensity factors for the single crack round-ended straight lug. Int. J. Fract. 1992, 56, 233–255. [Google Scholar] [CrossRef]
  15. Nicoletto, G. Experimental characterization of cracks at straight attachment lugs. Eng. Fract. Mech. 1985, 22, 829–838. [Google Scholar] [CrossRef]
  16. Vogwell, J.; Minguez, J.M. Failure in lug joints and plates with holes. Eng. Fail. Anal. 1995, 2, 129–135. [Google Scholar] [CrossRef]
  17. Rigby, R.; Aliabadi, M.H. Stress intensity factors for cracks at attachment lugs. Eng. Fail. Anal. 1997, 4, 133–146. [Google Scholar] [CrossRef]
  18. Zhang, B.; Tao, C.; Liu, C. Cracking analysis on joint lug of aluminum alloy framework of an airplane. Eng. Fail. Anal. 2013, 35, 82–87. [Google Scholar] [CrossRef]
  19. Narayana, K.B.; Dayananda, T.S.; Dattaguru, B.; Ramamurthy, T.S.; Vijayakumar, K. Cracks emanating from pin-loaded lugs. Eng. Fract. Mech. 1994, 47, 29–38. [Google Scholar] [CrossRef]
  20. Mikheevskiy, S.; Glinka, G.; Algera, D. Analysis of fatigue crack growth in an attachment lug based on the weight function technique and the UniGrow fatigue crack growth model. Int. J. Fatigue 2012, 42, 88–94. [Google Scholar] [CrossRef]
  21. Noroozi, A.H.; Glinka, G.; Lambert, S. A study of the stress ratio effects on fatigue crack growth using the unified two-parameters fatigue crack growth driving force. Int. J. Fatigue 2007, 29, 1616–1634. [Google Scholar] [CrossRef]
  22. Kim, J.H.; Lee, S.B.; Hong, S.G. Fatigue crack growth behavior of Al7050-T7451 attachment lugs under flight spectrum variation. Theor. Appl. Fract. Mech. 2003, 40, 135–144. [Google Scholar] [CrossRef]
  23. Gencoz, O.; Goranson, U.G.; Merrill, R.R. Application of finite element analysis techniques for predicting crack propagation in lugs. Int. J. Fatigue 1980, 2, 121–129. [Google Scholar] [CrossRef]
  24. Kumar, K.S.; Dattaguru, B.; Ramamurthy, T.S. Analysis of a cracked lug loaded by an interference fit pin. Int. J. Mech. Sci. 1996, 38, 967–979. [Google Scholar] [CrossRef]
  25. Schijve, J.; Skorupa, M.; Skorupa, A. Fatigue crack growth in the aluminium alloy D16 under constant and variable amplitude loading. Int. J. Fatigue 2004, 26, 1–15. [Google Scholar] [CrossRef]
  26. Suraratchai, M.; Limido, J.; Mabru, C.; Chieragatti, R. Modelling the influence of machined surface roughness on the fatigue life of aluminium alloy. Int. J. Fatigue 2008, 30, 2119–2126. [Google Scholar] [CrossRef]
  27. Antoni, N.; Gaisne, F. Analytical modelling for static stress analysis of pin-loaded lugs with bush fitting. Appl. Math. Model. 2011, 35, 1–21. [Google Scholar] [CrossRef]
  28. Liu, S.B.; Tan, C.L. Boundary element contact mechanics analysis of pin-loaded lugs. Comput. Struct. 1994, 53, 653–665. [Google Scholar] [CrossRef]
  29. Grant, R.J.; Flipo BC, D. Parametric study of the elastic stress distribution in pin-loaded lugs modelled in two and three dimensions and loaded in tension. J. Strain Anal. Eng. Des. 2009, 44, 473–489. [Google Scholar] [CrossRef]
  30. Xi, N.S.; Xie, M.L.; Zhang, Z.L.; Tao, C.H. Fatigue life scatter of aluminium alloy helicopter lugs. Eng. Fail. Anal. 2000, 7, 239–247. [Google Scholar] [CrossRef]
  31. Çelik, M.; Altunel, F. The fatigue life estimation of a product having elasto-plastic behavior. Eng. Fail. Anal. 2012, 26, 100–107. [Google Scholar] [CrossRef]
  32. Solanki, K.; Daniewicz, S.R.; Newman, J.C. Finite element analysis of plasticity-induced fatigue crack closure: An overview. Eng. Fract. Mech. 2004, 71, 149–171. [Google Scholar] [CrossRef]
  33. Park, H.B.; Kim, K.M.; Lee, B.W. Plastic zone size in fatigue cracking. Int. J. Press. Vessel. Pip. 1996, 68, 279–285. [Google Scholar] [CrossRef]
  34. Chen, C.S.; Wawrzynek, P.A.; Ingraffea, A.R. Prediction of residual strength and curvilinear crack growth in aircraft fuselages. AIAA J. 2002, 40, 1644–1652. [Google Scholar] [CrossRef]
  35. Cao, C.X. Application of titanium alloy on large transporter. Rare Met. Lett. 2006, 25, 17. [Google Scholar]
  36. Wu, G.Q.; Shi, C.L.; Sha, W.; Sha, A.X.; Jiang, H.R. Microstructure and high cycle fatigue fracture surface of a Ti-5Al-5Mo-5V-1Cr-1Fe titanium alloy. Mater. Sci. Eng. A 2013, 575, 111–118. [Google Scholar] [CrossRef]
  37. Sun, S.; Lv, W. Microstructure and Mechanical Properties of TC18 Titanium Alloy. Rare Met. Mater. Eng. 2016, 45, 1138–1141. [Google Scholar]
  38. Shi, C.; Wu, G.; Sha, A.; Jiang, H. Effect of microstructures on fatigue property of TC18 titanium alloy with equal strength. Procedia Eng. 2012, 27, 1209–1215. [Google Scholar] [CrossRef][Green Version]
  39. Sun, S.; Wang, L.; Qin, J.; Chen, Y.; Lu, W.; Zhang, D. Microstructural characteristics and mechanical properties of in situ synthesized (TiB+TiC)/TC18 composites. Mater. Sci. Eng. A 2011, 530, 602–606. [Google Scholar] [CrossRef]
  40. Liu, C.Y.; Li, H.X.; Ma, C.L. Fracture morphology and fatigue properties of TC18 titanium alloy lugs. Natl. Symp. Titan. Titan. Alloys. 2010, 20, 1050–1054. [Google Scholar]
  41. GJB 3763A-2004; Heat Treatment for Titanium and Titanium Alloys. Commission of Science, Technology and Industry for National Defense of the People’s Republic of China: Beijing, China, 2004.
  42. HB/Z 61-1998; Penetration Inspection. Aviation Industry Corporation of China, Ltd.: Beijing, China, 1998.
  43. HB5287-1996; Test Method for Axial Fatigue of Metallic Materials. Aviation Industry Corporation of China, Ltd.: Beijing, China, 1996.
  44. Xu, Z.L. Mechanics of Elasticity, 4th ed.; Higher Education Press: Beijing, China, 2006; pp. 23–25. [Google Scholar]
  45. Schijve, J. Fatigue of Structures and Materials; Springer Science & Business Media: Dordrecht, The Netherlands, 2008; pp. 105–153. [Google Scholar]
  46. Walker, P.B. Fatigue of aircraft structures. Aeronaut. J. 1966, 53, 763–796. [Google Scholar] [CrossRef]
  47. Forrest, P.G. Fatigue of Metals; Pergamon Press: Oxford, UK, 1962. [Google Scholar]
  48. Zhang, D.; Zhong, P.D.; Tao, C.H.; Lei, Z.S. Failure Analysis; National Defense Industry Press: Beijing, China, 2004. [Google Scholar]
  49. Wen, S.Z.; Liu, C.Y.; Wu, R.L.; Ma, C.L. Effect of Cold Expansion on High Cycle Fatigue of 7A85 Aluminum Alloy Straight Lugs. Rare Met. Mater. Eng. 2015, 44, 2358–2362. [Google Scholar] [CrossRef]
Figure 1. The forging stock’s plane and end appearance photos of (a,b); Metallographic microstructure of TC18 titanium alloy’s parallel and vertical forging surface of (c,d) and SEM (e,f).
Figure 1. The forging stock’s plane and end appearance photos of (a,b); Metallographic microstructure of TC18 titanium alloy’s parallel and vertical forging surface of (c,d) and SEM (e,f).
Crystals 13 01320 g001
Figure 2. (a) QBG-100 high frequency fatigue testing machine; (b) Assembly drawing of fixture pin.
Figure 2. (a) QBG-100 high frequency fatigue testing machine; (b) Assembly drawing of fixture pin.
Crystals 13 01320 g002
Figure 3. Schematic diagram of lug shape and loading angle.
Figure 3. Schematic diagram of lug shape and loading angle.
Crystals 13 01320 g003
Figure 4. Diagonally loaded straight lug shape and loading schematic diagram.
Figure 4. Diagonally loaded straight lug shape and loading schematic diagram.
Crystals 13 01320 g004
Figure 5. Relationship between lugs failure load and sizes: (a) axial load; (b) non-axial load.
Figure 5. Relationship between lugs failure load and sizes: (a) axial load; (b) non-axial load.
Crystals 13 01320 g005
Figure 6. Two types of contact stress distribution: (a) p = P0cosα; (b) Formula (11).
Figure 6. Two types of contact stress distribution: (a) p = P0cosα; (b) Formula (11).
Crystals 13 01320 g006
Figure 7. Elastoplastic analysis, the cross-section stress 590 MPa: (a) Mises equivalent stress; (b) equivalent plastic strain.
Figure 7. Elastoplastic analysis, the cross-section stress 590 MPa: (a) Mises equivalent stress; (b) equivalent plastic strain.
Crystals 13 01320 g007
Figure 8. Lug configuration (I): (a) dimension schematic diagram; (b) finite element model.
Figure 8. Lug configuration (I): (a) dimension schematic diagram; (b) finite element model.
Crystals 13 01320 g008
Figure 9. Finite element calculation results of configuration (I): (a) Von Mises stress of lug; (b) the lug displaced in the x direction.
Figure 9. Finite element calculation results of configuration (I): (a) Von Mises stress of lug; (b) the lug displaced in the x direction.
Crystals 13 01320 g009
Figure 10. Lug configuration (II), widening at the bend: (a) dimension schematic diagram; (b) finite element model.
Figure 10. Lug configuration (II), widening at the bend: (a) dimension schematic diagram; (b) finite element model.
Crystals 13 01320 g010
Figure 11. Finite element calculation results of configuration (II): (a) Von Mises stress of lug; (b) the lug displaced in the x direction.
Figure 11. Finite element calculation results of configuration (II): (a) Von Mises stress of lug; (b) the lug displaced in the x direction.
Crystals 13 01320 g011
Figure 12. Von Mises stress of the lug: (a) no arc transition at the root of the lug; (b) with an arc transition at the root of the lug.
Figure 12. Von Mises stress of the lug: (a) no arc transition at the root of the lug; (b) with an arc transition at the root of the lug.
Crystals 13 01320 g012
Figure 13. Schematic diagram of the size and shape of lugs: (a) axial load; (b) non-axial load.
Figure 13. Schematic diagram of the size and shape of lugs: (a) axial load; (b) non-axial load.
Crystals 13 01320 g013
Figure 14. Fracture positions of lugs with different loading angles: (a) axial load; (b) non-axial load.
Figure 14. Fracture positions of lugs with different loading angles: (a) axial load; (b) non-axial load.
Crystals 13 01320 g014
Figure 15. S-N curves of lugs under different loading conditions: (a) σm = 378 MPa; (b) σm = 270 MPa.
Figure 15. S-N curves of lugs under different loading conditions: (a) σm = 378 MPa; (b) σm = 270 MPa.
Crystals 13 01320 g015
Figure 16. Finite element analysis of axial load lug: (a) finite element model; (b) calculation result.
Figure 16. Finite element analysis of axial load lug: (a) finite element model; (b) calculation result.
Crystals 13 01320 g016
Figure 17. Finite element analysis of non-axial load lug: (a) finite element model; (b) calculation result.
Figure 17. Finite element analysis of non-axial load lug: (a) finite element model; (b) calculation result.
Crystals 13 01320 g017
Figure 18. S-N curves of lugs under different loading conditions: (a) axial load; (b) non-axial load.
Figure 18. S-N curves of lugs under different loading conditions: (a) axial load; (b) non-axial load.
Crystals 13 01320 g018
Figure 19. Strain-time and stress-time curves at points A, B, and C on the I-I section. σmax= 300 MPa, σm = 270 MPa: (a) Strain-time curve; (b) Stress-time curve; σmax = 400 MPa, σm = 270 MPa: (c) Strain-time curve; (d) Stress-time curve; σmax = 410 MPa, σm = 378 MPa, Stress-time curve: (e) T = 0.15 s; (f) T = 5 × 10−3 s.
Figure 19. Strain-time and stress-time curves at points A, B, and C on the I-I section. σmax= 300 MPa, σm = 270 MPa: (a) Strain-time curve; (b) Stress-time curve; σmax = 400 MPa, σm = 270 MPa: (c) Strain-time curve; (d) Stress-time curve; σmax = 410 MPa, σm = 378 MPa, Stress-time curve: (e) T = 0.15 s; (f) T = 5 × 10−3 s.
Crystals 13 01320 g019
Figure 20. Morphology of TC18 titanium alloy lug.
Figure 20. Morphology of TC18 titanium alloy lug.
Crystals 13 01320 g020
Figure 21. Typical crack initiation mode of lugs: (a) surface sliding; (b) surface inclusions; (c) surface defects; (d) subsurface.
Figure 21. Typical crack initiation mode of lugs: (a) surface sliding; (b) surface inclusions; (c) surface defects; (d) subsurface.
Crystals 13 01320 g021
Figure 22. Typical morphology of lugs in the propagation area, σmax: (a) 510 MPa; (b) 430 MPa; (c) 410 MPa.
Figure 22. Typical morphology of lugs in the propagation area, σmax: (a) 510 MPa; (b) 430 MPa; (c) 410 MPa.
Crystals 13 01320 g022
Figure 23. Morphology of typical final fracture zone of TC18 titanium alloy lug.
Figure 23. Morphology of typical final fracture zone of TC18 titanium alloy lug.
Crystals 13 01320 g023
Table 1. Chemical composition of TC18 titanium alloy (wt%).
Table 1. Chemical composition of TC18 titanium alloy (wt%).
AlMoVCrFeCNOHTi
5.105.145.060.930.980.0210.020.150.0027others
Table 2. Mechanical properties of TC18 titanium alloy.
Table 2. Mechanical properties of TC18 titanium alloy.
σb/MPaσs/MPaδ/%ρ/kg/m3E/GPaν
1136109513.7745101120.25
Table 3. Size parameters of serialized lugs.
Table 3. Size parameters of serialized lugs.
Axial LoadNon-Axial Load
width (b/mm)2427324024273240
Height (H/mm)1213.516201213.51620
12.814.617.622.412.814.617.622.4
13.615.719.224.813.615.719.224.8
14.416.820.827.214.416.820.827.2
Table 4. Calculation results of lugs’ efficiency coefficient.
Table 4. Calculation results of lugs’ efficiency coefficient.
σult (MPa)b/dcK0
1126.461.501.00.9787
1180.781.501.21.0259
12071.501.41.0487
1220.061.501.61.06
1083.81.701.00.9416
1155.941.701.21.0043
1179.021.701.41.0243
1205.41.701.61.0473
1024.282.001.00.8899
1111.032.001.20.9653
1160.322.001.41.0081
1196.552.001.61.0396
923.372.501.00.8022
1041.052.501.20.9045
1107.632.501.40.9623
1169.682.501.61.0162
1176.411.501.01.0221
1154.241.551.11.0028
1147.581.611.150.997
1125.851.671.20.9782
1101.181.691.00.9567
1112.881.761.10.9669
1089.651.851.150.9467
1088.251.911.20.9455
1006.092.031.00.8741
1034.232.121.10.8986
1043.222.211.150.9064
1060.512.311.20.9214
922.272.511.00.8013
938.752.671.10.8156
949.812.821.150.8252
9552.971.20.8297
Table 5. Calculation results of non-axial loading lugs’ conversion coefficient.
Table 5. Calculation results of non-axial loading lugs’ conversion coefficient.
Pf0 (KN)P (KN)b/dcKcon
2.0369.451.501.00.964
75.6969.441.501.20.917
77.2570.41.501.40.911
78.1372.771.501.60.931
95.892.771.701.00.968
101.993.191.701.20.915
10495.021.701.40.914
106.395.511.701.60.898
131.7125.72.001.00.954
143.1129.92.001.20.908
148.8131.282.001.40.882
153.91322.001.60.858
177.6174.852.501.00.985
200.5183.692.501.20.916
214184.242.501.40.861
225185.642.501.60.825
Table 6. Specific test conditions for fatigue test of TC18 titanium alloy lugs.
Table 6. Specific test conditions for fatigue test of TC18 titanium alloy lugs.
GroupLoading ModeMean Stress of I-I Section/MPaMaximum Stress of I-I Section/MPa
(Stress Levels, Level 1 to 6)
123456
1axially378590510460430420410
2non-axially378510460430420410400
3axially270430400360340320300
4non-axially270400360320310305300
Table 7. Maximum stress, mean stress, and plastic strain at danger point A under different conditions of Group 1 and Group 3 lugs.
Table 7. Maximum stress, mean stress, and plastic strain at danger point A under different conditions of Group 1 and Group 3 lugs.
GroupPoint ALevel 1Level 2Level 3Level 4Level 5Level 6
1Maximum stress/MPa711619570506487467
Mean stress/MPa458398403399404400
Plastic strain/%2.0871.5561.3511.3271.3171.307
3Maximum stress/MPa692676647637610569
Mean stress/MPa410403443476494499
Plastic strain/%0.6580.5350.4020.3190.2710.259
Table 8. Comparative results of dynamic stresses and plastic strain at the I-I cross section and danger point A of two groups of lugs.
Table 8. Comparative results of dynamic stresses and plastic strain at the I-I cross section and danger point A of two groups of lugs.
I-I Cross-SectionDanger Point A at the I-I Cross-Section
GroupMaximum StressMean StressMaximum StressMean StressPlastic Strain/%
1430 MPa378 MPa506 MPa399 MPa1.327
3430 MPa270 MPa692 MPa410 MPa0.658
Disclaimer/Publisher’s Note: The statements, opinions and data contained in all publications are solely those of the individual author(s) and contributor(s) and not of MDPI and/or the editor(s). MDPI and/or the editor(s) disclaim responsibility for any injury to people or property resulting from any ideas, methods, instructions or products referred to in the content.

Share and Cite

MDPI and ACS Style

Liu, C.; Liu, B.; Ma, C. Fatigue Behavior and Mechanism Study on Lugs of TC18 Titanium Alloy. Crystals 2023, 13, 1320. https://doi.org/10.3390/cryst13091320

AMA Style

Liu C, Liu B, Ma C. Fatigue Behavior and Mechanism Study on Lugs of TC18 Titanium Alloy. Crystals. 2023; 13(9):1320. https://doi.org/10.3390/cryst13091320

Chicago/Turabian Style

Liu, Cuiyun, Bo Liu, and Chaoli Ma. 2023. "Fatigue Behavior and Mechanism Study on Lugs of TC18 Titanium Alloy" Crystals 13, no. 9: 1320. https://doi.org/10.3390/cryst13091320

APA Style

Liu, C., Liu, B., & Ma, C. (2023). Fatigue Behavior and Mechanism Study on Lugs of TC18 Titanium Alloy. Crystals, 13(9), 1320. https://doi.org/10.3390/cryst13091320

Note that from the first issue of 2016, this journal uses article numbers instead of page numbers. See further details here.

Article Metrics

Back to TopTop