Effect of Fe and Thermal Exposure on Mechanical Properties of Al-Si-Cu-Ni-Mg-Fe Alloy
Abstract
1. Introduction
| Composition (wt. %) | State | UTS (MPa) | Elongation (%) |
|---|---|---|---|
| Al-11.98Si-4.02Cu-1.02Mg-2.68Ni-0.62Fe [1] | / | 106 | 5.4 |
| Al-12.5Si-5.0Cu-0.84Mg-2.0Ni-0.5Fe [2] | T5 | 94.4 | 8.6 |
| Al-11.79Si-3.38Cu-2.05Mn-1.0Cr-0.17Fe [3] | T6 | 106 | 8.8 |
| Al-13Si-3.7Cu-3.2Ni-1.1Mg-0.8Fe-0.5Cr [4] | T6 | 98.61 | / |
| Al-12Si-4Ni-0.9Cu-0.8Mg [5] | / | 116 | 2.0 |
| Al-11.97Si-3.79Cu-0.82Mg-3.39Ni-0.5Fe-0.18Mn-0.1Ti [6] | T7 | 76.1 | 9.1 |
| Al-12Si-3Cu-1.5Ni [7] | Cast | 61.4 | 4.8 |
2. Experiment
3. Results and Discussion
3.1. Microstructure
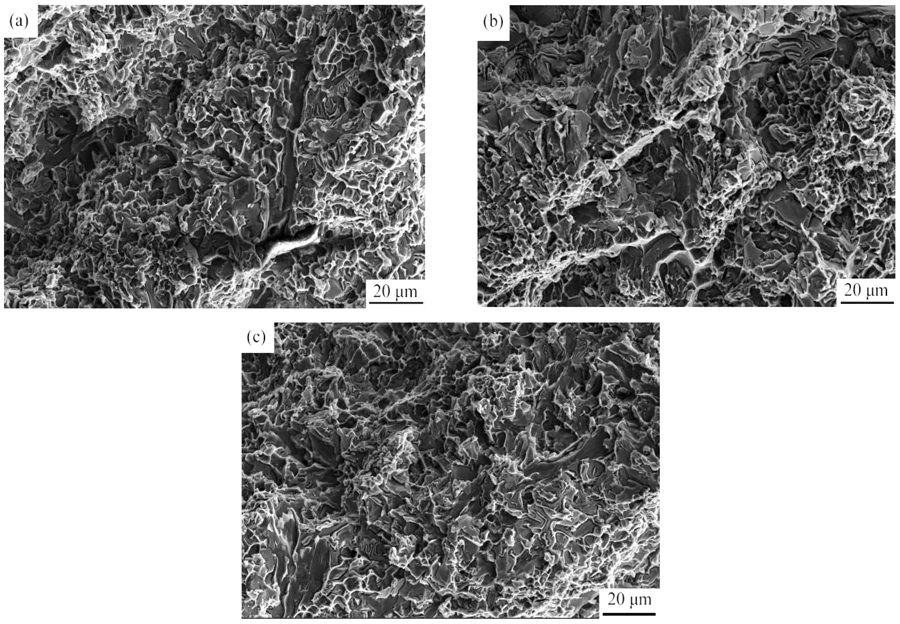
3.2. Mechanical Properties
4. Conclusions
- The main phases of the Al-Si-Cu-Ni-Mg-Fe alloys at room temperature were the α-Al, Si, Al5Cu2Mg8Si6, Al3CuNi, Al7Cu4Ni, Al2Cu, and AlFeSi phases.
- The size of AlSiFe phase increased with the increase in Fe. The shape of the Fe-rich phase changed from rod-like to star-like, followed by a long needle shape, with Fe varying from 0.6% to 0.9%.
- The ductility and strength of the studied alloys decreased with increasing Fe at room temperature. The mechanical properties of the studied alloys increased with Fe at an elevated temperature, indicating that the Fe-rich phase has great potential for the development of high strength and toughness heat-resistant aluminum.
- Eutectic Si coarsened after thermal exposure, whereas the microstructure was sparser, which was caused by Ostwald ripening, resulting in a decreased performance after thermal exposure.
- The UTS and HV of the studied alloys decreased dramatically at 0.5~8 h and then tended to be stable after thermal exposure at 350 °C for approximately 64 h.
Author Contributions
Funding
Conflicts of Interest
References
- Meng, F.; Wu, Y.; Hu, K.; Li, Y.; Sun, Q.; Liu, X. Evolution and Strengthening Effects of the Heat-Resistant Phases in Al-Si Piston Alloys with Different Fe/Ni Ratios. Materials 2019, 12, 2506. [Google Scholar] [CrossRef] [PubMed]
- Yang, Y.; Zhong, S.-Y.; Chen, Z.; Wang, M.; Ma, N.; Wang, H. Effect of Cr content and heat-treatment on the elevated temperature strength of eutectic Al-Si alloys. J. Alloys Compd. 2015, 647, 63–69. [Google Scholar] [CrossRef]
- Feng, J.; Ye, B.; Zuo, L.; Qi, R.; Wang, Q.; Jiang, H.; Huang, R.; Ding, W. Effects of Ni content on low cycle fatigue and mechanical properties of Al-12Si-0.9Cu-0.8Mg-xNi at 350 °C. Mater. Sci. Eng. A 2017, 706, 27–37. [Google Scholar] [CrossRef]
- Chen, F.; Liu, C.; Zuo, L.; Wu, Z.; He, Y.; Dong, K.; Li, G.; He, W. Effect of Thermal Exposure on Mechanical Properties of Al-Si-Cu-Ni-Mg Aluminum Alloy. Crystals 2023, 13, 236. [Google Scholar] [CrossRef]
- Li, Y.; Yang, Y.; Wu, Y.; Wei, Z.; Liu, X. Supportive strengthening role of Cr-rich phase on Al-Si multicomponent piston alloy at elevated temperature. Mater. Sci. Eng. A 2011, 528, 4427–4430. [Google Scholar] [CrossRef]
- Jung, J.-G.; Lee, S.-H.; Cho, Y.-H.; Yoon, W.-H.; Ahn, T.-Y.; Ahn, Y.-S.; Lee, J.-M. Effect of transition elements on the microstructure and tensile properties of Al-12Si alloy cast under ultrasonic melt treatment. J. Alloys Compd. 2017, 712, 277–287. [Google Scholar] [CrossRef]
- Zuo, L.; Ye, B.; Feng, J.; Xu, X.; Kong, X.; Jiang, H. Effect of δ-Al3CuNi phase and thermal exposure on microstructure and mechanical properties of Al-Si-Cu-Ni alloys. J. Alloys Compd. 2019, 791, 1015–1024. [Google Scholar] [CrossRef]
- Farkoosh, A.R.; Pekguleryuz, M. Enhanced mechanical properties of an Al-Si-Cu-Mg alloy at 300 °C: Effects of Mg and the Q-precipitate phase. Mater. Sci. Eng. A 2015, 621, 277–286. [Google Scholar] [CrossRef]
- Li, G.; Liao, H.; Suo, X.; Tang, Y.; Dixit, U.S.; Petrov, P. Cr-induced morphology change of primary Mn-rich phase in Al-Si-Cu-Mn heat resistant aluminum alloys and its contribution to elevated temperature strength. Mater. Sci. Eng. A Struct. Mater. Prop. Misrostruct. Process. 2018, 709, 90–96. [Google Scholar] [CrossRef]
- Zhang, J.Y.; Zuo, L.J.; Feng, J.; Ye, B.; Kong, X.Y.; Jiang, H.Y.; Ding, W.J. Effect of thermal exposure on microstructure and mechanical properties of Al-Si-Cu-Ni-Mg alloy produced by different cast technologies. Trans. Nonferrous Met. Soc. China 2020, 30, 1717–1730. [Google Scholar] [CrossRef]
- Abdelaziz, M.H.; Doty, H.W.; Valtierra, S.; Samuel, F.H. Static versus dynamic thermal exposure of transition elements-containing Al-Si-Cu-Mg cast alloy. Mater. Sci. Eng. A 2018, 739, 499–512. [Google Scholar] [CrossRef]
- Zhao, B.; Ye, B.; Wang, L.; Bai, Y.; Yu, X.; Wang, Q.; Yang, W. Effect of ageing and thermal exposure on microstructure and mechanical properties of a HPDC Al–Si–Cu–Mg alloy. Mater. Sci. Eng. A 2022, 849, 143463. [Google Scholar] [CrossRef]
- Lin, B.; Li, H.; Xu, R.; Zhao, Y.; Xiao, H.; Tang, Z.; Li, S. Thermal exposure of Al-Si-Cu-Mn-Fe alloys and its contribution to high temperature mechanical properties. J. Mater. Res. Technol. 2020, 9, 1856–1865. [Google Scholar] [CrossRef]
- Asghar, Z.; Requena, G.; Kubel, F. The role of Ni and Fe aluminides on the elevated temperature strength of an AlSi12 alloy. Mater. Sci. Eng. A 2010, 527, 5691–5698. [Google Scholar] [CrossRef]
- Asghar, Z.; Requena, G.; Boller, E. Three-dimensional rigid multiphase networks providing elevated-temperature strength to cast AlSi10Cu5Ni1-2 piston alloys. Acta Mater. 2011, 59, 6420–6432. [Google Scholar] [CrossRef]
- Farkoosh, A.R.; Chen, X.G.; Pekguleryuz, M. Dispersoid strengthening of a high temperature Al-Si-Cu-Mg alloy via Mo addition. Mater. Sci. Eng. A 2015, 620, 181–189. [Google Scholar] [CrossRef]
- Xiao, D.H.; Wang, J.N.; Ding, D.Y.; Chen, S.P. Effect of Cu content on the mechanical properties of an Al-Cu-Mg-Ag alloy. J. Alloys Compd. 2002, 343, 77–81. [Google Scholar] [CrossRef]
- Zuo, L.; Ye, B.; Feng, J.; Zhang, H.; Kong, X.; Jiang, H. Effect of ε-Al3Ni phase on mechanical properties of Al-Si-Cu-Mg-Ni alloys at elevated temperature. Mater. Sci. Eng. A 2020, 772, 138794. [Google Scholar] [CrossRef]
- Zuo, L.; Ye, B.; Feng, J.; Bao, Q.; Kong, X.; Jiang, H.; Ding, W. Phases formation and evolution at elevated temperatures of Al-12Si-3.8Cu-2Ni-0.8Mg alloy. Adv. Eng. Mater. 2017, 19, 1–8. [Google Scholar] [CrossRef]
- Zuo, L.; Ye, B.; Feng, J.; Kong, X.; Jiang, H.; Ding, W. Effect of Q-Al5Cu2Mg8Si6 phase on mechanical properties of Al-Si-Cu-Mg alloy at elevated temperature. Mater. Sci. Eng. A 2017, 693, 26–32. [Google Scholar] [CrossRef]
- Jiao, X.Y.; Liu, C.F.; Guo, Z.P.; Tong, G.D.; Ma, S.L.; Bi, Y.; Zhang, Y.F.; Xiong, S.M. The characterization of Fe-rich phases in a high-pressure die cast hypoeutectic aluminum-silicon alloy. J. Mater. Sci. Technol. 2020, 51, 54–62. [Google Scholar] [CrossRef]


















| Alloys (wt. %) | Si | Cu | Ni | Mg | Fe | Ti | Sr | Cr | Al |
|---|---|---|---|---|---|---|---|---|---|
| Alloy 1 | 12 | 3.8 | 2 | 0.8 | 0.3 | 0.2 | 0.2 | 0.5 | Bal |
| Alloy 2 | 12 | 3.8 | 2 | 0.8 | 0.6 | 0.2 | 0.2 | 0.5 | Bal |
| Alloy 3 | 12 | 3.8 | 2 | 0.8 | 0.9 | 0.2 | 0.2 | 0.5 | Bal |
| Fe (wt. %) | As-Cast | After Thermal Exposure | |||||
|---|---|---|---|---|---|---|---|
| Phases | 0.3 | 0.6 | 0.9 | 0.3 | 0.6 | 0.9 | |
| Fe-rich | 28.0 μm | 37.2 μm | 59.0 μm | 26.9 μm | 38.5 μm | 57.5 μm | |
| eutectic Si | 3.8 μm | 4.2 μm | 3.8 μm | 5.3 μm | 5.5 μm | 5.8 μm | |
Disclaimer/Publisher’s Note: The statements, opinions and data contained in all publications are solely those of the individual author(s) and contributor(s) and not of MDPI and/or the editor(s). MDPI and/or the editor(s) disclaim responsibility for any injury to people or property resulting from any ideas, methods, instructions or products referred to in the content. |
© 2023 by the authors. Licensee MDPI, Basel, Switzerland. This article is an open access article distributed under the terms and conditions of the Creative Commons Attribution (CC BY) license (https://creativecommons.org/licenses/by/4.0/).
Share and Cite
Li, J.; Chen, F.; Wang, Y.; Zhang, Y.; Zhang, R.; Luo, Y.; He, Y.; Sun, K.; Zuo, L. Effect of Fe and Thermal Exposure on Mechanical Properties of Al-Si-Cu-Ni-Mg-Fe Alloy. Crystals 2023, 13, 993. https://doi.org/10.3390/cryst13070993
Li J, Chen F, Wang Y, Zhang Y, Zhang R, Luo Y, He Y, Sun K, Zuo L. Effect of Fe and Thermal Exposure on Mechanical Properties of Al-Si-Cu-Ni-Mg-Fe Alloy. Crystals. 2023; 13(7):993. https://doi.org/10.3390/cryst13070993
Chicago/Turabian StyleLi, Jingdong, Fanming Chen, Yuze Wang, Yuanliang Zhang, Rui Zhang, Yi Luo, Yiqiang He, Ke Sun, and Lijie Zuo. 2023. "Effect of Fe and Thermal Exposure on Mechanical Properties of Al-Si-Cu-Ni-Mg-Fe Alloy" Crystals 13, no. 7: 993. https://doi.org/10.3390/cryst13070993
APA StyleLi, J., Chen, F., Wang, Y., Zhang, Y., Zhang, R., Luo, Y., He, Y., Sun, K., & Zuo, L. (2023). Effect of Fe and Thermal Exposure on Mechanical Properties of Al-Si-Cu-Ni-Mg-Fe Alloy. Crystals, 13(7), 993. https://doi.org/10.3390/cryst13070993
