Mechanical Behavior and Microstructure of Graphene Oxide Electrodeposited Carbon Fiber Reinforced Cement-Based Materials
Abstract
:1. Introduction
2. Experimental
2.1. Materials and Equipment
2.2. Preparation of GO
2.3. GO/CF Hybrid Fibers Using the EPD Method
2.4. Cement Mortar Preparation
2.4.1. Determination of Water Use for Standard Consistency
2.4.2. Preparation of GO Cement Matrix Composites
2.4.3. Preparation of CF and GO-CF Cement-Based Composites
2.4.4. Flexural and Compressive Strength Tests
3. Results and Discussion
3.1. The Morphology and Structure of GO Sheets
3.2. Characterization of GO-CF
3.3. Dispersion of GO-CF in Water
3.4. Workability
3.5. Mechanical Properties
3.5.1. Mechanical Properties of GO Cement Matrix Composites
3.5.2. Mechanical Properties of CF and GO-CF Cement Matrix Composites
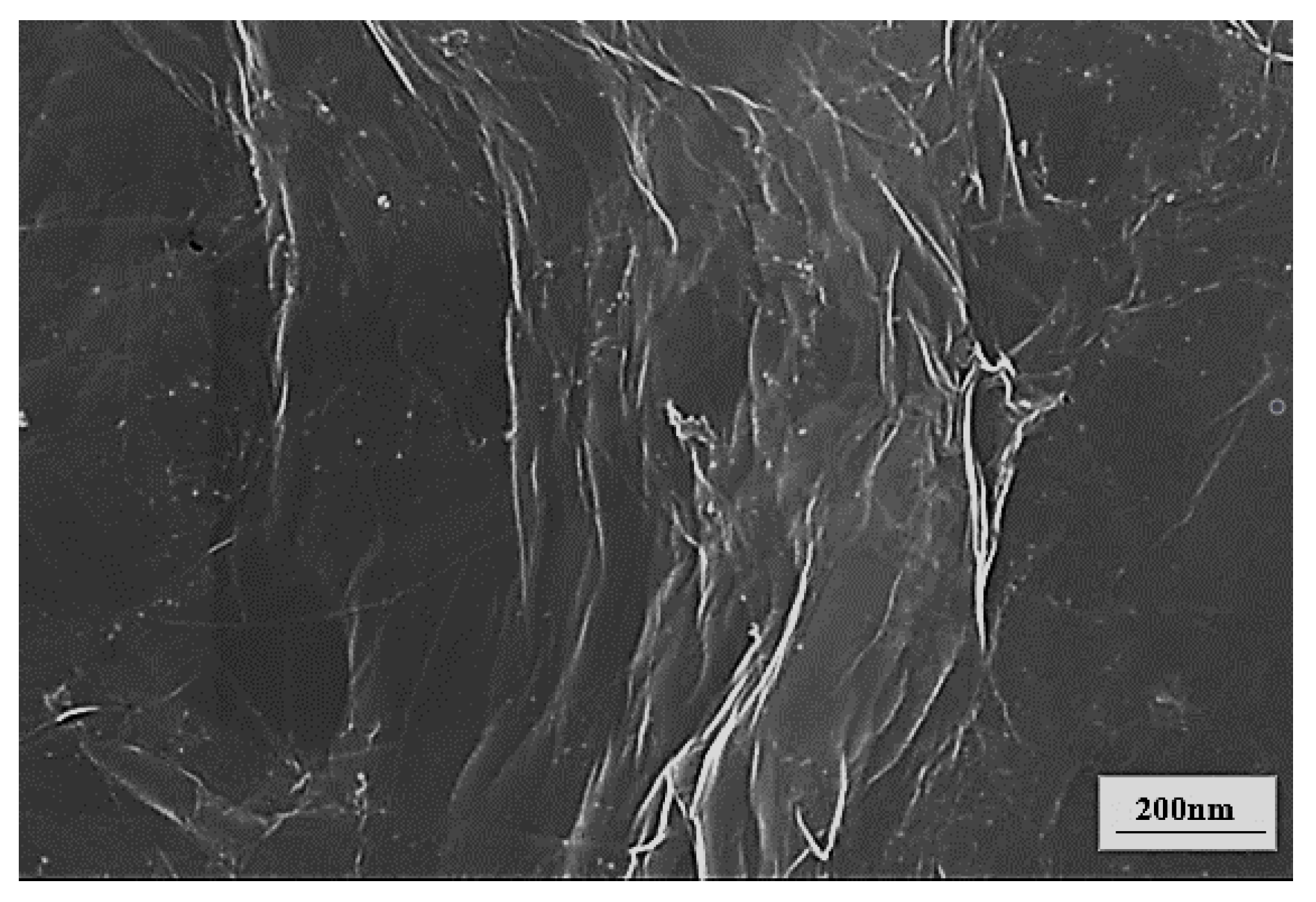
3.6. Microstructure Analysis
3.6.1. XRD
3.6.2. SEM
4. Conclusions
- The compressive and flexural strength of cement-based composites can be significantly improved by adding GO to cement-based composites. The optimal dosage of GO is 0.07%. When the dosage of GO is 0.07%, the 7 d and 28 d compressive strength of the GO cement matrix composites increased by 32.03% and 30.92%, respectively, and the 7 d and 28 d bending strength increased by 29.70% and 27.27%, respectively.
- Compared with the CF cement mortar, GO-CF further improved the compressive and flexural strength of the cement mortar. The 7 d and 28 d flexural strength were further improved by 6.47% and 5.82%, respectively. As for the compressive strength, not only was it further improved, but the compressive strength curve did not exhibit any downward trend and was always increasing. This showed that the GO-modified CF could improve the phenomenon of compressive strength decline caused by excessive fiber content. Compared with the blank group, the 7 d flexural and compressive strength of the GO-CF cement mortar increased by 30.89% and 17.56%, respectively, and the 28 d flexural and compressive strength increased by 38.37% and 14.32%, respectively.
- XRD and SEM test results showed that GO played a template role in cement hydration, providing nucleation sites for hydration crystals, and promoting the cement hydration reaction to generate hydration products such as CH and C-S-H gel. GO improved the surface roughness of CF, improving the physical and chemical properties of CF, resulting in better CF dispersion in the cement matrix. Moreover, GO provided nucleation sites for the cement hydrated crystals on the CF surface to promote cement hydration. Similarly, GO also played a bridging role on the CF surface to improve the bond between the CF and the cement matrix interface, thus improving the macroscopic mechanical properties of the cement matrix.
Author Contributions
Funding
Informed Consent Statement
Data Availability Statement
Conflicts of Interest
Abbreviations
| C2S | Dicalcium silicate |
| C-S-H | Calcium silicate hydrate |
| CF | Carbon fiber |
| CFRC | Carbon-fiber-reinforced cement |
| CH | Calcium hydroxide |
| EPD | Electrophoretic deposition |
| GO | Graphene oxide |
| SEM | Scanning electron microscopy |
| XRD | X-ray diffraction |
References
- Mehta, P.K. Global Concrete Industry Sustainability. Concr. Int. 2009, 31, 45–48. [Google Scholar]
- Gao, Y.; Jing, H.; Zhou, Z.; Chen, W.; Du, M.; Du, Y. Reinforced impermeability of cementitious composites using graphene oxide-carbon nanotube hybrid under different water-to-cement ratios. Constr. Build. Mater. 2019, 222, 610–621. [Google Scholar] [CrossRef]
- Lu, C.; Leung, C.K. A new model for the cracking process and tensile ductility of Strain Hardening Cementitious Composites (SHCC). Cem. Concr. Res. 2016, 79, 353–365. [Google Scholar] [CrossRef]
- Baiquan, F.U.; Cai, X. Effect of large amount fly ash on properties of high toughness fiber reinforced cementitious composites. Concrete 2019, 88–91. [Google Scholar]
- Sun, G.; Liang, R.; Zhang, J.; Li, Z.; Weng, L.-T. Mechanism of cement paste reinforced by ultra-high molecular weight polyethylene powder and thermotropic liquid crystalline copolyester fiber with enhanced mechanical properties. Cem. Concr. Compos. 2016, 78, 57–62. [Google Scholar] [CrossRef]
- Mansour, G.; Arash, K.; Ali, A.; de Brito, J. Flexural strength enhancement of recycled aggregate con-crete beams with steel fiber-reinforced concrete jacket. Eng. Struct. 2021, 240, 112325. [Google Scholar]
- Arash, K.; Mansour, G. Comparison of the effect of the steel and polypropylene fibres on the flexural behaviour of recycled aggregate concrete beams. Structures 2021, 29, 129–146. [Google Scholar]
- Lavagna, L.; Musso, S.; Ferro, G.; Pavese, M. Cement-based composites containing functionalized carbon fibers. Cem. Concr. Compos. 2018, 88, 165–171. [Google Scholar] [CrossRef]
- Cui, H.; Jin, Z.; Zheng, D.; Tang, W.; Li, Y.; Yun, Y.; Lo, T.Y.; Xing, F. Effect of carbon fibers grafted with carbon nanotubes on mechanical properties of cement-based composites. Constr. Build. Mater. 2018, 181, 713–720. [Google Scholar] [CrossRef]
- Chen, H.; Huang, X.; He, R.; Zhou, Z.; Fu, C.; Wang, J. Mechanical Properties of Polypropylene Fiber Cement Mortar under Different Loading Speeds. Sustainability 2021, 13, 3697. [Google Scholar] [CrossRef]
- Mahmoud, A.A.; Elkatatny, S. Improving class G cement carbonation resistance for applications of geologic carbon sequestration using synthetic polypropylene fiber. J. Nat. Gas Sci. Eng. 2020, 76, 103184. [Google Scholar] [CrossRef]
- Hambach, M.; Möller, H.; Neumann, T.; Volkmer, D. Carbon fibre reinforced cement-based composites as smart floor heating materials. Compos. Part B: Eng. 2016, 90, 465–470. [Google Scholar] [CrossRef]
- Lu, Z.; Hanif, A.; Sun, G.; Liang, R.; Parthasarathy, P.; Li, Z. Highly dispersed graphene oxide electro-deposited carbon fiber reinforced cement-based materials with enhanced mechanical properties. Cem. Concr. Compos. 2018, 87, 220–228. [Google Scholar] [CrossRef]
- Wei, J.; Wang, Y.; Li, X.; Jia, Z.; Qiao, S.; Zhang, Q.; Du, J. Effect of porosity and crack on the thermoelectric properties of expanded graphite/carbon fiber reinforced cement-based composites. Int. J. Energy Res. 2020, 44, 6885–6893. [Google Scholar] [CrossRef]
- Sun, J.; Wei, S. Study on the preparation and properties of carbon fiber reinforced cement matrix composites. New Build. Mater. 2018, 45, 61–64. [Google Scholar]
- Jacopo, D.; Tiziano, B.; Valeria, C. Mechanical, electrical and self-sensing properties of cementitious mortars containing short carbon fibers. J. Build. Eng. 2018, 20, 8–14. [Google Scholar]
- Safiuddin, M.; Yakhlaf, M.; Soudki, K. Key mechanical properties and microstructure of carbon fibre reinforced self-consolidating concrete. Constr. Build. Mater. 2018, 164, 477–488. [Google Scholar] [CrossRef]
- Chiang, W.-S.; Fratini, E.; Baglioni, P.; Liu, D.; Chen, S.-H. Microstructure Determination of Calcium-Silicate-Hydrate Globules by Small-Angle Neutron Scattering. J. Phys. Chem. C 2012, 116, 5055–5061. [Google Scholar] [CrossRef]
- Tiwari, S.; Bijwe, J. Surface Treatment of Carbon Fibers—A Review. Procedia Technol. 2014, 14, 505–512. [Google Scholar] [CrossRef] [Green Version]
- Li, M.; Wang, H.; Zhang, C.; Deng, S.; Li, K.; Guo, X. The effect of graphene oxide grafted carbon fiber on mechanical properties of class G Portland cement. J. Adhes. Sci. Technol. 2019, 33, 2494–2516. [Google Scholar] [CrossRef]
- Kothiyal, N.C.; Sharma, S.; Mahajan, S.; Sethi, S. Characterization of reactive graphene oxide synthesized from ball—milled graphite: Its enhanced reinforcing effects on cement nanocomposites. J. Adhes. Sci. Technol. 2016, 30, 915–933. [Google Scholar] [CrossRef]
- Shenghua, L.V.; Zhang, J.; Luo, X.; Zhu, L.; Caihui, N.I. Microstructure and Properties for Composites of Graphene Oxide/Cement. Chin. J. Mater. Res. 2018, 32, 233–240. [Google Scholar]
- Ramanjit, K.; Kothiyal, N.C. Synergic influence of fly ash and graphene oxide-carbon nanotubes hybrid on mechanical, microstructural and porosity properties of cement mortars. J. Adhes. Sci. Technol. 2021, 35, 1777–1805. [Google Scholar]
- Dikin, D.A.; Stankovich, S.; Zimney, E.J.; Piner, R.D.; Dommett, G.H.B.; Evmenenko, G.; Nguyen, S.T.; Ruoff, R.S. Preparation and characterization of graphene oxide paper. Nature 2007, 448, 457–460. [Google Scholar] [CrossRef]
- Kaur, R.; Kothiyal, N.C.; Singh, J. Ultrasonic and superplasticizer assisted dispersion of hybrid carbon nanomaterials (FCNT and GO): Its effect on early stage hydration and physico-mechanical strength of cement mortar. J. Adhes. Sci. Technol. 2019, 34, 192–218. [Google Scholar] [CrossRef]
- Liu, J.; Zhao, L.; Chang, F.; Chi, L. Mechanical properties and microstructure of multilayer graphene oxide cement mortar. Front. Struct. Civ. Eng. 2021, 15, 1058–1070. [Google Scholar] [CrossRef]
- Shenghua, L.; Zhou, Q.; Sun, T.; Yujuan, M.A.; Qiu, C. Effect of Graphene Oxide Nanosheets on Cement Hydration Crystals and Mechanical Properties of Mortar. J. Build. Mater. 2014, 17, 749–754. [Google Scholar]
- Fakhim, B.; Hassani, A.; Rashidi, A.; Ghodousi, P. Preparation and Mechanical Properties of Graphene Oxide: Cement Nanocomposites. Sci. World J. 2014, 2014, 276323. [Google Scholar]
- Liu, S.; Lu, F.; Chen, Y.; Dong, B.; Du, H.; Li, X. Efficient Use of Graphene Oxide in Layered Cement Mortar. Materials 2022, 15, 2181. [Google Scholar] [CrossRef] [PubMed]
- Chen, J.; Zhao, D.; Ge, H.; Wang, J. Graphene oxide-deposited carbon fiber/cement composites for electromagnetic interference shielding application. Constr. Build. Mater. 2015, 84, 66–72. [Google Scholar] [CrossRef]
- Surekha, G.; Krishnaiah, K.V.; Ravi, N.; Suvarna, R.P. FTIR, Raman and XRD analysis of graphene oxide films prepared by modified Hummers method. J. Phys. Conf. Ser. 2020, 1495, 19–21. [Google Scholar] [CrossRef]
- Suo, Y.; Guo, R.; Xia, H.; Yang, Y.; Yan, F.; Ma, Q. Study on modification mechanism of workability and mechanical properties for graphene oxide-reinforced cement composite. Nanomater. Nanotechnol. 2020, 10, 1–12. [Google Scholar] [CrossRef]
- Ramezani, M.; Kim, Y.H.; Sun, Z. Modeling the mechanical properties of cementitious materials containing CNTs. Cem. Concr. Compos. 2019, 104, 103347. [Google Scholar] [CrossRef]
- Lee, S.-J.; Jeong, S.-H.; Kim, D.-U.; Won, J.-P. Effects of graphene oxide on pore structure and mechanical properties of cementitious composites. Compos. Struct. 2020, 234, 111709. [Google Scholar] [CrossRef]
- Peng, H.; Ge, Y.; Cai, C.S.; Zhang, Y.; Liu, Z. Mechanical properties and microstructure of graphene oxide cement-based composites. Constr. Build. Mater. 2019, 194, 102–109. [Google Scholar] [CrossRef]
- Wang, Y.; Yang, J.; Ouyang, D. Effect of Graphene Oxide on Mechanical Properties of Cement Mortar and its Strengthening Mechanism. Materials 2019, 12, 3753. [Google Scholar] [CrossRef] [PubMed] [Green Version]
- Guo, Z.; Zhuang, C.; Li, Z.; Chen, Y. Mechanical properties of carbon fiber reinforced concrete (CFRC) after exposure to high temperatures. Compos. Struct. 2020, 256, 113072. [Google Scholar] [CrossRef]
- Caihui, N.; Shenghua, L.; Linlin, Z.; Chunmao, J. Effect of graphene oxide nanosheets on microstructure and properties of cement composites. New Build. Mater. 2017, 44, 84–88. [Google Scholar]
- Scd, A.; Rak, B. Effect of graphene oxide on mechanical and durability performance of concrete—ScienceDirect. J. Build. Eng. 2020, 27, 101007. [Google Scholar]
- Gao, J.; Wang, Z.; Zhang, T.; Zhou, L. Dispersion of carbon fibers in cement-based composites with different mixing methods. Constr. Build. Mater. 2017, 134, 220–227. [Google Scholar] [CrossRef]
- Lu, L.; Zhao, P.; Lu, Z. A short discussion on how to effectively use graphene oxide to reinforce cementitious composites. Constr. Build. Mater. 2018, 189, 33–41. [Google Scholar] [CrossRef]















| Materials and Reagents | Note | Manufacturer |
|---|---|---|
| deionized water | Homemade Access | |
| graphite powder | Jinzhou Senmao Chemical | |
| carbon fiber (CF) | T700 | Toray Carbon Fiber (Guangdong) Co., Ltd. |
| polycarboxylate superplasticizer (PC) | 45% solid content | Sinopharm Chemical Reagent Co., Ltd. |
| Concentrated sulfuric acid (H2SO4) | analytically pure | Jinzhou Senmao Chemical |
| hydrogen peroxide (H2O2) | 30% purity | Shenyang Reagent Factory No. 4 |
| potassium permanganate (KMnO4) | analytically pure | Shenyang Reagent Factory No. 4 |
| hydrochloric acid (HCl) | analytically pure | Jinzhou Senmao Chemical |
| Calcium oxide (CaO) | analytically pure | Tianjin Tianli Chemical Reagent Co., Ltd. |
| cement | P·O 42.5 | Liaoning Jinzhou Cement Factory |
| sand | river sand | Liaoning Jinzhou Cement Factory |
| Equipment | Model | Manufacturer |
|---|---|---|
| scanning electron microscope | Zeiss Sigma500 | Carl Zeiss (Shanghai) Management Co., Ltd. |
| Electric magnetic stirrer | JJ-1 | Shenzhen South China City |
| centrifugal machine | TG16-WS | Shanghai Pudong Physical Optical Instrument Factory |
| Mechanical ultrasonic cleaning machine | 410T | Shenzhen Jietuo ultrasonic cleaning Equipment Co., Ltd. |
| Ultraviolet spectrophotometer | UV-1000 | Tianjin Port East Science and Technology Development Co., Ltd. |
| Electronic balance for analysis | JM2002 | Yuyao Jiming weighing calibration Equipment Co., Ltd. |
| Box type resistance furnace | SX-5-12 | Beijing Yongguangming Medical Instrument Co., Ltd. |
| cement paste mixer | JJ-5 | Xian County Yaxing Highway construction instrument Factory |
| Electronic universal testing machine | WDW-300 | Changchun Kexin Experimental Instrument Co., Ltd. |
| Cement compression fixture | Wuxi Zhongke Building Materials Instrument Co., Ltd. |
| Length (mm) | Diameter (μm) | Tensile Strength (MPa) | Tensile Modulus (GPa) | Density (g/cm3) |
|---|---|---|---|---|
| 3 | 7 | 3500 | 228 | 1.75 |
| Main Ingredients | CaO | SiO2 | Al2O3 | Fe2O3 | SO3 | MgO |
|---|---|---|---|---|---|---|
| Proportion (wt%) | 66.30 | 19.60 | 6.50 | 3.50 | 2.50 | 0.70 |
Publisher’s Note: MDPI stays neutral with regard to jurisdictional claims in published maps and institutional affiliations. |
© 2022 by the authors. Licensee MDPI, Basel, Switzerland. This article is an open access article distributed under the terms and conditions of the Creative Commons Attribution (CC BY) license (https://creativecommons.org/licenses/by/4.0/).
Share and Cite
Wang, S.; Wang, X.; He, J.; Xin, M. Mechanical Behavior and Microstructure of Graphene Oxide Electrodeposited Carbon Fiber Reinforced Cement-Based Materials. Crystals 2022, 12, 964. https://doi.org/10.3390/cryst12070964
Wang S, Wang X, He J, Xin M. Mechanical Behavior and Microstructure of Graphene Oxide Electrodeposited Carbon Fiber Reinforced Cement-Based Materials. Crystals. 2022; 12(7):964. https://doi.org/10.3390/cryst12070964
Chicago/Turabian StyleWang, Siyue, Xuezhi Wang, Jingjing He, and Ming Xin. 2022. "Mechanical Behavior and Microstructure of Graphene Oxide Electrodeposited Carbon Fiber Reinforced Cement-Based Materials" Crystals 12, no. 7: 964. https://doi.org/10.3390/cryst12070964
APA StyleWang, S., Wang, X., He, J., & Xin, M. (2022). Mechanical Behavior and Microstructure of Graphene Oxide Electrodeposited Carbon Fiber Reinforced Cement-Based Materials. Crystals, 12(7), 964. https://doi.org/10.3390/cryst12070964

