Study on Sc Microalloying and Strengthening Mechanism of Al-Mg Alloy
Abstract
:1. Introduction
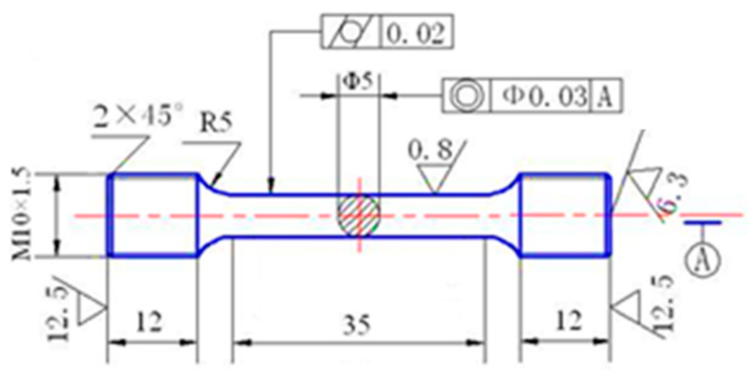
2. Materials and Methods
3. Results
3.1. Microstructure of As-Cast Al-Mg Alloys
3.2. Analysis of Second Phase
3.3. Mechanical Properties of As-Cast Al-Mg Alloys
4. Discussion
5. Conclusions
Author Contributions
Funding
Data Availability Statement
Acknowledgments
Conflicts of Interest
References
- Zhang, D.; Wu, A.; Zhao, Y.; Shan, J.; Wan, Z.; Wang, G.; Song, J.; Zhang, Z.; Liu, X. Effects of Al-Mg wire replacing Al-Cu wire on the properties of 2219 aluminum alloy TIG-welded joint. Int. J. Mod. Phys. B 2021, 35, 2150139. [Google Scholar] [CrossRef]
- Rajeshkumar, R.; Niranjani, V.; Devakumaran, K.; Banerjee, K. Structure-property correlation of weld metal zone and interface regions of cold metal transfer welded dissimilar Al-Mg-Mn alloys joint. Mater. Today Proc. 2021, 46, 2498–2509. [Google Scholar] [CrossRef]
- Li, S.; Dong, H.; Shi, L.; Li, P.; Ye, F. Corrosion behavior and mechanical properties of Al-Zn-Mg aluminum alloy weld. Corros. Sci. 2017, 123, 243–255. [Google Scholar] [CrossRef]
- Chen, F.; Yang, Y.; Li, N. Effect of ultrasonic impact time on microstructure and properties of 7A52 aluminum alloy tandemMIG welded joint. Int. J. Adv. Manuf. Technol. 2021, 116, 2687–2696. [Google Scholar] [CrossRef]
- Dianlong, W.; Guangyun, D.; Zhimin, L. Comparison of Al-Zn-Mg Alloy P-MIG Welded Joints Filled with Different Wires. High Temp. Mater. Process. 2019, 38, 516–524. [Google Scholar] [CrossRef]
- Zhang, X.; Xie, D.; Chen, B. Effect of Post-weld Heat Treatment on Microstructure and Mechanical Properties of Al-Zn-Mg-Cu Alloy Welded Joint. IOP Conf. Ser. Mater. Sci. Eng. 2020, 772, 012112. [Google Scholar] [CrossRef]
- Liu, Z.; Sun, J.; Yan, Z.; Lin, Y.; Liu, M.; Roven, H.J.; Dahle, A.K. Enhanced ductility and strength in a cast Al–Mg alloy with high Mg content. Mater. Sci. Eng. A 2021, 806, 140806. [Google Scholar] [CrossRef]
- Zhou, S.; Zhang, Z.; Li, M.; Pan, D.; Su, H.; Du, X.; Li, P.; Wu, Y. Effect of Sc on microstructure and mechanical properties of as-cast Al–Mg alloys. Mater. Des. 2015, 90, 1077–1084. [Google Scholar] [CrossRef]
- Jones, R.H.; Baer, D.R.; Danielson, M.J.; Vetrano, J.S. Role of Mg in the stress corrosion cracking of an Al-Mg alloy. Met. Mater. Trans. A 2001, 32, 1699–1711. [Google Scholar] [CrossRef]
- Dang, J.-z.; Huang, Y.-f.; Cheng, J. Effect of Sc and Zr on microstructures and mechanical properties of as-cast Al-Mg-Si-Mn alloys. Trans. Nonferr. Met. Soc. China 2009, 19, 540–544. [Google Scholar] [CrossRef]
- Singh, V.; Prasad, K.S.; Gokhale, A.A. Microstructure and age hardening response of cast Al-Mg-Sc-Zr alloys. J. Mater. Sci. 2004, 39, 2861–2864. [Google Scholar] [CrossRef]
- Wang, X.; Lin, S.; Yang, J.; Tang, Z.; Nie, Z. Microstructure and mechanical properties of Al-Mg-Mn alloy with erbium. Rare Met. 2012, 31, 237–243. [Google Scholar] [CrossRef]
- Ahmed, H.M.; Ahmed, H.A.M.; Hefni, M.; Moustafa, E.B. Effect of Grain Refinement on the Dynamic, Mechanical Properties, and Corrosion Behaviour of Al-Mg Alloy. Metals 2021, 11, 1825. [Google Scholar] [CrossRef]
- Qiu, K.; Wang, R.; Peng, C.; Wang, N.; Cai, Z.; Zhang, C. Effects of Mn and Sn on microstructure of Al–7Si–Mg alloy modified by Sr and Al–5Ti–B. Trans. Nonferr. Met. Soc. China 2015, 25, 3546–3552. [Google Scholar] [CrossRef]
- Kaiser, M.; Datta, S.; Roychowdhury, A.; Banerjee, M.K. Effect of scandium on the microstructure and ageing behaviour of cast Al–6Mg alloy. Mater. Charact. 2008, 59, 1661–1666. [Google Scholar] [CrossRef]
- Apps, P.; Berta, M.; Prangnell, P. The effect of dispersoids on the grain refinement mechanisms during deformation of aluminium alloys to ultra-high strains. Acta Mater. 2005, 53, 499–511. [Google Scholar] [CrossRef]
- Su, D.; Zhang, J.; Wang, B. The microstructure and weldability in welded joints for AA 5356 aluminum alloy after adding modified trace amounts of Sc and Zr. J. Manuf. Process. 2020, 57, 488–498. [Google Scholar] [CrossRef]
- Lathabai, S.; Lloyd, P.G. The effect of scandium on the microstructure, mechanical properties and weldability of a cast Al–Mg alloy. Acta Mater. 2002, 50, 4275–4292. [Google Scholar] [CrossRef]
- Chen, S.L.; Jiang, F.; Yin, Z.M.; Lei, X.F.; Nie, B. Microstructure and properties of Al-Mg-Sc alloy weld joints filled with Al-Mg-Zr and Al-Mg-Zr-Sc weld wires. Zhongguo Youse Jinshu Xuebao/Chin. J. Nonferrous Met. 2006, 16, 835–840. [Google Scholar]
- Yan, K.; Chen, Z.; Lu, W.; Zhao, Y.; Le, W.; Naseem, S. Nucleation and growth of Al3Sc precipitates during isothermal aging of Al-0.55 wt% Sc alloy. Mater. Charact. 2021, 179, 111331. [Google Scholar] [CrossRef]
- Norman, A.; Prangnell, P.; McEwen, R. The solidification behaviour of dilute aluminium–scandium alloys. Acta Mater. 1998, 46, 5715–5732. [Google Scholar] [CrossRef]
- Babu, N.K.; Talari, M.K.; Pan, D.; Sun, Z.; Wei, J.; Sivaprasad, K. Microstructural characterization and grain refinement of AA6082 gas tungsten arc welds by scandium modified fillers. Mater. Chem. Phys. 2012, 137, 543–551. [Google Scholar] [CrossRef]
- Mohanty, P.; Gruzleski, J. Mechanism of grain refinement in aluminium. Acta Met. Mater. 1995, 43, 2001–2012. [Google Scholar] [CrossRef]
- Saad, G.; Fayek, S.; Fawzy, A.; Soliman, H.; Nassr, E. Serrated flow and work hardening characteristics of Al-5356 alloy. J. Alloy. Compd. 2010, 502, 139–146. [Google Scholar] [CrossRef]
- Kulitskiy, V.; Malopheyev, S.; Mironov, S.; Kaibyshev, R. Grain refinement in an Al-Mg-Sc alloy: Equal channel angular pressing versus friction-stir processing. Mater. Sci. Eng. A 2016, 674, 480–490. [Google Scholar] [CrossRef]
- Ryen, Ø.; Holmedal, B.; Nijs, O.; Nes, E.; Sjölander, E.; Ekström, H.-E. Strengthening mechanisms in solid solution aluminum alloys. Met. Mater. Trans. A 2006, 37, 1999–2006. [Google Scholar] [CrossRef]
- Valiev, R.; Enikeev, N.; Murashkin, M.; Kazykhanov, V.; Sauvage, X. On the origin of the extremely high strength of ultrafine-grained Al alloys produced by severe plastic deformation. Scr. Mater. 2010, 63, 949–952. [Google Scholar] [CrossRef] [Green Version]
- Liu, S.; Wang, J.; Li, F. Effect of Zr addition and heat treatment on microstructure and mechanical properties of Al-Zn-Mg-Cu alloy. Heat Treat. Met. 2018, 43, 27–30. [Google Scholar] [CrossRef]
- Feng, L.; Li, J.; Mao, Y. Study on the Mechanism of Strengthening and Toughening of Al-Mg-Sc-Zr Alloy with High Magnesium and Low Scandium. Rare Met. Mater. Eng. 2019, 48, 2857–2863. [Google Scholar]
- Zha, M.; Li, Y.; Mathiesen, R.H.; Bjørge, R.; Roven, H.J. Achieve high ductility and strength in an Al–Mg alloy by severe plastic deformation combined with inter-pass annealing. Mater. Sci. Eng. A 2014, 598, 141–146. [Google Scholar] [CrossRef]










| Alloy | Mg | Mn | Cr | Ti | Sc | Al |
|---|---|---|---|---|---|---|
| Alloy 1 | 5.0 | 0.15 | 0.15 | - | - | Bal. |
| Alloy 2 | 5.0 | 0.15 | 0.15 | 0.15 | - | Bal. |
| Alloy 3 | 5.0 | 0.15 | 0.15 | 0.15 | 0.15 | Bal. |
| Parameter | σ0/MPa | H/MPa·(wt.% Mg)−n | n | k/MPa·m1/2 | G/GPa | b/nm |
|---|---|---|---|---|---|---|
| Value | 19.2 | 12.1 | 1.14 | 0.17 | 26.9 | 0.286 |
| Alloy | Lattice Parameter/nm | Crystal Indices | Solid Solution Concentration/% | |
|---|---|---|---|---|
| (111) | (200) | |||
| Aluminum | 2.3379 | 2.0247 | / | |
| 0.40494 | 0.40494 | |||
| Average value of | 0.4049 | |||
| Al-5Mg | 2.3503 | 2.0349 | 4.56 | |
| 0.40708 | 0.40698 | |||
| Average value of | 0.4070 | |||
Publisher’s Note: MDPI stays neutral with regard to jurisdictional claims in published maps and institutional affiliations. |
© 2022 by the authors. Licensee MDPI, Basel, Switzerland. This article is an open access article distributed under the terms and conditions of the Creative Commons Attribution (CC BY) license (https://creativecommons.org/licenses/by/4.0/).
Share and Cite
Jiang, L.; Zhang, Z.; Bai, Y.; Li, S.; Mao, W. Study on Sc Microalloying and Strengthening Mechanism of Al-Mg Alloy. Crystals 2022, 12, 673. https://doi.org/10.3390/cryst12050673
Jiang L, Zhang Z, Bai Y, Li S, Mao W. Study on Sc Microalloying and Strengthening Mechanism of Al-Mg Alloy. Crystals. 2022; 12(5):673. https://doi.org/10.3390/cryst12050673
Chicago/Turabian StyleJiang, Long, Zhifeng Zhang, Yuelong Bai, Shilin Li, and Weimin Mao. 2022. "Study on Sc Microalloying and Strengthening Mechanism of Al-Mg Alloy" Crystals 12, no. 5: 673. https://doi.org/10.3390/cryst12050673
APA StyleJiang, L., Zhang, Z., Bai, Y., Li, S., & Mao, W. (2022). Study on Sc Microalloying and Strengthening Mechanism of Al-Mg Alloy. Crystals, 12(5), 673. https://doi.org/10.3390/cryst12050673

