Acoustic Emission Study on the Damage Evolution of a Corroded Reinforced Concrete Column under Axial Loads
Abstract
1. Introduction
2. Damage Model
3. Experimental Program
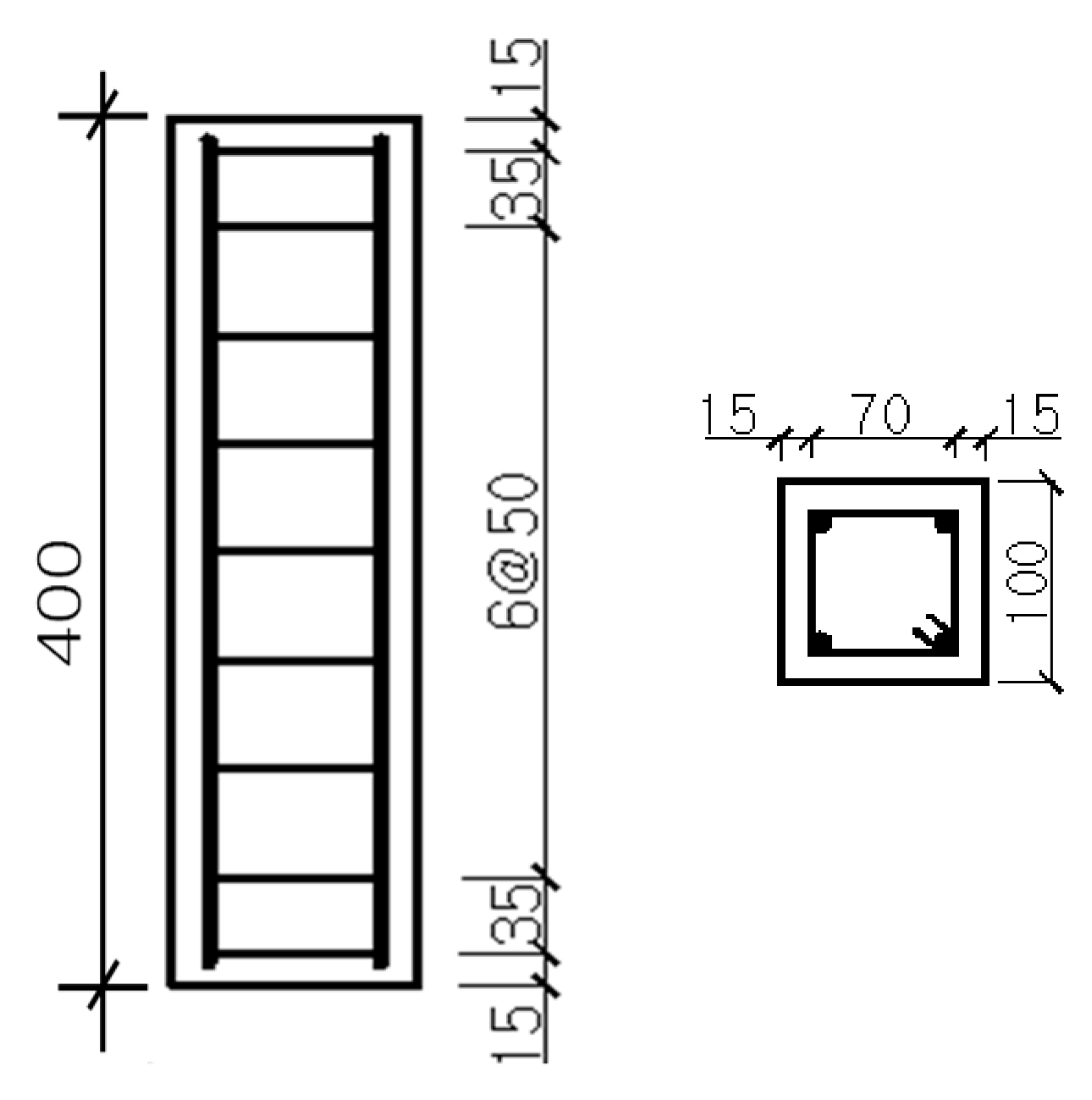
3.1. Specimen Preparation
3.2. Corrosion Acceleration
3.3. Test System
4. Results and Discussion
4.1. Accumulative AE Hit Number Analysis
4.2. Analysis of AE Energy Distribution
4.3. Damage Evolution Model of Corroded RC
4.4. Initial Damage of Corroded RC
5. Conclusions
- The corrosion degree of reinforcement in RC can be monitored by the AE signal in the whole loading process. The greater corrosion degree causes a stronger AE signal in the middle loading period, which means the initial damage of the RC columns is accelerated in this period.
- The corrosion rate can be used as a parameter in the V–N model. After regression comparison, the developed model has a high agreement with the actual data.
- Based on the AE rate process theory and the influence of the corrosion rate, the damage evolution model of the corroded RC column with different corrosion rates is established. It can be used to monitor the internal damage of RC columns at different corrosion rates and quantitatively evaluate the damage degree of the loading process.
Author Contributions
Funding
Conflicts of Interest
References
- Jiang, G.; Keller, J.; Bond, P.L.; Yuan, Z. Predicting concrete corrosion of sewers using artificial neural network. Water Res. 2016, 92, 52–60. [Google Scholar] [CrossRef] [PubMed]
- Fu, C.; Jin, X.; Ye, H.; Jin, N. Theoretical and experimental investigation of loading effects on chloride diffusion in saturated concrete. J. Adv. Concr. Technol. 2015. [Google Scholar] [CrossRef]
- Li, B.; Cai, L.; Zhu, W. Predicting Service Life of Concrete Structure Exposed to Sulfuric Acid Environment by Grey System Theory. Int. J. Civ. Eng. 2018, 16, 1017–1027. [Google Scholar] [CrossRef]
- Fu, C.; Ling, Y.; Wang, K. An innovation study on chloride and oxygen diffusions in simulated interfacial transition zone of cementitious material. Cem. Concr. Compos. 2020. [Google Scholar] [CrossRef]
- Huo, L.; Li, X.; Chen, D.; Li, H. Structural health monitoring using piezoceramic transducers as strain gauges and acoustic emission sensors simultaneously. Comput. Concr. 2017, 20, 595–603. [Google Scholar] [CrossRef]
- Mather, B. Concrete durability. Cem. Concr. Compos. 2004, 26, 3–4. [Google Scholar] [CrossRef]
- Zohari, M.H.; Epaarachchi, J.A.; Lau, K.T. Modal Acoustic Emission investigation for progressive failure monitoring in thin composite plates under tensile test. In Key Engineering Materials; Trans Tech Publications Ltd.: Baech, Switzerland, 2013; Volume 558, pp. 65–75. [Google Scholar] [CrossRef]
- Aggelis, D.G.; Shiotani, T.; Momoki, S.; Hirama, A. Acoustic emission and ultrasound for damage characterization of concrete elements. ACI Mater. J. 2009, 106, 509–514. [Google Scholar] [CrossRef]
- Iturrioz, I.; Lacidogna, G.; Carpinteri, A. Acoustic emission detection in concrete specimens: Experimental analysis and lattice model simulations. Int. J. Damage Mech. 2014, 327–358. [Google Scholar] [CrossRef]
- Nair, A.; Cai, C.S. Acoustic emission monitoring of bridges: Review and case studies. Eng. Struct. 2010, 32, 1704–1714. [Google Scholar] [CrossRef]
- Abouhussien, A.A.; Hassan, A.A.A. Evaluation of damage progression in concrete structures due to reinforcing steel corrosion using acoustic emission monitoring. J. Civ. Struct. Heal. Monit. 2015, 5, 751–765. [Google Scholar] [CrossRef]
- Vidya Sagar, R.; Raghu Prasad, B.K. A review of recent developments in parametric based acoustic emission techniques applied to concrete structures. Nondestruct. Test. Eval. 2012, 27, 47–68. [Google Scholar] [CrossRef]
- Desa, M.S.M.; Ibrahim, M.H.W.; Shahidan, S.; Ghadzali, N.S.; Misri, Z. Fundamental and assessment of concrete structure monitoring by using acoustic emission technique testing: A review. In Proceedings of the 4th International Conference on Civil and Environmental Engineering for Sustainability (IConCEES 2017), Langkawi, Malaysia, 4–5 December 2017; Volume 140. [Google Scholar] [CrossRef]
- Asamene, K.; Hudson, L.; Sundaresan, M. Influence of attenuation on acoustic emission signals in carbon fiber reinforced polymer panels. Ultrasonics 2015, 59, 86–93. [Google Scholar] [CrossRef] [PubMed]
- Mainali, G.; Dineva, S.; Nordlund, E. Experimental study on debonding of shotcrete with acoustic emission during freezing and thawing cycle. Cold Reg. Sci. Technol. 2015, 111, 1–12. [Google Scholar] [CrossRef]
- Masayasu, O.; Watanabe, H. Construction and Building Materials -Quantitative damage estimation of concrete by acoustic emission. Constr. Build. Mater. 2001, 15, 217–224. [Google Scholar] [CrossRef]
- Ji, H.; Zhang, T.; Cai, M.; Zhang, Z. Experimental study on concrete damage by dynamic asurement of acoustic emission. Chin. J. Rock Mech. Eng. 2000, 19, 165–168. [Google Scholar]
- Suzuki, T.; Ohtsu, M.; Shigeishi, M. Relative damage evaluation of concrete in a road bridge by AE rate-process analysis. Mater. Struct. Constr. 2007, 40, 221–227. [Google Scholar] [CrossRef]
- Suzuki, T.; Ogata, H.; Takada, R.; Aoki, M.; Ohtsu, M. Use of acoustic emission and X-ray computed tomography for damage evaluation of freeze-thawed concrete. Constr. Build. Mater. 2010, 24, 2347–2352. [Google Scholar] [CrossRef]
- Zhou, X.; Yang, Y.; Li, X.; Zhao, G. Acoustic emission characterization of the fracture process in steel fiber reinforced concrete. Comput. Concr. 2016, 18, 923–936. [Google Scholar] [CrossRef]
- Deng, Y.; Ding, Y.; Li, A. Experimental study on damage evolution of steel strands based on acoustic emission signals and rate process theory. J. Southeast Univ. (Nat. Sci. Ed.) 2010, 40, 1238–1242. [Google Scholar] [CrossRef]
- Li, X.; Huo, L.S.; Li, H.N. AE monitoring for the loading test of reinforced concrete column. J. Vib. Shock 2014, 33, 12–15. [Google Scholar] [CrossRef]
- Li, X.W. Application of working face rock burst prediction of grey modeling cusp catastrophe analysis based on the acoustic emission. Appl. Mech. Mater. 2013, 373–375, 689–693. [Google Scholar] [CrossRef]
- Qiang, L.I.; Zhonggou, C.H.E.N.; Dan, W.U. Temporal and Spatial Evolution of Acoustic Emission in the Damage Process of Reinforced Concrete Column. Appl. Mech. Mater. 2014, 638–640, 275–278. [Google Scholar] [CrossRef]
- Dai, S.T.; Labuz, J.F. Damage and failure analysis of brittle materials by acoustic emission. J. Mater. Civ. Eng. 1997, 9, 200–205. [Google Scholar] [CrossRef]
- Barrios, F.; Ziehl, P.H. Cyclic load testing for integrity evaluation of prestressed concrete girders. ACI Struct. J. 2012, 109, 615–624. [Google Scholar] [CrossRef]
- Wiedmann, A.; Weise, F.; Kotan, E.; Müller, H.S.; Meng, B. Effects of fatigue loading and alkali–silica reaction on the mechanical behavior of pavement concrete. Struct. Concr. 2017, 18, 539–549. [Google Scholar] [CrossRef]
- ASTM C150/C150M: Standard Specification for Portland Cement; ASTM International: West Conshohocken, PA, USA, 2020.
- Ohno, K.; Ohtsu, M. Crack classification in concrete based on acoustic emission. Constr. Build. Mater. 2010, 24, 2339–2346. [Google Scholar] [CrossRef]
- GB/T50152-2012: Standard for Test Method of Concrete Structures; TransForyou Co., Ltd.: Beijing, China, 2012.
- Rodríguez, P.; Celestino, T.B. Application of acoustic emission monitoring and signal analysis to the qualitative and quantitative characterization of the fracturing process in rocks. Eng. Fract. Mech. 2019, 210, 54–69. [Google Scholar] [CrossRef]
- Mostafapour, A.; Davoodi, S.; Ghareaghaji, M. Acoustic emission source location in plates using wavelet analysis and cross time frequency spectrum. Ultrasonics 2014, 54, 2055–2062. [Google Scholar] [CrossRef]
- Fan, X.; Hu, S.; Lu, J. Damage and fracture processes of concrete using acoustic emission parameters. Comput. Concr. 2016, 18, 267–278. [Google Scholar] [CrossRef]
- Abdelrahman, M.A.; ElBatanouny, M.K.; Rose, J.R.; Ziehl, P.H. Signal processing techniques for filtering acoustic emission data in prestressed concrete. Res. Nondestruct. Eval. 2019, 30, 127–148. [Google Scholar] [CrossRef]
- Liu, X.; Zhang, W.; Gu, X.; Ye, Z. Probability distribution model of stress impact factor for corrosion pits of high-strength prestressing wires. Eng. Struct. 2021, 230, 111686. [Google Scholar] [CrossRef]














| OPC (kg/m3) | Fine Aggregate (kg/m3) | Coarse Aggregate (kg/m3) | HRWR (kg/m3) | Water (kg/m3) |
|---|---|---|---|---|
| 372 | 698 | 1116 | 3.71 | 175 |
| Group Number | Fitting Equation | R2 |
|---|---|---|
| Z-0-1 | 0.91057 | |
| 0.80362 | ||
| Z-0-2 | 0.92083 | |
| 0.84135 | ||
| Z-5-1 | 0.88712 | |
| 0.80169 | ||
| Z-5-2 | 0.84131 | |
| 0.75148 | ||
| Z-10-1 | 0.77161 | |
| 0.71694 | ||
| Z-10-2 | 0.63221 | |
| 0.55148 | ||
| Z-15-1 | 0.60132 | |
| 0.45985 | ||
| Z-15-2 | 0.58443 | |
| 0.40871 |
| Parameter | Z-0 | Z-0 | Z-5 | Z-5 | Z-10 | Z-10 | Z-15 | Z-15 |
|---|---|---|---|---|---|---|---|---|
| m | 2985 | 3324 | 1684 | 1935 | 1885 | 1382 | 683 | 1256 |
| n | −120 | 24 | 256 | 504 | 832 | 450 | 1833 | 1836 |
Publisher’s Note: MDPI stays neutral with regard to jurisdictional claims in published maps and institutional affiliations. |
© 2021 by the authors. Licensee MDPI, Basel, Switzerland. This article is an open access article distributed under the terms and conditions of the Creative Commons Attribution (CC BY) license (http://creativecommons.org/licenses/by/4.0/).
Share and Cite
Chen, Y.; Zhu, S.; Ye, S.; Ling, Y.; Wu, D.; Zhang, G.; Du, N.; Jin, X.; Fu, C. Acoustic Emission Study on the Damage Evolution of a Corroded Reinforced Concrete Column under Axial Loads. Crystals 2021, 11, 67. https://doi.org/10.3390/cryst11010067
Chen Y, Zhu S, Ye S, Ling Y, Wu D, Zhang G, Du N, Jin X, Fu C. Acoustic Emission Study on the Damage Evolution of a Corroded Reinforced Concrete Column under Axial Loads. Crystals. 2021; 11(1):67. https://doi.org/10.3390/cryst11010067
Chicago/Turabian StyleChen, Ye, Shuang Zhu, Shenghua Ye, Yifeng Ling, Dan Wu, Geqiang Zhang, Nianfu Du, Xianyu Jin, and Chuanqing Fu. 2021. "Acoustic Emission Study on the Damage Evolution of a Corroded Reinforced Concrete Column under Axial Loads" Crystals 11, no. 1: 67. https://doi.org/10.3390/cryst11010067
APA StyleChen, Y., Zhu, S., Ye, S., Ling, Y., Wu, D., Zhang, G., Du, N., Jin, X., & Fu, C. (2021). Acoustic Emission Study on the Damage Evolution of a Corroded Reinforced Concrete Column under Axial Loads. Crystals, 11(1), 67. https://doi.org/10.3390/cryst11010067

