The Role of Chemical Substitutions on Bi-2212 Superconductors
Abstract
1. Introduction
2. Results
2.1. EDX
2.2. PXRD
2.3. SEM Morphology
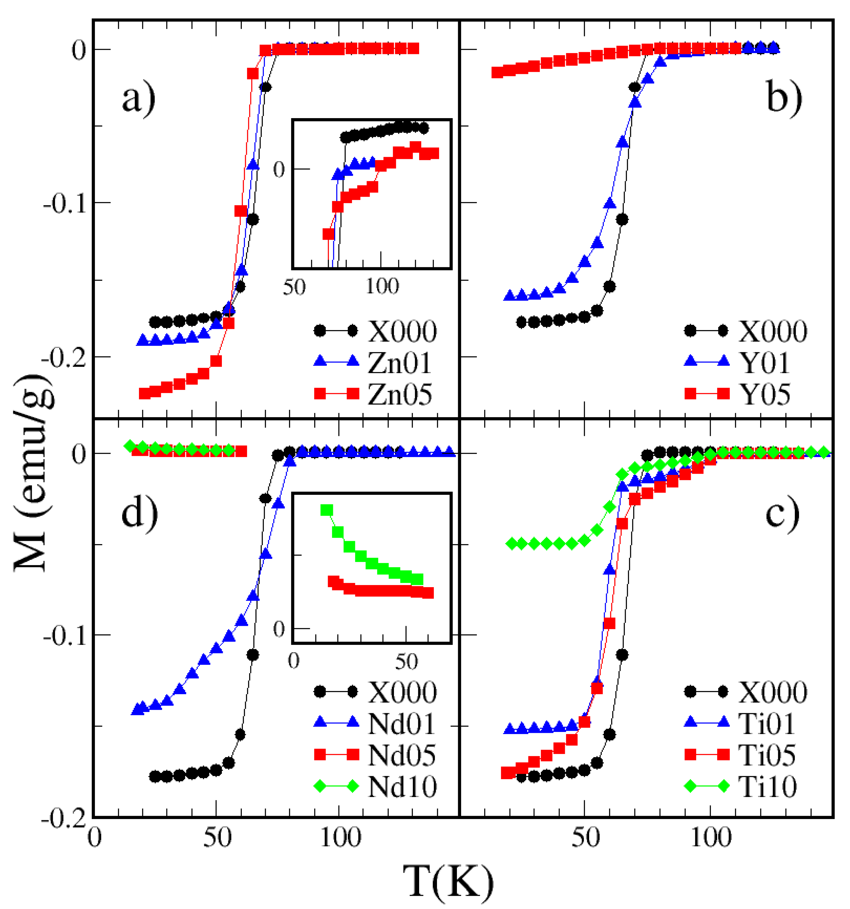
2.4. Magnetic Characterization
2.4.1. Nd
2.4.2. Y
2.4.3. Zn
2.4.4. Ti
3. Discussion and Conclusions
- We have measured (Bi,Pb)-2212 samples doped with Nd, Y, Zn, and Ti with content x exceeding the values reported in literature.
- Irrespective to the amount of substitutions, Ti induces the formation of the (Bi,Pb)-2223 phase in traces, clearly visible from the corresponding Tc value.
- The substituents show uniform compositional distribution, with no evidence of segregation, but leading to different grain size and grain connectivity.
- A high degree of substitutions (mainly for Y and Nd) induces similar structural changes (large contraction of the c-axis and a shorter expansion of b), but with a negative effect on Tc that remains unchanged for Y and has a strong reduction of the superconducting fraction; while it completely vanishes for Nd.
4. Materials and Methods
Supplementary Materials
Author Contributions
Funding
Acknowledgments
Conflicts of Interest
Abbreviations
| BSCCO | Bismuth based cuprates |
| EDX | Energy Dispersive X-ray Spectroscopy |
| HTS | High Temperature Superconductor |
| PXRD | Powder X-ray Diffraction |
| SEM | Scanning Electron Microscopy |
| ZFC | Zero Field Cooling |
References
- Maeda, H.; Tanaka, Y.; Fukutomi, M.; Asano, T. A new high-Tc oxide superconductor without a rare earth element. Jpn. J. Appl. Phys. 1988, 27, L209. [Google Scholar] [CrossRef]
- Manfredotti, C.; Truccato, M.; Rinaudo, G.; Allasia, D.; Volpe, P.; Benzi, P.; Agostino, A. Annealing temperature dependence of the 2223 phase volume fraction in the Bi–Sr–Ca–Cu–O system. Phys. C Supercond. 2001, 353, 184. [Google Scholar] [CrossRef]
- Eisaki, H.; Kaneko, N.; Feng, D.L.; Damascelli, A.; Mang, P.K.; Shen, K.M.; Shen, Z.-X.; Greven, M. Effect of chemical inhomogeneity in bismuth-based copper oxide superconductors. Phys. Rev. B 2004, 69, 064512. [Google Scholar] [CrossRef]
- Miao, H.; Kitaguchi, H.; Kumakura, H.; Togano, K.; Hasegawa, T.; Koizumi, T. Jc enhancement of Bi-2212/Ag multilayer tapes by per-annealing and intermediate rolling process. Adv. Cryogenic Eng. 2000, 46, 559. [Google Scholar]
- Togano, K.; Kumakura, H.; Maeda, H.; Yanagisawa, E.; Takahashi, K. Properties of Pb-doped Bi-Sr-Ca-Cu-O superconductors. Appl. Phys. Lett. 1988, 53, 1329. [Google Scholar] [CrossRef]
- Coşkun, A.; Ekicibil, A.; Özçelik, B. Superconductivity of Bi1.6Pb0.4Sr2Ca3Cu4O12. Chin. Phys. Lett. 2002, 19, 1863. [Google Scholar]
- Kumar, J.; Ahluwalia, P.K.; Kishan, H.; Awana, V.P.S. Significant Improvement in Superconductivity by Substituting Pb at Bi-site in Bi2-xPbxSr2CaCu2O8 with x = 0.0 to 0.40. J. Supercond. Nov. Magn. 2010, 23, 493–499. [Google Scholar] [CrossRef]
- Bouaïcha, F.; Mosbah, M.F.; Amira, A.; Ait-Kaki, A.; Boussouf, N. Effect of Zn doping in Bi (Pb)-2212 superconducting ceramics. Phys. Stat. Sol. 2006, 3, 3036. [Google Scholar] [CrossRef]
- Hamid, N.A.; Abd-Shukor, R. Effects of TiO2 addition on the superconducting properties of Bi-Sr-Ca-Cu-O system. J. Mater. Sci. 2000, 35, 2325. [Google Scholar] [CrossRef]
- Biju, A.; Syamaprasad, U.; Rao, A.; Xu, J.G.; Sivakumar, K.M.; Kuo, Y.K. Structural and transport properties of Nd doped (Bi, Pb)-2212. Phys. C Supercond. 2007, 466, 69. [Google Scholar] [CrossRef]
- Bal, S.; Dogruer, M.; Yildirim, G.; Varilci, A.; Terzioglu, C.; Zalaoglu, Y. Role of Cerium Addition on Structural and Superconducting Properties of Bi-2212 System. J. Supercond. Novel Magnet. 2012, 25, 847. [Google Scholar] [CrossRef]
- Chen, D.; Brug, J.A. Demagnetizing factors for cylinders. IEEE Trans. Magnet. 1991, 21, 3601. [Google Scholar] [CrossRef]
- Zavaritskî, N.V.; Zavaritskî, V.N.; Mackenzie, A.P.; Orekhov, Y.F. Effect of yttrium on the increase in Tc of Bi(2212) crystals. JETP Lett. 1994, 60, 193. [Google Scholar]
- Özçelik, B.; Nane, O.; Sotelo, A.; Madre, M.A. Effect of Yttrium substitution on superconductivity in Bi-2212 textured rods prepared by a LFZ technique. Ceram. Int. 2016, 42, 3418–3423. [Google Scholar] [CrossRef][Green Version]
- Kuo, Y.K.; Schneider, C.W.; Skove, M.J.; Nevitt, M.V.; Tessema, G.X.; McGee, J.J. Effect of magnetic and nonmagnetic impurities (Ni, Zn) substitution for Cu in Bi2(SrCa)2+n(Cu1-xMx)1+nOy whiskers. Phys. Rev. B 1997, 56, 6201. [Google Scholar] [CrossRef]
- Lu, Y.F.; Qiu, X.L.; Chao, X.X. The effect of titanium substitution in the Bi1.6Pb0.4Sr2Ca2Cu3-xTixO10+y system. Solid State Commun. 1995, 95, 259. [Google Scholar] [CrossRef]
- Hermiz, G.Y.; Abbass, M.M.; Gilioli, E. Superconductivity of (Bi0.7Pb0.3)2AgxSr2Ca2Cu3O10+δ (0≤ x ≤ 0.5). Atti Della Fondazione Giorgio Ronchi 2009, 64, 1–8. [Google Scholar]




| Specimen | Mass | Element | Tc (K) | |||||||
|---|---|---|---|---|---|---|---|---|---|---|
| (mg) | Bi | Pb | Sr | Ca | Cu | Dopant | 2212 | 2223 | ||
| X000 | 32.4 | 1.74 | 0.39 | 1.75 | 0.73 | 2.39 | - | - | 79 | |
| Zn01 | 114.6 | 1.68 | 0.38 | 1.70 | 0.74 | 2.42 | Zn | 0.09 | 75 | |
| Zn05 | 34.6 | 1.65 | 0.35 | 1.62 | 0.81 | 2.25 | Zn | 0.32 | 71 | 100? |
| Y01 | 68.2 | 1.81 | 0.16 | 1.78 | 0.91 | 2.16 | Y | 0.18 | 102 | |
| Y05 | 62.9 | 1.62 | 0.27 | 1.62 | 0.90 | 1.95 | Y | 0.64 | 79 | |
| Ti01 | 79.8 | 1.86 | 0.30 | 1.69 | 0.99 | 2.07 | Ti | 0.08 | 65 | 108 |
| Ti05 | 89.7 | 1.86 | 0.23 | 1.72 | 0.95 | 1.92 | Ti | 0.32 | 65 | 108 |
| Ti10 | 72.2 | 1.63 | 0.27 | 1.75 | 0.81 | 1.88 | Ti | 0.67 | 65 | 104 |
| Nd01 | 60.5 | 1.63 | 0.26 | 1.79 | 0.76 | 2.41 | Nd | 0.17 | 82 | |
| Nd05 | 32.0 | 1.41 | 0.04 | 1.76 | 0.88 | 2.25 | Nd | 0.67 | - | |
| Nd10 | 71.4 | 1.42 | 0.29 | 1.60 | 0.85 | 2.17 | Nd | 0.67 | - | |
© 2020 by the authors. Licensee MDPI, Basel, Switzerland. This article is an open access article distributed under the terms and conditions of the Creative Commons Attribution (CC BY) license (http://creativecommons.org/licenses/by/4.0/).
Share and Cite
Cabassi, R.; Delmonte, D.; Abbas, M.M.; Abdulridha, A.R.; Gilioli, E. The Role of Chemical Substitutions on Bi-2212 Superconductors. Crystals 2020, 10, 462. https://doi.org/10.3390/cryst10060462
Cabassi R, Delmonte D, Abbas MM, Abdulridha AR, Gilioli E. The Role of Chemical Substitutions on Bi-2212 Superconductors. Crystals. 2020; 10(6):462. https://doi.org/10.3390/cryst10060462
Chicago/Turabian StyleCabassi, Riccardo, Davide Delmonte, Muna Mousa Abbas, Ali Razzak Abdulridha, and Edmondo Gilioli. 2020. "The Role of Chemical Substitutions on Bi-2212 Superconductors" Crystals 10, no. 6: 462. https://doi.org/10.3390/cryst10060462
APA StyleCabassi, R., Delmonte, D., Abbas, M. M., Abdulridha, A. R., & Gilioli, E. (2020). The Role of Chemical Substitutions on Bi-2212 Superconductors. Crystals, 10(6), 462. https://doi.org/10.3390/cryst10060462

