Influence of Chemical Surface Characteristics of Ammonium-Modified Chilean Zeolite on Oak Catalytic Pyrolysis
Abstract
1. Introduction
2. Results and Discussion
2.1. Biomass and Natural Zeolite Characterization
2.2. Characterization of Acid Sites by Pyridine-DRIFT
2.3. Influence of Chemical Surface Characteristics of Zeolite Samples in Bio-Oil Composition
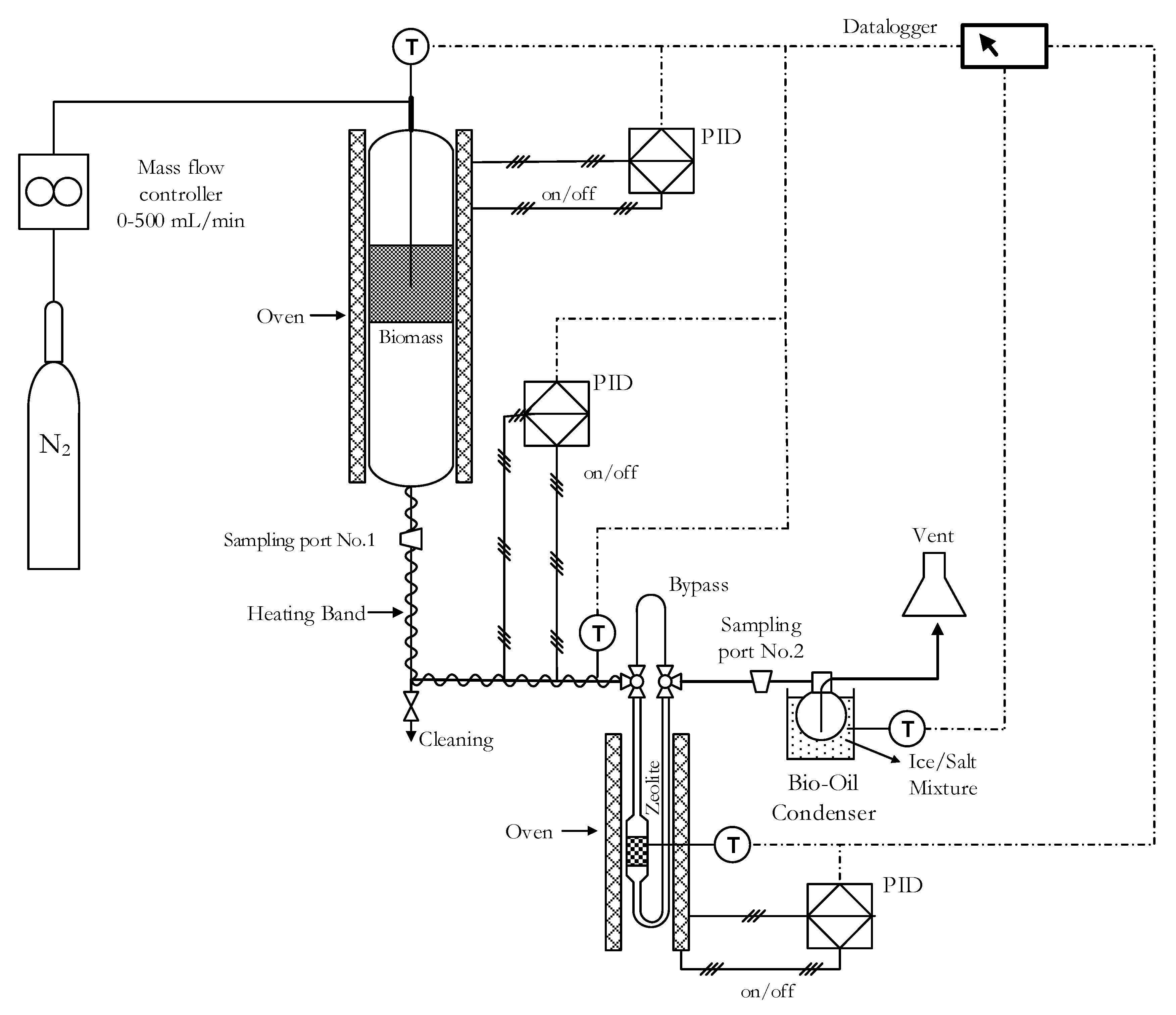
3. Materials and Methods
4. Conclusions
Author Contributions
Funding
Acknowledgments
Conflicts of Interest
References
- Borsatto, F.; Inglezakis, V.J. Natural zeolite markets and strategic considerations. In Handbook of Natural Zeolites; Bentham Science Publishers: Bacau, Romania, 2012; pp. 11–27. ISBN 9781608054466. [Google Scholar]
- Fankhauser, S.; Jotzo, F. Economic growth and development with low-carbon energy. Wiley Interdiscip. Rev. Clim. Chang. 2017, 9, e495. [Google Scholar] [CrossRef]
- Zeng, S.; Liu, Y.; Liu, C.; Nan, X. A review of renewable energy investment in the BRICS countries: History, models, problems and solutions. Renew. Sustain. Energy Rev. 2017, 74, 860–872. [Google Scholar] [CrossRef]
- Rahman, F.A.; Aziz, M.M.A.; Saidur, R.; Bakar, W.A.W.A.; Hainin, M.R.; Putrajaya, R.; Hassan, N.A. Pollution to solution: Capture and sequestration of carbon dioxide (CO2) and its utilization as a renewable energy source for a sustainable future. Renew. Sustain. Energy Rev. 2017, 71, 112–126. [Google Scholar] [CrossRef]
- Demirbaş, A.; Arin, G. An overview of biomass pyrolysis. Energy Sources 2002, 24, 471–482. [Google Scholar] [CrossRef]
- Papari, S.; Hawboldt, K. A review on condensing system for biomass pyrolysis process. Fuel Process. Technol. 2018, 180, 1–13. [Google Scholar] [CrossRef]
- Hosoya, T.; Kawamoto, H.; Saka, S. Solid/liquid- and vapor-phase interactions between cellulose- and lignin-derived pyrolysis products. J. Anal. Appl. Pyrolysis 2009, 85, 237–246. [Google Scholar] [CrossRef]
- Zanuttini, M.S.; Lago, C.D.; Querini, C.A.; Peralta, M.A. Deoxygenation of m-cresol on Pt/γ-Al2O3 catalysts. Catal. Today 2013, 213, 9–17. [Google Scholar] [CrossRef]
- Gurevich Messina, L.I.; Bonelli, P.R.; Cukierman, A.L. In-situ catalytic pyrolysis of peanut shells using modified natural zeolite. Fuel Process. Technol. 2017, 159, 160–167. [Google Scholar] [CrossRef]
- Rezaei, P.S.; Shafaghat, H.; Daud, W.M.A.W. Production of green aromatics and olefins by catalytic cracking of oxygenate compounds derived from biomass pyrolysis: A review. Appl. Catal. A Gen. 2014, 469, 490–511. [Google Scholar] [CrossRef]
- Mohammed, I.Y.; Kazi, F.K.; Yusup, S.; Alaba, P.A.; Sani, Y.M.; Abakr, Y.A. Catalytic intermediate pyrolysis of Napier grass in a fixed bed reactor with ZSM-5, HZSM-5 and zinc-exchanged zeolite-a as the catalyst. Energies 2016, 9, 246. [Google Scholar] [CrossRef]
- Imran, A.; Bramer, E.A.; Seshan, K.; Brem, G. Catalytic flash pyrolysis of biomass using different types of zeolite and online vapor fractionation. Energies 2016, 9, 187. [Google Scholar] [CrossRef]
- ACS Material Advanced Chemicals Supplier. Available online: https://www.acsmaterial.com/materials/molecular-sieves.html (accessed on 23 October 2018).
- Inglezakis, V.J.; Zorpas, A.A. Physical and Chemical Properties. In Handbook of Natural Zeolites; EBooks, B., Ed.; Bentham Science Publishers: Bacau, Romania, 2012; pp. 70–102. ISBN 9781608052615. [Google Scholar]
- Serrano, D.P.; Melero, J.A.; Morales, G.; Iglesias, J.; Pizarro, P. Progress in the design of zeolite catalysts for biomass conversion into biofuels and bio-based chemicals. Catal. Rev. 2018, 60, 1–70. [Google Scholar] [CrossRef]
- Pütün, E.; Uzun, B.B.; Pütün, A.E. Fixed-bed catalytic pyrolysis of cotton-seed cake: Effects of pyrolysis temperature, natural zeolite content and sweeping gas flow rate. Bioresour. Technol. 2006, 97, 701–710. [Google Scholar] [CrossRef] [PubMed]
- Aho, A.; Kumar, N.; Eränen, K.; Salmi, T.; Hupa, M.; Murzin, D.Y. Catalytic pyrolysis of woody biomass in a fluidized bed reactor: Influence of the zeolite structure. Fuel 2008, 87, 2493–2501. [Google Scholar] [CrossRef]
- Alejandro-Martín, S.; Cerda-Barrera, C.; Montecinos, A.; Martín, S.A.; Cerda-Barrera, C.; Montecinos, A. Catalytic Pyrolysis of Chilean Oak: Influence of Brønsted Acid Sites of Chilean Natural Zeolite. Catalysts 2017, 7, 356. [Google Scholar] [CrossRef]
- Ateş, F.; Pütün, A.E.; Pütün, E. Fixed bed pyrolysis of Euphorbia rigida with different catalysts. Energy Convers. Manag. 2005, 46, 421–432. [Google Scholar] [CrossRef]
- Rajić, N.; Logar, N.Z.; Rečnik, A.; El-Roz, M.; Thibault-Starzyk, F.; Sprenger, P.; Hannevold, L.; Andersen, A.; Stöcker, M. Hardwood lignin pyrolysis in the presence of nano-oxide particles embedded onto natural clinoptilolite. Microporous Mesoporous Mater. 2013, 176, 162–167. [Google Scholar] [CrossRef]
- Milovanovic, J.; Stensrød, R.; Myhrvold, E.; Tschentscher, R.; Stöcker, M.; Lazarevic, S.; Rajic, N. Modification of natural clinoptilolite and ZSM-5 with different oxides and studying of the obtained products in lignin pyrolysis. J. Serbian Chem. Soc. 2015, 80, 717–729. [Google Scholar] [CrossRef]
- Corma Canos, A.; Iborra, S.; Velty, A. Chemical routes for the transformation of biomass into chemicals. Chem. Rev. 2007, 107, 2411–2502. [Google Scholar] [CrossRef]
- French, R.; Czernik, S. Catalytic pyrolysis of biomass for biofuels production. Fuel Process. Technol. 2010, 91, 25–32. [Google Scholar] [CrossRef]
- de Wild, P.; Reith, H.; Heeres, E. Biomass pyrolysis for chemicals. Biofuels 2011, 2, 185–208. [Google Scholar] [CrossRef]
- Mohan, D.; Pittman, C.U.; Steele, P.H. Pyrolysis of Wood/Biomass for Bio-oil: A Critical Review. Energy Fuels 2006, 20, 848–889. [Google Scholar] [CrossRef]
- Gregg, S.J.; Sing, K.S.W. Adsortion, Surface Area and Porosity; Academic Press: London, UK, 1982; ISBN 12-300950-2. [Google Scholar]
- Englert, A.H.; Rubio, J. Characterization and environmental application of a Chilean natural zeolite. Int. J. Miner. Process. 2005, 75, 21–29. [Google Scholar] [CrossRef]
- Christidis, G.E.; Moraetis, D.; Keheyan, E.; Akhalbedashvili, L.; Kekelidze, N.; Gevorkyan, R.; Yeritsyan, H.; Sargsyan, H. Chemical and thermal modification of natural HEU-type zeolitic materials from Armenia, Georgia and Greece. Appl. Clay Sci. 2003, 24, 79–91. [Google Scholar] [CrossRef]
- Valdés, H.; Alejandro, S.; Zaror, C.A. Natural zeolite reactivity towards ozone: The role of compensating cations. J. Hazard. Mater. 2012, 227–228, 34–40. [Google Scholar] [CrossRef]
- Alejandro, S.; Valdés, H.; Manero, M.-H.H.; Zaror, C.A.A. BTX abatement using Chilean natural zeolite: The role of Bronsted acid sites. Water Sci. Technol. 2012, 66, 1759–1769. [Google Scholar] [CrossRef] [PubMed]
- Leliveld, B.R.G.; Kerkhoffs, M.; Broersma, F.A.; van Dillen, J.A.J.; Geus, J.W.; Koningsberger, D.C. Acidic properties of synthetic saponites studied by pyridine IR and TPD-TG of n-propylamine. J. Chem. Soc. Trans. 1998, 94, 315–321. [Google Scholar] [CrossRef]
- Konan, K.L.; Peyratout, C.; Smith, A.; Bonnet, J.-P.; Magnoux, P.; Ayrault, P. Surface modifications of illite in concentrated lime solutions investigated by pyridine adsorption. J. Colloid Interface Sci. 2012, 382, 17–21. [Google Scholar] [CrossRef]
- Simon-Masseron, A.; Marques, J.P.; Lopes, J.M.; Ribeiro, F.R.; Gener, I.; Guisnet, M. Influence of the Si/Al ratio and crystal size on the acidity and activity of HBEA zeolites. Appl. Catal. A Gen. 2007, 316, 75–82. [Google Scholar] [CrossRef]
- Osman, A.I.; Abu-Dahrieh, J.K.; Rooney, D.W.; Halawy, S.A.; Mohamed, M.A.; Abdelkader, A. Effect of precursor on the performance of alumina for the dehydration of methanol to dimethyl ether. Appl. Catal. B Environ. 2012, 127, 307–315. [Google Scholar] [CrossRef]
- Ajaikumar, S.; Pandurangan, A. Efficient synthesis of quinoxaline derivatives over ZrO2/MxOy (M = Al, Ga, In and La) mixed metal oxides supported on MCM-41 mesoporous molecular sieves. Appl. Catal. A Gen. 2009, 357, 184–192. [Google Scholar] [CrossRef]
- Karthik, M.; Magesh, C.J.; Perumal, P.T.; Palanichamy, M.; Arabindoo, B.; Murugesan, V. Zeolite-catalyzed ecofriendly synthesis of vibrindole A and bis(indolyl)methanes. Appl. Catal. A Gen. 2005, 286, 137–141. [Google Scholar] [CrossRef]
- Kostyniuk, A.; Key, D.; Mdleleni, M. Effect of Fe-Mo promoters on HZSM-5 zeolite catalyst for 1-hexene aromatization. J. Saudi Chem. Soc. 2018. [Google Scholar] [CrossRef]
- Tamura, M.; Shimizu, K.; Satsuma, A. Comprehensive IR study on acid/base properties of metal oxides. Appl. Catal. A Gen. 2012, 433–434, 135–145. [Google Scholar] [CrossRef]
- Adam, J.; Blazsó, M.; Mészáros, E.; Stocker, M.; Nilsen, M.H.; Bouzga, A.; Hustad, J.E.; Gronli, M.; Oye, G. Pyrolysis of biomass in the presence of Al-MCM-41 type catalysts. Fuel 2005, 84, 1494–1502. [Google Scholar] [CrossRef]
- Rahman, M.M.; Liu, R.; Cai, J. Catalytic fast pyrolysis of biomass over zeolites for high quality bio-oil – A review. Fuel Process. Technol. 2018, 180, 32–46. [Google Scholar] [CrossRef]
- Alejandro, S.; Valdés, H.; Manéro, M.-H.M.H.; Zaror, C.A. Oxidative regeneration of toluene-saturated natural zeolite by gaseous ozone: The influence of zeolite chemical surface characteristics. J. Hazard. Mater. 2014, 274, 212–220. [Google Scholar] [CrossRef]
- Wang, K.; Kim, K.H.; Brown, R.C. Catalytic pyrolysis of individual components of lignocellulosic biomass. Green Chem. 2014, 16. [Google Scholar] [CrossRef]
- Liu, S.-N.; Cao, J.-P.; Zhao, X.-Y.; Wang, J.-X.; Ren, X.-Y.; Yuan, Z.-S.; Guo, Z.-X.; Shen, W.-Z.; Bai, J.; Wei, X.-Y. Effect of zeolite structure on light aromatics formation during upgrading of cellulose fast pyrolysis vapor. J. Energy Inst. 2018. [Google Scholar] [CrossRef]
- Zheng, A.; Zhao, Z.; Chang, S.; Huang, Z.; Wu, H.; Wang, X.; He, F.; Li, H. Effect of crystal size of ZSM-5 on the aromatic yield and selectivity from catalytic fast pyrolysis of biomass. J. Mol. Catal. A Chem. 2014, 383–384, 23–30. [Google Scholar] [CrossRef]
- Veses, A.; Aznar, M.; Martínez, I.; Martínez, J.D.; López, J.M.; Navarro, M.V.; Callén, M.S.; Murillo, R.; García, T. Catalytic pyrolysis of wood biomass in an auger reactor using calcium-based catalysts. Bioresour. Technol. 2014, 162, 250–258. [Google Scholar] [CrossRef]
- Che, Q.; Yang, M.; Wang, X.; Chen, X.; Chen, W.; Yang, Q.; Yang, H.; Chen, H. Aromatics production with metal oxides and ZSM-5 as catalysts in catalytic pyrolysis of wood sawdust. Fuel Process. Technol. 2019, 188, 146–152. [Google Scholar] [CrossRef]
- Che, Q.; Yang, M.; Wang, X.; Yang, Q.; Rose Williams, L.; Yang, H.; Zou, J.; Zeng, K.; Zhu, Y.; Chen, Y.; Chen, H. Influence of physicochemical properties of metal modified ZSM-5 catalyst on benzene, toluene and xylene production from biomass catalytic pyrolysis. Bioresour. Technol. 2019, 278, 248–254. [Google Scholar] [CrossRef]
- López, A.; de Marco, I.; Caballero, B.M.; Laresgoiti, M.F.; Adrados, A.; Torres, A. Pyrolysis of municipal plastic wastes II: Influence of raw material composition under catalytic conditions. Waste Manag. 2011, 31, 1973–1983. [Google Scholar] [CrossRef] [PubMed]
- Chen, D.; Zhou, J.; Zhang, Q.; Zhu, X. Evaluation methods and research progresses in bio-oil storage stability. Renew. Sustain. Energy Rev. 2014, 40, 69–79. [Google Scholar] [CrossRef]
- Holladay, J.E.; White, J.F.; Bozell, J.J.; Johnson, D. Top Value-Added Chemicals from Biomass Volume II - Results of Screening for Potential Candidates from Biorefinery Lignin. Pacific Northwest Natl. Lab. 2007, II, 87. [Google Scholar] [CrossRef]
- Imam, T.; Capareda, S. Characterization of bio-oil, syn-gas and bio-char from switchgrass pyrolysis at various temperatures. J. Anal. Appl. Pyrolysis 2012, 93, 170–177. [Google Scholar] [CrossRef]
- Zhang, H.; Liu, X.; Lu, M.; Hu, X.; Lu, L.; Tian, X.; Ji, J. Role of Brønsted acid in selective production of furfural in biomass pyrolysis. Bioresour. Technol. 2014, 169, 800–803. [Google Scholar] [CrossRef]
- Mihalcik, D.J.; Mullen, C.A.; Boateng, A.A. Screening acidic zeolites for catalytic fast pyrolysis of biomass and its components. J. Anal. Appl. Pyrolysis 2011, 92, 224–232. [Google Scholar] [CrossRef]
- Erol, M.; Haykiri-Acma, H.; Küçükbayrak, S. Calorific value estimation of biomass from their proximate analyses data. Renew. Energy 2010, 35, 170–173. [Google Scholar] [CrossRef]
- Parikh, J.; Channiwala, S.A.; Ghosal, G.K. A correlation for calculating HHV from proximate analysis of solid fuels. Fuel 2005, 84, 487–494. [Google Scholar] [CrossRef]
- Alejandro, S.; Valdés, H.; Zaror, C.A. Natural Zeolite Reactivity Towards Ozone: The Role of Acid Surface Sites. J. Adv. Oxid. Technol. 2011, 14, 182–189. [Google Scholar] [CrossRef]
- Valdés, H.; Farfán, V.J.; Manoli, J.A.; Zaror, C.A. Catalytic ozone aqueous decomposition promoted by natural zeolite and volcanic sand. J. Hazard. Mater. 2008, 165, 915–922. [Google Scholar] [CrossRef] [PubMed]
- Garcia-Perez, M.; Chaala, A.; Pakdel, H.; Kretschmer, D.; Roy, C. Characterization of bio-oils in chemical families. Biomass and Bioenergy 2007, 31, 222–242. [Google Scholar] [CrossRef]
- Kanaujia, P.K.; Sharma, Y.K.; Garg, M.O.; Tripathi, D.; Singh, R. Review of analytical strategies in the production and upgrading of bio-oils derived from lignocellulosic biomass. J. Anal. Appl. Pyrolysis 2014, 105, 55–74. [Google Scholar] [CrossRef]



| VM [wt%] | FC [wt%] | Ash [wt%] | GCV a [MJ·kg−1] | GCV b [MJ·kg−1] | Cellulose [%] | Hemicellulose [%] c | Lignin [%] | Extractives [%] | C | H | O | N |
|---|---|---|---|---|---|---|---|---|---|---|---|---|
| 85.74 | 12.62 | 1.64 | 20.72 | 24.93 | 35.38 | 35.55 | 27.10 | 1.97 | 47.30 | 6.36 | 46.34 | - |
| Sample | S a [m2·g−1] | SiO2 b [% w/w] | Al2O3 b [% w/w] | Na2O b [% w/w] | CaO b [% w/w] | K2O b [% w/w] | MgO b [% w/w] | TiO2 b [% w/w] | Fe2O3 b [% w/w] | MnO b [% w/w] | P2O5 b [% w/w] | CuO b [% w/w] | Si/Al |
|---|---|---|---|---|---|---|---|---|---|---|---|---|---|
| NZ | 168.17 | 71.61 | 15.18 | 2.0 | 3.43 | 2.03 | 0.74 | 0.61 | 3.99 | 0.06 | 0.12 | 0.03 | 4.72 |
| NHZ | 228.21 | 74.39 | 15.42 | 0.83 | 2.16 | 1.99 | 0.61 | 0.57 | 3.57 | 0.04 | 0.08 | - | 4.82 |
| 2NHZ | 219.14 | 75.27 | 15.59 | 0.46 | 1.67 | 1.92 | 0.59 | 0.60 | 3.53 | 0.05 | 0.08 | - | 4.83 |
| Temperature [K] | CBAS/CLAS Ratio | ||
|---|---|---|---|
| NZ | NHZ | 2NHZ | |
| 293 | 0.97 | 1.71 | 2.74 |
| 573 | 1.34 | 1.36 | 1.42 |
| *Fam | Compounds | % Area | Compounds | % Area | ||||
|---|---|---|---|---|---|---|---|---|
| NZ | NHZ | 2NHZ | NZ | NHZ | 2NHZ | |||
| Ald | Butanedial | 0.21 | 2,5-Dimethoxy-4-methylbenzaldehyde | 0.88 | 0.76 | |||
| Syringaldehyde | 0.26 | 2-Furancarboxaldehyde, 5-methyl- | 0.23 | |||||
| Furfural | 0.56 | 0.40 | 31.03 | 4-Hydroxy-2-methylbenzaldehyde | 0.42 | |||
| Furfural, 5-methyl- | 0.41 | 2.17 | 2,5-Dimethoxy-4-ethylbenzaldehyde | 3.62 | 0.88 | |||
| Ket | Acetosyringone | 0.68 | 2-Cyclopenten-1-one, 3,4-dimethyl- | 0.72 | ||||
| 1,2-Cyclopentanedione | 0.66 | 2-Cyclopenten-1-one, 3,5,5-trimethyl- | 4.81 | |||||
| Guaiacylacetone | 0.55 | 0.46 | 2H-Pyran-2-one, 3-acetyl-4-hydroxy-6-methyl- | 7.52 | ||||
| 2-Cyclopentene-1,4-dione | 0.55 | Ethanone, 1-(4-hydroxy-3-methoxyphenyl)- | 0.15 | 0.16 | ||||
| 2(5H)-Furanone, 5-methyl- | 0.27 | 3,4-Dihydro-6-methyl-2H-pyran-2-one | 0.51 | |||||
| 2-Cyclohexen-1-one, 2-methyl- | 0.23 | 3-Cyclopenten-1-one, 2,2,5,5-tetramethyl- | 0.34 | |||||
| 1,3-Cyclopentanedione, 2-ethyl- | 0.94 | 3H-Pyrazol-3-one, 2,4-dihydro-2,4-dimethyl- | 0.28 | |||||
| 2-Cyclopenten-1-one, 2-hydroxy- | 1.12 | 3H-Pyrazol-3-one, 2,4-dihydro-2,5-dimethyl- | 1.75 | |||||
| 2-Acetyl-5-methylfuran | 7.10 | 3-methyl-1, 2-cyclopentanedione | 0.88 | 1.58 | ||||
| Est | 1-Propionylethyl acetate | 0.87 | Propanoic acid, ethenyl ester | 0.27 | 0.17 | |||
| Butyric acid, neopentyl ester | 0.17 | Tricosanoic acid, methyl ester | 33.33 | 0.18 | ||||
| Eth | Benzene, ethoxy- | 0.74 | Benzene, 2-ethoxy-1,3-dimethoxy- | 13.72 | ||||
| 1,2,4-Trimethoxybenzene | 6.43 | 5.37 | 1,2,3-Trimethoxy-5-methylbenzene | 13.94 | 11.06 | |||
| Benzene, 1-ethoxy-4-methyl- | 1.14 | Ether, 3-butenyl propyl | 0.17 | |||||
| HC | Hexacosane | 0.17 | 0.22 | 0.56 | Nonacosane | 0.13 | 0.45 | |
| 4-Decene, 3-methyl-, (E)- | 0.19 | Octacosane | 0.15 | 0.51 | ||||
| Docosane | 0.23 | 0.39 | 0.40 | Pentacosane | 0.29 | 0.64 | 0.72 | |
| Heneicosane | 0.23 | 0.12 | Tetracosane | 0.45 | 0.38 | 0.92 | ||
| Hentriacontane | 0.33 | Triacontane | 0.39 | |||||
| Heptacosane | 0.25 | 0.38 | 0.52 | Tricosane | 0.33 | 0.69 | ||
| Phe | Phenol, 2-methoxy- | 1.47 | 4.05 | 5.29 | Phenol, 2-methoxy-3-(2-propenyl)- | 0.57 | ||
| 2-Isopropoxyphenol | 0.42 | Phenol, 2-methoxy-4-methyl- | 3.32 | 1.13 | ||||
| 2-Methoxy-4-vinylphenol | 0.80 | 1.04 | Phenol, 2-methyl- | 0.78 | ||||
| 2-Methoxy-5-methylphenol | 0.51 | Phenol, 3,4-dimethoxy- | 0.36 | 1.09 | ||||
| 4-Ethylguaiacol | 0.38 | 6.43 | Phenol, 3,4-dimethyl- | 0.76 | 0.08 | |||
| Desaspidinol | 1.17 | 1.11 | p-Methylguaiacol | 1.54 | 5.65 | |||
| Eugenol | 0.54 | p-Propylguaiacol | 0.85 | |||||
| Homopyrocatechol | 0.29 | 1.25 | Pyrocatechol | 0.42 | 2.22 | |||
| Isoeugenol | 7.76 | 7.23 | Pyrocatechol, 3-methoxy- | 0.61 | 2.19 | |||
| Methoxyeugenol | 1.40 | 0.91 | Pyrocatechol, 3-methyl | 0.13 | 1.14 | |||
| Phenol | 0.14 | 0.38 | Syringol | 9.24 | 14.97 | |||
| Compounds | Percentage [%] | ||
|---|---|---|---|
| NZ | NHZ | 2NHZ | |
| Oxygenated | 66.0 | 63.8 | 46.8 |
| Non-oxygenated | 17.0 | 14.5 | 14.4 |
| Unknown | 17.0 | 21.7 | 38.7 |
© 2019 by the authors. Licensee MDPI, Basel, Switzerland. This article is an open access article distributed under the terms and conditions of the Creative Commons Attribution (CC BY) license (http://creativecommons.org/licenses/by/4.0/).
Share and Cite
Alejandro-Martín, S.; Montecinos Acaricia, A.; Cerda-Barrera, C.; Díaz Pérez, H. Influence of Chemical Surface Characteristics of Ammonium-Modified Chilean Zeolite on Oak Catalytic Pyrolysis. Catalysts 2019, 9, 465. https://doi.org/10.3390/catal9050465
Alejandro-Martín S, Montecinos Acaricia A, Cerda-Barrera C, Díaz Pérez H. Influence of Chemical Surface Characteristics of Ammonium-Modified Chilean Zeolite on Oak Catalytic Pyrolysis. Catalysts. 2019; 9(5):465. https://doi.org/10.3390/catal9050465
Chicago/Turabian StyleAlejandro-Martín, Serguei, Adán Montecinos Acaricia, Cristian Cerda-Barrera, and Hatier Díaz Pérez. 2019. "Influence of Chemical Surface Characteristics of Ammonium-Modified Chilean Zeolite on Oak Catalytic Pyrolysis" Catalysts 9, no. 5: 465. https://doi.org/10.3390/catal9050465
APA StyleAlejandro-Martín, S., Montecinos Acaricia, A., Cerda-Barrera, C., & Díaz Pérez, H. (2019). Influence of Chemical Surface Characteristics of Ammonium-Modified Chilean Zeolite on Oak Catalytic Pyrolysis. Catalysts, 9(5), 465. https://doi.org/10.3390/catal9050465

