Zirconia-Supported Silver Nanoparticles for the Catalytic Combustion of Pollutants Originating from Mobile Sources
Abstract
1. Introduction
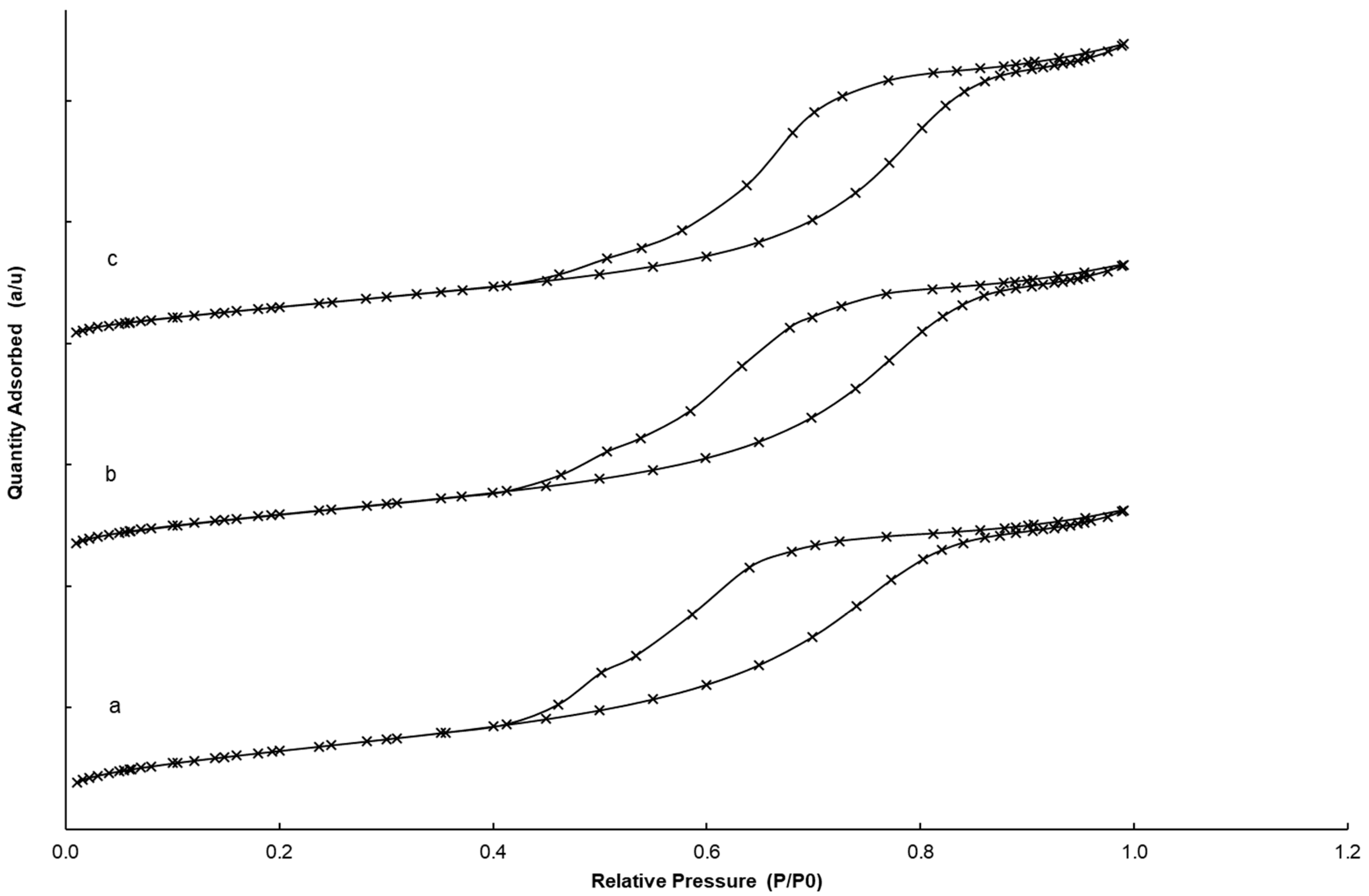
2. Results and Discussion
3. Experimental Section
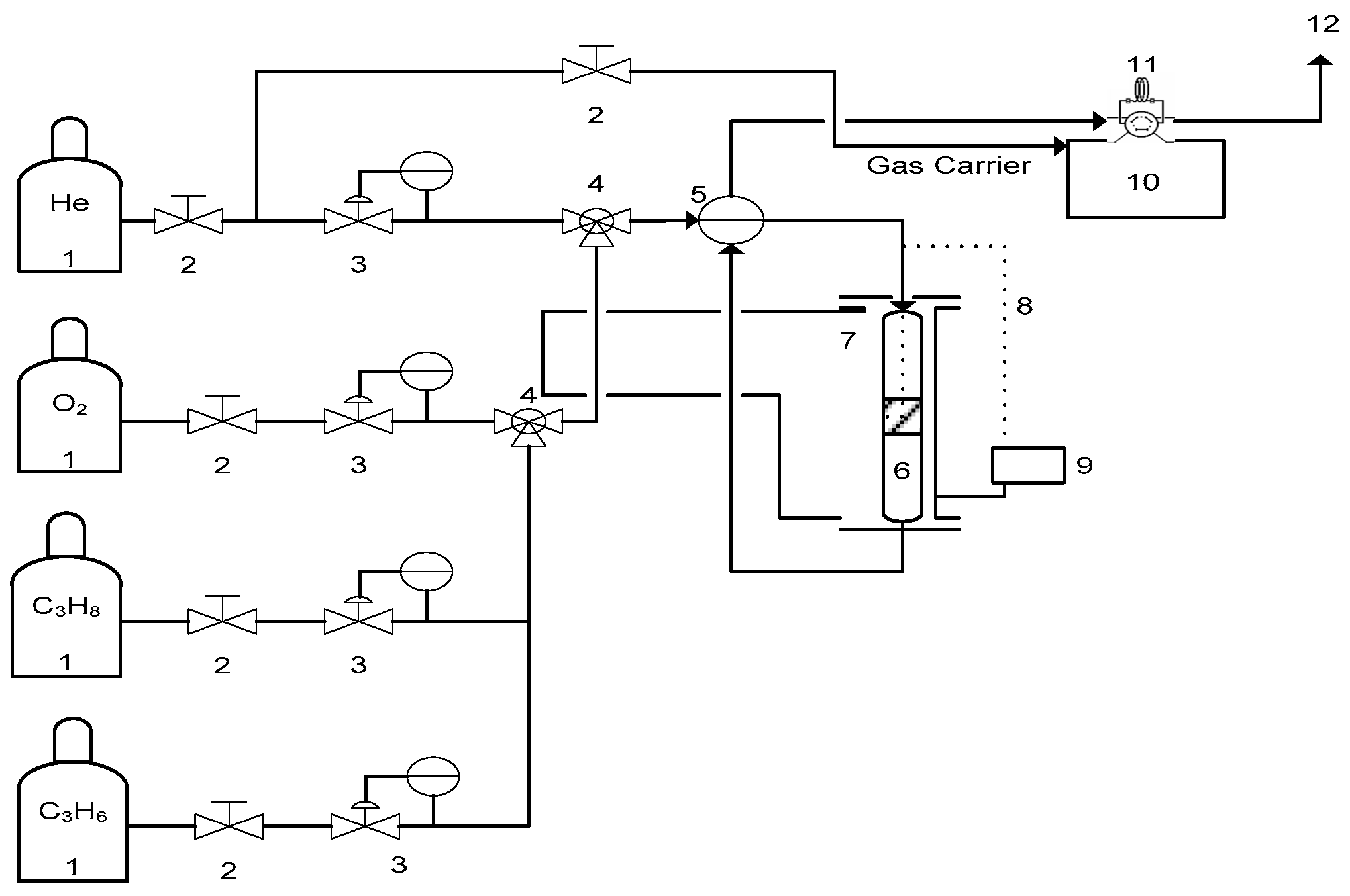
3.1. Material Preparation
3.2. Catalyst Characterization
3.2.1. Catalytic Activity for Propane and Propene Oxidation
3.2.2. Catalytic Activity for Naphthalene Oxidation
3.2.3. Catalytic Activity for Diesel Soot Oxidation
4. Conclusions
Supplementary Materials
Author Contributions
Funding
Acknowledgments
Conflicts of Interest
References
- Pfefferle, L.D.; Pfefferle, W.C. Catalysis in Combustion. Catal. Rev. Sci. Eng. 1987, 29, 219–267. [Google Scholar] [CrossRef]
- Choudhary, T.V.; Banerjee, S.; Choudhary, V.R. Catalysts for combustion of methane and lower alkanes. Appl. Catal. A 2002, 234, 1–23. [Google Scholar] [CrossRef]
- García, T.; Solsona, B.; Taylor, S.H. Naphthalene total oxidation over metal oxide catalysts. Appl. Catal. B 2006, 66, 92–99. [Google Scholar] [CrossRef]
- Ruiz, M.L.; Lick, I.D.; Ponzi, M.; Rodríguez-Castellón, E.; Jiménez-López, A.; Ponzi, E.N. Combustion of diesel soot in NO/O2 presence. Cesium nitrate and gold catalysts. Appl. Catal. A 2011, 392, 45–56. [Google Scholar] [CrossRef]
- Lee, J.; Theis, J.R.; Kyriakidou, E.A. Vehicle emissions trapping materials: Successes, challenges, and the path forward. Appl. Catal. B 2019, 243, 397–414. [Google Scholar] [CrossRef]
- Sui, L.; Yu, L. Diesel soot oxidation catalyzed by Co-Ba-K catalysts: Evaluation of the performance of the catalysts. Chem. Eng. J. 2008, 142, 327–330. [Google Scholar] [CrossRef]
- Lick, I.D.; Carrascull, A.L.; Ponzi, M.I.; Ponzi, E.N. Zirconia-supported Cu-KNO3 catalyst. Characterization and catalytic behavior in the catalytic combustion of soot with a NO/O2 mixture. Ind. Eng. Chem. Res. 2008, 47, 3834–3839. [Google Scholar] [CrossRef]
- Aranda, A.; Agouram, S.; López, J.M.; Mastral, A.M.; Sellick, D.R.; Solsona, B.; Taylor, S.H.; García, T. Oxygen defects: The key parameter controlling the activity and selectivity of mesoporous copper-doped ceria for the total oxidation of naphthalene. Appl. Catal. B 2012, 127, 77–88. [Google Scholar] [CrossRef]
- Kamal, M.S.; Razzak, S.A.; Hossain, M.M. Catalytic oxidation of volatile organic compounds (VOCs)—A review. Atmos. Environ. 2016, 140, 117–134. [Google Scholar] [CrossRef]
- Zhang, Z.; Jiang, Z.; Shangguan, W. Low-temperature catalysis for VOCs removal in technology and application: A state-of-the-art review. Catal. Today 2016, 264, 270–278. [Google Scholar] [CrossRef]
- Yi, T.; Zhang, Y.; Yang, X. Combination of Pt@CeO2/MCM-56 and CeO2-CuO/MCM-56 to purify the exhaust emissions from diesel vehicles. Appl. Catal. A 2019, 570, 387–394. [Google Scholar] [CrossRef]
- Banús, E.D.; Ulla, M.A.; Miró, E.E.; Milt, V.G. Structured Catalysts for Soot Combustion for Diesel Engines, In Chapter 5, in Diesel Engine—Combustion, Emissions and Condition Monitoring. IntechOpen 2013, 117–142. [Google Scholar] [CrossRef]
- Garetto, T.F.; Rincón, E.; Apesteguía, C.R. The origin of the enhanced activity of Pt/zeolites for combustion of C2–C4 alkanes. Appl. Catal. B 2007, 73, 65–72. [Google Scholar] [CrossRef]
- Diehl, F.; Barbier, J.; Duprez, D.; Guibard, I.; Mabilon, G. Catalytic oxidation of heavy hydrocarbons over Pt/Al2O3. Oxidation of C10+ solid hydrocarbons representative of soluble organic fraction of Diesel soot. Appl. Catal. A 2015, 504, 37–43. [Google Scholar] [CrossRef]
- Varela-Gandía, F.J.; Berenguer-Murcia, A.; Lozano-Castelló, D.; Cazorla-Amorós, D.; Sellick, D.R.; Taylor, S. Total oxidation of naphthalene using palladium nanoparticles supported on BETA, ZSM-5, SAPO-5 and alumina powders. Appl. Catal. B 2013, 129, 98–105. [Google Scholar] [CrossRef]
- Demoulin, O.; Clef, B.L.; Navez, M.; Ruiz, P. Combustion of methane, ethane and propane and of mixtures of methane with ethane or propane on Pd/γ-Al2O3 catalysts. Appl. Catal. A 2008, 344, 1–9. [Google Scholar] [CrossRef]
- Liotta, L.F. Catalytic oxidation of volatile organic compounds on supported noble metals. Appl. Catal. B 2010, 100, 403–412. [Google Scholar] [CrossRef]
- Avila, M.S.; Vignatti, C.I.; Apesteguía, C.R.; Garetto, T.F. Effect of support on the deep oxidation of propane and propylene on Pt-based catalysts. Chem. Eng. J. 2014, 241, 52–59. [Google Scholar] [CrossRef]
- Cortés-Reyes, M.; Herrera, C.; Larrubia, M.Á.; Alemany, L.J. Intrinsic reactivity analysis of soot removal in LNT-catalysts. Appl. Catal. B 2016, 193, 110–120. [Google Scholar] [CrossRef]
- Burch, R.; Breen, J.P.; Meunier, F.C. A review of the selective reduction of NOx with hydrocarbons under lean-burn conditions with non-zeolitic oxide and platinum group metal catalysts. Appl. Catal. B 2002, 39, 283–303. [Google Scholar] [CrossRef]
- Sanz, O.; Banús, E.D.; Goya, A.; Larumbe, H.; Delgado, J.J.; Monzón, A.; Montes, M. Stacked wire-mesh monoliths for VOCs combustion: Effect of the mesh-opening in the catalytic performance. Catal. Today 2017, 296, 76–83. [Google Scholar] [CrossRef]
- Aranda, A.; López, J.M.; Murillo, R.; Mastral, A.M.; Dejoz, A.; Vázquez, I.; Solsona, B.; Taylor, S.H.; García, T. Total oxidation of naphthalene with high selectivity using a ceria catalyst prepared by a combustion method employing ethyleneglicol. J. Hazard. Mater. 2009, 171, 393–399. [Google Scholar] [CrossRef] [PubMed]
- Li, W.B.; Wang, J.X.; Gong, H. Catalytic combustion of VOCs on non-noble metal catalysts. Catal. Today 2009, 148, 81–87. [Google Scholar] [CrossRef]
- Sanchis, R.; Alonso-Domínguez, D.; Dejoz, A.; Pico, M.P.; Alvarez-Serrano, I.; García, T.; López, M.L.; Solsona, B. Eco-Friendly Cavity-Containing Iron Oxides Prepared by Mild Routes as Very Efficient Catalysts for the Total Oxidation of VOCs. Materials 2018, 11, 1387. [Google Scholar] [CrossRef]
- Solsona, B.; Sanchis, R.; Dejoz, A.M.; García, T.; Ruiz-Rodríguez, L.; López Nieto, J.M.; Cecilia, J.A.; Rodríguez-Castellón, E. Total Oxidation of Propane Using CeO2 and CuO-CeO2 Catalysts Prepared Using Templates of Different Nature. Catalysts 2017, 7, 96. [Google Scholar] [CrossRef]
- Leguizamón Aparicio, M.S.; Ocsachoque, M.A.; Gazzoli, D.; Botto, I.L.; Lick, I.D. Total Oxidation of Naphthalene with Zirconia-Supported Cobalt, Copper and Nickel catalysts. Catalysts 2017, 7, 293. [Google Scholar] [CrossRef]
- Heynderickx, M.P.; Thybaut, J.W.; Poelman, H.; Poelman, D.; Marin, G.B. The total oxidation of propane over supported Cu and Ce oxides: A comparison of single and binary metal oxides. J. Catal. 2010, 272, 109–120. [Google Scholar] [CrossRef]
- Morales, M.R.; Yeste, M.P.; Vidal, H.; Gatica, J.M.; Cadus, L.E. Insights on the combustion mechanism of ethanol and n-hexane in honeycomb monolithic type catalysts: Influence of the amount and nature of Mn-Cu mixed oxide. Fuel 2017, 208, 637–646. [Google Scholar] [CrossRef]
- Mrad, R.; Cousin, R.; Poupin, C.; Aboukaïs, A.; Siffert, S. Propene oxidation and NO reduction over MgCu–Al (Fe) mixed oxides derived from hydrotalcite-like compounds. Catal. Today 2015, 257, 98–103. [Google Scholar] [CrossRef]
- Li, X.; Li, X.; Zeng, X.; Zhu, T. Correlation between the physicochemical properties and catalytic performances of micro/mesoporous CoCeOx mixed oxides for propane combustion. Appl. Catal. A 2019, 572, 61–70. [Google Scholar] [CrossRef]
- Solsona, B.; Davies, T.E.; García, T.; Vázquez, I.; Dejoz, A.; Taylor, S.H. Total oxidation of propane using nanocrystalline cobalt oxide and supported cobalt oxide catalysts. Appl. Catal. B 2008, 84, 176–184. [Google Scholar] [CrossRef]
- Hernández-Giménez, A.M.; Castelló, D.L.; Bueno-López, A. Diesel soot combustion catalysts: Review of active phases. Chem. Pap. 2014, 68, 1154–1168. [Google Scholar] [CrossRef]
- Fino, D.; Bensaid, S.; Piumetti, M.; Russo, N. A review on the catalytic combustion of soot in diesel particulate filters for automotive applications: From powder catalysts to structured reactors. Appl. Catal. A 2016, 509, 75–96. [Google Scholar] [CrossRef]
- Comelli, N.A.; Ruiz, M.L.; Leguizamón Aparicio, M.S.; Merino, N.A.; Cecilia, J.A.; Rodríguez-Castellón, E.; Lick, I.D.; Ponzi, M.I. Influence of the synthetic conditions on the composition, morphology of CuMgAl hydrotalcites and their use as catalytic precursor in diesel soot combustion reactions. Appl. Clay Sci. 2018, 157, 148–157. [Google Scholar] [CrossRef]
- Banús, E.B.; Sanz, O.; Milt, V.G.; Miró, E.E.; Montes, M. Development of a stacked wire-mesh structure for diesel soot combustion. Chem. Eng. J. 2014, 246, 353–365. [Google Scholar] [CrossRef]
- Alcalde-Santiago, V.; Davó-Quiñonero, A.; Lozano-Castelló, D.; Bueno-López, A. On the soot combustion mechanism using 3DOM ceria catalysts. Appl. Catal. B 2018, 234, 187–197. [Google Scholar] [CrossRef]
- Bueno-López, A.; Lozano-Castelló, D.; McCue, A.J.; Anderson, J.A. NOx storage and reduction over copper-based catalysts. part 3: Simultaneous NOx and soot removal. Appl. Catal. B 2016, 198, 266–275. [Google Scholar]
- Legutko, P.; Pęza, J.; Villar Rossi, A.; Marzec, M.; Jakubek, T.; Kozieł, M.; Adamski, A. Elucidation of unexpectedly weak Catalytic effect of doping with cobalt of the cryptomelane and birnessite systems Active in Soot Combustion. Top. Catal. 2019. [Google Scholar] [CrossRef]
- Atribak, I.; Bueno-Lopez, A.; García-García, A.; Navarro, P.; Frías, D. Catalytic activity for soot combustion of birnessite and cryptomelane. Appl. Catal. B 2010, 93, 267–273. [Google Scholar] [CrossRef]
- Li, Q.; Wang, X.; Chen, H.; Xin, Y.; Tian, G.; Lu, C.; Zhang, Z.; Zheng, L. K-supported catalysts for diesel soot combustion: Making a balance between activity and stability. Catal. Today 2016, 264, 171–179. [Google Scholar] [CrossRef]
- Ruiz, M.L.; Lick, I.D.; Ponzi, M.I.; Ponzi, E.N. Catalysts of alkaline nitrates supported on oxides for the diesel soot combustion. Deactivation by hydro-treatment and CO2. Catal. Commun. 2013, 34, 45–51. [Google Scholar] [CrossRef]
- Nossova, L.; Caravaggio, G.; Couillard, M.; Ntais, S. Effect of preparation method on the performance of silver-zirconia catalysts for soot oxidation in diesel engine exhaust. Appl. Catal. B 2018, 225, 538–549. [Google Scholar] [CrossRef]
- Pecchi, G.; Dinamarca, R.; Campos, C.M.; Garcia, X.; Jimenez, R.G.; Fierro, J.L. Soot Oxidation on Silver-Substituted LaMn0.9Co0.1O3 Perovskites. Ind. Eng. Chem. Res. 2014, 53, 10090–10096. [Google Scholar] [CrossRef]
- Haneda, M.; Towata, A. Catalytic performance of supported Ag nano-particles prepared by liquid phase chemical reduction for soot oxidation. Catal. Today 2015, 242, 351–356. [Google Scholar] [CrossRef]
- Lee, C.; Jeon, Y.; Kim, T.; Tou, A.; Park, J.-I.; Einaga, H.; Shul, Y.-G. Ag-loaded cerium-zirconium solid solution oxide nano-fibrous webs and their catalytic activity for soot and CO oxidation. Fuel 2018, 212, 395–404. [Google Scholar] [CrossRef]
- Luo, M.-F.; Yuan, X.-X.; Zheng, X.-M. Catalyst characterization and activity of Ag–Mn, Ag–Co and Ag–Ce composite oxides for oxidation of volatile organic compounds. Appl. Catal. A 1998, 175, 121–129. [Google Scholar] [CrossRef]
- Yamazaki, K.; Sakakibara, Y.; Dong, F.; Shinjoh, H. The remote oxidation of soot separated by ash deposits via silver–ceria composite catalysts. Appl. Catal. A 2014, 476, 113–120. [Google Scholar] [CrossRef]
- Gao, Y.; Duan, A.; Liu, S.; Wu, X.; Liu, W.; Weng, D. Study of Ag/CexNd1−xO2 nanocubes as soot oxidation catalysts for gasoline particulate filters: Balancing catalyst activity and stability by Nd doping. Appl. Catal. B 2017, 203, 116–126. [Google Scholar] [CrossRef]
- Shimizu, H.; Kawachi, H.; Satsuma, A. Study of active sites and mechanism for soot oxidation by silver-loaded ceria catalyst. Appl. Catal. B 2010, 96, 169–175. [Google Scholar] [CrossRef]
- Yamazaki, K.; Tomoyuki Kayama, T.; Dong, F.; Hirofumi Shinjoh, H. A mechanistic study on soot oxidation over CeO2–Ag catalyst with ‘rice-ball’ morphology. J. Catal. 2011, 282, 289–298. [Google Scholar] [CrossRef]
- Yamaura, H.; Takahashi, H.; Fukuoka, M.; Nishibori, M.; Yamaguchi, S.; Yahiro, H. PM oxidation over Ag-loaded perovskite-type oxide catalyst prepared by thermal decomposition of heteronuclear cyano-complex precursor. Catal. Today 2018. [Google Scholar] [CrossRef]
- Castoldi, L.; Aneggi, E.; Matarrese, R.; Bonzi, R.; Llorca, J.; Trovarelli, A.; Lietti, L. Silver-based catalytic materials for the simultaneous removal of soot and NOx. Catal. Today 2015, 258, 405–415. [Google Scholar] [CrossRef]
- Aneggi, E.; Llorca, J.; de Leitenburg, C.; Dolcetti, G.; Trovarelli, A. Soot combustion over silver-supported catalysts. Appl. Catal. B 2009, 91, 489–498. [Google Scholar] [CrossRef]
- Deng, X.; Li, M.; Zhang, J.; Hu, X.; Zheng, J.; Zhang, N.; Chen, B.H. Constructing nano-structure on silver/ceria-zirconia towards highly active and stable catalyst for soot oxidation. Chem. Eng. J. 2017, 313, 544–555. [Google Scholar] [CrossRef]
- Serve, A.; Boreave, A.; Cartoxia, B.; Pajot, K.; Vernoux, P. Synergy between Ag nanoparticles and yttria-stabilized zirconia for soot oxidation. Appl. Catal B 2019, 242, 140–149. [Google Scholar] [CrossRef]
- Wang, H.; Luo, S.; Zhang, M.; Liu, W.; Wu, X.; Liu, S. Roles of oxygen vacancy and Ox− in oxidation reactions over CeO2 and Ag/CeO2 nanorod model catalysts. J. Catal. 2018, 368, 365–378. [Google Scholar] [CrossRef]
- Makkee, M.; Jelles, S.J.; Moulijn, J.A. Cerium and Platinum Based Diesel Fuel Additives in the Diesel Soot Abatement Technology. In Catalysis by Ceria and Related Materials, 1st ed.; Trovarelli, A., Ed.; Imperial College Press: London, UK, 2002; Volume 2, pp. 391–406. [Google Scholar]
- Liu, M.; Wu, X.; Shuang Liu, S.; Gao, Y.; Chen, Z.; Ma, Y.; Ran, R.; Weng, D. Study of Ag/CeO2 catalysts for naphthalene oxidation: Balancing the oxygen availability and oxygen regeneration capacity. Appl. Catal. B 2017, 219, 231–240. [Google Scholar] [CrossRef]
- Mars, P.; van Krevelen, D.W. Oxidations carried out by means of vanadium oxide catalysts. Chem. Eng. Sci. 1954, 3, 41–59. [Google Scholar] [CrossRef]
- Vannice, A. An analysis of the Mars–van Krevelen rate expression. Catal. Today 2007, 123, 18–22. [Google Scholar] [CrossRef]
- Bueno-López, A.; Krishna, K.; Makkee, M.; Moulijn, J.A. Active oxygen from CeO2 and its role in catalyzed soot oxidation. Catal. Lett. 2005, 99, 203–205. [Google Scholar] [CrossRef]
- Hosseini, M.; Barakat, T.; Cousin, R.; Aboukais, A.; Su, B.-L.; De Weireld, G. Catalytic performance of core–shell and alloy Pd–Au nanoparticles for total oxidation of VOC: The effect of metal deposition. Appl. Catal. B 2012, 111, 218–224. [Google Scholar] [CrossRef]
- Guillén-Hurtado, N.; García-García, A.; Bueno-López, A. Isotopic study of ceria catalyzed soot oxidation in the presence of NOx. J. Catal. 2013, 299, 181–187. [Google Scholar] [CrossRef]
- Kauppi, E.I.; Honkala, K.; Krause, A.O.I.; Kanervo, J.M.; Lefferts, L. ZrO2 Acting as a Redox Catalyst. Top. Catal. 2016, 59, 823–832. [Google Scholar] [CrossRef]
- Wyrwalski, F.; Lamonier, J.-F.; Siffert, S.; Aboukaïs, A. Additional effects of cobalt precursor and zirconia support modifications for the design of efficient VOC oxidation catalysts. Appl. Catal B 2007, 70, 393–399. [Google Scholar] [CrossRef]
- Campa, M.C.; Ferraris, G.; Gazzoli, D.; Pettiti, I.; Pietrogiacomi, D. Rhodium supported on tetragonal or monoclinic ZrO2 as catalyst for the partial oxidation of methane. Appl. Catal B 2013, 142, 423–431. [Google Scholar] [CrossRef]
- Kolobova, E.; Pestryakov, A.; Mamontov, G.; Kotolevich, Y.; Bogdanchikova, N.; Farias, M.; Vosmerikov, A.; Vosmerikova, L.; Cortes Corberán, V. Low-temperature CO oxidation on Ag/ZSM-5 catalysts: Influence of Si/Al ratio and redox pretreatments on formation of silver active sites. Fuel 2017, 188, 121–131. [Google Scholar] [CrossRef]
- Rekha, T.N.; Umadevi, M.; Rajkumar, B.J.M. Structural and spectroscopic study of adsorption of naphthalene on silver. J. Mol. Struct. 2015, 1079, 155–162. [Google Scholar] [CrossRef]
- Xie, Y.; Tang, Y. Spontaneous monolayer dispersion of oxides and salts onto surfaces of supports: Applications to heterogeneous catalysis. Adv. Catal. 1990, 37, 1–43. [Google Scholar]
- Valigi, M.; Gazzoli, D.; Dragone, R.; Gherardi, M.; Minelli, G. Nickel oxide-zirconium oxide: Ni2+ incorporation and its influence on the phase transition and sintering of zirconia. J. Mater. Chem. 1995, 5, 183–189. [Google Scholar] [CrossRef]
- Corro, G.; Vidal, E.; Cebada, S.; Pal, U.; Buñuelos, F.; Vargas, D.; Guilleminot, E. Electronic state of silver in Ag/SiO2 and Ag/ZnO catalysts and its effect on diesel particulate matter oxidation: An XPS study. Appl. Catal. B 2017, 216, 1–10. [Google Scholar] [CrossRef]
- Centi, G.; Cerrato, G.; D’Angelo, S.; Finardi, U.; Giamello, E.; Morterra, C.; Perathoner, S. Catalytic behavior and nature of active sites in copper-on-zirconia catalysts for the decomposition of N2O. Catal. Today 1996, 27, 265–270. [Google Scholar] [CrossRef]
- Ferraria, A.M.; Carapeto, A.P.; do Rego, A.M. X-ray photoelectron spectroscopy: Silver salts revisited. Vacuum 2012, 86, 1988–1991. [Google Scholar] [CrossRef]
- Galtayries, A.; Sporken, R.; Riga, J.; Blanchard, G.; Caudano, R. XPS comparative study of ceria/zirconia mixed oxides: Powders and thin film characterization. J. Electron. Spectrosc. Relat. Phenom. 1998, 88, 951–956. [Google Scholar] [CrossRef]
- Okal, J.; Zawadzki, M. Combustion of propane over novel zinc aluminate-supported ruthenium catalysts. Appl. Catal. B 2011, 105, 182–190. [Google Scholar] [CrossRef]
- Lee, C.; Shul, Y.-G.; Einaga, H. Silver and manganese oxide catalysts supported on mesoporous ZrO2 nanofiber mats for catalytic removal of benzene and diesel soot. Catal. Today 2017, 281, 460–466. [Google Scholar] [CrossRef]
- Skaf, M.; Hany, S.; Aouad, S.; Labaki, M.; Abi-Aad, E.; Aboukaïs, A. Adsorption of probe molecules to investigate by EPR the redox properties of silver loaded on ceria. Chem. Phys. 2019, 517, 131–137. [Google Scholar] [CrossRef]









| Samples | SBET (m2g−1) | Vp | ZrO2 Crystal Size (nm) *1 | Theoretical H2 Consumption *2 | H2 Consumption *3 | Ag Particle Size (nm) *4 |
|---|---|---|---|---|---|---|
| ZrO2·nH2O | 340 | - | amorphous | - | ||
| ZrO2 | 50 | 0.09 | 12 | - | ||
| Ag1Z | 46 | 0.08 | 14 | 0.0046 | nd | Nd |
| Ag5Z | 42 | 0.08 | 14 | 0.0232 | 0.0021 | 5.3 |
| Ag10Z | 39 | 0.08 | 15 | 0.0464 | 0.0032 | 6.3 |
| Ag1Z | Ag5Z | Ag10Z | |
|---|---|---|---|
| Ag 3d5/2 | 368.2 | 368.0 | 367.7 |
| O 1s *a | 529.9(77.96) 531.1(14.98) 532.3(7.01) | 529.8(59.69) 531.6(15.15) 533.3(25.15) | 529.8(69.2) 531.1(22.8) 532.5(8.0) |
| Zr 3d5/2 | 182.2 | 181.8 | 182.0 |
| KE AgM4N45N45 | - | 357.5 | 357.9 |
| KE AgM5N45N45 | - | 352.5 349.5 | 352.8 349.4 |
| AP* Ag 3d5/2-AgM4N45N45 | - | 725.5 | 725.6 |
| AP* Ag 3d5/2-AgM5N45N45 | - | 720.5 717.5 | 720.5 717.1 |
| Ag/Zr Atomic ratio | 0.009 | 0.154 | 0.213 |
| Theoretical Ag/Zr atomic ratio | 0.011 | 0.060 | 0.127 |
| Oβ/Oα | 0.28 | 0.67 | 0.45 |
| Catalyst | T50 Propane (C3H8) a | ΔT50 (C3H8) | T50 Propene (C3H6) a | ΔT50 (C3H6) | T50 Naphthalene (C10H8) b | ΔT50 (C10H8) | Tmax Soot c | ΔTmax |
|---|---|---|---|---|---|---|---|---|
| Uncatalyzed reaction | 600 | - | 630 | - | 430 | - | 650 | - |
| ZrO2 | 490 | 110 | 520 | 110 | 280 | 150 | 612 | 38 |
| Ag1Z | 485 | 115 | 470 | 160 | 260 | 170 | 547 | 97 |
| Ag5Z | 480 | 120 | 280 | 350 | 172 | 258 | 525 | 125 |
| Ag10Z | 450 | 150 | 210 | 420 | 210 | 220 | 425 | 225 |
© 2019 by the authors. Licensee MDPI, Basel, Switzerland. This article is an open access article distributed under the terms and conditions of the Creative Commons Attribution (CC BY) license (http://creativecommons.org/licenses/by/4.0/).
Share and Cite
Montaña, M.; Leguizamón Aparicio, M.S.; Ocsachoque, M.A.; Navas, M.B.; de C. L. Barros, I.; Rodriguez-Castellón, E.; Casella, M.L.; Lick, I.D. Zirconia-Supported Silver Nanoparticles for the Catalytic Combustion of Pollutants Originating from Mobile Sources. Catalysts 2019, 9, 297. https://doi.org/10.3390/catal9030297
Montaña M, Leguizamón Aparicio MS, Ocsachoque MA, Navas MB, de C. L. Barros I, Rodriguez-Castellón E, Casella ML, Lick ID. Zirconia-Supported Silver Nanoparticles for the Catalytic Combustion of Pollutants Originating from Mobile Sources. Catalysts. 2019; 9(3):297. https://doi.org/10.3390/catal9030297
Chicago/Turabian StyleMontaña, Maia, María S. Leguizamón Aparicio, Marco A. Ocsachoque, Marisa B. Navas, Ivoneide de C. L. Barros, Enrique Rodriguez-Castellón, Mónica L. Casella, and Ileana D. Lick. 2019. "Zirconia-Supported Silver Nanoparticles for the Catalytic Combustion of Pollutants Originating from Mobile Sources" Catalysts 9, no. 3: 297. https://doi.org/10.3390/catal9030297
APA StyleMontaña, M., Leguizamón Aparicio, M. S., Ocsachoque, M. A., Navas, M. B., de C. L. Barros, I., Rodriguez-Castellón, E., Casella, M. L., & Lick, I. D. (2019). Zirconia-Supported Silver Nanoparticles for the Catalytic Combustion of Pollutants Originating from Mobile Sources. Catalysts, 9(3), 297. https://doi.org/10.3390/catal9030297

