Production of Renewable Hydrogen from Glycerol Steam Reforming over Bimetallic Ni-(Cu,Co,Cr) Catalysts Supported on SBA-15 Silica
Abstract
:1. Introduction
2. Results and Discussion
2.1. Characterization of Catalysts
2.2. Catalytic Test on Glycerol Steam Reformimg
3. Experimental Section
3.1. Catalysts Preparation
3.2. Catalyst Characterization
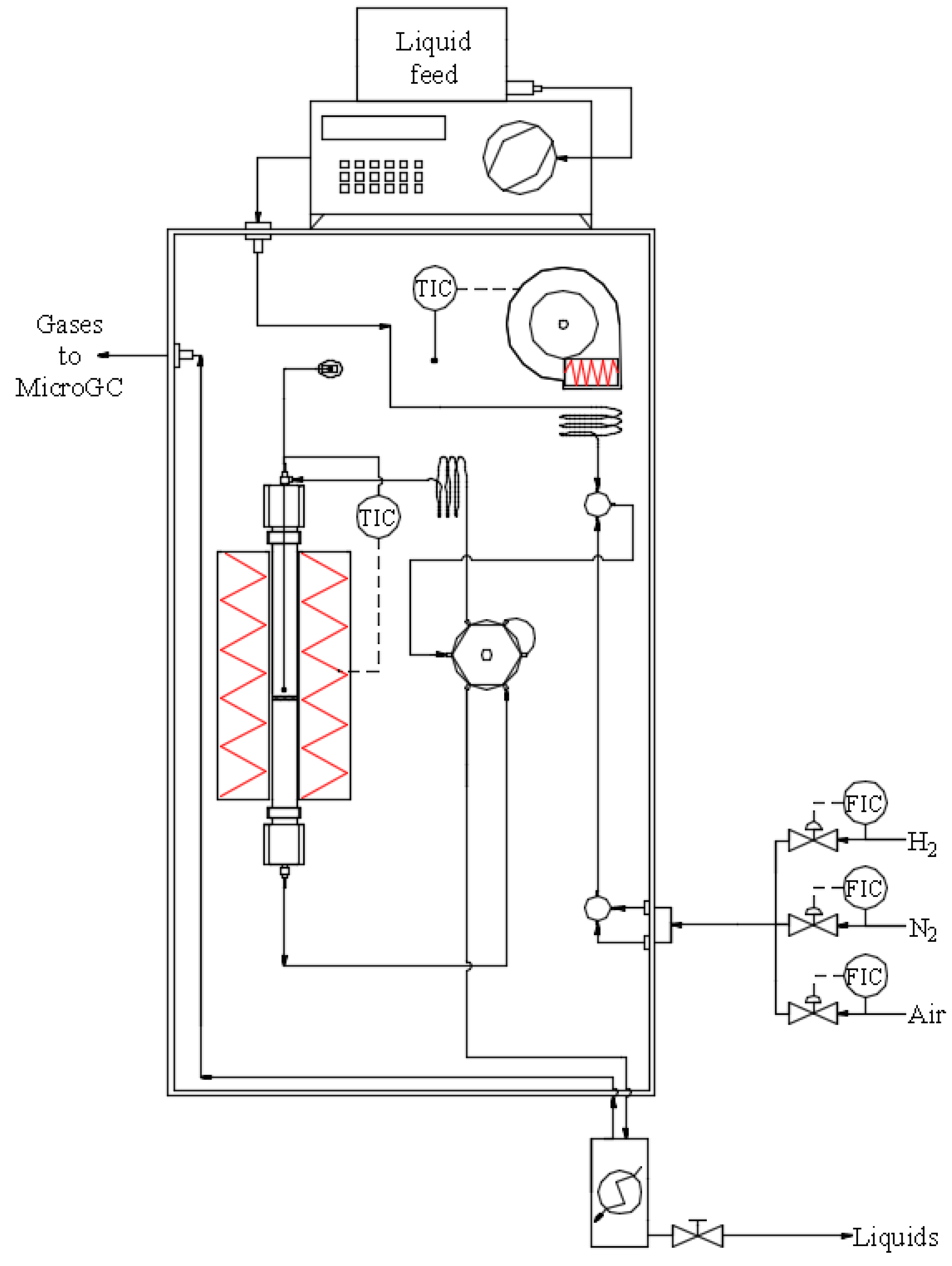
3.3. Catalytic Test
4. Conclusions
Acknowledgments
Author Contributions
Conflicts of Interest
References
- European Commission. The European Union Leading in Renewables. 2015. Available online: http://ec.europa.eu/energy/sites/ener/files/documents/cop21-brochure-web.pdf (accessed on 2 November 2016).
- International Energy Agency. Hydrogen Production and Storage: R&D Priorities and Gaps; IEA Publications: Paris, France, 2006. [Google Scholar]
- Vizcaíno, A.J.; Carrero, A.; Calles, J.A. Hydrogen Production from Bioethanol. In Hydrogen Production: Prospects and Processes; Honnery, D.R., Moriarty, P., Eds.; Nova Science Publishers, Inc.: New York, NY, USA, 2012; pp. 247–294. [Google Scholar]
- Gómez-Sainero, L.M.; Baker, R.T.; Vizcaíno, A.J.; Francis, S.M.; Calles, J.A.; Metcalfe, I.S.; Rodríguez, J.J. Steam reforming of methanol with Sm2O3-CeO2-supported palladium catalysts: Influence of the thermal treatments of catalyst and support. Ind. Eng. Chem. Res. 2009, 48, 8364–8372. [Google Scholar] [CrossRef]
- Calles, J.A.; Carrero, A.; Vizcaíno, A.J.; Lindo, M. Effect of Ce and Zr addition to Ni/SiO2 catalysts for hydrogen production through ethanol steam reforming. Catalysts 2015, 5, 58–76. [Google Scholar] [CrossRef]
- Dave, C.D.; Pant, K.K. Renewable hydrogen generation by steam reforming of glycerol over zirconia promoted ceria supported catalyst. Renew. Energy 2011, 36, 3195–3202. [Google Scholar] [CrossRef]
- Calles, J.A.; Carrero, A.; Vizcaíno, A.J.; García-Moreno, L. Hydrogen production by glycerol steam reforming over SBA-15-supported nickel catalysts: Effect of alkaline earth promoters on activity and stability. Catal. Today 2014, 227, 198–206. [Google Scholar] [CrossRef]
- Carrero, A.; Vizcaíno, A.J.; Calles, J.A.; García-Moreno, L. Hydrogen production through glycerol steam reforming using Co catalysts supported on SBA-15 doped with Zr, Ce and La. J. Energy Chem. 2017, 26, 42–48. [Google Scholar] [CrossRef]
- Quispe, C.A.G.; Coronado, C.J.R.; Carvalho, J.A., Jr. Glycerol: Production, consumption, prices, characterization and new trends in combustion. Renew. Sustain. Energy Rev. 2013, 27, 475–493. [Google Scholar] [CrossRef]
- Anitha, M.; Kamarudina, S.K.; Kofli, N.T. The potential of glycerol as a value-added commodity. Chem. Eng. J. 2016, 295, 119–130. [Google Scholar] [CrossRef]
- Wang, X.; Li, M.; Li, S.; Wang, H.; Wang, S.; Ma, X. Hydrogen production by glycerol steam reforming with/without calcium oxide sorbent: A comparative study of thermodynamic and experimental work. Fuel Process. Technol. 2010, 91, 1812–1818. [Google Scholar] [CrossRef]
- Silva, J.M.; Soria, M.A.; Madeira, L.M. Challenges and strategies for optimization of glycerol steam reforming process. Renew. Sustain. Energy Rev. 2015, 42, 1187–1213. [Google Scholar] [CrossRef]
- Lin, Y.-C. Catalytic valorization of glycerol to hydrogen and syngas. Int. J. Hydrog. Energy 2013, 38, 2678–2700. [Google Scholar] [CrossRef]
- Delparish, A.; Avci, A.K. Intensified catalytic reactors for Fischer-Tropsch synthesis and for reforming of renewable fuels to hydrogen and synthesis gas. Fuel Process. Technol. 2016, 151, 72–100. [Google Scholar] [CrossRef]
- Ni, M.; Leung, D.Y.C.; Leung, M.K.H. A review on reforming bio-ethanol for hydrogen production. Int. J. Hydrog. Energy 2007, 32, 3238–3247. [Google Scholar] [CrossRef]
- Said, S.A.M.; Waseeuddin, M.; Simakov, D.S.A. A review on solar reforming systems. Renew. Sustain. Energy Rev. 2016, 59, 149–159. [Google Scholar] [CrossRef]
- Vizcaíno, A.J.; Carrero, A.; Calles, J.A. Comparison of ethanol steam reforming using Co and Ni catalysts supported on SBA-15 modified by Ca and Mg. Fuel Process. Technol. 2016, 146, 99–109. [Google Scholar] [CrossRef]
- Tuan, L.A.; Luong, N.T.; Ishihara, K.N. Low-temperature catalytic performance of Ni-Cu/Al2O3 catalysts for gasoline reforming to produce hydrogen applied in spark ignition engines. Catalysts 2016, 6, 45–61. [Google Scholar] [CrossRef]
- Vizcaíno, A.J.; Carrero, A.; Calles, J.A. Hydrogen production by ethanol steam reforming over Cu-Ni supported catalysts. Int. J. Hydrog. Energy 2007, 32, 1450–1461. [Google Scholar] [CrossRef]
- Carrero, A.; Calles, J.A.; Vizcaíno, A.J. Hydrogen production by ethanol steam reforming over Cu-Ni/SBA-15 supported catalysts prepared by direct synthesis and impregnation. Appl. Catal. A Gen. 2007, 327, 82–94. [Google Scholar] [CrossRef]
- Hossain, M.M.; de Lasa, H.I. Reactivity and stability of Co-Ni/Al2O3 oxygen carrier in multicycle CLC. AIChE. J. 2007, 53, 1817–1829. [Google Scholar] [CrossRef]
- Shen, J.-H.; Chen, Y.-W. Catalytic properties of bimetallic NiCoB nanoalloy catalysts for hydrogenation of p-chloronitrobenzene. J. Mol. Catal. A Chem. 2007, 273, 265–276. [Google Scholar] [CrossRef]
- Assaf, P.G.M.; Nogueira, F.G.E.; Assaf, E.M. Ni and Co catalysts supported on alumina applied to steam reforming of acetic acid: Representative compound for the aqueous phase of bio-oil derived from biomass. Catal. Today 2013, 213, 2–8. [Google Scholar] [CrossRef]
- Djinovi, P.; Gasan, I.; Crnivec, O.; Erjavec, B.; Pintar, A. Influence of active metal loading and oxygen mobility on coke-free dry reforming of Ni-Co bimetallic catalysts. Appl. Catal. B Environ. 2012, 125, 259–270. [Google Scholar] [CrossRef]
- Xu, J.; Zhou, W.; Li, Z.; Wang, J.; Ma, J. Biogas reforming for hydrogen production over nickel and cobalt bimetallic catalysts. Int. J. Hydrog. Energy 2009, 34, 6646–6654. [Google Scholar] [CrossRef]
- Zhao, M.; Church, T.L.; Harris, A.T. SBA-15 supported Ni-Co bimetallic catalysts for enhanced hydrogen production during cellulose decomposition. Appl. Catal. B Environ. 2011, 101, 522–530. [Google Scholar] [CrossRef]
- García, L.; French, R.; Czernik, S.; Chornet, E. Catalytic steam reforming of bio-oils for the production of hydrogen: Effects of catalyst composition. Appl. Catal. A Gen. 2000, 201, 225–239. [Google Scholar] [CrossRef]
- Wang, J.B.; Kuo, L.; Huang, T. Study of carbon dioxide reforming of methane over bimetallic Ni-Cr/yttria-doped ceria catalysts. Appl. Catal. A Gen. 2003, 249, 93–105. [Google Scholar] [CrossRef]
- Argyle, M.D.; Bartholomew, C.H. Heterogeneous catalyst deactivation and regeneration: A review. Catalysts 2015, 5, 145–269. [Google Scholar] [CrossRef]
- Lindo, M.; Vizcaíno, A.J.; Calles, J.A.; Carrero, A. Ethanol steam reforming on Ni/Al-SBA-15 catalysts: Effect of the aluminium content. Int. J. Hydrog. Energy 2010, 35, 5895–5901. [Google Scholar] [CrossRef]
- Van Grieken, R.; Calleja, G.; Stucky, G.D.; Melero, J.A.; García, R.A.; Iglesias, J. Supercritical fluid extraction of a nonionic surfactant template from SBA-15 materials and consequences on the porous structure. Langmuir 2003, 19, 3966–3973. [Google Scholar] [CrossRef]
- Yang, X.; Wang, Y.; Wang, Y. Significantly improved catalytic performance of Ni-based MgO catalyst in steam reforming of phenol by inducing mesostructure. Catalysts 2015, 5, 1721–1736. [Google Scholar] [CrossRef]
- Rossetti, I.; Gallo, A.; Dal Santo, V.; Bianchi, C.L.; Nichele, V.; Signoretto, M.; Finocchio, E.; Ramis, G.; Di Michele, A. Nickel catalysts supported over TiO2, SiO2 and ZrO2 for the steam reforming of glycerol. ChemCatChem 2013, 5, 294–306. [Google Scholar] [CrossRef]
- Nichele, V.; Signoretto, M.; Menegazzo, F.; Gallo, A.; Dal Santo, V.; Cruciani, G.; Cerrato, G. Glycerol steam reforming for hydrogen production: Design of Ni supported catalysts. Appl. Catal. B Environ. 2012, 111–112, 225–232. [Google Scholar] [CrossRef]
- Michorczyk, P.; Ogonowski, J.; Zeńczak, K. Activity of chromium oxide deposited on different silica supports in the dehydrogenation of propane with CO2—A comparative study. J. Mol. Catal. A Chem. 2011, 349, 1–12. [Google Scholar] [CrossRef]
- Luo, N.; Ouyang, K.; Cao, F.; Xiao, T. Hydrogen generation from liquid reforming of glycerin over Ni-Co bimetallic catalyst. Biomass Bioenergy 2010, 34, 489–495. [Google Scholar] [CrossRef]
- Yun, D.; Baek, J.; Choi, Y.; Kim, W.; Lee, H.J.; Yi, J. Promotional effect of Ni on a CrOx catalyst supported on silica in the oxidative dehydrogenation of propane with CO2. ChemCatChem 2012, 4, 1952–1959. [Google Scholar] [CrossRef]
- Thyssen, V.V.; Maia, T.A.; Assaf, E.M. Cu and Ni Catalysts supported on γ-Al2O3 and SiO2 assessed in glycerol steam reforming reaction. J. Braz. Chem. Soc. 2015, 26, 22–31. [Google Scholar]
- Zhang, L.; Liu, J.; Li, W.; Guo, C.; Zhang, J. Ethanol steam reforming over Ni-Cu/Al2O3-MyOz (M = Si, La, Mg, and Zn) catalysts. J. Nat. Gas Chem. 2009, 18, 55–65. [Google Scholar] [CrossRef]
- Trimm, D.L. Coke formation and minimisation during steam reforming reactions. Catal. Today 1997, 37, 233–238. [Google Scholar] [CrossRef]
- Choi, B.K.; Park, Y.H.; Moon, D.J.; Park, N.C.; Kim, Y.C. Effect of bimetallic Ni-Cr catalysts for steam-CO2 reforming of methane at high pressure. J. Nanosci. Nanotechnol. 2015, 15, 5259–5263. [Google Scholar] [CrossRef] [PubMed]
- Vizcaíno, A.J.; Carrero, A.; Calles, J.A. Ethanol steam reforming on Mg- and Ca-modified Cu-Ni/SBA-15 catalysts. Catal. Today 2009, 146, 63–70. [Google Scholar] [CrossRef]
- Carrero, A.; Calles, J.A.; Vizcaíno, A.J. Effect of Mg and Ca addition on coke deposition over Cu-Ni/SiO2 catalysts for ethanol steam reforming. Chem. Eng. J. 2010, 163, 395–402. [Google Scholar] [CrossRef]
- Ashok, J.; Subrahmanyam, M.; Venugopal, A. Hydrotalcite structure derived Ni-Cu-Al catalysts for the production of H2 by CH4 decomposition. Int. J. Hydrog. Energy 2008, 33, 2704–2713. [Google Scholar] [CrossRef]
- Papageridis, K.N.; Siakavelas, G.; Charisiou, N.D.; Avraam, D.G.; Tzounis, L.; Kousi, K.; Goula, M.A. Comparative study of Ni, Co, Cu supported on γ-alumina catalysts for hydrogen production via the glycerol steam reforming reaction. Fuel Process. Technol. 2016, 152, 156–175. [Google Scholar] [CrossRef]









| Sample | Ni (wt %) | M 1 (wt %) | SBET (m2·g−1) | Vpore 2 (cm3·g−1) | Dpore 3 (nm) | DNiO 4 (nm) | DNi 5 (nm) |
|---|---|---|---|---|---|---|---|
| Ni/SBA-15 | 14.5 | - | 521 | 0.77 | 8.3 | 9.6 | 10.6 |
| Ni-Cu/SBA-15 | 15.0 | 4.0 | 485 | 0.71 | 8.1 | 8.6 | 9.9 |
| Ni-Co/SBA-15 | 14.5 | 4.0 | 486 | 0.72 | 8.0 | 8.5 | 9.0 |
| Ni-Cr/SBA-15 | 14.3 | 3.6 | 482 | 0.68 | 8.3 | 5.4 | 5.8 |
| Catalyst | Gas Composition (mol %) | Cdep (mgcoke/gcat·h) | |||
|---|---|---|---|---|---|
| H2 | CH4 | CO2 | CO | ||
| Ni/SBA-15 | 54.5 | 1.4 | 35.1 | 9.0 | 126 |
| Ni-Cu/SBA-15 | 50.6 | 3.6 | 23.5 | 22.3 | 221 |
| Ni-Co/SBA-15 | 52.2 | 3.5 | 25.3 | 19.0 | 22 |
| Ni-Cr/SBA-15 | 61.4 | 1.2 | 26.6 | 10.8 | 13 |
© 2017 by the authors. Licensee MDPI, Basel, Switzerland. This article is an open access article distributed under the terms and conditions of the Creative Commons Attribution (CC BY) license ( http://creativecommons.org/licenses/by/4.0/).
Share and Cite
Carrero, A.; Calles, J.A.; García-Moreno, L.; Vizcaíno, A.J. Production of Renewable Hydrogen from Glycerol Steam Reforming over Bimetallic Ni-(Cu,Co,Cr) Catalysts Supported on SBA-15 Silica. Catalysts 2017, 7, 55. https://doi.org/10.3390/catal7020055
Carrero A, Calles JA, García-Moreno L, Vizcaíno AJ. Production of Renewable Hydrogen from Glycerol Steam Reforming over Bimetallic Ni-(Cu,Co,Cr) Catalysts Supported on SBA-15 Silica. Catalysts. 2017; 7(2):55. https://doi.org/10.3390/catal7020055
Chicago/Turabian StyleCarrero, Alicia, José A. Calles, Lourdes García-Moreno, and Arturo J. Vizcaíno. 2017. "Production of Renewable Hydrogen from Glycerol Steam Reforming over Bimetallic Ni-(Cu,Co,Cr) Catalysts Supported on SBA-15 Silica" Catalysts 7, no. 2: 55. https://doi.org/10.3390/catal7020055
APA StyleCarrero, A., Calles, J. A., García-Moreno, L., & Vizcaíno, A. J. (2017). Production of Renewable Hydrogen from Glycerol Steam Reforming over Bimetallic Ni-(Cu,Co,Cr) Catalysts Supported on SBA-15 Silica. Catalysts, 7(2), 55. https://doi.org/10.3390/catal7020055

