Backward Energy Transmission in Resonant RF Energy Harvesters
Abstract
1. Introduction
2. Radio Frequency Energy Harvesters
3. Technologies and Topologies
4. Antenna Model
- —impedance of an antenna;
- —resistance of an antenna;
- —reactance of an antenna.
- —radiation resistance;
- —loss resistance.
- —reactance as antenna’s inductance;
- —reactance as antenna’s capacitance.
5. Analytical Model of the Dipole Impedance
- l—length of the dipole;
- —length of the wave;
- —electrical length;
- d—radius of the rod, the dipole is constructed.
6. Experiments
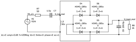
7. Solution
- LC circuit is used to increase voltage before the rectifier. This is performed to minimize energy losses during power transfer between the receiving antenna and the rectifier.
- LC circuit works at high frequency with different load, causing the return propagation of energy back to the receiving antenna.
- The internal capacity of the rectifier diode causes return propagation in a half-wave rectifier. During the non-coducting period, internal capacity causes back-propagation to the antenna.
8. Discussion
9. Conclusions
10. Further Works
Author Contributions
Funding
Data Availability Statement
Conflicts of Interest
References
- Ritchie, H.; Rosado, P.; Roser, M. Energy Production and Consumption. Our World in Data. 2020. Available online: https://ourworldindata.org/energy-production-consumption (accessed on 20 August 2025).
- Raj, P.; Raman, A.C. The Internet of Things: Enabling Technologies, Platforms, and Use Cases; Auerbach Publications: Boca Raton, FL, USA, 2017. [Google Scholar]
- Pokhrel, S.R.; Ding, J.; Park, J.; Park, O.S.; Choi, J. Towards Enabling Critical mMTC: A Review of URLLC Within mMTC. IEEE Access 2020, 8, 131796–131813. [Google Scholar] [CrossRef]
- Naser, S.; Bariah, L.; Muhaidat, S.; Basar, E. Zero-Energy Devices Empowered 6G Networks: Opportunities, Key Technologies, and Challenges. IEEE Internet Things Mag. 2023, 6, 44–50. [Google Scholar] [CrossRef]
- López, O.; Singh, R.K.; Phan-Huy, D.T.; Katranaras, E.; Mazloum, N.; Ruttik, K.; Jäntti, R.; Khan, H.; Rosabal, O.; Alexias, P.; et al. Zero-energy devices for 6G: Technical enablers at a glance. IEEE Internet Things Mag. 2025, 8, 14–22. [Google Scholar] [CrossRef]
- Aldin, H.N.S.; Ghods, M.R.; Nayebipour, F.; Torshiz, M.N. A comprehensive review of energy harvesting and routing strategies for IoT sensors sustainability and communication technology. Sens. Int. 2024, 5, 100258. [Google Scholar] [CrossRef]
- Tesla, N. The transmission of electric energy without wires. Sci. Am. 1904, 57, 23760–23761. [Google Scholar] [CrossRef]
- Moloudian, G.; Hosseinifard, M.; Kumar, S.; Simorangkir, R.B.V.B.; Buckley, J.L.; Song, C.; Fantoni, G.; O’Flynn, B. RF Energy Harvesting Techniques for Battery-Less Wireless Sensing, Industry 4.0, and Internet of Things: A Review. IEEE Sens. J. 2024, 24, 5732–5745. [Google Scholar] [CrossRef]
- Ramalingam, L.; Mariappan, S.; Parameswaran, P.; Rajendran, J.; Nitesh, R.S.; Kumar, N.; Nathan, A.; Yarman, B.S. The Advancement of Radio Frequency Energy Harvesters (RFEHs) as a Revolutionary Approach for Solving Energy Crisis in Wireless Communication Devices: A Review. IEEE Access 2021, 9, 106107–106139. [Google Scholar] [CrossRef]
- Chen, D.; Li, R.; Xu, J.; Li, D.; Fei, C.; Yang, Y. Recent progress and development of radio frequency energy harvesting devices and circuits. Nano Energy 2023, 117, 108845. [Google Scholar] [CrossRef]
- Arinze, S.N.; Obi, E.R.; Ebenuwa, S.H.; Nwajana, A.O. RF energy-harvesting techniques: Applications, recent developments, challenges, and future opportunities. Telecom 2025, 6, 45. [Google Scholar] [CrossRef]
- Garikipati, S.; Sharma, V.; Nella, A. A Survey on Conceptualization of RF Energy Harvesting. JASC J. Appl. Sci. Comput. 2019, 6, 791–800. [Google Scholar]
- Eid, A.; Hester, J.G.; Tentzeris, M.M. 5G as a wireless power grid. Sci. Rep. 2021, 11, 636. [Google Scholar] [CrossRef] [PubMed]
- Abdulkareem, R.F.; Hussein, S.H. Different Topologies of Efficient Rectifier Circuits for Energy Harvesting: A Review. J. Mod. Comput. Eng. Res. 2025, 2025, 53–68. [Google Scholar]
- Szut, J.; Piątek, P.; Pauluk, M. RF Energy Harvesting. Energies 2024, 17, 1204. [Google Scholar] [CrossRef]
- Liu, W.; Wang, Y.; Song, J. Research on Schottky diode with high rectification efficiency for relatively weak energy wireless harvesting. Superlattices Microstruct. 2021, 150, 106639. [Google Scholar] [CrossRef]
- Scorcioni, S.; Larcher, L.; Bertacchini, A. A Reconfigurable Differential CMOS RF Energy Scavenger With 60% Peak Efficiency and −21 dBm Sensitivity. Microw. Wirel. Compon. Lett. IEEE 2013, 23, 155–157. [Google Scholar] [CrossRef]
- Li, Y.; Rajendran, J.; Mariappan, S.; Rawat, A.S.; Sal Hamid, S.; Kumar, N.; Othman, M.; Nathan, A. CMOS Radio Frequency Energy Harvester (RFEH) with fully on-chip tunable voltage-booster for wideband sensitivity enhancement. Micromachines 2023, 14, 392. [Google Scholar] [CrossRef] [PubMed]
- Erkmen, F.; Almoneef, T.S.; Ramahi, O.M. Electromagnetic Energy Harvesting Using Full-Wave Rectification. IEEE Trans. Microw. Theory Tech. 2017, 65, 1843–1851. [Google Scholar] [CrossRef]
- Udechukwu, F.C.; Ahaneku, M.; Chijindu, V.C.; Oyeka, D.; Amoke, D.A.; Mbah, C. Comparative analysis of an 8–stage cockcroft walton voltage multiplier and a Dickson voltage multiplier in the context of radio frequency energy harvesting. Rev. Gestão Soc. Ambient. 2024, 18, e08786. [Google Scholar] [CrossRef]
- Kishore Kumar, P.; Ramiah, H.; Ahmad, M.Y.; Chong, G.; Rajendran, J. Analysis of a Single-Frequency Multi-Channel Ambient RF Energy Harvesting in CMOS Technology. In Proceedings of the 2019 IEEE Asia Pacific Conference on Circuits and Systems (APCCAS), Bangkok, Thailand, 11–14 November 2019; pp. 97–100. [Google Scholar] [CrossRef]
- Hassani, S.; Chen, C.H.; Nikolova, N.K. Design of Impedance Matching Network for Low-Power, Ultra-Wideband Applications. J. Low Power Electron. Appl. 2024, 14, 16. [Google Scholar] [CrossRef]
- Ye, Z.; Rivas, J. Broadband High Frequency Power Conversion With Frequency-Tuning Matching Network. IEEE Open J. Power Electron. 2024, 6, 120–129. [Google Scholar] [CrossRef]
- Szut, J.; Pauluk, M.; Piątek, P. Standardization of simulation conditions for radio frequency energy harvesters. Arch. Electr. Eng. 2025, 74, 693–712. [Google Scholar] [CrossRef]
- Gasulla, M.; Ripoll-Vercellone, E.; Reverter, F. A Compact Thévenin Model for a Rectenna and Its Application to an RF Harvester with MPPT. Sensors 2019, 19, 1641. [Google Scholar] [CrossRef]
- Makarov, S.N.; Iyer, V.; Kulkarni, S.; Best, S.R. Antenna and EM Modeling with MATLAB Antenna Toolbox, 2nd ed.; Wiley: Newark, NJ, USA, 2021. [Google Scholar]
- Tai, C.-T.; Long, S.A. Dipoles and Monopoles. In Antenna Engineering Handbook, 4th ed.; Volakis, J.L., Ed.; McGraw-Hill: New York, NY, USA, 2007. [Google Scholar]
- Balanis, C.A. Antenna Theory: Analysis and Design, 4th ed.; John Wiley: Hoboken, NJ, USA, 2016. [Google Scholar]
- Salleh, S.; Zakariya, M.A.; Ali Lee, R.M. A comparison study of rectifier designs for 2.45 GHz EM energy harvesting. Energy Power Eng. 2021, 13, 81–89. [Google Scholar] [CrossRef]
- Kumbhar, A. Overview of ISM bands and software-defined radio experimentation. Wirel. Pers. Commun. 2017, 97, 3743–3756. [Google Scholar] [CrossRef]
- Varol, S.H. Microwave Antennas in Inhomogeneous Isotropic Plasma. Master’s Thesis, Middle East Technical University, Ankara, Türkiye, 1971. [Google Scholar]
- Lee, Y.C.; Ramiah, H.; Ho, T.S.; Chua, F.Q.; Lian, W.X.; Churchill, K.K.P.; Che, Y. A Minimal Loss Gate-Biasing Technique for CMOS Rectifier Achieving 22-dB PDR in GSM900 Ambient RFEH Applications. IEEE Trans. Circuits Syst. II Express Briefs 2025. [Google Scholar] [CrossRef]
- Sabatine, M.T.M.; Pereira, G.S.; Matos, G.A.; Trevisoli, R.; Doria, R.T. Impact of Multi-Stage Architecture in Dickson-Based RF-DC Rectifiers for Energy Harvesting Applications. In Proceedings of the Electrochemical Society Meeting Abstracts 247, Montreal, QC, Canada, 18–22 May 2025; The Electrochemical Society, Inc.: Pennington, NJ, USA, 2025; p. 1719. [Google Scholar]
- Nwalike, E.D.; Ibrahim, K.A.; Crawley, F.; Qin, Q.; Luk, P.; Luo, Z. Harnessing energy for wearables: A review of radio frequency energy harvesting technologies. Energies 2023, 16, 5711. [Google Scholar] [CrossRef]
- Yu, J.; Cai, S.-L.; Gao, X. LTE wireless private network planning in electric power system. In Proceedings of the 2016 2nd IEEE International Conference on Computer and Communications (ICCC), Chengdu, China, 14–17 October 2016; pp. 3020–3024. [Google Scholar]









Disclaimer/Publisher’s Note: The statements, opinions and data contained in all publications are solely those of the individual author(s) and contributor(s) and not of MDPI and/or the editor(s). MDPI and/or the editor(s) disclaim responsibility for any injury to people or property resulting from any ideas, methods, instructions or products referred to in the content. |
© 2025 by the authors. Licensee MDPI, Basel, Switzerland. This article is an open access article distributed under the terms and conditions of the Creative Commons Attribution (CC BY) license (https://creativecommons.org/licenses/by/4.0/).
Share and Cite
Szut, J.; Pauluk, M.; Piątek, P. Backward Energy Transmission in Resonant RF Energy Harvesters. Micromachines 2025, 16, 1187. https://doi.org/10.3390/mi16101187
Szut J, Pauluk M, Piątek P. Backward Energy Transmission in Resonant RF Energy Harvesters. Micromachines. 2025; 16(10):1187. https://doi.org/10.3390/mi16101187
Chicago/Turabian StyleSzut, Jakub, Mariusz Pauluk, and Paweł Piątek. 2025. "Backward Energy Transmission in Resonant RF Energy Harvesters" Micromachines 16, no. 10: 1187. https://doi.org/10.3390/mi16101187
APA StyleSzut, J., Pauluk, M., & Piątek, P. (2025). Backward Energy Transmission in Resonant RF Energy Harvesters. Micromachines, 16(10), 1187. https://doi.org/10.3390/mi16101187

