Design and Manufacture of a Micro-Ejector and the Testing Stand for Investigation of Micro-Ejector Refrigeration Systems
Abstract
1. Introduction
- Evaporation saturation temperature: tesat = 12 °C;
- Generator temperature (saturation): tgsat = 65 °C;
- Ambient temperature: tamb = 25 °C;
- Evaporator cooling capacity: Qe = 3 W;
- Working fluid: R-600a, i.e., isobutane (which is a natural fluid and not a greenhouse gas).
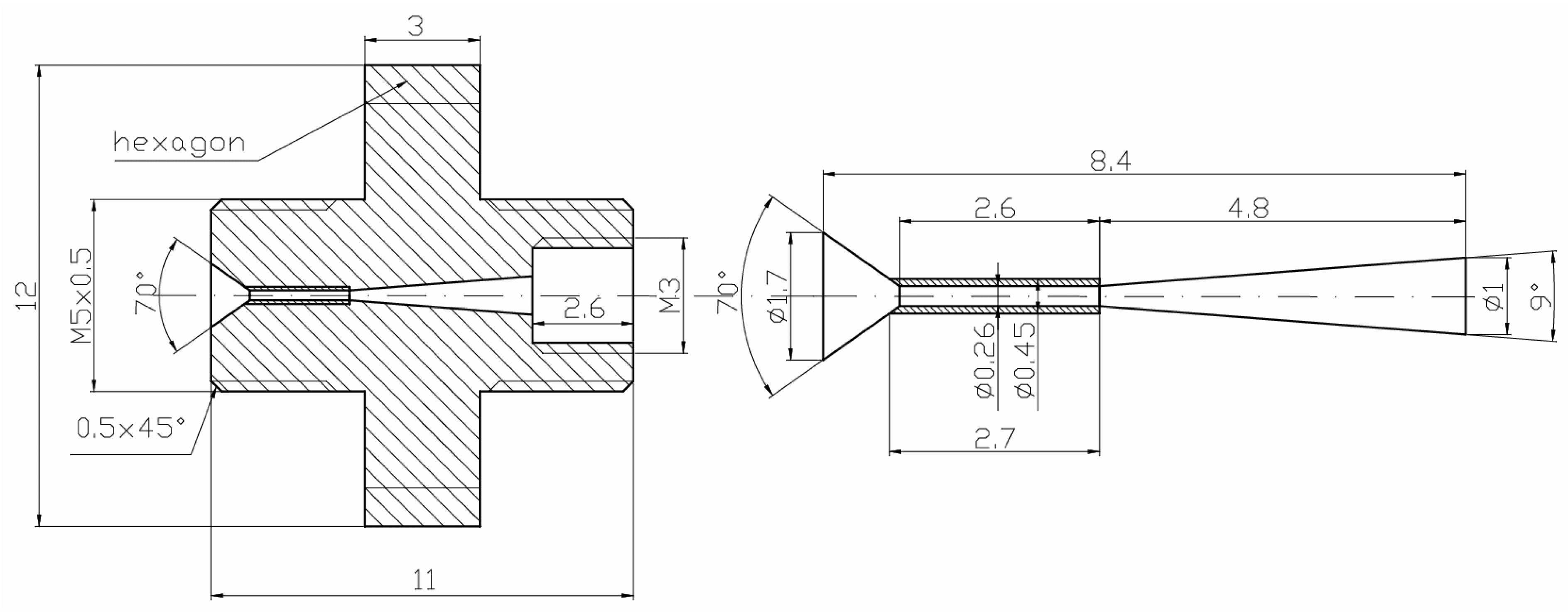
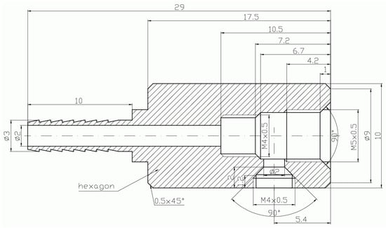
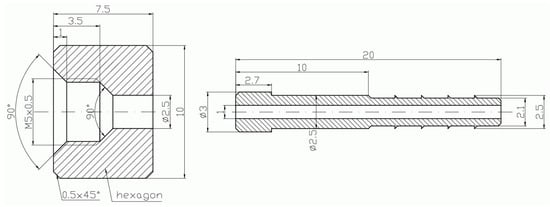
2. Micro-Ejector Geometry Design and Manufacturing
- Kn < 0.001; the flow is continuous (continuum flow C), classical fluid mechanics equation with classical (no-slip) boundary conditions;
- 0.001 < Kn < 0.1; the flow is continuous, but the boundary conditions must be modified by introducing a slip on the wall and a temperature jump (slip flow S);
- Kn > 10; the flow is considered as free molecular flow (H).
3. Testing Stand
4. Experimental Results
5. Conclusions and Recommendations
- It is possible to design and fabricate a micro-ejector using a 1D model;
- For the discussed micro-ejector, the design refrigeration effect was 3 W and such values were achieved in experiments;
- The maximum value of the entrainment ratio was slightly above 0.20 for both tested nozzles;
- Difficulties in micro-ejector fabrication as well as problems related to maintaining the proper and stable operation of the entire system are discussed above.
Author Contributions
Funding
Data Availability Statement
Acknowledgments
Conflicts of Interest
References
- Belkhir, L.; Elmeligi, A. Assessing ICT global emissions footprint: Trends to 2040 & recommendations. J. Clean. Prod. 2018, 177, 448–463. [Google Scholar] [CrossRef]
- Zou, L.; Luo, Y.; Zhang, J.; Sheng, X.; Chen, Y.; Lin, P. Phase change material gel particles with suitable size and superior thermophysical properties towards highly efficient thermal management of miniature electronic components. J. Energy Storage 2023, 60, 106590. [Google Scholar] [CrossRef]
- Vasiliev, L.L. Micro and miniature heat pipes—Electronic component coolers. Appl. Therm. Eng. 2008, 28, 266–273. [Google Scholar] [CrossRef]
- Dong, J.-M.; Song, H.; Yu, M.-Q.; Wang, W.-N.; Pan, X.-X. Numerical investigation of miniature ejector refrigeration system embedded with a capillary pump loop. Micromachines 2017, 8, 235. [Google Scholar] [CrossRef]
- Tashtoush, B.M.; Moh’d A, A.-N.; Khasawneh, M.A. A comprehensive review of ejector design, performance, and applications. Appl. Energy 2019, 240, 138–172. [Google Scholar] [CrossRef]
- Filippeschi, S. Comparison between miniature periodic two-phase thermosyphons and miniature LHP applied to electronic cooling equipment. Appl. Therm. Eng. 2011, 31, 795–802. [Google Scholar] [CrossRef]
- Chen, Z.; Li, Y.; Zhou, W.; Deng, L.; Yan, Y. Design, fabrication and thermal performance of a novel ultra-thin vapour chamber for cooling electronic devices. Energy Convers. Manag. 2019, 187, 221–231. [Google Scholar] [CrossRef]
- Maydanik, Y.F.; Chernysheva, M.A.; Pastukhov, V.G. Review: Loop heat pipes with flat evaporators. Appl. Therm. Eng. 2014, 67, 294–307. [Google Scholar] [CrossRef]
- Gian, P.C.; Maurizio, C.; Massimo, F. Experimental tests of a stainless steel loop heat pipe with flat evaporator. Exp. Therm. Fluid Sci. 2010, 34, 866–878. [Google Scholar]
- Yeh, C.C.; Chen, C.N.; Chen, Y.M. Heat transfer analysis of a loop heat pipe with biporous wicks. Int. J. Heat Mass Transf. 2009, 52, 4426–4434. [Google Scholar] [CrossRef]
- Choi, J.; Sung, B.; Kim, C.; Borca-Tasciuc, D.A. Interface engineering to enhance thermal contact conductance of evaporators in miniature loop heat pipe systems. Appl. Therm. Eng. 2013, 60, 371–378. [Google Scholar] [CrossRef]
- Rakshith, B.L.; Asirvatham, L.G.; Angeline, A.A.; Manova, S.; Bose, J.R.; Raj, J.P.S.; Mahian, O.; Wongwises, S. Cooling of high heat flux miniaturized electronic devices using thermal ground plane: An overview. Renew. Sustain. Energy Rev. 2022, 170, 112956. [Google Scholar] [CrossRef]
- Liu, H.R.; Li, B.J.; Hua, L.J.; Wang, R.Z. Designing thermoelectric self-cooling system for electronic devices: Experimental investigation and model validation. Energy 2022, 243, 123059. [Google Scholar] [CrossRef]
- Sun, X.; Zhang, L.; Liao, S. Performance of a thermoelectric cooling system integrated with a gravity-assisted heat pipe for cooling electronics. Appl. Therm. Eng. 2017, 116, 433–444. [Google Scholar] [CrossRef]
- Di Capua H, M.; Jahn, W. Performance assessment of thermoelectric self-cooling systems for electronic devices. Appl. Therm. Eng. 2021, 193, 117020. [Google Scholar] [CrossRef]
- Riffat, S.B.; Holt, A. A novel heat/ejector cooler. Appl. Therm. Eng. 1998, 18, 93–101. [Google Scholar] [CrossRef]
- Ziapour, B.M.; Abbasy, A. First and second laws analysis of the heat pipe/ejector refrigeration cycle. Energy 2010, 35, 3307–3314. [Google Scholar] [CrossRef]
- Zhu, L.; Yu, J. Simulation of steady-state operation of an ejector-assisted loop heat pipe with a flat evaporator for application in electronic cooling. Appl. Therm. Eng. 2016, 95, 236–246. [Google Scholar] [CrossRef]
- Han, Y.; Wang, X.; Wang, W.; Lee, Y.X.; Li, A. Numerical Investigation of Transonic Flow-Induced Spontaneous Condensation in Micro-Ejector Nozzles. Micromachines 2023, 14, 1260. [Google Scholar] [CrossRef]
- Papadopoulos, G.; Tyll, J.; Drake, A.; Chue, R.; Williams, J.D.; Galambos, P.C. Air Entrainment Studies for a Supersonic Micro-Ejector System. In Proceedings of the Fluids Engineering Division Summer Meeting, Jacksonville, FL, USA, 10–14 August 2008; FEDSM2008-55220. pp. 561–567. [Google Scholar]
- Fan, Y.; Suzuki, Y.; Kasagi, N. Development of a large-entrainment-ratio axisymmetric supersonic ejector for microbutane combustor. J. Micromech. Microeng. 2006, 16, S211–S219. [Google Scholar] [CrossRef][Green Version]
- Hou, Y.; Liu, B.; Yang, J. Research on a large power thermal bubble micro-ejector with induction heating. Microsyst. Technol. 2016, 22, 103–108. [Google Scholar] [CrossRef]
- Hsieh, H.B.; Pattekar, A.; Uhland, S.; Völkel, A.; Recht, M.; Linn, F.; Anderson, G.; Chow, E. Development of novel arrayed microjet devices for transdermal drug administration. In Proceedings of the 40th Annual Meeting & Exposition of the Controlled Release Society, Honolulu, HI, USA, 21–24 July 2013. [Google Scholar]
- Huang, B.J.; Chang, J.M.; Wang, C.P.; Petrenko, V.A. A 1-D analysis of ejector performance. Int. J. Refrig. 1999, 22, 354–364. [Google Scholar] [CrossRef]
- Butrymowicz, D.; Śmierciew, K.; Karwacki, J.; Gagan, J. Experimental investigations of low-temperature driven ejection refrigeration cycle operating with isobutane. Int. J. Refrig. 2014, 39, 196–209. [Google Scholar] [CrossRef]
- Yener, Y.; Kakac, S.; Avelino, M. Single phase forced convection in microchannels. In Microscale Heat Transfer Fundamentals and Applications; Kakaç, S., Vasiliev, L., Bayazitoğlu, Y., Yener, Y., Eds.; NATO Science Series II: Mathematics, Physics and Chemistry; Springer: Dordrecht, The Netherlands, 2004; Volume 193. [Google Scholar] [CrossRef]






















| Element | Design Parameter (mm) | Measured Parameter (mm) |
|---|---|---|
| Motive nozzle throat diameter | dcr = 0.169 | 0.196 (A); 0.174 (B) |
| Motive nozzle outlet diameter | dno = 0.219 | 0.368 (A); 0.236 (B) |
| Motive nozzle inlet diameter | din = 0.5 | 0.586 (A); 0.543 (B) |
| Diameter of suction chamber inlet | dsin = 1.7 | 2.066 |
| Mixing chamber diameter | dm = 0.26 | 0.251 |
| Diffuser outlet diameter | dd = 1.0 | 1.047 |
Disclaimer/Publisher’s Note: The statements, opinions and data contained in all publications are solely those of the individual author(s) and contributor(s) and not of MDPI and/or the editor(s). MDPI and/or the editor(s) disclaim responsibility for any injury to people or property resulting from any ideas, methods, instructions or products referred to in the content. |
© 2024 by the authors. Licensee MDPI, Basel, Switzerland. This article is an open access article distributed under the terms and conditions of the Creative Commons Attribution (CC BY) license (https://creativecommons.org/licenses/by/4.0/).
Share and Cite
Śmierciew, K.; Butrymowicz, D.; Gagan, J.; Jakończuk, P.; Pawłowski, M. Design and Manufacture of a Micro-Ejector and the Testing Stand for Investigation of Micro-Ejector Refrigeration Systems. Micromachines 2024, 15, 429. https://doi.org/10.3390/mi15040429
Śmierciew K, Butrymowicz D, Gagan J, Jakończuk P, Pawłowski M. Design and Manufacture of a Micro-Ejector and the Testing Stand for Investigation of Micro-Ejector Refrigeration Systems. Micromachines. 2024; 15(4):429. https://doi.org/10.3390/mi15040429
Chicago/Turabian StyleŚmierciew, Kamil, Dariusz Butrymowicz, Jerzy Gagan, Paweł Jakończuk, and Mateusz Pawłowski. 2024. "Design and Manufacture of a Micro-Ejector and the Testing Stand for Investigation of Micro-Ejector Refrigeration Systems" Micromachines 15, no. 4: 429. https://doi.org/10.3390/mi15040429
APA StyleŚmierciew, K., Butrymowicz, D., Gagan, J., Jakończuk, P., & Pawłowski, M. (2024). Design and Manufacture of a Micro-Ejector and the Testing Stand for Investigation of Micro-Ejector Refrigeration Systems. Micromachines, 15(4), 429. https://doi.org/10.3390/mi15040429

