A Wide-Angle and PON Fully Polarimetric Retrodirective Array at the X Band
Abstract
1. Introduction
2. Analysis of the Retrodirectivity of the Fully Polarimetric Retrodirective Array
2.1. Fully Polarimetric Phase Conjugation Principle
2.2. The Model of a Fully Polarimetric Phase Conjugation System
- , , respectively, represent the signal emitted by a single signal source and the distribution of signals received by sources in the system;
- A spherical S is selected that completely includes the retrodirective array reception and radiation space. , , respectively, represent the complex amplitudes of the i-th incident spherical wave and the i-th outgoing spherical wave in the function expansion of the receiving field and the reradiation field;
- It is assumed that there are N − k elements in the receiving array that can be seen as N − k ports, let these be represented as , and let the transmitting array be represented as in the same way. In the single-mode transmission area, where elements of the transmitting and receiving arrays are connected to the feeding network, a cross-section is taken as the port reference plane of that element to form another reference plane in the model. We assumed that the ports corresponding to N − k elements of the receiving array on this reference plane are ports No. (N − k + 1) to No. 2 (N − k), and the ports corresponding to N − k elements of the transmitting array on this reference plane are ports No. 2 (N − k) + 1 to No. 3 (N − k);
- The feeding network becomes a 2(N − k)-port network, with an S-parameter matrix of , where and , respectively, represent the input and output of the feeding network.

2.3. Analysis of Retrodirectivity for a Fully Polarimetric Retrodirective Array
2.3.1. The Receiving Course of the RDA
2.3.2. The Retransmitting Course of the RDA
3. A Fully Polarimetric Retrodirective Array
3.1. Wide-Beam Tri-Polarized Antenna Design
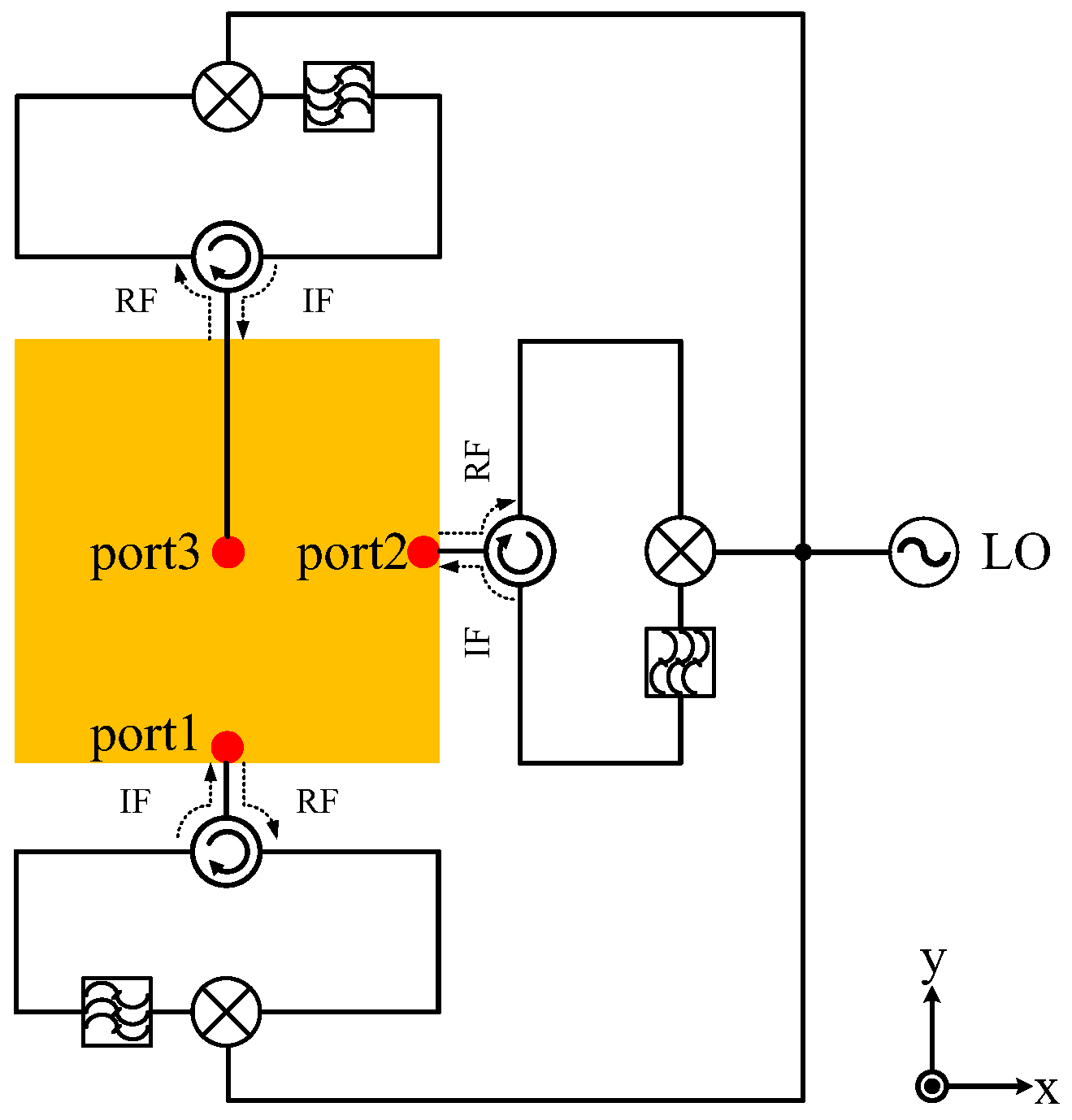
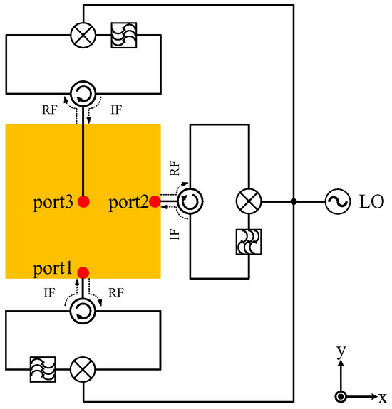
3.2. Fully Polarimetric Phase Conjugation Circuit Design
4. Performance of the RDA
5. Conclusions
Author Contributions
Funding
Data Availability Statement
Conflicts of Interest
References
- Jeon, S.S.; Wang, Y.X.; Qian, Y.X.; Itoh, T. A novel smart antenna system implementation for broad-band wireless communications. IEEE Trans. Antennas Propag. 2002, 50, 600–606. [Google Scholar] [CrossRef]
- Miyamoto, R.Y.; Itoh, T. Retrodirective arrays for wireless communications. IEEE Microw. Mag. 2002, 3, 71–79. [Google Scholar] [CrossRef]
- Chiu, L.; Yum, T.Y.; Chang, W.S.; Xue, Q.; Chan, C.H. Retrodirective array for rfid and microwave tracking beacon applications. Microw. Opt. Technol. Lett. 2006, 48, 409–411. [Google Scholar] [CrossRef]
- Kim, Y.J.; Lee, H.J.; Lee, H.L.; Cho, Y.S. Beam Training Technique for Millimeter-Wave Cellular Systems Using Retrodirective Arrays. IEEE Access 2020, 8, 160450–160460. [Google Scholar] [CrossRef]
- Fusco, V.F.; Buchanan, N.B.; Malyuskin, O. Active Phase Conjugating Lens with Sub-Wavelength Resolution Capability. IEEE Trans. Antennas Propag. 2010, 58, 798–808. [Google Scholar] [CrossRef]
- Nusenu, S.Y.; Huaizong, S.; Pan, Y.; Basit, A. Directional Modulation with Precise Legitimate Location Using Time-Modulation Retrodirective Frequency Diversity Array for Secure IoT Communications. IEEE Syst. J. 2021, 15, 1109–1119. [Google Scholar] [CrossRef]
- Leong, K.M.; Wang, Y.X.; Itoh, T. A full duplex capable retrodirective array system for high-speed beam tracking and pointing applications. IEEE Trans. Microw. Theory Tech. 2004, 52, 1479–1489. [Google Scholar] [CrossRef]
- Li, X.-F.; Ban, Y.-L.; Sun, Q.; Che, Y.-X.; Hu, J.; Nie, Z. A Planar 2-D 8 × 8 Van Atta Retrodirective Array for RCS Enhancement in a Wide Angular Range. IEEE Trans. Antennas Propag. 2022, 70, 12364–12369. [Google Scholar] [CrossRef]
- Yang, Y.-Q.; Wang, H.; Guo, Y.-X. A Time-Modulated Array with Digitally Preprocessed Rectangular Pulses for Wireless Power Transmission. IEEE Trans. Antennas Propag. 2020, 68, 3283–3288. [Google Scholar] [CrossRef]
- Dardari, D.; Lotti, M.; Decarli, N.; Pasolini, G. Establishing Multi-User MIMO Communications Automatically Using Retrodirective Arrays. IEEE Open J. Commun. Soc. 2023, 4, 1396–1416. [Google Scholar] [CrossRef]
- Chung, S.J.; Chang, K. A retrodirective microstrip antenna array. IEEE Trans. Antennas Propag. 1998, 46, 1802–1809. [Google Scholar] [CrossRef]
- Luxery, C.; Laheurte, J.-M. A retrodirective transponder with polarization duplexing for dedicated short-range communications. IEEE Trans. Microw. Theory Tech. 1999, 47, 1910–1915. [Google Scholar] [CrossRef]
- Le Bihan, P.; Re, P.D.H.; Comite, D.; Kuznetcov, M.; Podilchak, S.K.; Tucker, C.; Maccoll, K.; Zhaksylyk, Y.; García-Vigueras, M.; Sellathurai, M.; et al. Dual-polarized aperture-coupled patch antennas with application to retrodirective and monopulse arrays. IEEE Access 2020, 8, 7549–7557. [Google Scholar] [CrossRef]
- Li, X.-F.; Ban, Y.-L. A 4 × 4 Planar Dual-Polarization Retrodirective Array. In Proceedings of the 2021 International Symposium on Antennas and Propagation (ISAP), Taipei, Taiwan, 19–22 October 2021. [Google Scholar]
- El-Sawaf, H.I.; El-Tager, A.M.; Ghuneim, A.M. A proposed 2-D active Van Atta retrodirective array using dual-polarized microstrip antenna. In Proceedings of the 2012 Asia Pacific Microwave Conference Proceedings, Kaohsiung, Taiwan, 4–7 December 2012. [Google Scholar]
- An, K.; Chen, A.; Yang, C.; Zhang, K.; Li, C. A dual-polarized microstrip antenna array with low cross-polarization for retrodirective antenna system. In Proceedings of the ISAPE 2012, Xi’an, China, 22–26 October 2012. [Google Scholar]
- Wang, Y.; Piao, D.; Zuo, J. A Wide-Angle and Fully Polarimetric Retrodirective Array Based on Tri-Polarized Antennas with Pattern Complementation. IEEE Trans. Antennas Propag. 2022, 70, 4518–4525. [Google Scholar] [CrossRef]
- Sharp, E.; Diab, M. Van Atta reflector array. IRE Trans. Antennas Propag. 1960, 8, 436–438. [Google Scholar] [CrossRef]
- Pon, C. Retrodirective array using the heterodyne technique. IEEE Trans. Antennas Propag. 1964, 12, 176–180. [Google Scholar] [CrossRef]
- Appel-Hansen, J. A Van Atta reflector consisting of half-wave dipoles. IEEE Trans. Antennas Propag. 1966, 14, 694–700. [Google Scholar] [CrossRef]
- Zhu, B.; Liu, B.; Cao, J.; Li, W. Wireless Power Transmission System Based on Phase Conjugation. In Proceedings of the 2023 16th UK-Europe-China Workshop on Millimetre Waves and Terahertz Technologies (UCMMT), Guangzhou, China, 31 August 2023. [Google Scholar]
- Leong, K.M.; Miyamoto, R.Y.; Itoh, T. Moving forward in retrodirective antenna arrays. IEEE Potentials 2003, 22, 16–21. [Google Scholar] [CrossRef]
- Winterstein, A.; Dreher, A. Analysis of a PLL-based down converter and phase detection circuit for self-tracking arrays. In Proceedings of the 2015 IEEE International Symposium on Antennas and Propagation & USNC/URSI National Radio Science Meeting, Vancouver, BC, Canada, 19–24 July 2015. [Google Scholar]
- Watanabe, M.K.; Shiroma, G.S.; Takase, B.O.; Akagi, J.M.; Shiroma, W.A. A Retrodirective Array Based on Phase Detection and Frequency Scanning. In Proceedings of the 2007 IEEE/MTT-S International Microwave Symposium, Honolulu, HI, USA, 3–8 June 2007. [Google Scholar]
- Shiroma, G.S.; Miyamoto, R.Y.; Shiroma, W.A. A full-duplex dual-frequency self-steering array using phase detection and phase shifting. IEEE Trans. Microw. Theory Tech. 2006, 54, 128–133. [Google Scholar] [CrossRef]
- Fusco, V.; Soo, C.B.; Buchanan, N. Analysis and characterization of PLL-based retrodirective array. IEEE Trans. Microw. Theory Tech. 2005, 53, 730–738. [Google Scholar] [CrossRef]
- DiDomenico, L.D.; Rebeiz, G.M. Digital communications using self-phased arrays. IEEE Trans. Microw. Theory Tech. 2001, 49, 677–684. [Google Scholar] [CrossRef]
- Kay, A. Comments on “Self-phasing array antennas” and “Electronically adaptive antenna systems”. IEEE Trans. Antennas Propag. 1964, 12, 71–79. [Google Scholar] [CrossRef]
- Pan, J.; Chen, L.; Zhao, S.; Zhang, T. A 2-D Fully Polarized Van Atta Array Based on Wide-Beam Tri-Polarized Antennas. Micromachines 2024, 15, 1400. [Google Scholar] [CrossRef]
- Brabetz, T.; Fusco, V.F.; Karode, S. Balanced subharmonic mixers for retrodirective-array applications. IEEE Trans. Microw. Theory Tech. 2001, 49, 465–469. [Google Scholar] [CrossRef]
- Wu, C.-T.M.; Choi, J.; Kawasaki, S.; Itoh, T. A novel miniaturized polarization orthogonalizing active retrodirective antenna array for satellite use. In Proceedings of the 2013 IEEE MTT-S International Microwave Symposium Digest (MTT), Seattle, WA, USA, 2–7 June 2013. [Google Scholar]
- Buchanan, N.B.; Fusco, V.F.; van der Vorst, M.; Malyuskin, O. A high performance circular polarised retrodirective antenna with basic array function for service activated SATCOM systems. In Proceedings of the 2012 6th European Conference on Antennas and Propagation (EUCAP), Prague, Czech Republic, 26–30 March 2012. [Google Scholar]
- Re, P.D.H.; Podilchak, S.K.; Rotenberg, S.A.; Goussetis, G.; Lee, J. Circularly Polarized Retrodirective Antenna Array for Wireless Power Transmission. IEEE Trans. Antennas Propag. 2020, 68, 2743–2752. [Google Scholar]







| Method | Advantages | Disadvantages |
|---|---|---|
| This work | (1) more practical: includes the mismatches between the feeding network structure and antennas, air propagation loss, and mutual coupling between signal sources; (2) can be used for analyzing a fully polarimetric retrodirective array as it takes the polarization characteristics of the incident wave into account. | The calculation process is a bit complicated and not suitable for situations where only a rough performance of the RDA estimate is needed. |
| Research | Center Operating Frequency | Polarization | Unit Number | Monostatic RCS Beam Width |
|---|---|---|---|---|
| [30] | 0.99 GHz (Rx)/0.97 GHz (Tx) | S-LP | 2 | 50° (−3 dB) |
| [31] | 7.1 GHz (Rx)/8.4 GHz (Tx) | D-LP | 4 | 90° (Not mentioned) |
| [32] | 2.2 GHz (Rx)/2.4 GHz (Tx) | S-CP | 5 | 80° (Not mentioned) |
| [33] | 2.4 GHz (Rx)/2.5 GHz (Tx) | S-CP | 16 | 60° (−5 dB) |
| [17] | 5.6 GHz | Tri-P | 4 | 52° (−3 dB) |
| This work | 9.6 GHz | Tri-P | 4 | 95° (−5 dB) |
Disclaimer/Publisher’s Note: The statements, opinions and data contained in all publications are solely those of the individual author(s) and contributor(s) and not of MDPI and/or the editor(s). MDPI and/or the editor(s) disclaim responsibility for any injury to people or property resulting from any ideas, methods, instructions or products referred to in the content. |
© 2024 by the authors. Licensee MDPI, Basel, Switzerland. This article is an open access article distributed under the terms and conditions of the Creative Commons Attribution (CC BY) license (https://creativecommons.org/licenses/by/4.0/).
Share and Cite
Zhao, S.; Chen, L.; Pan, J.; Zhang, T. A Wide-Angle and PON Fully Polarimetric Retrodirective Array at the X Band. Micromachines 2024, 15, 1418. https://doi.org/10.3390/mi15121418
Zhao S, Chen L, Pan J, Zhang T. A Wide-Angle and PON Fully Polarimetric Retrodirective Array at the X Band. Micromachines. 2024; 15(12):1418. https://doi.org/10.3390/mi15121418
Chicago/Turabian StyleZhao, Shuangdi, Lei Chen, Jicheng Pan, and Tianling Zhang. 2024. "A Wide-Angle and PON Fully Polarimetric Retrodirective Array at the X Band" Micromachines 15, no. 12: 1418. https://doi.org/10.3390/mi15121418
APA StyleZhao, S., Chen, L., Pan, J., & Zhang, T. (2024). A Wide-Angle and PON Fully Polarimetric Retrodirective Array at the X Band. Micromachines, 15(12), 1418. https://doi.org/10.3390/mi15121418

