Optimal Control of FSBB Converter with Aquila Optimizer-Based PID Controller
Abstract
1. Introduction
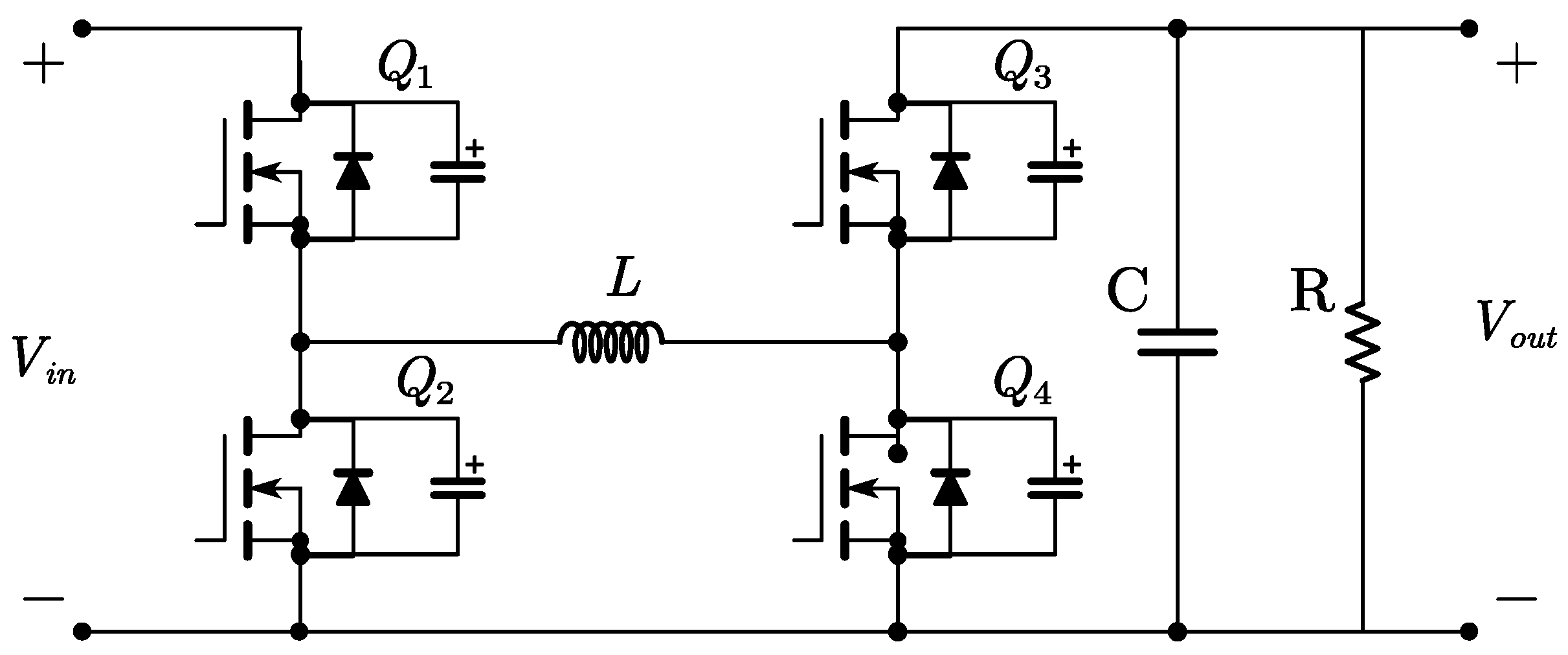
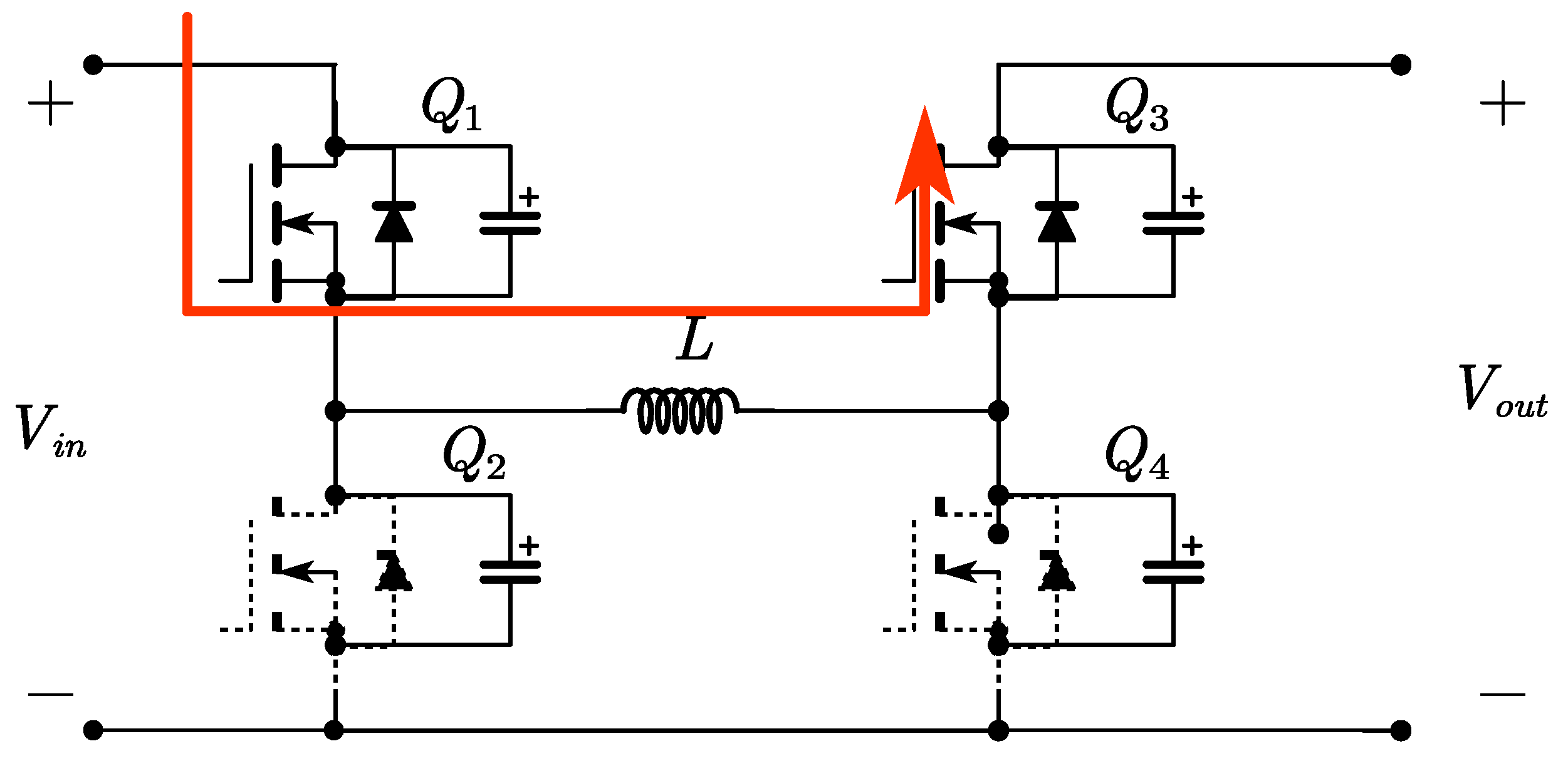
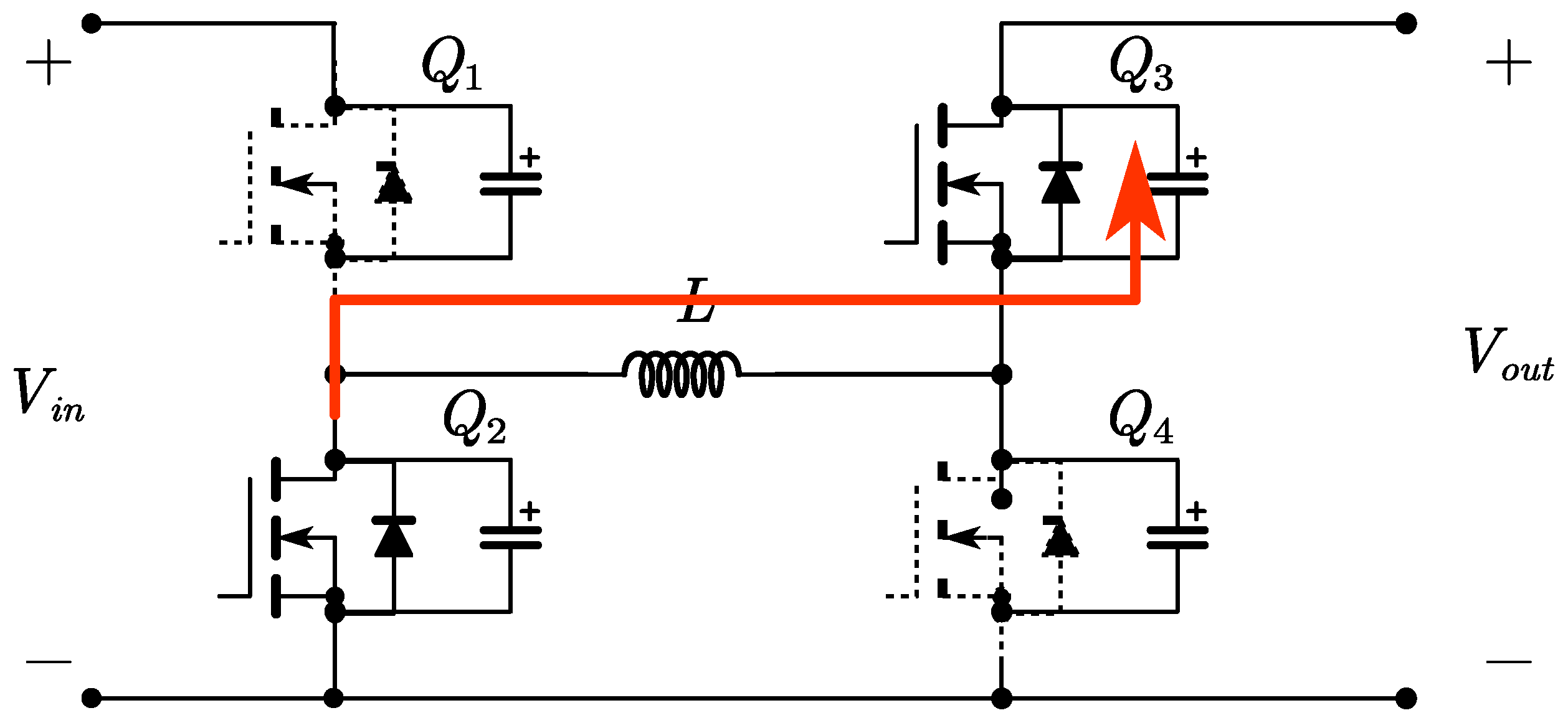
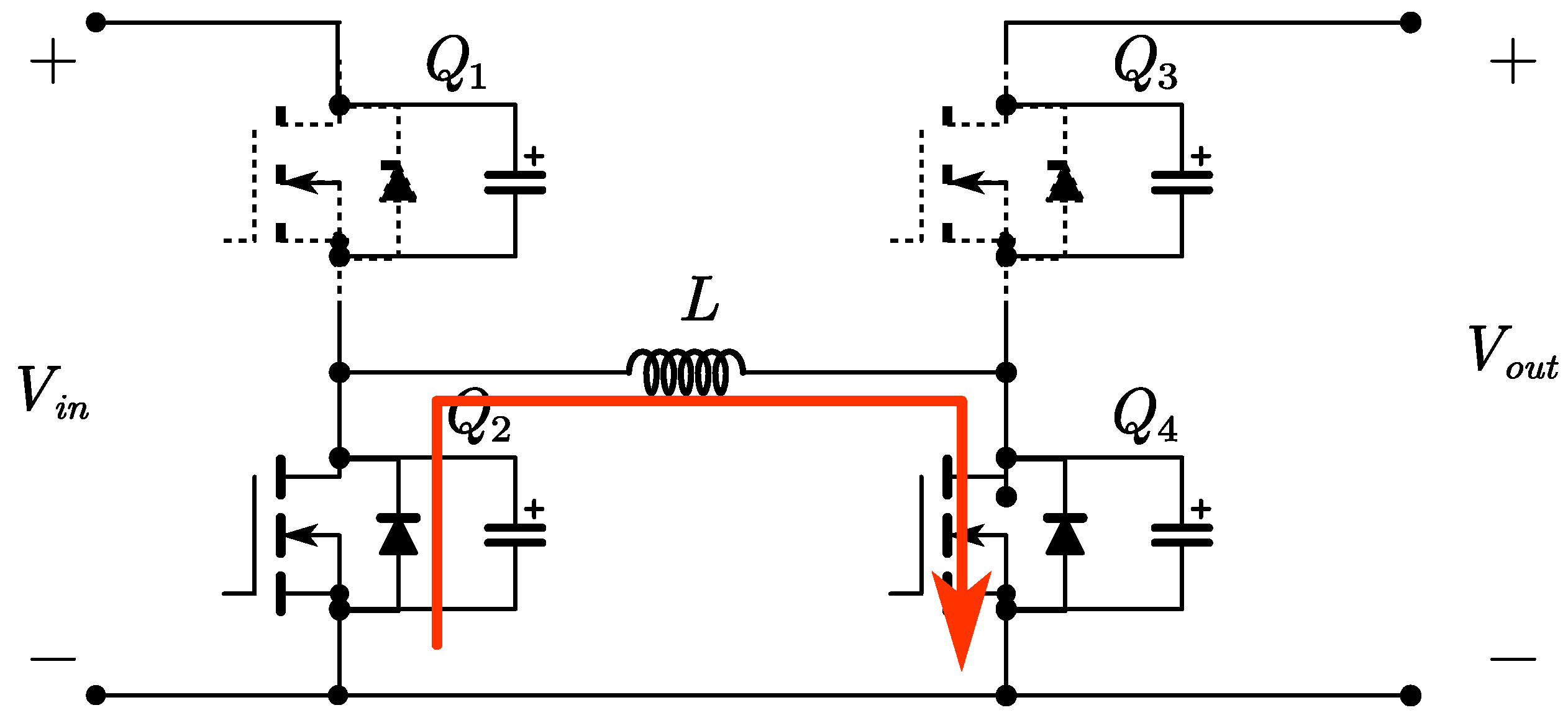
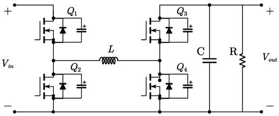
2. FSBB Converter Operating Mode Analysis and Modeling
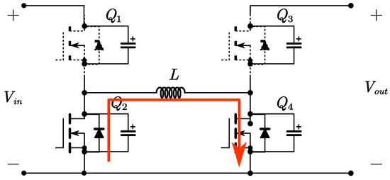
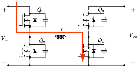
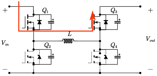
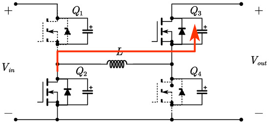
2.1. Review of FSBB Converter Operation Modes
2.2. Mathematical Modeling of FSBB Converter
3. Aquila Optimizer Optimized PID Controller
3.1. PID Controller
3.2. Aquila Optimizer
- Expanded exploration: In the early stages, the AO performs a broad search across the solution space to explore different regions and avoid premature convergence. The position of each solution in the population is updated according to a random search strategy to maintain diversity in the search process. The mathematical representation is as follows:where PM(i) is the average position of all Aquilas in the current iteration, P1(I + 1) is the next iteration’s solution generated by the first search method (P1), and Pbest(i) is the best position thus far. Here, i and I represent the current and maximum iterations, respectively. The population size is denoted by n, and r1 is the random number.
- Narrowed exploration: As the algorithm progresses, the search focuses on promising regions near the best solutions found so far. This phase refines the search to improve the accuracy of the solutions. The position is updated using the following equation:where PR is the random position, D is the dimension size, and LF represents Levy flight functions.
- Expanded exploitation: The AO mimics the high-speed, precise attacks of Aquila birds by intensifying the search around the best solution, allowing the algorithm to converge faster. The position is updated as follows:where Pbest (i) is the best position so far, PM(i) is the average value of the current population’s positions, and UB and LB are the upper and lower bounds. α and ⸹ are the exploitation adjustment parameters.
- Narrowed exploitation: In the final phase, the AO fine-tunes the solutions to ensure that the global optimum is achieved with high precision. The position is updated aswhere P(i) is the current position, QF is the quality function value, G1 is the movement parameter of the Aquilas (in the range of [−1, 1]), and G2 represents the flight slope while chasing prey, decreasing from 2 to 0. r6, r7, and r8 are the random numbers.
3.3. Design of the Proposed Controller
4. Results and Discussion
4.1. Simulation Under Normal Conditions
4.2. Simulation Under Load Step Changes
4.3. Simulation Under Input Voltage Variations
5. Discussion
Author Contributions
Funding
Data Availability Statement
Conflicts of Interest
References
- Kwon, H.-J.; Kim, K.-Y.; Kim, J.-H. A Novel Control Scheme of Four Switch Buck-Boost Converter for Super Capacitor Pre-Charger. IEEE Access 2024, 12, 47210–47218. [Google Scholar] [CrossRef]
- Guo, Z.; Mao, T. Efficiency Optimization and Control Strategy of Four-Switch Buck–Boost Converter for Wide Conversion Ratio. IEEE Trans. Power Electron. 2023, 38, 10702–10715. [Google Scholar] [CrossRef]
- Wen, Z.; Tang, W.; Xu, D. Quasi-Peak Current Control Strategy for Four-Switch Buck–Boost Converter. IEEE Trans. Power Electron. 2023, 38, 12607–12619. [Google Scholar] [CrossRef]
- Gao, S.; Zhang, F.; Mei, H. Optimization Control Strategy for Light Load Efficiency of Four-Switch Buck-Boost Converter. World Electr. Veh. J. 2024, 15, 469. [Google Scholar] [CrossRef]
- Fang, J.; Ruan, X.; Huang, X.; Dong, R.; Wu, X.; Lan, J. A PWM Plus Phase-Shift Control for Four-Switch Buck-Boost Converter to Achieve ZVS in Full Input Voltage and Load Range. IEEE Trans. Ind. Electron. 2022, 69, 12698–12709. [Google Scholar] [CrossRef]
- Xiao, L.; Ruan, X.; Tse, C.K. Smooth Reversal of Power Transfer Direction for ZVS Bidirectional Four-Switch Buck-Boost Converter. IEEE Trans. Ind. Electron. 2024, 1–10. [Google Scholar] [CrossRef]
- Chen, Z.; Tang, X.; Zheng, Z.; Wu, Y.; Luo, Z. An Adaptive Dual-controller On-line Efficiency Optimization Method of Four-switch Buck-boost Converter for Wide Range Application. Circuit Theory Apps 2024, 52, 2686–2703. [Google Scholar] [CrossRef]
- Chao, C.-T.; Sutarna, N.; Chiou, J.-S.; Wang, C.-J. An Optimal Fuzzy PID Controller Design Based on Conventional PID Control and Nonlinear Factors. Appl. Sci. 2019, 9, 1224. [Google Scholar] [CrossRef]
- Keel, L.H. Analytical Design of PID Controllers [Bookshelf]. IEEE Control Syst. 2021, 41, 80–81. [Google Scholar] [CrossRef]
- Xiao, L. Parameter Tuning of PID Controller for Beer Filling Machine Liquid Level Control Based on Improved Genetic Algorithm. Comput. Intell. Neurosci. 2021, 2021, 7287796. [Google Scholar] [CrossRef] [PubMed]
- Mousakazemi, S.M.H. Comparison of the Error-Integral Performance Indexes in a GA-Tuned PID Controlling System of a PWR-Type Nuclear Reactor Point-Kinetics Model. Prog. Nucl. Energy 2021, 132, 103604. [Google Scholar] [CrossRef]
- Nagra, A.A.; Han, F.; Ling, Q.H. An Improved Hybrid Self-Inertia Weight Adaptive Particle Swarm Optimization Algorithm with Local Search. Eng. Optim. 2019, 51, 1115–1132. [Google Scholar] [CrossRef]
- Zhang, X.; Yang, Y. Optimization of PID Controller Parameters Using a Hybrid PSO Algorithm. Int. J. Dynam. Control 2024, 12, 3617–3627. [Google Scholar] [CrossRef]
- Liu, Z.; Wang, W.; Shi, G.; Zhu, P. A Modified Crow Search Algorithm Based on Group Strategy and Adaptive Mechanism. Eng. Optim. 2024, 56, 625–643. [Google Scholar] [CrossRef]
- Du, H.; Liu, P.; Cui, Q.; Ma, X.; Wang, H. PID Controller Parameter Optimized by Reformative Artificial Bee Colony Algorithm. J. Math. 2022, 2022, 3826702. [Google Scholar] [CrossRef]
- Zhang, J.; Zhang, T.; Zhang, G.; Kong, M. Parameter Optimization of PID Controller Based on an Enhanced Whale Optimization Algorithm for AVR System. Oper. Res. Int. J. 2023, 23, 44. [Google Scholar] [CrossRef]
- Abualigah, L.; Yousri, D.; Abd Elaziz, M.; Ewees, A.A.; Al-qaness, M.A.A.; Gandomi, A.H. Aquila Optimizer: A Novel Meta-Heuristic Optimization Algorithm. Comput. Ind. Eng. 2021, 157, 107250. [Google Scholar] [CrossRef]
- Chao, C.-T.; Sutarna, N.; Chiou, J.-S.; Wang, C.-J. Equivalence between Fuzzy PID Controllers and Conventional PID Controllers. Appl. Sci. 2017, 7, 513. [Google Scholar] [CrossRef]
- Nasir, M.; Saloumi, M.; Nassif, A.B. Review of Various Metaheuristics Techniques for Tuning Parameters of PID/FOPID Controllers. ITM Web Conf. 2022, 43, 01002. [Google Scholar] [CrossRef]


















| Control Mode | Optimization Algorithms | Transient Duration | Overshoot |
|---|---|---|---|
| Boost Mode | AO | 1 ms | 0% |
| PSO | 1 ms | 2.9% | |
| GA | 1 ms | 9.8% | |
| Buck Mode | AO | 1 ms | 2.7% |
| PSO | 4.4 ms | 5% | |
| GA | 8.5 ms | 32% |
| Test Conditions | Test Metrics | Test Result |
|---|---|---|
| Load step change | System stability | Stable, minimum transient deviation |
| Input voltage variations | Recovery time | Fast recovery |
Disclaimer/Publisher’s Note: The statements, opinions and data contained in all publications are solely those of the individual author(s) and contributor(s) and not of MDPI and/or the editor(s). MDPI and/or the editor(s) disclaim responsibility for any injury to people or property resulting from any ideas, methods, instructions or products referred to in the content. |
© 2024 by the authors. Licensee MDPI, Basel, Switzerland. This article is an open access article distributed under the terms and conditions of the Creative Commons Attribution (CC BY) license (https://creativecommons.org/licenses/by/4.0/).
Share and Cite
Ren, L.; Wang, D.; Zhang, Y. Optimal Control of FSBB Converter with Aquila Optimizer-Based PID Controller. Micromachines 2024, 15, 1277. https://doi.org/10.3390/mi15101277
Ren L, Wang D, Zhang Y. Optimal Control of FSBB Converter with Aquila Optimizer-Based PID Controller. Micromachines. 2024; 15(10):1277. https://doi.org/10.3390/mi15101277
Chicago/Turabian StyleRen, Luoyao, Dazhi Wang, and Yupeng Zhang. 2024. "Optimal Control of FSBB Converter with Aquila Optimizer-Based PID Controller" Micromachines 15, no. 10: 1277. https://doi.org/10.3390/mi15101277
APA StyleRen, L., Wang, D., & Zhang, Y. (2024). Optimal Control of FSBB Converter with Aquila Optimizer-Based PID Controller. Micromachines, 15(10), 1277. https://doi.org/10.3390/mi15101277

