Analysis and Hardening of SEGR in Trench VDMOS with Termination Structure
Abstract
1. Introduction
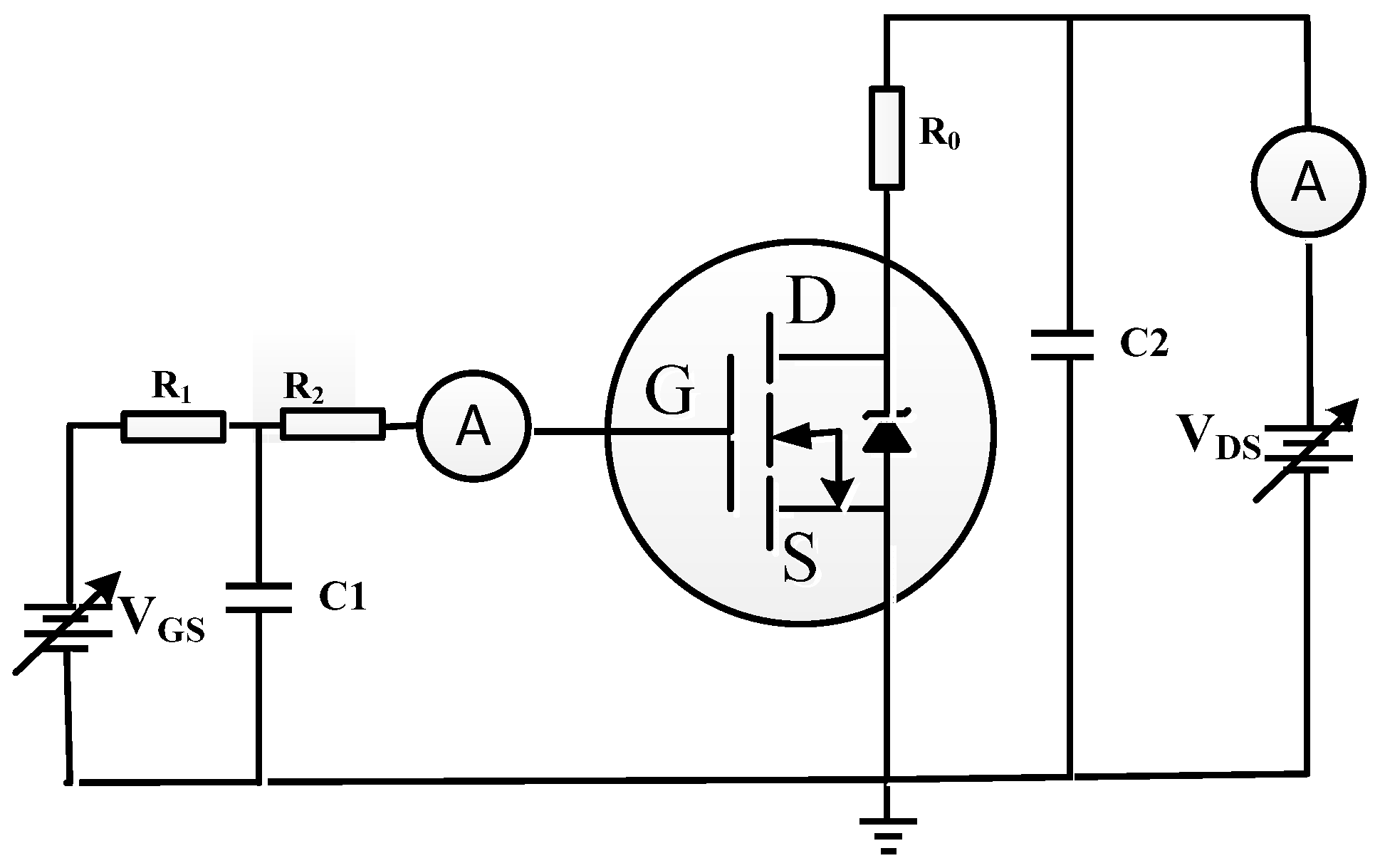
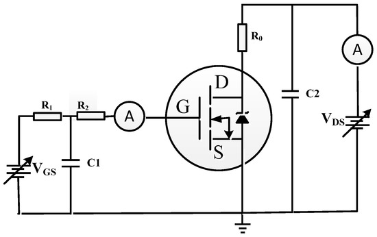
2. Device and Experiments
3. Experimental Results and Analysis
4. Hardening Design and Discussion
5. Conclusions
Author Contributions
Funding
Data Availability Statement
Conflicts of Interest
References
- Williams, R.K.; Darwish, M.N.; Blanchard, R.A.; Siemieniec, R.; Rutter, P.; Kawaguchi, Y. The trench power MOSFET: Part I—History, technology, and prospects. IEEE Trans. Electron Devices 2017, 64, 674–691. [Google Scholar] [CrossRef]
- Ma, L.; Amali, A.; Kiyawat, S.; Mirchandani, A.; He, D.; Thapar, N.; Sodhi, R.; Spring, K.; Kinzer, D. New trench MOSFET technology for DC-DC converter applications. In Proceedings of the ISPSD ‘03, 2003 IEEE 15th International Symposium on Power Semiconductor Devices and ICs, Cambridge, UK, 14–17 April 2003; pp. 354–357. [Google Scholar] [CrossRef]
- Titus, J.; Jamiolkowski, L.; Wheatley, C. Development of cosmic ray hardened power MOSFET’s. IEEE Trans. Nucl. Sci. 1989, 36, 2375–2382. [Google Scholar] [CrossRef]
- Fischer, T.A. Heavy-Ion-Induced, Gate-Rupture in Power MOSFETs. IEEE Trans. Nucl. Sci. 1987, 34, 1786–1791. [Google Scholar] [CrossRef]
- Darwish, M.; Shibib, M.; Pinto, M.; Titus, J. Single event gate rupture of power DMOS transistors. In Proceedings of the IEEE International Electron Devices Meeting, Washington, DC, USA, 5–8 December 1993; pp. 671–674. [Google Scholar] [CrossRef]
- Nichols, D.K.; Coss, J.R.; Mccarty, K.P. Single event gate rupture in commercial power MOSFETs. In Proceedings of the RADECS 93, Second European Conference on Radiation and its Effects on Components and Systems (Cat. No.93TH0616-3), Saint Malo, France, 13–16 September 1993; pp. 462–467. [Google Scholar] [CrossRef]
- Titus, J.; Wheatley, C.; Allenspach, M.; Schrimpf, R.; Burton, D.; Brews, J.; Galloway, K.; Pease, R. Influence of ion beam energy on SEGR failure thresholds of vertical power MOSFETs. IEEE Trans. Nucl. Sci. 1996, 43, 2938–2943. [Google Scholar] [CrossRef]
- Wheatley, T.; Wheatley, C.; Titus, J. Early lethal SEGR failures of VDMOSFETs considering nonuniformity in the rad-hard device distribution. IEEE Trans. Nucl. Sci. 2001, 48, 2217–2221. [Google Scholar] [CrossRef]
- Titus, J.; Wheatley, C.; Gillberg, J.; Burton, D. A study of ion energy and its effects upon an SEGR-hardened stripe-cell MOSFET technology [space-based systems]. IEEE Trans. Nucl. Sci. 2001, 48, 1879–1884. [Google Scholar] [CrossRef]
- Liu, S.; Boden, M.; Cao, H.; Sanchez, E.; Titus, J.L. Evaluation of Worst-Case Test Conditions for SEE on Power DMOSFETs. In Proceedings of the 2006 IEEE Radiation Effects Data Workshop, Ponte Vedra Beach, FL, USA, 17–21 July 2006; pp. 165–171. [Google Scholar] [CrossRef]
- Liu, S.; Titus, J.L.; Zafrani, M.; Cao, H.; Carrier, D.; Sherman, P. Worst-Case Test Conditions of SEGR for Power DMOSFETs. IEEE Trans. Nucl. Sci. 2010, 57, 279–287. [Google Scholar] [CrossRef]
- Lauenstein, J.-M.; Goldsman, N.; Liu, S.; Titus, J.L.; Ladbury, R.L.; Kim, H.S.; Phan, A.M.; LaBel, K.A.; Zafrani, M.; Sherman, P. Effects of Ion Atomic Number on Single-Event Gate Rupture (SEGR) Susceptibility of Power MOSFETs. IEEE Trans. Nucl. Sci. 2011, 58, 2628–2636. [Google Scholar] [CrossRef]
- Titus, J.L. An Updated Perspective of Single Event Gate Rupture and Single Event Burnout in Power MOSFETs. IEEE Trans. Nucl. Sci. 2013, 60, 1912–1928. [Google Scholar] [CrossRef]
- Privat, A.; Touboul, A.D.; Petit, M.; Huselstein, J.J.; Wrobel, F.; Forest, F.; Vaille, J.R.; Bourdarie, S.; Arinero, R.; Chatry, N.; et al. Impact of Single Event Gate Rupture and Latent Defects on Power MOSFETs Switching Operation. IEEE Trans. Nucl. Sci. 2014, 61, 1856–1864. [Google Scholar] [CrossRef]
- Hohl, J.; Johnnson, G. Features of the triggering mechanism for single event burnout of power MOSFETs. IEEE Trans. Nucl. Sci. 1989, 36, 2260–2266. [Google Scholar] [CrossRef]
- Darwish, M.; Yue, C.; Lui, K.H.; Giles, F.; Chan, B.; Chen, K.-I.; Pattanayak, D.; Chen, Q.; Terrill, K.; Owyang, K. A new power W-gated trench MOSFET (WMOSFET) with high switching performance. In Proceedings of the ISPSD ‘03, 2003 IEEE 15th International Symposium on Power Semiconductor Devices and ICs, Cambridge, UK, 14–17 April 2003. [Google Scholar] [CrossRef]
- Wan, X.; Zhou, W.S.; Ren, S.; Liu, D.G.; Xu, J.; Bo, H.L.; Zhang, E.X.; Schrimpf, R.D.; Fleetwood, D.M.; Ma, T.P. SEB Hardened Power MOSFETs with High-K Dielectrics. IEEE Trans. Nucl. Sci. 2015, 62, 2830–2836. [Google Scholar] [CrossRef]
- Javanainen, A.; Ferlet-Cavrois, V.; Bosser, A.; Jaatinen, J.; Kettunen, H.; Muschitiello, M.; Pintacuda, F.; Rossi, M.; Schwank, J.R.; Shaneyfelt, M.R.; et al. SEGR in SiO2–Si3N4 Stacks. IEEE Trans. Nucl. Sci. 2014, 61, 1902–1908. [Google Scholar] [CrossRef]
- Lu, J.; Liu, H.; Luo, J.; Wang, L.; Li, B.; Li, B.; Zhang, G.; Han, Z. Improved single-event hardness of trench power MOSFET with a widened split gate. In Proceedings of the 2016 16th European Conference on Radiation and Its Effects on Components and Systems (RADECS), Bremen, Germany, 19–23 September 2016; pp. 1–5. [Google Scholar] [CrossRef]
- Muthuseenu, K.; Barnaby, H.J.; Galloway, K.F.; Koziukov, A.E.; Maksimenko, T.A.; Vyrostkov, M.Y.; Bu-Khasan, K.B.; Kalashnikova, A.A.; Privat, A. Analysis of SEGR in Silicon Planar Gate Super-Junction Power MOSFETs. IEEE Trans. Nucl. Sci. 2021, 68, 611–616. [Google Scholar] [CrossRef]
- MIL-STD-750-1 “Environmental Test Methosd for Semiconductor Devices Part 1: Test Methods 1000 through 1999”. Available online: http://www.assistdocs.com (accessed on 21 August 2012).
- Chen, Z.; Zhang, C.; Wu, M.; Wang, T.; Zeng, Y.; Wan, X.; Jin, H.; Xu, J.; Tang, M. Analysis and Mitigation of Single-Event Gate Rupture in VDMOS With Termination Structure. IEEE Trans. Nucl. Sci. 2021, 68, 1272–1278. [Google Scholar] [CrossRef]















| Parameter | Value |
|---|---|
| Cell pitch, Wcell (μm) | 1.5 |
| Thickness of drift layer, Ld (μm) | 8 |
| Thickness of gate oxide, tox (μm) | 0.06 |
| Concentration of drift layer, Nd (cm−3) | 3 × 1016 |
| Concentration of P-body, Np (cm−3) | 1.9 × 1017 |
| Concentration of P+ and N+ (cm−3) | 1 × 1019 |
Disclaimer/Publisher’s Note: The statements, opinions and data contained in all publications are solely those of the individual author(s) and contributor(s) and not of MDPI and/or the editor(s). MDPI and/or the editor(s) disclaim responsibility for any injury to people or property resulting from any ideas, methods, instructions or products referred to in the content. |
© 2023 by the authors. Licensee MDPI, Basel, Switzerland. This article is an open access article distributed under the terms and conditions of the Creative Commons Attribution (CC BY) license (https://creativecommons.org/licenses/by/4.0/).
Share and Cite
Wang, Y.; Liu, T.; Qian, L.; Wu, H.; Yu, Y.; Tao, J.; Cheng, Z.; Hu, S. Analysis and Hardening of SEGR in Trench VDMOS with Termination Structure. Micromachines 2023, 14, 688. https://doi.org/10.3390/mi14030688
Wang Y, Liu T, Qian L, Wu H, Yu Y, Tao J, Cheng Z, Hu S. Analysis and Hardening of SEGR in Trench VDMOS with Termination Structure. Micromachines. 2023; 14(3):688. https://doi.org/10.3390/mi14030688
Chicago/Turabian StyleWang, Yuan, Tao Liu, Lingli Qian, Hao Wu, Yiren Yu, Jingyu Tao, Zijun Cheng, and Shengdong Hu. 2023. "Analysis and Hardening of SEGR in Trench VDMOS with Termination Structure" Micromachines 14, no. 3: 688. https://doi.org/10.3390/mi14030688
APA StyleWang, Y., Liu, T., Qian, L., Wu, H., Yu, Y., Tao, J., Cheng, Z., & Hu, S. (2023). Analysis and Hardening of SEGR in Trench VDMOS with Termination Structure. Micromachines, 14(3), 688. https://doi.org/10.3390/mi14030688

