Experimental Investigation of Relationship between Humidity Conditions and Degradation of Key Specifications of 0.1–1.2 GHz PA in 0.18 μm CMOS
Abstract
:1. Introduction
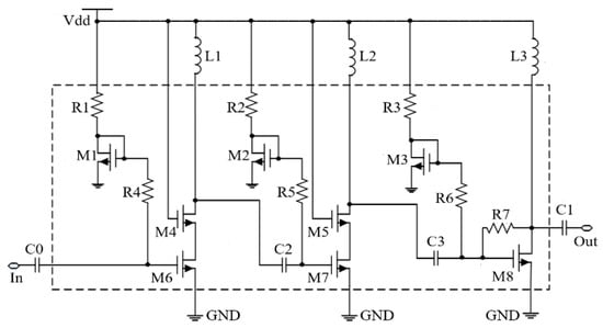
2. Designed PA and Experimental Setup
3. Results and Discussions
3.1. The S21
3.2. The PA’s Output Power
3.3. The Power Added Efficiency
4. Conclusions
Author Contributions
Funding
Institutional Review Board Statement
Informed Consent Statement
Data Availability Statement
Conflicts of Interest
References
- Jia, P.; You, F.; He, S. A 1.8–3.4-GHz Bandwidth-Improved Reconfigurable Mode Doherty Power Amplifier Utilizing Switches. IEEE Microw. Wirel. Compon. Lett. 2020, 30, 102–105. [Google Scholar] [CrossRef]
- Del, D.; Gurutzeaga, I.; Beriain, A.; Solar, H.; Berenguer, R. A Compact, Wideband, and Temperature Robust 67–90-GHz SiGe Power Amplifier With 30% PAE. IEEE Microw. Wirel. Compon. Lett. 2019, 29, 351–353. [Google Scholar] [CrossRef]
- Zurek, P.; Cappello, T.; Popovic, Z. Broadband Diplexed Power Amplifier. IEEE Microw. Wirel. Compon. Lett. 2020, 30, 1073–1076. [Google Scholar] [CrossRef]
- Thayyil, M.V.; Li, S.; Joram, N.; Ellinger, F. A 4–32 GHz SiGe Multi-Octave Power Amplifier With 20 dBm Peak Power, 18.6 dB Peak Gain and 156% Power Fractional Bandwidth. IEEE Microw. Wirel. Compon. Lett. 2019, 29, 745–748. [Google Scholar] [CrossRef]
- Chen, L.; Zhang, L.; Wang, Y. A 26.4-dB Gain 15.82-dBm 77-GHz CMOS Power Amplifier With 15.9% PAE Using Transformer-Based Quadrature Coupler Network. IEEE Microw. Wirel. Compon. Lett. 2020, 30, 78–81. [Google Scholar] [CrossRef]
- Gashi, B.; Krause, S.; Rüdiger, Q.; Fager, C.; Ambacher, O. Investigations of active antenna doherty power amplifier modules under beam-steering mismatch. IEEE Microw. Wirel. Compon. Lett. 2018, 28, 930–932. [Google Scholar] [CrossRef]
- Zhou, H.; Pal, A.; Mehta, A.; Nagasundaram, E.; Lees, J.; Mirshekar-syahkal, D. Power amplifier and antenna integration utilizing capacitively coupled feeding mechanism. In Proceedings of the 2017 IEEE International Symposium on Antennas and Propagation & USNC/URSI National Radio Science Meeting, San Diego, CA, USA, 9–14 July 2017; pp. 2355–2356. [Google Scholar]
- Timoshenkov, V.; Chaplygin, Y.; Khlybov, A.; Rodionov, D.; Efimov, A. X-band power amplifier for active electronically scanned array antenna. In Proceedings of the 2018 IEEE Conference of Russian Young Researchers in Electrical and Electronic Engineering (EIConRus), Moscow and St. Petersburg, Russia, 29 January–1 February 2018; pp. 1337–1340. [Google Scholar]
- Lin, X.; Seet, B.; Joseph, F. Wearable humidity sensing antenna for BAN applications over 5G networks. In Proceedings of the 2018 IEEE 19th Wireless and Microwave Technology Conference (WAMICON), Sand Key, FL, USA, 9–10 April 2018. [Google Scholar]
- Wang, R.; Yin, W.Y.; Chen, Y.; Chen, J.; Zhou, L. Study on Harmonic Spur Characteristics of AlGaN/GaN HEMT PA at Different Temperatures. In Proceedings of the 2019 12th International Workshop on the Electromagnetic Compatibility of Integrated Circuits (EMC Compo), Hangzhou, China, 21–23 October 2019; pp. 290–292. [Google Scholar]
- Pour, F.L.; Ha, D.S. A Temperature Compensated 5 GHz GaN on SiC Power Amplifier. In Proceedings of the 2020 IEEE 63rd International Midwest Symposium on Circuits and Systems (MWSCAS), Springfield, MA, USA, 9–12 August 2020; pp. 549–553. [Google Scholar]
- Dhar, S.K.; Helaoui, M.; Ghannouchi, F.M. Temperature Dependent Robust Behavioral Modeling of Non-Linear Power Amplifier. In Proceedings of the 2018 Asia-Pacific Microwave Conference (APMC), Kyoto, Japan, 6–9 November 2018; pp. 378–380. [Google Scholar]
- Lin, Y.C.; Zhong, J. A review of the influencing factors on anisotropic conductive adhesives joining technology in electrical applications. J. Mater. Sci. 2008, 43, 3072–3093. [Google Scholar] [CrossRef]
- Zhou, S.H. Experimental investigation on the performance degradations of the GaN class-F power amplifier under humidity conditions. Semicond. Sci. Technol. 2021, 36, 035025. [Google Scholar] [CrossRef]
- Talking about the ‘Shelf Life’ of Missiles. Available online: http://www.81.cn/jfjbmap/content/2018–03/09/content_201251.htm (accessed on 9 March 2018).
- Lin, Q.; Fu, H.P.; Cheng, Q.F.; Zhu, Y.Y. Study of the index failure for power amplifier caused by temperature. Analog Integr. Circuits Signal Process. 2016, 89, 177–183. [Google Scholar] [CrossRef]
- Kim, Y.T.; Kim, K.B.; Hyun, Y.E.; Kim, I.J.; Yang, S. Simulation study on the lifetime of electrochemical capacitors using the accelerated degradation test under temperature and voltage stresses. Microelectron. Reliab. 2015, 55, 2712–2720. [Google Scholar] [CrossRef]
- Zhang, H. Reliability and lifetime prediction of LED drivers. In Proceedings of the 2017 14th China International Forum on Solid State Lighting: International Forum on Wide Bandgap Semiconductors China (SSLChina: IFWS), Beijing, China, 1–3 November 2017. [Google Scholar]
- Ma, J.; Zhou, S. Experimentally Investigating the Performance Degradations of Power Amplifiers Against Temperatures. In Proceedings of the 2020 International Conference on Microwave and Millimeter Wave Technology (ICMMT), Shanghai, China, 20–23 September 2020. [Google Scholar]
- Zhou, S.H. Experimentally investigating the degradations of small-signal gain for a GaN class-AB dual-band power amplifier under high temperature and humidity conditions. AIP Adv. 2020, 10, 125219. [Google Scholar] [CrossRef]
- Zhou, S.H. Experimentally investigating the degradations of the GaN PA indexes under different temperature conditions. Microw. Opt. Technol. Lett. 2021, 63, 758–763. [Google Scholar] [CrossRef]
- Kim, M.; Bae, S.; Choung, S.H. Analysis on reliability characteristics of power electronic devices for aerial vehicles. In Proceedings of the 2017 20th International Conference on Electrical Machines and Systems (ICEMS), Sydney, Australia, 11–17 August 2017. [Google Scholar]
- Domginuez-Garcia, A.; Kassakian, J.; Schindall, J. Reliability evaluation of the power supply of an electrical power net for safety-relevant applications. Reliab. Eng. Syst. Saf. 2006, 91, 505–514. [Google Scholar] [CrossRef]
- Islam, A.E. Current status of reliability in extended and beyond CMOS devices. IEEE Trans. Device Mater. Reliab. 2016, 16, 647–666. [Google Scholar] [CrossRef]
- Wu, H.F.; Wang, L.G.; Zhou, P.; Ma, J.G. A 0.1–1.2 GHz CMOS ultra-broadband power amplifier. In Proceedings of the 2014 IEEE MTT-S International Microwave Symposium (IMS2014), Tampa, FL, USA, 1–6 June 2014. [Google Scholar]
- Neamen, D.A. Semiconductor Physics and Devices: BASIC Principles; McGraw-Hill: New York, NY, USA, 2011; pp. 387–410. [Google Scholar]
- Razavi, B. Design of Analog CMOS Integrated Circuits; McGraw Hill Higher Education: New York, NY, USA, 2003; pp. 17–21. [Google Scholar]
- Lee, T.H. The Design of CMOS Radio-Frequency Integrated Circuits; Cambridge University Press: Cambridge, UK, 2012; pp. 172–189. [Google Scholar]
- Lee, Y.; Hui, S.; Sabi, B. Evaluation of moisture-induced hot-carrier degradation of N- and P-MOSFETs using steam stress. In Proceedings of the IEEE International Electron Devices Meeting, Washington, DC, USA, 5–8 December 1993. [Google Scholar]
- Jiang, C.; Hu, C.; Chen, C.H.; Tseng, P.N. Impact of inter-metal-oxide deposition condition on NMOS and PMOS transistor hot carrier effect. In Proceedings of the 30th Annual Proceedings Reliability Physics 1992, San Diego, CA, USA, 31 March–2 April 1992. [Google Scholar]
- Kyriakidis, A. Performance Evaluation of SiC Power MOSFETs for Hybrid & Electric Vehicle DC-DC Converters. Master’s Thesis, Escola Tècnica Superior d’Enginyeria Industrial de Barcelona, Barcelona, Spain, September 2018. [Google Scholar]
- Magnone, P.; Petucco, A.; Thevenet, N.; Abedini, H. Simplified on-line monitoring system of MOSFET on-resistance based on a semi-empirical model. In Proceedings of the 2019 34th Annual IEEE Applied Power Electronics Conference and Exposition (APEC), Anaheim, CA, USA, 17–21 March 2019. [Google Scholar]









Publisher’s Note: MDPI stays neutral with regard to jurisdictional claims in published maps and institutional affiliations. |
© 2022 by the authors. Licensee MDPI, Basel, Switzerland. This article is an open access article distributed under the terms and conditions of the Creative Commons Attribution (CC BY) license (https://creativecommons.org/licenses/by/4.0/).
Share and Cite
Zhou, S.; Yang, C.; Wang, J. Experimental Investigation of Relationship between Humidity Conditions and Degradation of Key Specifications of 0.1–1.2 GHz PA in 0.18 μm CMOS. Micromachines 2022, 13, 1162. https://doi.org/10.3390/mi13081162
Zhou S, Yang C, Wang J. Experimental Investigation of Relationship between Humidity Conditions and Degradation of Key Specifications of 0.1–1.2 GHz PA in 0.18 μm CMOS. Micromachines. 2022; 13(8):1162. https://doi.org/10.3390/mi13081162
Chicago/Turabian StyleZhou, Shaohua, Cheng Yang, and Jian Wang. 2022. "Experimental Investigation of Relationship between Humidity Conditions and Degradation of Key Specifications of 0.1–1.2 GHz PA in 0.18 μm CMOS" Micromachines 13, no. 8: 1162. https://doi.org/10.3390/mi13081162
APA StyleZhou, S., Yang, C., & Wang, J. (2022). Experimental Investigation of Relationship between Humidity Conditions and Degradation of Key Specifications of 0.1–1.2 GHz PA in 0.18 μm CMOS. Micromachines, 13(8), 1162. https://doi.org/10.3390/mi13081162

