Design of the Threshold-Controllable Memristor Emulator Based on NDR Characteristics
Abstract
:1. Introduction
2. Improvement and Design of NDR Hysteresis Unit
3. Circuit Structure Analysis of Threshold-Controllable Memristor Based on NDR Unit
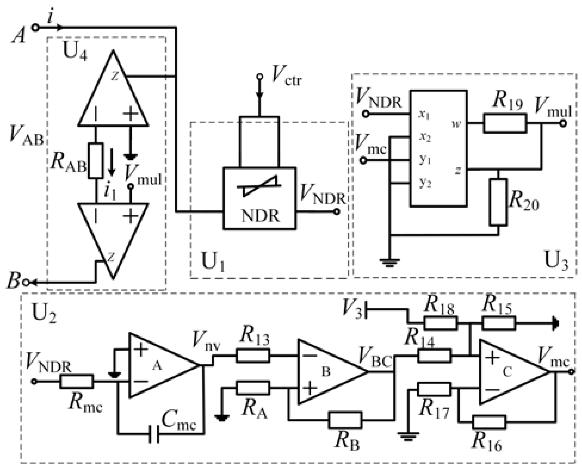
4. Circuit Design of Threshold-Controllable Memristor
4.1. Improved NDR Hysteresis Module U1
4.2. Memductance Conversion Module U2
4.3. Multiplier Module U3
4.4. Current Transmission Module U4
5. Verification of Threshold-Controllable Memristor
5.1. Simulation Results
5.2. Experimental Results
6. Conclusions
Author Contributions
Funding
Conflicts of Interest
References
- Chua, L.O. Memristor-the missing circuit element. IEEE Trans. Circuit Theory 1971, 5, 507–519. [Google Scholar] [CrossRef]
- Strukov, D.; Snider, G.; Stewart, D.; Williams, R. The missing memristor found. Nature 2008, 453, 80–83. [Google Scholar] [CrossRef] [PubMed]
- Mohanty, N.; Dey, R.; Roy, B. A new 3-D memristive time-delay chaotic system with multi-scroll and hidden attractors. IFAC 2018, 51, 580–585. [Google Scholar] [CrossRef]
- Xiaoyuan, W.; Meng, G.; Herbert, H.L.; Chunhua, W. Tri-valued Memristor-based Hyper-chaotic System with Hidden and Coexistent Attractors. Chaos Solitons Fractals 2022, 159, 112177. [Google Scholar] [CrossRef]
- Zhuosheng, L.; Guangyi, W.; Xiaoyuan, W.; Simin, Y.; Jinhu, L. Security performance analysis of a chaotic stream cipher. Nonlinear Dyn. 2018, 94, 1003–1017. [Google Scholar]
- John, R.A.; Demirağ, Y.; Shynkarenko, Y. Reconfigurable halide perovskite nanocrystal memristors for neuromorphic computing. Nat. Commun. 2022, 13, 2074. [Google Scholar] [CrossRef]
- Sun, J.; Kang, K.; Sun, Y. A multi-value 3D crossbar array nonvolatile memory based on pure memristors. Eur. Phys. J. Spec. Top. 2022, 1–12. [Google Scholar] [CrossRef]
- Wang, X.-Y.; Zhou, P.-F.; Eshraghian, J.K.; Lin, C.-Y.; Iu, H.H.-C.; Chang, T.-C.; Kang, S.-M. High-Density Memristor-CMOS Ternary Logic Family. IEEE Trans. Circuits Syst. I Regul. Pap. 2021, 68, 264–274. [Google Scholar] [CrossRef]
- Xiaoyuan, W.; Zhiru, W.; Pengfei, Z.; Herbert, H.L.; Sung, M.K.; Jason, K.E. FPGA Synthesis of Ternary Memristor-CMOS Decoders for Active Matrix Microdisplays. IEEE Trans. Circuits Syst. I Regul. Pap. 2022, 1–11. [Google Scholar] [CrossRef]
- Eshraghian, J.K.; Lin, Q.; Wang, X.; Iu, H.H.C.; Hu, Q.; Tong, H. A Behavioral Model of Digital Resistive Switching for Systems Level DNN Acceleration. IEEE Trans. Circuits Syst. II Express Briefs 2020, 67, 956–960. [Google Scholar] [CrossRef]
- Hairong, L.; Chunhua, W.; Chengjie, C.; Yichuang, S.; Chao, Z.; Cong, X.; Qinghui, H. Neural bursting and synchronization emulated by neural networks and circuits. IEEE Trans. Circuits Syst. I Regul. Pap. 2021, 68, 3397–3410. [Google Scholar]
- Mei, G.; Yongliang, Z.; Renyuan, L.; Kaixuan, Z.; Gang, D. An associative memory circuit based on physical memristors. Neurocomputing 2022, 472, 12–23. [Google Scholar] [CrossRef]
- Prezioso, M.; Merrikh-Bayat, F.; Hoskins, B.D.; Adam, G.C.; Likharev, K.K.; Strukov, D.B. Training and operation of an integrated neuromorphic network based on metaloxide memristors. Nature 2015, 521, 61–64. [Google Scholar] [CrossRef] [PubMed]
- Babacan, Y.; Yesil, A.; Gul, F. The Fabrication and MOSFET-Only Circuit Implementation of Semiconductor Memristor. IEEE Trans. Electron Devices 2018, 65, 1–8. [Google Scholar] [CrossRef]
- Li, P.; Wang, X.; Zhang, X. Spice modelling of a tri-state memristor and analysis of its series and parallel characteristics. IET Circuits Devices Syst. 2022, 16, 81–91. [Google Scholar] [CrossRef]
- Huang, L.X.; Yu, H.Q.; Chen, C.L.; Peng, J.; Diao, J.T.; Nie, H.S.; Li, Z.W.; Liu, H.J. A training strategy for improving the robustness of memristor-based binarized convolutional neural networks. Semicond. Sci. Technol. 2022, 37, 015013. [Google Scholar] [CrossRef]
- Fitch, A.L.; Iu, H.C.; Wang, X.Y. Realization of an analog model of memristor based on light dependent resistor. In Proceedings of the IEEE Symposium on Circuits and Systems (ISCAS), Seoul, Korea, 20–23 May 2012; pp. 1139–1142. [Google Scholar] [CrossRef]
- Petrović, P.B. Charge-controlled grounded memristor emulator circuits based on Arbel-Goldminz cell with variable switching behaviour. Analog. Integr. Circuits Signal Process. 2022, 1–9. [Google Scholar] [CrossRef]
- Raj, A.; Singh, S.; Kumar, P. Dual mode, high frequency and power efficient grounded memristor based on OTA and DVCC. Analog. Integr. Circuits Signal Process. 2022, 110, 81–89. [Google Scholar] [CrossRef]
- Abuelma’atti, M.T.; Khalifa, Z.J. A new memristor emulator and its application in digital modulation. Analog. Integr. Circuits Signal Process. 2014, 80, 577–584. [Google Scholar] [CrossRef]
- Ahmer, M.; Kidwai, N.R.; Yasin, M.Y. Memristor emulation and analog application using differential difference current conveyor of CC-II in CMOS technology. Mater. Today Proc. 2022, 51, 234–239. [Google Scholar] [CrossRef]
- Gozukucuk, M.M.; Menekay, S.; Ozenli, D. A Novel Fully Floating Memristor Emulator Using OTA and Passive Elements. In Proceedings of the 2021 13th International Conference on Electrical and Electronics Engineering (ELECO), Bursa, Turkey, 25–27 November 2021; pp. 29–33. [Google Scholar] [CrossRef]
- Yunus, B.; Abdullah, Y.; Firat, K. Memristor emulator with tunable characteristic and its experimental results. AEU Int. J. Electron. Commun. 2017, 81, 99–104. [Google Scholar] [CrossRef]
- Petrović, P.B. Floating incremental/decremental flux-controlled memristor emulator circuit based on single VDTA. Analog. Integr. Circuits Signal Process. 2018, 96, 417–433. [Google Scholar] [CrossRef]
- Yesil, A.; Babacan, Y.; Kacar, F. Electronically tunable memristor based on VDCC. AEU-Int. J. Electron. Commun. 2019, 107, 282–290. [Google Scholar] [CrossRef]
- Liang, Y.; Lu, Z.; Wang, G.; Yu, D.; Lu, H.H. Threshold-type binary memristor emulator Circuit. IEEE Access 2019, 7, 180181–180193. [Google Scholar] [CrossRef]
- Knowm Inc. Available online: https://knowm.org (accessed on 9 May 2019).
- Gan, K.; Tsai, C.; Liang, D.; Tu, C.; Chen, Y. Multiple-input NOR logic design using negative differential resistance circuits implemented by standard SiGe process. Solid State Electron. 2008, 52, 175–178. [Google Scholar] [CrossRef]
- Gan, K.; Su, Y. Novel multipeak current-voltage characteristics of series-connected negative differential resistance devices. IEEE Electron Device Lett. 1998, 19, 109–111. [Google Scholar] [CrossRef]
- Gan, K. The low-high-low I-V characteristics of five to seven peaks based on four NDR devices. IEEE Trans. Electron Devices 2001, 48, 1683–1687. [Google Scholar] [CrossRef]
- Mi, L.; Qiao, W.; Weifeng, L. Design of multiple-valued logic unit by using R-HBT-NDR-based memristor. FSDM 2019, 945–950. [Google Scholar] [CrossRef]
- Kvatinsky, S.; Friedman, E.; Kolodny, A. TEAM: Threshold adaptive memristor model. IEEE Trans. Circuits Syst. I Regul. Pap. 2013, 60, 211–221. [Google Scholar] [CrossRef]














Publisher’s Note: MDPI stays neutral with regard to jurisdictional claims in published maps and institutional affiliations. |
© 2022 by the authors. Licensee MDPI, Basel, Switzerland. This article is an open access article distributed under the terms and conditions of the Creative Commons Attribution (CC BY) license (https://creativecommons.org/licenses/by/4.0/).
Share and Cite
Lin, M.; Luo, W.; Li, L.; Han, Q.; Lyu, W. Design of the Threshold-Controllable Memristor Emulator Based on NDR Characteristics. Micromachines 2022, 13, 829. https://doi.org/10.3390/mi13060829
Lin M, Luo W, Li L, Han Q, Lyu W. Design of the Threshold-Controllable Memristor Emulator Based on NDR Characteristics. Micromachines. 2022; 13(6):829. https://doi.org/10.3390/mi13060829
Chicago/Turabian StyleLin, Mi, Wenyao Luo, Luping Li, Qi Han, and Weifeng Lyu. 2022. "Design of the Threshold-Controllable Memristor Emulator Based on NDR Characteristics" Micromachines 13, no. 6: 829. https://doi.org/10.3390/mi13060829
APA StyleLin, M., Luo, W., Li, L., Han, Q., & Lyu, W. (2022). Design of the Threshold-Controllable Memristor Emulator Based on NDR Characteristics. Micromachines, 13(6), 829. https://doi.org/10.3390/mi13060829

