High-Efficiency Flicker-Free LED Driver with Soft-Switching Feature
Abstract
:1. Introduction
2. Proposed Circuit Topology and Operating Principle
2.1. Circuit Topology
2.2. Steady-State Circuit Analysis
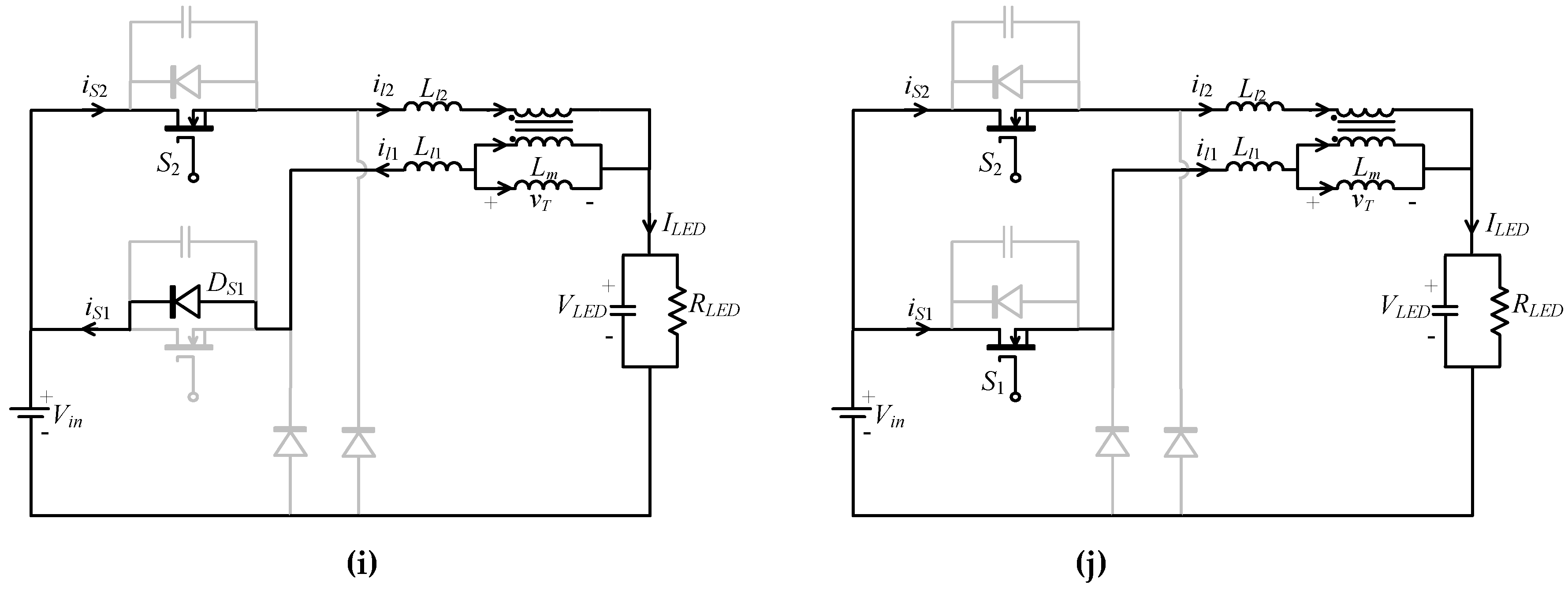
2.2.1. Equivalent Circuits of Different Operating Modes
- The resistances of all components are neglected.
- Ll1 and Ll2 are equal (Ll1 = Ll2 = Ll).
- LM is large; hence, only changes slightly within one switching period.
- The output capacitance Co is large enough to have a constant output voltage .
2.2.2. Detailed Circuit Analysis of Different Operating Modes
Mode I (t0 < t < t1)
Mode II (t1 < t < t2)
Mode III (t2 < t < t3)
Mode IV (t3 < t < t4)
Mode V (t4 < t < t5)
Mode VI (t5 < t < t6) to Mode X (t9 < t < t10)
3. Mathematical Equation Derivation
3.1. Magnetizing Current and Inductance Design Equation
3.2. LED Voltage Ripple Factor
4. Prototype LED Driver and Experimental Results
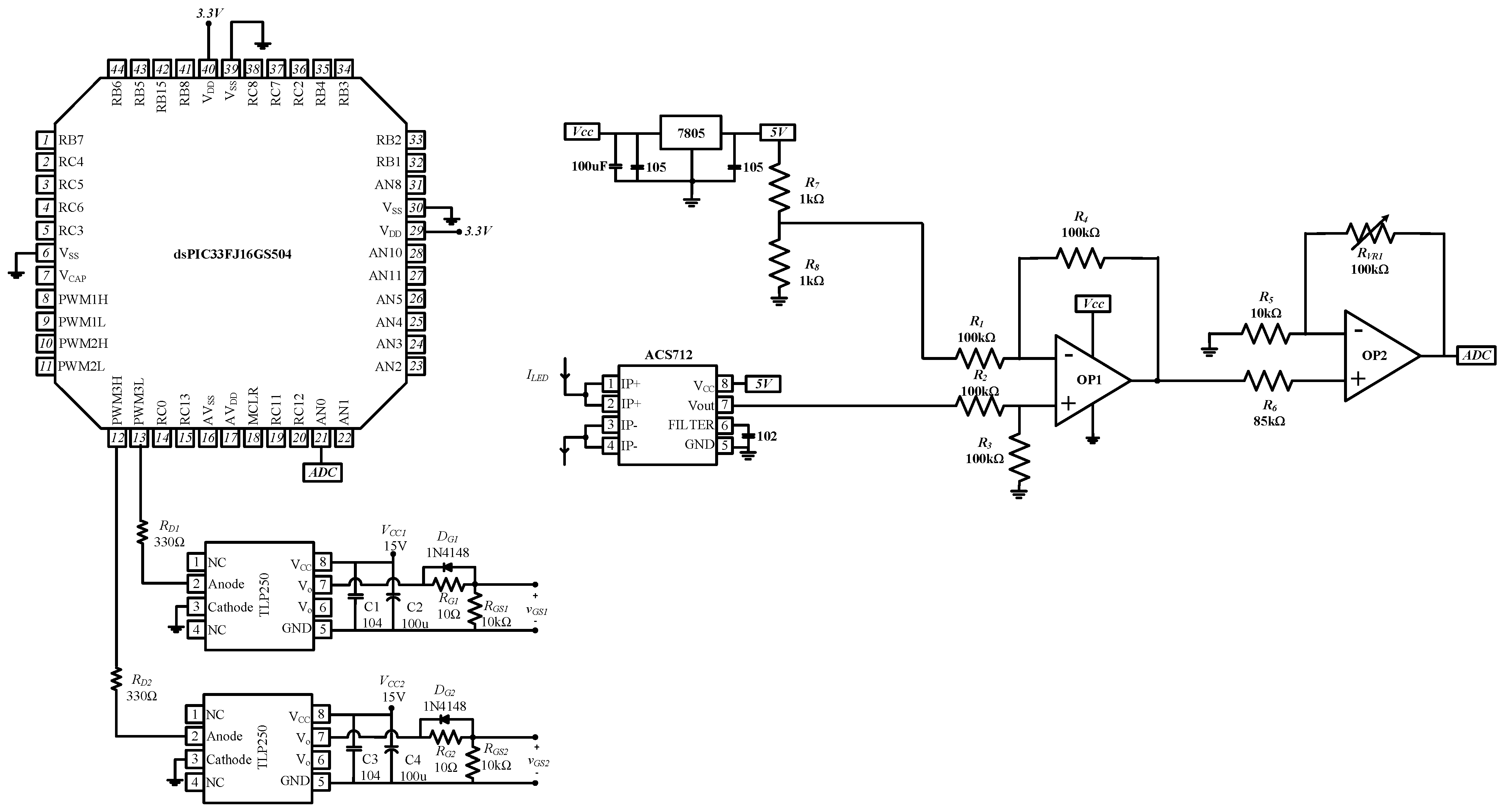
4.1. Parameter Design and Control Circuit
4.2. Experimental Results
5. Conclusions
Author Contributions
Funding
Conflicts of Interest
References
- Zhan, X.; Chung, H.; Zhang, R. Investigation into the use of single inductor for driving multiple series-connected LED channels. IEEE Trans. Power Electron. 2017, 32, 3034–3050. [Google Scholar] [CrossRef]
- Cheng, H.L.; Chang, Y.N.; Yen, H.C.; Hua, C.C.; Su, P.S. An interleaved flyback-typed LED driver with ZVS and energy recovery of leakage inductance. IEEE Trans. Power Electron. 2019, 34, 4497–4508. [Google Scholar] [CrossRef]
- Abdelmessih, G.Z.; Alonso, J.M.; Dalla Costa, M.A. Analysis, design, and experimentation of the active hybrid-series-parallel PWM dimming scheme for high-efficient off-line LED drivers. IET Power Electron. 2019, 12, 1697–1705. [Google Scholar] [CrossRef]
- Sangrody, R.; Pouresmaeil, M.; Marzband, M.; Pouresmaeil, E. Resonance-based optimized buck LED driver using unequal turn ratio coupled inductance. IEEE Trans. Power Electron. 2020, 35, 13068–13076. [Google Scholar] [CrossRef]
- Qiu, Y.; Wang, L.; Wang, H.; Liu, Y.F.; Sen, P.C. Bipolar ripple cancellation method to achieve single-stage electrolytic-capacitor-less High-Power LED driver. IEEE J. Emerg. Sel. Top. Power Electron. 2015, 3, 698–712. [Google Scholar]
- Li, L.; Gao, Y.; Jiang, H.; Mok, P.K.T.; Lau, K.M. An auto-zero-voltage-switching quasi-resonant LED driver with GaN FETs and fully integrated LED shunt protectors. IEEE J. Solid-State Circuits 2018, 53, 913–923. [Google Scholar] [CrossRef]
- Cao, L.; Zhu, Y.; Wu, H. A new electrolytic-capacitor-less LED driver with coupled-inductor. In Proceedings of the 2020 IEEE Applied Power Electronics Conference and Exposition (APEC), New Orleans, LA, USA, 15–19 March 2020. [Google Scholar]
- Yu, W.; Lai, J.H.; Ma, H.B.; Zheng, C. High-efficiency DC–DC converter with twin bus for dimmable LED ighting. IEEE Trans. Power Electron. 2011, 26, 2095–2100. [Google Scholar] [CrossRef]
- Wang, Q.; Li, T.; He, Q.H. Dimmable and cost-effective DC driving technique for flicker mitigation in LED Lighting. J. Disp. Technol. 2014, 10, 766–774. [Google Scholar] [CrossRef]
- Saxena, A.R.; Kulshreshtha, A. Universal bus front end PFC fourth-order buck converter as LED drivers. In Proceedings of the 2017 IEEE Region 10 Conference, Penang, Malaysia, 5–8 November 2017. [Google Scholar]
- Fang, P.; Sheng, B.; Liu, W.B.; Liu, Y.F.; Sen, P.C. Parallel energy buffering LED driver achieves electrolytic capacitor-less and flicker-free operation. In Proceedings of the IEEE Energy Conversion Congress and Exposition, Portland, OR, USA, 23–27 September 2018. [Google Scholar]
- Sebastian, J.; Villegas, P.J.; Nuno, F.; Hernando, M.M. High-efficiency and wide-bandwidth performance obtainable from a two-input buck converter. IEEE Trans. Power Electron. 1998, 13, 706–717. [Google Scholar] [CrossRef]
- Zhao, K.; Ciufo, P.; Perera, S. Lifetime analysis of aluminum electrolytic capacitor subject to voltage fluctuations. In Proceedings of the 14th International Conference on Harmonics and Quality of Power, Bergamo, Italy, 26–29 September 2010. [Google Scholar]
- Lee, J.H.; Yu, D.H.; Kim, J.G.; Kim, Y.H.; Shin, S.C.; Jung, D.Y.; Jung, Y.C.; Won, C.Y. Auxiliary switch control of a bidirectional soft-switching dc/dc converter. IEEE Trans. Power Electron. 2013, 28, 5446–5457. [Google Scholar]
- Yun, J.J.; Choe, H.J.; Hwang, Y.H.; Park, Y.K.; Kang, B. Improvement of power-conversion efficiency of a dc-dc boost converter using a passive snubber circuit. IEEE Trans. Ind. Electron. 2012, 59, 1808–1814. [Google Scholar] [CrossRef]
- Moo, C.S.; Chen, Y.J.; Cheng, H.L.; Hsieh, Y.C. Twin-buck converter with zero-voltage transition. IEEE Trans. Ind. Electron. 2011, 58, 2366–2371. [Google Scholar] [CrossRef]
- Yu, X.; Su, J.; Guo, S.; Zhong, S.; Shi, Y.; Lai, J. Properties and synthesis of lossless snubbers and passive soft-switching PWM converters. IEEE Trans. Power Electron. 2020, 35, 3807–3826. [Google Scholar] [CrossRef]
- Yang, J.W.; Do, H.L. Soft-switching bidirectional DC-DC converter using a lossless active snubber. IEEE Trans. Power Electron. 2014, 61, 588–1596. [Google Scholar] [CrossRef]
- Yang, J.W.; Do, H.L. High-efficiency ZVS AC-DC LED driver using a self-driven synchronous rectifier. IEEE Trans. Circuits Syst. I Regul. Pap. 2014, 61, 2505–2512. [Google Scholar] [CrossRef]
- Marvi, M.; Fotowat-Ahmady, A. A fully ZVS critical conduction mode boost PFC. IEEE Trans. Power Electron. 2012, 27, 1958–1965. [Google Scholar] [CrossRef]
- Huang, B.; Torrico, X.M.; GLiang, Y. High efficiency telecom rectifier designed for wireless communication networks. In Proceedings of the IEEE 33rd International Telecommunications Energy Conference (INTELEC), Amsterdam, The Netherlands, 9–13 October 2011. [Google Scholar]













| Item | Value |
|---|---|
| Input Voltage, Vin | 60 V |
| Output Voltage, VLED | 36 V |
| Output Power, Po | 180 W |
| Voltage Ripple Factor, rv | <1% |
| Switching Frequency, fs (at rated power) | 50 kHz |
| 3 W LED Rated Voltage | 3.6 V |
| 3 W LED Rated Current | 0.83 A |
| Item | Value |
|---|---|
| Inductance, Ll1, Ll2 | 45.6 μH, 45.6 μH |
| Magnetizing Inductance, LM | 732 μH |
| Output capacitance, Co | 1 μF (metal-film capacitor) |
| Diodes D1, D2 | C3D10060A |
| Active switches S1, S2 | STW52NK25Z |
| Item | Value |
|---|---|
| Coupled Inductors, LM | 0.8 W |
| Inductors, L1, L2 | 0.23 W, 0.23 W |
| Active Switches, S1, S2 | 0.8 W, 0.8 W |
| Diodes, D1, D2 | 0.7 W, 0.7 W |
| Output Capacitor, Co | 0.3 W |
Publisher’s Note: MDPI stays neutral with regard to jurisdictional claims in published maps and institutional affiliations. |
© 2022 by the authors. Licensee MDPI, Basel, Switzerland. This article is an open access article distributed under the terms and conditions of the Creative Commons Attribution (CC BY) license (https://creativecommons.org/licenses/by/4.0/).
Share and Cite
Cheng, H.-L.; Hwang, L.-C.; Chang, H.H.; Wang, Q.-Y.; Cheng, C.-A. High-Efficiency Flicker-Free LED Driver with Soft-Switching Feature. Micromachines 2022, 13, 797. https://doi.org/10.3390/mi13050797
Cheng H-L, Hwang L-C, Chang HH, Wang Q-Y, Cheng C-A. High-Efficiency Flicker-Free LED Driver with Soft-Switching Feature. Micromachines. 2022; 13(5):797. https://doi.org/10.3390/mi13050797
Chicago/Turabian StyleCheng, Hung-Liang, Lain-Chyr Hwang, Heidi H. Chang, Qi-You Wang, and Chun-An Cheng. 2022. "High-Efficiency Flicker-Free LED Driver with Soft-Switching Feature" Micromachines 13, no. 5: 797. https://doi.org/10.3390/mi13050797
APA StyleCheng, H.-L., Hwang, L.-C., Chang, H. H., Wang, Q.-Y., & Cheng, C.-A. (2022). High-Efficiency Flicker-Free LED Driver with Soft-Switching Feature. Micromachines, 13(5), 797. https://doi.org/10.3390/mi13050797

