An Output-Capacitorless Low-Dropout Regulator with Slew-Rate Enhancement
Abstract
:1. Introduction
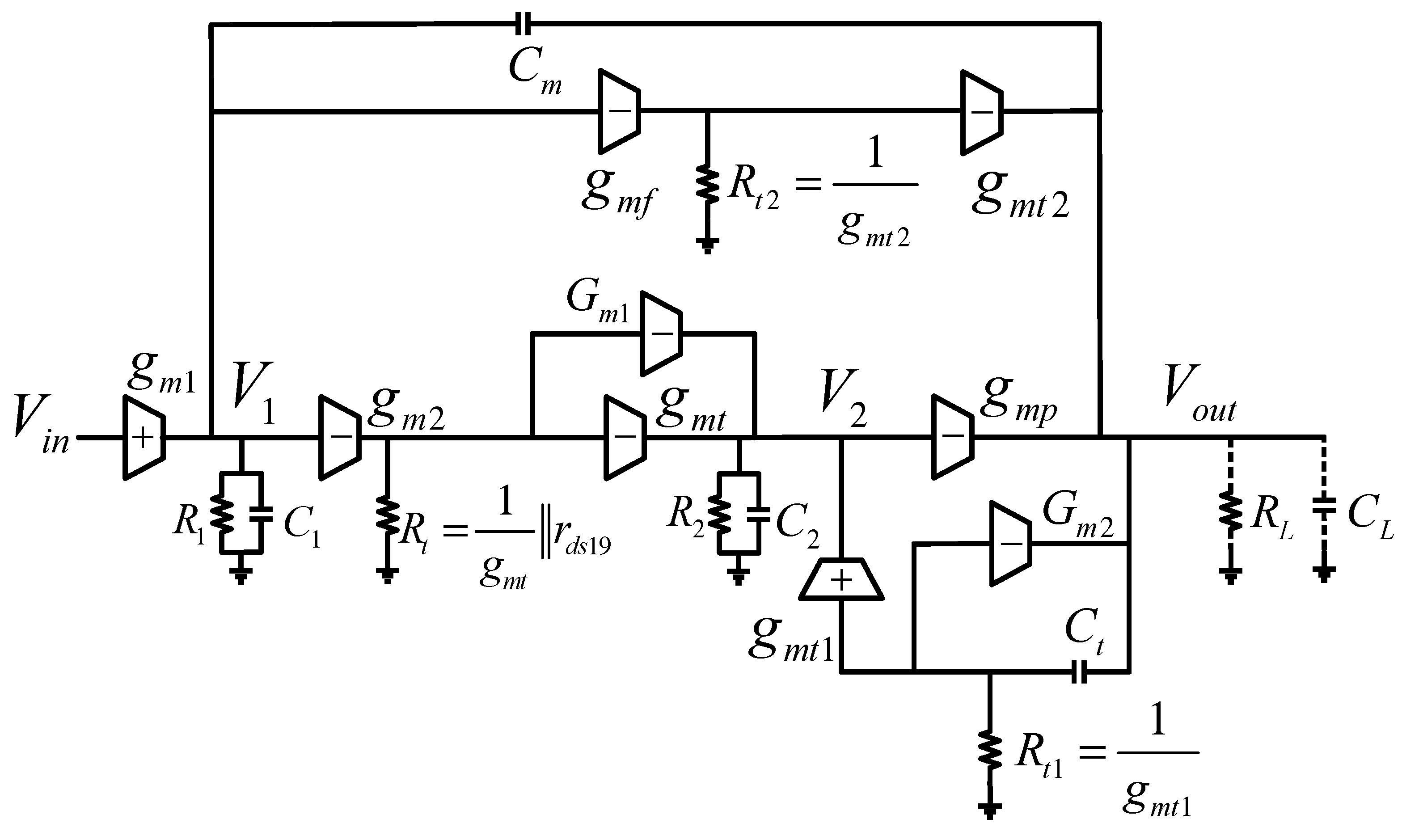
2. Proposed Architecture
2.1. Topology
2.2. Stability Analysis
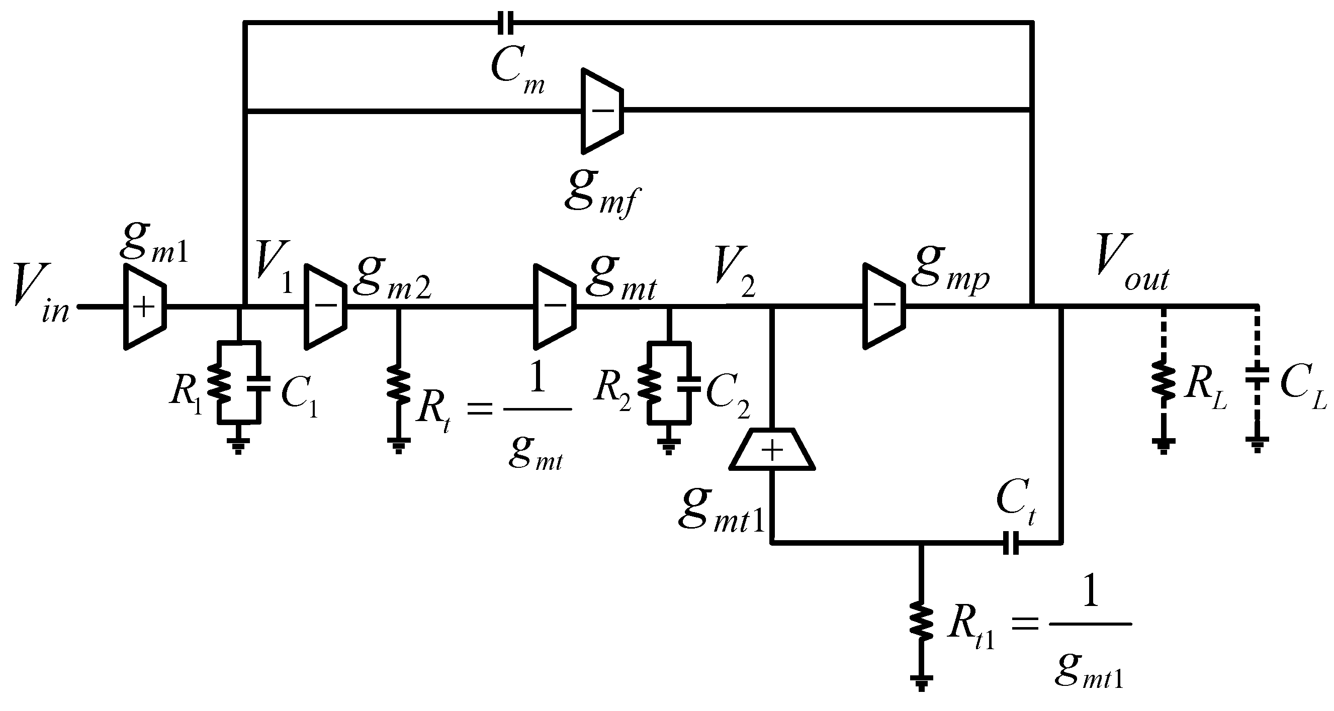
3. Design of the Proposed OCL-LDO Regulator
3.1. Schematic
3.2. Overshoot and Undershoot Reduction
4. Simulation Results and Discussions
5. Conclusions
Author Contributions
Funding
Institutional Review Board Statement
Informed Consent Statement
Data Availability Statement
Conflicts of Interest
References
- Buss, D.D. Technology in the Internet age. In Proceedings of the 2002 IEEE International Solid-State Circuits Conference. Digest of Technical Papers (Cat. No.02CH37315), San Francisco, CA, USA, 7 February 2002; pp. 18–21. [Google Scholar]
- Raducan, C.; Neag, M. Slew-rate booster and frequency compensation circuit for automotive LDOs. IEEE Trans. Circuits Syst. I Reg. Pap. 2022, 69, 465–477. [Google Scholar] [CrossRef]
- Ming, X.; Kuang, J.-J.; Liang, H.; Zhang, J.; Qin, Y.; Zhang, Z.-W.; Wang, Z.; Zhang, B. A fast-transient low-dropout regulator with current-efficient super transconductance cell and dynamic reference control. IEEE Trans. Circuits Syst. I Reg. Pap. 2021, 68, 2354–2367. [Google Scholar] [CrossRef]
- Carreon-Bautista, S.; Huang, L.; Sanchez-Sinencio, E. An autonomous energy harvesting power management unit with digital regulation for IoT applications. IEEE J. Solid-State Circuits 2016, 51, 1457–1474. [Google Scholar] [CrossRef]
- Bu, S.; Guo, J.; Leung, K.N. A 200-ps-response-time output-capacitorless low-dropout regulator with unity-gain bandwidth>100 MHz in 130-nm CMOS. IEEE Trans. Power Electron. 2018, 33, 3232–3246. [Google Scholar] [CrossRef]
- Bu, S.; Leung, K.N.; Lu, Y.; Guo, J.; Zheng, Y. A fully integrated low dropout regulator with differentiator-based active zero compensation. IEEE Trans. Circuits Syst. I Reg. Pap. 2018, 65, 3578–3591. [Google Scholar] [CrossRef]
- Milliken, R.J.; Silva-Martinez, J.; Sanchez-Sinencio, E. Full on-chip CMOS low-dropout voltage regulator. IEEE Trans. Circuits Syst. I Reg. Pap. 2007, 54, 1879–1890. [Google Scholar] [CrossRef]
- Chong, S.; Chan, P.K. A 0.9-μA quiescent current output-capacitorless LDO regulator with adaptive power transistors in 65-nm CMOS. IEEE Trans. Circuits Syst. I Reg. Pap. 2013, 60, 1072–1081. [Google Scholar] [CrossRef]
- Huang, Y.; Lu, Y.; Maloberti, F.; Martins, R.P. Nano-ampere low-dropout regulator designs for IoT devices. IEEE Trans. Circuits Syst. I Reg. Papers 2018, 65, 4017–4026. [Google Scholar] [CrossRef]
- Adorni, N.; Stanzione, S.; Boni, A. A 10-mA LDO with 16-nA IQ and operating from 800-mV supply. IEEE J. Solid-State Circuits 2020, 55, 404–413. [Google Scholar] [CrossRef]
- Lau, S.K.; Mok, P.K.T.; Leung, K.N. A low-dropout regulator for SoC with Q-reduction. IEEE J. Solid-State Circuits 2007, 42, 658–664. [Google Scholar] [CrossRef]
- Cai, G.; Lu, Y.; Zhan, C.; Martins, R.P. A fully integrated FVF LDO with enhanced full-spectrum power supply rejection. IEEE Trans. Power Electron. 2021, 36, 4326–4337. [Google Scholar] [CrossRef]
- Huang, M.; Feng, H.; Lu, Y. A fully integrated FVF-based low-dropout regulator with wide load capacitance and current ranges. IEEE Trans. Power Electron. 2019, 34, 11880–11888. [Google Scholar] [CrossRef]
- Hong, S.-W.; Cho, G.-H. High-gain wide-bandwidth capacitor-less low-dropout regulator (LDO) for mobile applications utilizing frequency response of multiple feedback loops. IEEE Trans. Circuits Syst. I Reg. Pap. 2016, 63, 46–57. [Google Scholar] [CrossRef]
- Chen, F.; Lu, Y.; Mok, P.K.T. A fast-transient 500-mA digitally assisted analog LDO with 30-μV/mA load regulation and 0.0073-ps FoM in 65-nm CMOS. IEEE J. Solid-State Circuits 2020, 56, 511–520. [Google Scholar] [CrossRef]
- Tang, J.; Lee, J.; Roh, J. Low-power fast-transient capacitor-less LDO regulator with high slew-rate class-AB amplifier. IEEE Trans. Circuits Syst. II Exp. Briefs 2019, 66, 462–466. [Google Scholar] [CrossRef]
- Li, G.; Qian, H.; Guo, J.; Mo, B.; Lu, Y.; Chen, D. Dual active-feedback frequency compensation for output-capacitorless LDO with transient and stability enhancement in 65-nm CMOS. IEEE Trans. Power Electron. 2020, 35, 415–429. [Google Scholar] [CrossRef]
- Man, T.Y.; Mok, P.K.T.; Chan, M. A high slew-rate push–pull output amplifier for low-quiescent current low-dropout regulators with transient-response improvement. IEEE Trans. Circuits Syst. II Exp. Briefs 2007, 54, 755–759. [Google Scholar] [CrossRef]
- Mandal, D.; Desai, C.; Bakkaloglu, B.; Kiaei, S. Adaptively biased output cap-less NMOS LDO with 19ns settling time. IEEE Trans. Circuits Syst. II Exp. Briefs 2019, 66, 167–171. [Google Scholar] [CrossRef]
- Pereira-Rial, Ó.; López, P.; Carrillo, J.M.; Brea, V.M.; Cabello, D. An 11 mA capacitor-less LDO with 3.08 nA quiescent current and SSF-based adaptive biasing. IEEE Trans. Circuits Syst. II Exp. Briefs 2022, 69, 844–848. [Google Scholar] [CrossRef]
- Ming, X.; Kuang, J.J.; Gong, X.C.; Lin, Z.; Xiong, J.; Qin, Y.; Zhang, B. A fast-transient capacitorless LDO with dual paths active-frequency compensation scheme. IEEE Trans. Power Electron. 2022, 37, 10332–11034. [Google Scholar] [CrossRef]
- Peng, X.; Sansen, W. Transconductance with capacitances feedback compensation for multistage amplifiers. IEEE J. Solid-State Circuits 2005, 40, 1514–1520. [Google Scholar] [CrossRef]
- Guo, J.; Leung, K.N. A 6-μW chip-area-efficient output-capacitorless LDO in 90-nm CMOS technology. IEEE J. Solid-State Circuits 2010, 45, 1896–1905. [Google Scholar] [CrossRef]











| Worst | Mean | Best | |
|---|---|---|---|
| PM(deg) | 47.8 | 69.7 | 77.8 |
| GM(dB) | 9.1 | 16.8 | 33.1 |
| Parameters | TCASI [7] | TCASI [9] | TPEL [17] | TPEL [21] | This Work |
|---|---|---|---|---|---|
| Year | 2007 | 2018 | 2020 | 2022 | 2022 |
| Technology | |||||
| 200 | 200 | 150 | 200 | 200 | |
| 2.8 | 0.8 | 0.8 | 2.5 | 0.9 | |
| 50 | 10 | 100 | 100 | 100 | |
| 0 | 0 | 0 | 0.01 | 0 | |
| 23 | 3.9 | 6 | 14 | 8.6 | |
| - | 0–10 | 0–100 | 0–100 | 0–100 | |
| 65 | 0.1 | 14 | 66 | 30 | |
| 80 | 231.4 | 230 | 255 | 23.5 | |
| 50 | 10 | 100 | 100 | 100 | |
| 23 | N/A | 12 | 0.8 | 0.2 | |
| Load Reg. | 560 | 1580 | 90 | 60 | 250 |
| −57@1kHz | −24@1MHz | −33@10kHz | −41@10kHz | −70@10kHz | |
| 15 | 0.1 | 1.2 | 0.7 | 1.2 | |
| 1000 | 200 | 220 | 400 | 100 | |
| Edge time ratio K | 10 | 2 | 2.2 | 4 | 1 |
| 1040 | 4.63 | 70.84 | 673.20 | 7.05 | |
| 8489.80 | 1095.86 | 16766.86 | 5495.51 | 4406.25 |
Publisher’s Note: MDPI stays neutral with regard to jurisdictional claims in published maps and institutional affiliations. |
© 2022 by the authors. Licensee MDPI, Basel, Switzerland. This article is an open access article distributed under the terms and conditions of the Creative Commons Attribution (CC BY) license (https://creativecommons.org/licenses/by/4.0/).
Share and Cite
Ni, S.; Chen, Z.; Hu, C.; Chen, H.; Wang, Q.; Li, X.; Song, S.; Song, Z. An Output-Capacitorless Low-Dropout Regulator with Slew-Rate Enhancement. Micromachines 2022, 13, 1594. https://doi.org/10.3390/mi13101594
Ni S, Chen Z, Hu C, Chen H, Wang Q, Li X, Song S, Song Z. An Output-Capacitorless Low-Dropout Regulator with Slew-Rate Enhancement. Micromachines. 2022; 13(10):1594. https://doi.org/10.3390/mi13101594
Chicago/Turabian StyleNi, Shenglan, Zhizhi Chen, Chenkai Hu, Houpeng Chen, Qian Wang, Xi Li, Sannian Song, and Zhitang Song. 2022. "An Output-Capacitorless Low-Dropout Regulator with Slew-Rate Enhancement" Micromachines 13, no. 10: 1594. https://doi.org/10.3390/mi13101594
APA StyleNi, S., Chen, Z., Hu, C., Chen, H., Wang, Q., Li, X., Song, S., & Song, Z. (2022). An Output-Capacitorless Low-Dropout Regulator with Slew-Rate Enhancement. Micromachines, 13(10), 1594. https://doi.org/10.3390/mi13101594

