Experimental Investigation and Prediction on Pressure Drop during Flow Boiling in Horizontal Microchannels
Abstract
1. Introduction
2. Materials and Methods
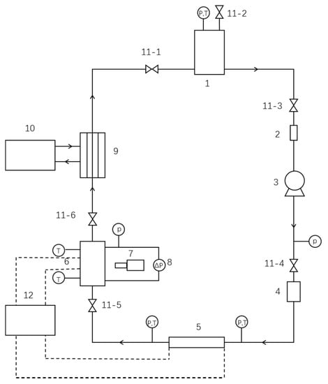
2.1. Experimental Methods
2.2. Data Processing
3. Results
3.1. Pressure Drop Results
3.2. Comparison with Different Pressure Drop Correlations
4. New Correlation
4.1. Influence of Local Vapor Quality on the Chisholm Parameter
4.2. Improved Correlation
5. Conclusions
- Among six separated flow models, most correlations overpredicted the frictional pressure drop compared with the experimental data of flow boiling in horizontal microchannels in this paper, while the correlation of Choi et al. underpredicted slightly. Correlations proposed by Mishima and Hibiki, based on the hydraulic diameter, and Zhang, related to the Laplace parameter La, share similar form and work comparatively well in predicting pressure drop of two-phase within an acceptable mean absolute error. Zhang’s correlation, although doesn’t predict best, covers more experimental conditions, so it has a wider applicability. However, Zhang’s correlation only took the effect of surface tension into consideration, regardless of the operating conditions. To consider the effect of operating conditions, a new correlation is proposed based on Zhang’s correlation in this paper.
- The vapor quality is found to have a significant influence on the Chisholm parameter in the separated flow model, and this may be due to its influence on the flow pattern. When x < 0.1, the flow pattern is mainly bubbly flow and slug flow, the Chisholm parameter increases with the increasing vapor quality. When x > 0.1, the bubbles merge to form churn flow and not-fully-developed annular flow, and the Chisholm parameter remains nearly unchanged.
- The superficial gas flux is introduced to consider the comprehensive influence of mass velocity and vapor quality on two-phase flow pressure drop, and a new equation for the Chisholm parameter in the separated flow model is proposed as a function of the superficial gas flux . The mean absolute error MAE of the new flow correlation is 16.82%, which is significantly lower than the other correlations. Moreover, the applicability of the new expression has been verified by the experimental data in other literatures.
Author Contributions
Funding
Institutional Review Board Statement
Informed Consent Statement
Data Availability Statement
Conflicts of Interest
Nomenclature
| friction factor [-] | the Laplace number [-] | ||
| enthalpy [J/kg] | |||
| latent heat of vaporization [J/kg] | |||
| superficial gas flux [m/s] | mean absolute error | ||
| mass flow rate [kg/s] | number of experimental data points | ||
| pressure [Pa] | heating power of the preheating section [W] | ||
| flow velocity [m/s] | |||
| thermodynamic equilibrium vapor quality [-] | heating power of the test-section [W] | ||
| the Reynolds number [-] | |||
| coordinate along microchannel [mm] | channel width [mm] | ||
| the Chisholm parameter [-] | the Weber number [-] | ||
| contraction coefficient [-] | |||
| hydraulic diameter [mm] | |||
| mass velocity [kg/(m2·s)] | the Martinelli parameter [-] | ||
| channel depth [mm] | |||
| channel length [mm] | |||
| Greek Symbols | |||
| void fraction [-] | expansion area ratio [-] | ||
| channel aspect ratio [-] | difference [-] | ||
| density [kg/m3] | two-phase pressure drop | ||
| mixture density [kg/m3] | multiplier [-] | ||
| contraction area ratio [-] | |||
| Subscripts | |||
| accelerational | liquid only | ||
| average | microchannel outlet | ||
| contraction | predicted | ||
| expansion | total | ||
| experimental | two-phase | ||
| frictional | turbulent liquid-turbulent vapor | ||
| saturated vapor | turbulent liquid-laminar vapor | ||
| microchannel inlet | laminar liquid-turbulent vapor | ||
| saturated liquid | laminar liquid-laminar vapor | ||
References
- Yong, H.; Lau, B.L.; Tang, G.; Zhang, X. Micro-channel heat sink with multiple interactive pressure-driven or electro-osmotic flows. In Proceedings of the 2015 IEEE 17th Electronics Packaging and Technology Conference (EPTC), Singapore, 2–4 December 2015; pp. 1–5. [Google Scholar] [CrossRef]
- Adham, A.M.; Mohd-Ghazali, N.; Ahmad, R. Thermal and hydrodynamic analysis of microchannel heat sinks: A review. Renew. Sustain. Energy Rev. 2013, 21, 614–622. [Google Scholar] [CrossRef]
- Dehghan, M.; Daneshipour, M.; Valipour, M.S.; Rafee, R.; Saedodin, S. Enhancing heat transfer in microchannel heat sinks using converging flow passages. Energy Convers. Manag. 2015, 92, 244–250. [Google Scholar] [CrossRef]
- Qu, W.; Mudawar, I. Flow boiling heat transfer in two-phase micro-channel heat sinks––I. Experimental investigation and assessment of correlation methods. Int. J. Heat Mass Transf. 2003, 46, 2755–2771. [Google Scholar] [CrossRef]
- Yu, W.; France, D.; Wambsganss, M.W.; Hull, J.R. Two-phase pressure drop, boiling heat transfer, and critical heat flux to water in a small-diameter horizontal tube. Int. J. Multiph. Flow 2002, 28, 927–941. [Google Scholar] [CrossRef]
- Ribatski, G.; Wojtan, L.; Thome, J.R. An analysis of experimental data and prediction methods for two-phase frictional pressure drop and flow boiling heat transfer in micro-scale channels. Exp. Therm. Fluid Sci. 2006, 31, 1–19. [Google Scholar] [CrossRef]
- Mudawar, I. Two-Phase Microchannel Heat Sinks: Theory, Applications, and Limitations. J. Electron. Packag. 2011, 133, 1–31. [Google Scholar] [CrossRef]
- Dixit, T.; Ghosh, I. Review of micro- and mini-channel heat sinks and heat exchangers for single phase fluids. Renew. Sustain. Energy Rev. 2015, 41, 1298–1311. [Google Scholar] [CrossRef]
- Lim, T.-W.; You, S.-S.; Choi, J.-H.; Kim, H.-S. Experimental Investigation of Heat Transfer in Two-phase Flow Boiling. Exp. Heat Transf. 2014, 28, 23–36. [Google Scholar] [CrossRef]
- Tong, W.; Bergles, A.E.; Jensen, M.K. Pressure drop with highly subcooled flow boiling in small-diameter tubes. Exp. Therm. Fluid Sci. 1997, 15, 202–212. [Google Scholar] [CrossRef]
- Huo, X.; Shiferaw, D.; Karayiannis, T.G.; Tian, Y.S.; Kenning, D. In Boiling Two-Phase Pressure Drop in Small Diameter Tubes. In Proceedings of the 6th International Conference on Enhanced, Compact and Ultra-Compact Heat Exchangers, Brussels, Belgium, 16–17 October 2007. [Google Scholar]
- Chang, Y.P.; Jang, Y.; Kim, B.; Kim, Y. Flow boiling heat transfer coefficients and pressure drop of FC-72 in microchannels. Int. J. Multiph. Flow 2012, 39, 45–54. [Google Scholar]
- Yan, Y.Y.; Lin, T.F.; Yang, B.C. Evaporation Heat Transfer and Pressure Drop of Refrigerant R134a in A Plate Heat Exchanger. In Proceedings of the Asme Turbo Asia Conference, Singapore, 30 September–2 October 1997. [Google Scholar]
- Quan, X.; Cheng, P.; Wu, H. An experimental investigation on pressure drop of steam condensing in silicon microchannels. Int. J. Heat Mass Transf. 2008, 51, 5454–5458. [Google Scholar] [CrossRef]
- Balasubramanian, K.; Lee, P.S.; Teo, C.J.; Chou, S.K. Flow boiling heat transfer and pressure drop in stepped fin microchannels. Int. J. Heat Mass Transf. 2013, 67, 234–252. [Google Scholar] [CrossRef]
- Lockhart, R.W.; Martinelli, R.C. Proposed Correlation of Data for Isothermal Two-Phase, Two-Component Flow in Pipes. Chem. Eng. Prog. 1949, 45, 39–48. [Google Scholar]
- Sadatomi, M.; Sato, Y.; Saruwatari, S. Two-phase flow in vertical noncircular channels. Int. J. Multiph. Flow 1982, 8, 641–655. [Google Scholar] [CrossRef]
- Mishima, K.; Hibiki, T. Some characteristics of air-water two-phase flow in small diameter vertical tubes. Int. J. Multiph. Flow 1996, 22, 703–712. [Google Scholar] [CrossRef]
- Lee, J.; Mudawar, I. Two-phase flow in high-heat-flux micro-channel heat sink for refrigeration cooling applications: Part I––pressure drop characteristics. Int. J. Heat Mass Transf. 2005, 48, 928–940. [Google Scholar] [CrossRef]
- Megahed, A.; Hassan, I. Two-phase pressure drop and flow visualization of FC-72 in a silicon microchannel heat sink. Int. J. Heat Fluid Flow 2009, 30, 1171–1182. [Google Scholar] [CrossRef]
- Lee, H.J.; Lee, S.Y. Pressure drop correlations for two-phase flow within horizontal rectangular channels with small heights. Int. J. Multiph. Flow 2001, 27, 783–796. [Google Scholar] [CrossRef]
- Qu, W.; Mudawar, I. Measurement and prediction of pressure drop in two-phase micro-channel heat sinks. Int. J. Heat Mass Transf. 2003, 46, 2737–2753. [Google Scholar] [CrossRef]
- Sun, L.; Mishima, K. Evaluation analysis of prediction methods for two-phase flow pressure drop in mini-channels. Int. J. Multiph. Flow 2009, 35, 47–54. [Google Scholar] [CrossRef]
- Kim, S.-M.; Mudawar, I. Universal approach to predicting two-phase frictional pressure drop for adiabatic and condensing mini/micro-channel flows. Int. J. Heat Mass Transf. 2012, 55, 3246–3261. [Google Scholar] [CrossRef]
- Zhang, W.; Hibiki, T.; Mishima, K. Correlations of two-phase frictional pressure drop and void fraction in mini-channel. Int. J. Heat Mass Transf. 2010, 53, 453–465. [Google Scholar] [CrossRef]
- Lim, T.-W.; You, S.-S.; Kim, J.-S.; Moon, S.-B.; Seo, D.-H. Two-phase pressure drop due to friction in micro-channel. Proc. Inst. Mech. Eng. Part C J. Mech. Eng. Sci. 2013, 228, 921–931. [Google Scholar] [CrossRef]
- Choi, Y.-S.; Lim, T.-W.; You, S.-S.; Kim, H.-S. Pressure drop characteristics for two-phase flow of FC-72 in microchannel. Proc. Inst. Mech. Eng. Part C J. Mech. Eng. Sci. 2017, 232, 987–997. [Google Scholar] [CrossRef]
- Tran, T.N.; Chyu, M.-C.; Wambsganss, M.W.; France, D.M. Two-phase pressure drop of refrigerants during flow boiling in small channels: An experimental investigation and correlation development. Int. J. Multiph. Flow 2000, 26, 1739–1754. [Google Scholar] [CrossRef]
- Zhang, M.; Webb, R.L. Correlation of two-phase friction for refrigerants in small-diameter tubes. Exp. Therm. Fluid Sci. 2001, 25, 131–139. [Google Scholar] [CrossRef]
- Friedel, L. Improved Friction Pressure Drop Correlation for Horizontal and Vertical Two-Phase Pipe Flow. Proc. Eur. Two Phase Flow Group Meet. Ispra Italy 1979, 18, 485–491. [Google Scholar]
- Yang, Q.; Shu, B.; Wang, J.; Guo, Y. Experimental investigation on flow boiling heat transfer and flow patterns in a single micro-channel with large mass velocity. Exp. Therm. Fluid Sci. 2018, 91, 283–291. [Google Scholar] [CrossRef]
- Zivi, S.M. Estimation of Steady-State Steam Void-Fraction by Means of the Principle of Minimum Entropy Production. J. Heat Transf. 1964, 86, 247–251. [Google Scholar] [CrossRef]
- Mcadams, W.H.; Wood, W.K.; Bryan, R.L. Vaporization inside horizontal tubes-II-benzene-oil mixtures. Trans. ASME 1942, 64, 193–200. [Google Scholar]
- Akers, W.W.; Deans, A.; Crossee, O.K. Condensing heat transfer within horizontal tubes. Chem. Eng. Prog. 1957, 59, 171–176. [Google Scholar]
- CiCcHitti, A.; Lombardi, C.; Silvestri, M.; Soldaini, G.; Zavattarelli, R. Two-phase cooling experiments: Pressure drop, heat transfer and burnout measurements. Energ. Nucl. 1959, 7, 407–425. [Google Scholar]
- Owens, W.L. Two-phase pressure gradient. Int. Dev. Heat Transf. Part II 1961, 363–368. [Google Scholar]
- Dukler, A.E.; Wicks, M.; Cleaveland, R.G. Pressure drop and hold up in two-phase flow. AIChE J. 1964, 10, 38–51. [Google Scholar] [CrossRef]
- Lin, S.; Kwok, C.; Li, R.Y.; Chen, Z.H.; Chen, Z.Y. Local frictional pressure drop during vaporization of R-12 through capillary tubes. Int. J. Multiph. Flow 1991, 17, 95–102. [Google Scholar] [CrossRef]
- Markson, A.A.; Raverse, T.; Humphreys, C. A method for estimating the circulation in steam boiler furnace circuits. Trans. ASME 1942, 64, 275–286. [Google Scholar]
- Allen, W.F. Flow of a flashing mixture of water and steam through pipes and valves. Trans. ASME 1951, 73, 257–265. [Google Scholar]
- Collier, J.G. Convective Boiling and Condensation. Chem. Eng. Sci. 1973, 28, 1775. [Google Scholar] [CrossRef]
- Geiger, G.E.; Rohrer, W.M. Sudden Contraction Losses in Two-Phase Flow. J. Heat Transf. 1966, 88, 1–8. [Google Scholar] [CrossRef]
- Shah, R.K.; London, A.L. Laminar Flow Forced Convection in Ducts. J. Fluids Eng. 1980, 102, 256–257. [Google Scholar] [CrossRef]
- Wei, L.; Zan, W. A general correlation for adiabatic two-phase pressure drop in micro/mini-channels. Int. J. Heat Mass Transf. 2010, 53, 2732–2739. [Google Scholar] [CrossRef]
- Kandlikar, S.G. Similarities and Differences Between Flow Boiling in Microchannels and Pool Boiling. Heat Transf. Eng. 2010, 31, 159–167. [Google Scholar] [CrossRef]













| Number of Channels | Channel Width, Wch/mm | Channel Length, L/mm | Channel Depth, Hch/mm |
|---|---|---|---|
| 3 | 0.55 | 78 | 0.55 |
| Parameter | Maximum Uncertainty |
|---|---|
| Pressure | 0.5% |
| Differential pressure | 0.6% |
| Fluid temperature | 0.3 °C |
| Wall temperature | 0.5 °C |
| Heat flux | 0.5% |
| Mass velocity | 5.7% |
| Vapor quality | 7.2% |
| Author(s) | Equation | Remarks | MAE |
|---|---|---|---|
| Lockhart and Martinelli [16] | Dh = 1.49–25.83 mm adiabatic fluid; water, oils, hydrocarbons; round tubes | 418.44% | |
| Mishima and Hibiki [18] | Using the Lockhart and Martinelli correlation | Dh = 1.05–4.08 mm adiabatic fluid: air/water; round tube | 45.15% |
| Qu and Mudawar [22] | Using the Lockhart and Martinelli correlation | Dh = 0.087 mm flow boiling multi-channels fluids; water; rectangular tubes | 282.5% |
| Zhang [25] | Using the Lockhart and Martinelli correlation | Dh = 0.007–6.25 mm adiabatic/diabatic fluids; water, water/air, R-22, R-134a, etc.; round/rectangular tubes | 64.97% |
| Lim et al. [26] | Using the Lockhart and Martinelli correlation | Dh = 0.5 mm flow boiling fluid; water; rectangular tube | 1343.54% |
| Choi et al. [27] | Using the Lockhart and Martinelli correlation | 0.45 mm × 0.2 mm flow boiling multi-channels fluids; FC-72; rectangular tubes | 35.08% |
Publisher’s Note: MDPI stays neutral with regard to jurisdictional claims in published maps and institutional affiliations. |
© 2021 by the authors. Licensee MDPI, Basel, Switzerland. This article is an open access article distributed under the terms and conditions of the Creative Commons Attribution (CC BY) license (https://creativecommons.org/licenses/by/4.0/).
Share and Cite
Huang, Y.; Shu, B.; Zhou, S.; Shi, Q. Experimental Investigation and Prediction on Pressure Drop during Flow Boiling in Horizontal Microchannels. Micromachines 2021, 12, 510. https://doi.org/10.3390/mi12050510
Huang Y, Shu B, Zhou S, Shi Q. Experimental Investigation and Prediction on Pressure Drop during Flow Boiling in Horizontal Microchannels. Micromachines. 2021; 12(5):510. https://doi.org/10.3390/mi12050510
Chicago/Turabian StyleHuang, Yan, Bifen Shu, Shengnan Zhou, and Qi Shi. 2021. "Experimental Investigation and Prediction on Pressure Drop during Flow Boiling in Horizontal Microchannels" Micromachines 12, no. 5: 510. https://doi.org/10.3390/mi12050510
APA StyleHuang, Y., Shu, B., Zhou, S., & Shi, Q. (2021). Experimental Investigation and Prediction on Pressure Drop during Flow Boiling in Horizontal Microchannels. Micromachines, 12(5), 510. https://doi.org/10.3390/mi12050510

