Abstract
Pattern recognition as a computing task is very well suited for machine learning algorithms utilizing artificial neural networks (ANNs). Computing systems using ANNs usually require some sort of data storage to store the weights and bias values for the processing elements of the individual neurons. This paper introduces a memory block using resistive memory cells (RRAM) to realize this weight and bias storage in an embedded and distributed way while also offering programming and multi-level ability. By implementing power gating, overall power consumption is decreased significantly without data loss by taking advantage of the non-volatility of the RRAM technology. Due to the versatility of the peripheral circuitry, the presented memory concept can be adapted to different applications and RRAM technologies.
1. Introduction
According to the US Centers for Disease Control and Prevention, Atrial Fibrillation (AFib) is the most common type of treated heart arrhythmia []. It occurs when the heart chambers are not beating regularly and causes one in seven strokes. In an article published in 2017, it was even labeled as an epidemic that will be on the rise within the next 10 to 20 years due to the worldwide aging of the population, especially in Western countries, since AFib is more prevalent in older people. By 2060, it is predicted that up to 17.9 million people will be affected by AFib in Europe []. Therefore, the detection of AFib is a task with increasing importance. AFib can be detected by recognizing a specific pattern in the electrocardiogram (ECG) signal. A difficulty in detecting AFib lies in the property of some types of the affliction, that the symptoms occur in an irregular manner and may only happen during brief periods of time []. Therefore, monitoring the ECG signal by a wearable device and looking for the AFib pattern during a long period of time can help prevent major health problems in an increasing part of the population.
The usage of neural networks for detection of AFib patterns in ECG signals has been a common technique for some time, but research is still ongoing in this field [,]. ANNs are widely used in image and pattern recognition in general, since this type of computing approach is well suited for these tasks []. For detection of AFib, it is desirable to monitor the ECG signal of a person as long as possible while affecting the life of the patience as little as possible. So a wearable sensor device using ANNs for detecting ECG signal patterns can help these patients. To prolong the battery lifetime of such a device, low-power electronics are a necessity. Furthermore, switching off parts of the device during idle times can save power as well, since the ANN can be switched off, while sensor data are collected in the chip’s front-end and then switched on to process the acquired data in a batch. This is useful since the data processing can be done much faster than the data collection due to the relatively low bandwidth of the ECG signal compared to clock frequencies in electrical devices.
However, loading the necessary parameters of an ANN from an external memory takes a lot of energy, since the data have to be transferred between different ICs due to the fact that such parameters are usually stored in external memory. If the processing elements are switched off during idle times to save energy, this data transfer has to be performed at every power on, resulting in high energy consumption compared to the overall energy for the processing of the ANN. Therefore, the combination of embedded, non-volatile memory with neural networks has the potential to reduce the energy demands of suitable tasks such as image or pattern recognition significantly.
Resistive Random Access Memory (RRAM) is an emerging memory technology. It can offer non-volatility and energy efficiency during read operations []. When utilizing 3D integration, the cells could even be scaled to a chip area below [], where is the minimum feature size, which results in less chip area compared to other memory technologies such as SRAM. Furthermore, the multi-bit capability can increase the memory density. Resistive switching devices also gain attraction as an analog circuit element due to their hysteresis and found use in neuromorphic computing circuits []. By combining these three techniques—ANNs as energy-efficient computing method, switching off the system when idle, and using embedded RRAM memory for low-power parameter loading and flexibility due to programmability—it is possible to build efficient systems for data processing, especially in the field of wearable medical sensors for AFib detection.
An example for the usage of the presented memory block is shown in Figure 1 [,]. The system contains two major parts:

Figure 1.
Overview of a system utilizing ANN (blue) and the presented RRAM memory block (green) for AFib detection in sampled ECG signals. The RRAM memory blocks store the weight and bias values for the ANN in a non-volatile way to enable power gating for the processing core in general and the memory blocks individually after loading the values into the ANN [].
- Main: contains the in- and output interface, deals with the preprocessing and buffering of the sampled ECG signal, and takes care of the power control and the logic to control the RRAM blocks;
- Processing core: contains the actual ANN for the inference of the data and several instances of the presented RRAM memory block for weight and bias storage.
The digital architecture consists of several hardware blocks, each of which represents a layer of the ANN. Each block uses simple processing elements that perform arithmetic operations (mainly multiplication and addition). The required parameters are directly routed in parallel from the RRAM memory blocks to the processing elements. Thus, all parameters need to be read in parallel. The processing core can be switched off by the main core in order to save energy. If enough input data are preprocessed and buffered, the processing core can be switched on; the weights and bias values stored in the RRAM blocks are then loaded and the buffered data can be processed by the ANN. After loading the values from the RRAM memory, the memory blocks themselves can be put to sleep again during the inference of the ANN. Thereafter, the processing core can be switched off again to save energy, until enough data are buffered for the next batch. By using this technique, over 90% of the energy can be saved compared to an always-on processing core [].
The ANN from Figure 1 uses a digital, ternary processing approach instead of mimicking the behavior of real neurons of a human brain in an analog way. The analog approach is usually realized by sending voltage pulses through a crossbar array of RRAM cells. However, while these analog processing approaches based on a crossbar structure yield promising results, the integration into a complete system can be energy-intensive [,]. While the calculation of one single layer with such a setup is feasible, the calculation of an entire system including input of raw data, calculation of activation functions, transfer of data to subsequent layers, and output of the classification result requires additional peripheral CMOS circuitry. Therefore, it would be necessary to convert the data from the analog to the digital domain and vice versa multiple times. This is time- and energy-intensive. When looking at a real-world applications, it is beneficial to optimize the energy consumption of the whole system rather than the individual layers. In the configuration shown in Figure 1, the conversion of the stored parameters into a digital value must be conducted only once instead of several times for each layer. Therefore, this work focuses on a digital ANN architecture with RRAM cells used as embedded, non-volatile, multi-level storage.
The presented memory block combines the RRAM cells with low-power circuitry and power gating. It offers programming operations to keep the ANN parameters flexible for possibly necessary changes of ANN parameters as well as read operations to load the saved parameters. After loading the non-volatile values from the RRAMs to latches, the RRAM block can be put to sleep. Additional design effort was invested in minimizing the leakage current during off cycles for lower overall power consumption. Furthermore, an operational amplifier with two output stages was designed, suited for either reading or writing, in order not to waste power for an oversized output stage during read operations while still keeping the option for programming the RRAM cells. Parallel read and write operations are possible to shorten the on cycle for loading the parameters, so the memory block can be put to sleep faster without wasting power. The energy consumption and all functionalities of the memory block were verified by simulation.
The article is organized as follows: In Section 2, the overall concept of the memory block is presented, and its functionality in context with ANNs is explained. In Section 3, the components of the memory block are introduced, including the RRAM memory technology and the operational amplifier. Section 4 presents the simulation results to verify the functionality of the circuit. Section 5 discusses the results and offers possibilities for adaption to other use cases, and Section 6 gives a short conclusion.
2. Concept Overview
Figure 2 shows a block diagram of the presented memory block. The 32 RRAM cells are each integrated in a memory cell, which includes the peripheral circuit for reading from the cells and is introduced in Section 3.1. The interactions with each individual cell are done via voltage pulses of specific length and height. For the design of the presented memory block, the RRAM technology of IHP–Leibniz Institut fuer innovative Mikroelektronik (IHP) was used [,]. The specific values for interaction with the cells are shown in Table 1. The technology uses a 1Transistor-1Resistor (1T1R) configuration, which means that the Metal–Insulator–Metal (MIM)-stack, where the resistive switching takes place, is connected in series with a transistor, that acts as a selection device as well as providing current compliance during programming via tuning the gate voltage of the transistor. Therefore, a 1T1R cell has three terminals: a Bitline (BL) terminal, which is connected to the top electrode of the MIM-stack; a Sourceline (SL), which is connected to the source terminal of the selection transistor; and the Wordline (WL), where the gate voltage of the selection transistor is applied.

Figure 2.
Block diagram of the memory block. The digital inputs are marked in red, the outputs in green and the internal analog signals in blue. A logic block sets several control signals for the operational amplifier (opamp), the memory cells, and the reference block. The power supply control connects or disconnects the whole memory block from the supply rails according to the power enable signal pwr_en.

Table 1.
Voltage levels for cell operations.
For the concept of the embedded memory block, a ternary memory cell was considered to store ternary weights for the ANN application [,], more specifically one highly resistive state (HRS) and two low-resistive states (LRS1 and LRS2), but it is not limited to just three states and can be expanded to further multi-level operation.
The ternary application results in four different operations:
- set LRS1: program the cell from HRS to LRS1;
- set LRS2: program the cell from HRS to LRS2;
- reset: program the cell from each low resistant state (LRS1 and LRS2) to HRS;
- read: read the state of the cell without changing it.
Switching directly between LRS1 and LRS2 is not intended in this technology due to stability reasons []. For each of these operations, the necessary voltage levels for BL, SL, and WL are shown in Table 1. These voltage levels are provided by the reference block, shown in Figure 2. Although programming algorithms instead of single-pulse programming are common for such a memory technology, single pulses are also possible at the expense of programming precision and higher variability []. Since writing to the cells must only be done during retraining of the ANN, it is not crucial for timing and energy consumption during data processing. Nevertheless, is has to be stated that, in order to reduce variability, the implementation of a programming algorithm demands more voltage levels to be provided by the reference and more control circuitry. This needs to be implemented if the variability exceeds the resolution of the read operation, introduced in Section 3.
The voltage that is applied to the opamp for buffering as well as to the WL terminals of the 1T1R cells is determined by the control logic according to the operation control bits, which are applied from outside. The length of the voltage pulse is determined by the pulse_en signal. The buffered pulse is applied to all memory cells, which are selected by the cell_sel bits, which means that parallel as well as single-cell reading and programming is possible. The voltage Vref is used during read operations to distinguish between the different cell states. The read operation will further be explained in Section 3.1. The read values of the comparators inside the memory cells represent the output values of the memory block and are applied to the comp_out terminals. Via the power supply block, the connections to the supply rails of the memory block are controlled to implement the possibility of switching off the whole circuit after reading the saved values. These values can for example be stored in a CMOS latch during operation. This enables the possibility to switch off the circuit and therefore save energy, while still maintaining the non-volatility of the stored weights as well as the possibility to write to the memory cells to grant a high degree of flexibility.
Figure 3 shows an example of waveforms for the control signals of the memory block. During this example sequence, two interactions with the RRAM cells are realized. The horizontal lines mark the clock cycles, the clock period is flexible since the system itself does not use a clock signal; therefore no specific time is stated. The specific timing and speed restrictions will be discussed in Section 4. The three operation bits determine the type of interaction: reading or programming, as well as the type of programming operation, since they demand different voltage levels (see Table 1). The cell_sel bits determine the cell, to which the voltage pulses will be applied. All these signals, which determine the type as well as the address for the cell interaction, should be applied before the pwr_en signal goes from high to low. If the pwr_en signal is on low lever, it connects the supply rail to the memory block. Between activating the memory block and the rising edge of the pulse_en signal, which triggers the buffer amplifier and therefore the voltage pulse for the cell interaction, some time should be left for the voltage reference block, to stabilize the analog voltage levels determined by the operation bits. This is shown here as a one-cycle difference between the falling edge of pwr_en and the rising edge of pulse_en. The high time of the pulse_en signal determines the pulse length for the voltage pulse. After the falling edge of the pulse_en signal, the operation and cell_sel bits can be readjusted for the next operation and the next pulse can be applied, again with the safety interval for stabilizing the voltage levels. After the second operation, the power of the memory block is switched off again by setting the pwr_en signal to high.

Figure 3.
System waveforms: the operation<0:2> bits determine the voltage levels, while the cell_sel<0:31> signals activate the cells to interact with. The pulse_en signal triggers the operation, while pwr_en is used to switch the memory block on and off.
The sequence in Figure 3 is just an example; several read or programming pulses can be performed during one power cycle.
According to Table 1, except for the WL voltage during the reset process, no voltages above are necessary for operation. For two reasons, it is necessary for the buffer amplifier to be able to drive voltages above :
- On chip, the RRAM cells of the used technology, as well as most other RRAM technologies, show a specific degree of variability, that which makes set and reset voltages over necessary [].
- During the initial forming of the cells, voltage levels exceed as well [,].
Additionally, the memory block should be suitable for other RRAM technologies that may need set and reset voltages higher than the digital logic level. Therefore, the memory block was designed with two supply voltage levels: as a logic level and for read operations and for programming and forming operations. These two levels were the default of the process in which the memory block was designed, since it offers a digital core with small transistors and a supply voltage of and bigger high-voltage (HV) transistors for supply voltage, but the concept can be applied to other technologies and systems with two types of transistors and supply voltages.
3. Circuit Components
This section introduces the circuit elements included in the system shown in Figure 2. All circuits were designed using IHP’s 130 SG13C technology utilizing the small transistors with a minimum gate length of 130 when possible and the HV transistors with a minimum gate length of 330 when necessary due to the higher voltages during forming or programming.
3.1. RRAM Memory Cell
Every 1T1R RRAM cell is integrated in the peripheral circuitry shown in Figure 4a. This structure will be called "memory cell" going forward, referring to the 1T1R RRAM cell as well as the circuitry around it. To understand the purpose of the circuit elements, it is useful to look at the two types of operation for the memory cell: reading and programming. The principle for reading from the cell is based on a voltage divider between the cell resistance (Rcell) of the 1T1R cell and the measurement resistor Rmeas in series to the cell. The read_en signal controls the two switches S1 and S2. During reading, S1 is open to form the voltage divider between Rcell and Rmeas, while S2 is closed, connecting the voltage between the two resistances to the comparator for evaluation. The read voltage pulse is applied to the BL terminal, while the SL is grounded. It can be assumed that no current flows into the comparator; therefore, the voltage over the cell Vcell (marked in Figure 4a) can be derived by:

Figure 4.
Components of the memory block: (a) memory cell, (b) set_reset switch.
The voltage Vcell is then compared by the comparator with Vref. Table 2 shows the cell resistances and the cell voltage Vcell during read operations for the used RRAM technology of IHP. For the measurement resistor Rmeas, a resistance of 20 was chosen. The value should lie approximately in the middle of the the expected values for Rcell to be distinguished to maximize the voltage differences between Vcell for the different states. This lowers the needed resolution for the comparator.

Table 2.
RRAM cell state resistances and read voltages.
The necessary voltages Vref to distinguish between the three states can be derived from the voltages stated in Table 2. Since multiple states must be distinguished, several read pulses are necessary to determine the cell state. As an example, at first, it could be distinguished between HRS and both LRS by setting Vref between the two corresponding cell voltages, e.g., to 380 . A comparator output of 1 would then determine HRS, if 0 is present, a second read pulse with Vref of, e.g., 250 distinguishes between LRS1 or LRS2. The voltage levels for Vref are provided by the reference block and are applied by the control logic depending on the operation bits. This method is suitable not only for three states but for multiple states, since the reference voltage Vref can be adjusted to the corresponding voltage drop over the RRAM cell. The limitation of this method is the resolution of the comparator, since it still has to evaluate the difference between the voltage drop and Vref, as well as the length of the read sequence, since more states have to be distinguished.
Due to a comparator in every memory cell, it is possible to read from every cell in the memory block simultaneously. This is a trade-off between longer on-time and more chip area, since the read sequence could also be done one cell at a time, sharing the comparator; however, this would lead to more energy consumption overall, since the static power consumption is dominant for a standard CMOS two-stage open-loop comparator. In general, however, both system setups are possible. Another possible read method that demands a different configuration for multi-level read operations is discussed in Section 5.
During a write operation, the read_en signal is low, closing switch S1 and opening S2 in Figure 4b. This disconnects the comparator from the RRAM cell and bypasses the measurement resistor Rmeas to prevent any write disturbance. The applied voltage pulses and WL voltages for programming the respective states are shown in Table 1. In order to reset the cells from each LRS to HRS, the voltage pulse has to be applied to the SL while the BL is grounded in order to realize current flow through the MIM stack in the opposite direction. This will rupture the conductive filament inside the MIM stack, therefore increasing the cell resistance. The polarity of the pulse is determined by the set_reset signal, which controls the set_reset switch shown in Figure 4. The set_reset switch consists of four transmission gates that connect the BL or SL to ground and the other is connected through to the Vpulse terminal. The VBL and VSL terminals are connected to the respective terminals of the memory cell, and the voltage pulse is applied to the Vpulse terminal. Therefore, the bidirectional current flow for the reset process can be realized without the need to provide negative voltages on-chip and can be controlled by one single-digital signal. During read operations, the control signal should just be on set, since pulse polarity for set and read processes is identical.
In summary, the memory cell enables read and write sequences for the memory block. Since every memory cell is equipped with a comparator, parallel read operations are possible. The read sequence for multi-level cells is based on a voltage divider and comparison with a specific reference voltage and can be adjusted to more states. Due to the combination with the set_reset switch, set and reset processes can be performed without the need for negative voltages.
3.2. Operational Amplifier
The buffer amplifier (called “opamp” in Figure 2) used in the memory block has to drive the voltage pulses for every interaction with the memory cells. Therefore, the requirements vary depending on the operation: for reading from a single cell in HRS, it has to buffer a 500 pulse for a load over 100 , but when writing many cells in LRS in parallel, the load resistance can be as low as a few hundred ohms and the amplifier has to deliver a high output current. Therefor, the buffer amplifier was designed with two different output stages:
- A output stage to perform read operations;
- A output stage for programming operations.
Two output stages are activated according to the digital control signals (see Figure 5a). This has the benefit of saving energy during the read operations, since the high voltage drop over the large output transistors of the stage would waste a lot of energy, while the buffer amp is still able to deliver high currents during programming operations.

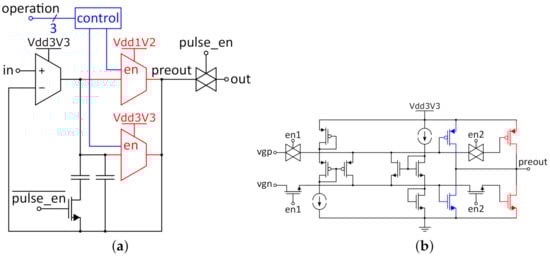
Figure 5.
Operational Amplifier: (a) block diagram of the amplifier (b) circuit of the output stage.
The input stage is designed with rail-to-rail input capability due to complementary PMOS and NMOS input transistors. The summing stage is carried out in a folded cascode configuration.
Both output stages are realized as Monticelli output stages []. For the output stage, special design effort has to be spent for the PMOS output transistor. Since the output stage is connected to the output stage by the preout connection, it is necessary to switch the n-well potential to if the output voltage exceeds to prevent latch up. To circumvent the body effect, which would shift the threshold voltage of the output transistor, it is not constantly connected to .
The output stage is shown in Figure 5b. The voltages “vgp” and “vgn” are provided by the input stage. The ”en1” signal connects the output stage to the input signal. In order to enable a fast wake-up time after a power-down cycle, the output transistors are divided in two parts: a small pair of output transistors (marked blue in Figure 5b) are active when the power is enabled (pwr_en = 0) while the bigger output transistors (red in Figure 5b) are just connected when a pulse must be buffered (pulse_en = 1). By that distinction, the output stage is already in the correct operating point when power is provided, without wasting a big quiescent current through the big output transistors when no pulse must be buffered, thereby saving energy. In order to keep the amplifier stable, the compensation capacitor shown in Figure 5a is connected when the big output transistors are off, since this decreases the load significantly for the first stage. When the big output transistors are active, the compensation capacity is disconnected to preserve the speed of the amplifier.
The distinction between the preout stage and the actual output of the amplifier is necessary in order to prevent undesired output voltages, since the small transistors, which are used to keep the operating point in the output stage, are connected to the preout as well and are active when pulse_en is deactivated.
3.3. Power Gating Implementation
In order to decrease the overall power consumption significantly, it is implemented such that the memory block can be disconnected from the voltage supply. This is controlled by the pwr_en signal. This signal is low-active and connects or disconnects the circuit blocks from the voltage supply lines by switching off PMOS pass transistors between the circuit and the supply rails. Figure 6 shows the concept of the power control. The memory block is always connected to ground. If pwr_en is low, the memory block is disconnected from the supply rails but connected to the ground in order to define the voltages in the memory block during power-down cycles and prevent floating potentials. The pwr_en signal must be shifted to switch the transistor and is buffered to ensure a defined signal strength. To reduce the leakage current during power-off, the n-well of the transistor is connected to . This results in an increased body effect that raises the threshold voltage, therefore reducing the leakage current during off cycles. The channel length of the pass transistors should not be the minimal length in order to reduce the leakage current even further. To prevent a significant voltage drop over the transistors, which would lower the supply voltage, when high current is flowing into the memory block, the pass transistors should be designed with wide channel width.

Figure 6.
Implementation of the power control to reduce leakage current.
4. Simulation Results
In the following section, the simulation results of first the operational amplifier and then the whole memory block are presented. All simulations were done using the spectre-based Virtuoso Analog Design Environment (ADE). For all simulations including RRAM cells, a model based on [], which is adapted to the IHP RRAM technology, was used to verify correct interaction with the used technology.
4.1. Amplifier Simulation
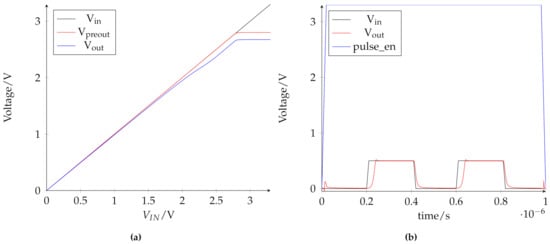
Figure 7a shows a DC sweep of the input voltage for the operational amplifier. The input voltage Vin, shown in black, is applied to the positive input of the amplifier, while the negative input is connected to the output. Therefore, the amplifier is in voltage-follower configuration and always wants to replicate the input voltage at its output. The labeling of the voltages follows the description in Figure 5a. During this simulation, the output stage is active. The load of the amplifier at the output for this simulation is a resistance of 350 . This value was chosen as a worst-case estimation if all 32 RRAM cells of the memory block are selected and in LRS2. The value is calculated according to Table 2 with 32 times in parallel and lowered by 15% to account for cell variance.

Figure 7.
Simulation results of operational amplifier: (a): DC sweep of input voltage; (b): transient simulation of read sequence.
The voltage of the preout Vpreout can reach up to , while the output stage can deliver up to to the load. The difference between Vpreout and Vout is due to the voltage drop over the transmission gate at the output of the amplifier and reaches about 130 at high output voltages and maximum output current for the worst-case load used in this simulation. Figure 7b shows a transient simulation of a read process performed by the amplifier. This comprises a power_en pulse, which activates the amplifier, followed by two voltage pulses of 500 . As a load for this simulation, 700 were used. This is a worst-case approximation for all cells in LRS2 in parallel during a read process. The value is higher in this case, since, during read operations, the measurement resistor Rmeas, shown in Figure 4a, is always in series to the 1T1R cell. During these operations, the output stage is active.
The rising flank of the pulse_en signal activates the amplifier, which was previously in power down-mode. The two read pulses can be buffered for this worst-case load with a pulse delay between input and output of 30 . This determines the minimum pulse length for interaction with the memory block. Therefore, for reading, a system clock frequency of 20 is possible, since this leaves enough time to apply the read pulse and do the evaluation of the voltage divider. The output stage delivers about 710 to the load, which corresponds to the applied read voltage of 500 multiplied with the load of 700 . During a read pulse, the overall current consumption of the amplifier is 885 , which results in a power efficiency of 80%.
4.2. System Simulation
Figure 8 shows the transient simulation results for a programming and read sequence with the whole memory block. The nomenclature of the signals is taken from Figure 2. The pwr_en signal (yellow) connects the memory block to the voltage supply. The pulse_en signals (green) marks the voltage pulses while the pulse signal (red) shows the voltage at the output of the amplifier, which is directly applied to the RRAM cells. As a pulse width, 100 were chosen. The simulation sequence contains the following operations, marked in Figure 8:

Figure 8.
System simulation of a set and reset operation with read operations in between to evaluate the cell state.
- (1)
- reading ( – )
- (2)
- set LRS2 ( – )
- (3)
- reading ( – )
- (4)
- reset ( – 1 )
- (5)
- reading ( – )
The comp_out signal (blue) is used to read the cell status and determines, in this case, if the cell is in either HRS, if comp_out is on high level, or one of the LRS, if comp_out is on low level. The signal is not valid during a set or reset operation.
The first read operation (1) determines that the cell is initially in HRS (comp_out = 1). This is followed by a set operation (2) that programs the selected cell to LRS2, which is verified by the following read operation (3), where comp_out = 0 determines the LRS. After the second read operation, a reset (4) is applied, to program HRS, which is again verified by the third read operation (5) (comp_out = 1). The simulation shows that the system can successfully read and program the RRAM cells.
The pulse voltage in Figure 8 needs significant settling time, which becomes more obvious during the programming operations. This is caused by the voltage reference, which is composed of a string of matching resistors. Therefore, if there are switches in the tapped voltage, the reference needs time to resettle again. If a higher bandwidth reference circuit is implemented, the settling time can be reduced. Higher bandwidth usually means more current consumption, so there is a trade off between power consumption and settling time of the voltage pulses. Since the system is able to program the cells, the low bandwidth of the reference circuit is sufficient in this case.
In terms of energy efficiency, as explained in Section 3.3, power gating for the memory block was implemented. During power down, which is controlled by the pwr_en signal, the whole memory block leaks overall, which is separated in 774 leakage from the supply rail and 312 leakage from the supply rail. This results in a overall power consumption due to leakage of , when the whole memory block is in stand-by mode.
Another important metric of the memory block is the energy needed for one read sequence. As established in Section 3.1, reading was sequenced in two read operations to determine first HRS or LRS and then LRS1 or LRS2. The operation shown in Figure 7b depicts such a sequence. The energy needed for one read sequence is . This includes the parallel reading of all 32 cells in parallel and take into account all needed operations from switching on the memory block until stand-by mode.
5. Discussion
The presented RRAM block was designed for and simulated with a specific RRAM technology as well as the presented application as weight storage in ANNs as primary focus. Nevertheless, there are several degrees of freedom, that should be considered during the design process, which can be adapted while still using the same overall concept. The following are the main discussion points that can be considered:
- serial or parallel operations
- multi-level capability
- number of cells in one memory block
- allocation of reference voltage levels
In the following paragraphs, these points will briefly be discussed to show some design variability for the presented memory concept.
5.1. Serial or Parallel Operations
The presented memory block has the capability to read or program all cells in parallel, with the restriction that only the same operation can be performed simultaneously. For example, all selected cells can just be programmed to LRS1 in parallel, but not one to LRS1 and another cell to LRS2 at the same time. If simultaneous operations are not necessary, the memory block can save significant circuitry:
- The comparators in each memory cell can be reduced to one single comparator, since no parallel read operations are necessary.
- Due to the significantly reduced variety of load conditions for the operational amplifier, which is needed to drive the resistive loads, the requirements for the amplifier are reduced. This can enable a design with lower power consumption, mainly due to the smaller output stage, since lower currents need to be provided during single cell operations.
The trade-off between serial and parallel operations is between longer on-time and less power consumption during on-time. The optimum of this trade-off is dependent on the specific design of the circuit elements as well as overall system design and process characteristics and can be subject of future research.
5.2. Multi-Level Capability
If the memory cells can hold more than two states, there are two ways to distinguish the different states during read operations using the method described in Section 3.1, which discriminates according to the voltage drop over a measurement resistor:
- A sequence of several read operations that compares the voltage drop with different reference voltages. This method was used in the presented memory block.
- Introducing more comparators per memory cell in order to compare the voltage drop over the measurement resistor simultaneously to several voltages to determine the cell state in one single read operation.
For the first method, the circuit effort is lower since only one comparator is needed. Additionally, the information of the first comparison can be used in the next read sequence to apply a comparison voltage accordingly. Therefore, the number of distinguishable states depending on number of read operations can be calculated as:
where is the amount of distinguishable states and is the number of needed read operations.
For the second method, it is not possible to use the information of the former read steps; therefore the number of states depending on the needed comparators is:
where is the number of distinguishable states and is the number of needed comparators or simultaneous compare operations. The specific energy comparison is again dependent on the circuit design of the compare operation, but in general, from a circuit perspective, sequenced read operations to determine multi-level states can save energy and chip area due to the lower number of circuit elements needed. This effect becomes more significant with a higher number of possible states per cell. On the other hand, if timing is crucial or chip area not an issue, the read operation for multi-level RRAM cells can be parallelized at the price of higher hardware cost.
5.3. Number of Cells per Memory Block
The number of 1T1R cells in one memory block can be altered as well. This has implications on the requirements for the amplifier as well as consequences for area consumption and routing effort. The amplifier requirements are strongly influenced by the method of reading and programming discussed above with respect to the block size: if no parallel operations need to be implemented, the specification for the amplifier is basically independent of the block size (except for the slightly higher parasitics due to generally longer routing lines), while the block size has a very high impact for parallel operations, since the load for the amplifier can then vary over a wider range with increased number of parallel cells. Since more cells need to be connected, the routing effort increases linearly with higher number of cells per block. However, with a higher number of cells, the overall number of memory blocks can be decreased, which lowers the requirements for the control logic, which selects and determines the operation of the different memory blocks in the whole system. This is highly dependent on the application and should be evaluated with respect to the area of operation.
5.4. Allocation of Reference Voltage Levels
The allocations of the needed voltage levels for the different operations can be organized per block (as chosen in the presented memory block) or as one central reference for the whole system. A central reference has higher requirements since the output voltages have to be distributed over the whole system to each individual memory block, which results in a greater electrical load for the reference as well as more routing effort for the overall system. Additionally, the interface for the individual memory block also contains the analog voltage levels; therefore, it is not purely digital and the system has to deal with analog signals on the top level. As a benefit, the quality of the central voltage reference can be improved without investing the energy cost in every memory block but only once in the central reference circuit. A central reference furthermore decreases the area consumption of the individual blocks. As a rough estimate, with a smaller number of memory blocks in the system, the advantages of a central reference can be more easily taken advantage of due to decreased routing effort and higher reference quality, while with a higher and more distributed number of blocks, the routing effort and load requirements are increased.
6. Conclusions
This paper presents a low-power RRAM memory block suited for distributed, embedded weight, and bias storage for ANNs. The presented memory block provides both read and programming ability as well as multi-level capability. Due to parallel operation and an implemented power gating ability, the memory block can provide the stored information with low power consumption. In power-down mode, the memory block has a leakage power of . One multi-level read operation consumes while providing all information of the memory block. Due to the non-volatility of the RRAM cells, the information is also preserved with unstable power supply.
Due to the structure of the memory block, this concept can provide a high degree of versatility. The operational amplifier enables flexibility for different read, programming, and forming algorithms, while the voltage reference can provide different voltage levels if necessary. Based on this versatility provided by the peripheral circuitry, this concept can be easily adapted to different applications or RRAM technologies.
Author Contributions
Conceptualization, S.P., T.M., J.P., D.R. and P.R.; methodology, S.P., T.M., J.P., P.R. and M.R.; validation, S.P. and P.R.; formal analysis, S.P., T.M. and P.R.; investigation, S.P., T.M. and P.R.; resources, S.P., T.M., J.P., M.B., M.R. and A.H.; data curation, S.P., T.M. and P.R.; writing—original draft preparation, S.P.; writing—review and editing, all authors; visualization, S.P.; supervision, M.B., M.R. and A.H.; project administration, M.B. and M.R.; funding acquisition, S.P., M.B., M.R. and A.H. All authors have read and agreed to the published version of the manuscript.
Funding
This work was funded as part of the challenge for disruptive innovations in energy-efficient AI hardware initiated by the German Federal Ministry of Education and Research (BMBF) under grant number 16ES1142K and 16ES1143.
Institutional Review Board Statement
Not applicable.
Informed Consent Statement
Not applicable.
Data Availability Statement
Simulation and measurement data is available on request from the corresponding author.
Conflicts of Interest
The funders had no role in the design of the study; in the collection, analyses, or interpretation of data; in the writing of the manuscript; or in the decision to publish the results.
Abbreviations
The following abbreviations are used in this manuscript:
ANN | Artificial Neural Network |
AFib | Atrial Fibrillation |
ECG | Electrocardiogram |
RRAM | Resistive Random Access Memory |
1T1R | One Transistor/One Resistor |
MIM | Metal-Insulator-Metal |
BL | Bitline |
SL | Sourceline |
WL | Wordline |
HRS | High Resistive State |
LRS | Low Resistive State |
References
- CDC Atrial Fibrillation Information. Available online: https://www.cdc.gov/heartdisease/atrial_fibrillation.htm (accessed on 4 March 2021).
- Morillo, C.; Banerjee, A.; Perel, P.; Wood, D.; Jouven, X. Atrial fibrillation: The current epidemic. J. Geriatr. Cardiol. 2017, 14, 195. [Google Scholar] [PubMed]
- Blum, S.; Aeschbacher, S.; Meyre, P.; Zwimpfer, L.; Reichlin, T.; Beer, J.H.; Ammann, P.; Auricchio, A.; Kobza, R.; Erne, P.; et al. Incidence and Predictors of Atrial Fibrillation Progression. J. Am. Heart Assoc. 2019, 8, e012554. [Google Scholar] [CrossRef] [PubMed]
- Xia, Y.; Wulan, N.; Wang, K.; Zhang, H. Detecting atrial fibrillation by deep convolutional neural networks. Comput. Biol. Med. 2018, 93, 84–92. [Google Scholar] [CrossRef] [PubMed]
- Kara, S.; Okandan, M. Atrial fibrillation classification with artificial neural networks. Pattern Recognit. 2007, 40, 2967–2973. [Google Scholar] [CrossRef]
- Yi, Z. Evaluation and Implementation of Convolutional Neural Networks in Image Recognition. J. Phys. Conf. Ser. 2018, 1087, 062018. [Google Scholar] [CrossRef]
- Zahoor, F.; Zulkifli, T.Z.A.; Khanday, F.A. Resistive Random Access Memory (RRAM): An Overview of Materials, Switching Mechanism, Performance, Multilevel Cell (mlc) Storage, Modeling, and Applications. Nanoscale Res. Lett. 2020, 15, 90. [Google Scholar] [CrossRef] [PubMed]
- Yu, S.; Chen, P. Emerging Memory Technologies: Recent Trends and Prospects. IEEE Solid-State Circ. Mag. 2016, 8, 43–56. [Google Scholar] [CrossRef]
- Covi, E.; Lin, Y.; Wang, W.; Stecconi, T.; Milo, V.; Bricalli, A.; Ambrosi, E.; Pedretti, G.; Tseng, T.; Ielmini, D. A Volatile RRAM Synapse for Neuromorphic Computing. In Proceedings of the 2019 26th IEEE International Conference on Electronics, Circuits and Systems (ICECS), Genoa, Italy, 27–29 November 2019; pp. 903–906. [Google Scholar]
- Breiling, M.; Kundu, B.; Reichenbach, M. E=AI squared. ERCIM News Spec. Theme 2021, 125. [Google Scholar]
- Fritscher, M.; Knoedtel, J.; Mallah, M.; Pechmann, S.; Quesada, E.P.-B.; Rizzi, T.; Wenger, C.; Reichenbach, M. Mitigating the Effects of RRAM Process Variation on the Accuracy of Artifical Neural Networks. In Proceedings of the SAMOS Conference, Samos, Greece, 5–7 July 2021; Volume 21. Special Session on Next Generation Computing. [Google Scholar]
- Reichenbach, M. A Wearable Neuronal Network Processor for AFIB Detection. In Proceedings of the 10th International IEEE EMBS Conference on Neural Engineering, Virtual Event, Italy, 4–6 May 2021. [Google Scholar]
- Choi, S.; Yang, J.; Wang, G. Emerging Memristive Artificial Synapses and Neurons for Energy-Efficient Neuromorphic Computing. Adv. Mater. 2020, 32, 2004659. [Google Scholar] [CrossRef] [PubMed]
- Ambrogio, S.; Balatti, S.; Milo, V.; Carboni, R.; Wang, Z.Q.; Calderoni, A.; Ramaswamy, N.; Ielmini, D. Neuromorphic Learning and Recognition With One-Transistor-One-Resistor Synapses and Bistable Metal Oxide RRAM. IEEE Trans. Electron Devices 2016, 63, 1508–1515. [Google Scholar] [CrossRef] [Green Version]
- Pérez, E.; Zambelli, C.; Kalishettyhalli Mahadevaiah, M.; Olivo, P.; Wenger, C. Towards Reliable Multi-Level Operation in RRAM Arrays: Improving Post-Algorithm Stability and Assessing Endurance/Data Retention. IEEE J. Electron Devices Soc. 2019, 7, 740–747. [Google Scholar] [CrossRef]
- Pérez, E.; González Ossorio, Ó.; Dueñas, S.; Castán, H.; García, H.; Wenger, C. Programming Pulse Width Assessment for Reliable and Low-Energy Endurance Performance in Al:HfO2-Based RRAM Arrays. Electronics 2020, 9, 864. [Google Scholar] [CrossRef]
- Alemdar, H.; Leroy, V.; Prost-Boucle, A.; Pétrot, F. Ternary neural networks for resource-efficient AI applications. In Proceedings of the 2017 International Joint Conference on Neural Networks (IJCNN), Anchorage, AK, USA, 14–19 May 2017; pp. 2547–2554. [Google Scholar] [CrossRef] [Green Version]
- Knödtel, J.; Fritscher, M.; Reiser, D.; Fey, D.; Breiling, M.; Reichenbach, M. A Model-to-Circuit Compiler for Evaluation of DNN Accelerators based on Systolic Arrays and Multibit Emerging Memories. In Proceedings of the 2020 9th International Conference on Modern Circuits and Systems Technologies (MOCAST), Bremen, Germany, 7–9 September 2020; pp. 1–6. [Google Scholar] [CrossRef]
- Milo, V.; Anzalone, F.; Zambelli, C.; Pérez, E.; Mahadevaiah, M.K.; Ossorio, Ó.G.; Olivo, P.; Wenger, C.; Ielmini, D. Optimized programming algorithms for multilevel RRAM in hardware neural networks. In Proceedings of the 2021 IEEE International Reliability Physics Symposium (IRPS), Monterey, CA, USA, 21–25 March 2021; pp. 1–6. [Google Scholar] [CrossRef]
- Milo, V.; Zambelli, C.; Olivo, P.; Pérez, E.; Mahadevaiah, M.K.; Ossorio, O.G.; Wenger, C.; Ielmini, D. Multilevel HfO2-based RRAM devices for low-power neuromorphic networks. APL Mater. 2019, 7, 081120. [Google Scholar] [CrossRef] [Green Version]
- Pérez, E.; Maldonado, D.; Acal, C.; Ruiz-Castro, J.; Alonso, F.; Aguilera, A.; Jiménez-Molinos, F.; Wenger, C.; Roldán, J. Analysis of the statistics of device-to-device and cycle-to-cycle variability in TiN/Ti/Al:HfO2/TiN RRAMs. Microelectron. Eng. 2019, 214, 104–109. [Google Scholar] [CrossRef]
- Perez, E.; Mahadevaiah, M.K.; Wenger, C.; Zambelli, C.; Olivo, P.; Wenger, C. The role of the bottom and top interfaces in the 1st reset operation in HfO2 based RRAM devices. In Proceedings of the 2018 Joint International EUROSOI Workshop and International Conference on Ultimate Integration on Silicon (EUROSOI-ULIS), Granada, Spain, 19–21 March 2018; pp. 1–4. [Google Scholar] [CrossRef]
- Pérez, E.; Grossi, A.; Zambelli, C.; Mahadevaiah, M.K.; Olivo, P.; Wenger, C. Temperature impact and programming algorithm for RRAM based memories. In Proceedings of the 2018 IEEE MTT-S International Microwave Workshop Series on Advanced Materials and Processes for RF and THz Applications (IMWS-AMP), Ann Arbor, MI, USA, 16–18 July 2018; pp. 1–3. [Google Scholar] [CrossRef]
- Monticelli, D.M. A quad CMOS single-supply op amp with rail-to-rail output swing. IEEE J. Solid-State Circuits 1986, 21, 1026–1034. [Google Scholar] [CrossRef] [Green Version]
- Pérez-Bosch Quesada, E.; Romero-Zaliz, R.; Pérez, E.; Kalishettyhalli Mahadevaiah, M.; Reuben, J.; Schubert, M.A.; Jiménez-Molinos, F.; Roldán, J.B.; Wenger, C. Toward Reliable Compact Modeling of Multilevel 1T-1R RRAM Devices for Neuromorphic Systems. Electronics 2021, 10, 645. [Google Scholar] [CrossRef]
Publisher’s Note: MDPI stays neutral with regard to jurisdictional claims in published maps and institutional affiliations. |
© 2021 by the authors. Licensee MDPI, Basel, Switzerland. This article is an open access article distributed under the terms and conditions of the Creative Commons Attribution (CC BY) license (https://creativecommons.org/licenses/by/4.0/).