μ-Coriolis Mass Flow Sensor with Resistive Readout
Abstract
1. Introduction
2. Materials and Methods
2.1. Operating Principle
2.2. Capacitive Readout
2.3. Resistive Readout
2.4. Design
2.5. Fabrication
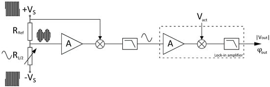
2.6. Readout Electronics
2.7. Measurement Setup
3. Results
4. Discussion and Conclusions
Author Contributions
Funding
Conflicts of Interest
Abbreviations
| SEM | Scanning Electron Microscope |
| SCT | Surface Channel Technology |
| SiRN | Silicon-rich Silicon Nitride |
| LPCVD | Low-Pressure Chemical Vapor Deposition |
References
- Enoksson, P.; Stemme, G.; Stemme, E. A silicon resonant sensor structure for Coriolis mass-flow measurements. J. Microelectromech. Syst. 1997, 6, 119–125. [Google Scholar] [CrossRef]
- Wu, Y.; Zeng, X.; Rao, Y.-J.; Gong, Y.; Hou, C.-L.; Yang, G.-G. MOEMS Accelerometer Based on Microfiber Knot Resonator. IEEE Photonic Technol. Lett. 2009, 21, 1547–1549. [Google Scholar] [CrossRef]
- Zandi, K.; Bélanger, J.A.; Peter, Y.-A. Design and Demonstration of an In-Plane Silicon-on-Insulator Optical MEMS Fabry–Pérot-Based Accelerometer Integrated with Channel Waveguides. J. Microelectromech. Syst. 2012, 21, 1464–1470. [Google Scholar] [CrossRef]
- Haneveld, J.; Lammerink, T.S.J.; de Boer, M.J.; Sanders, R.J.P.; Mehendale, A.; Lötters, J.C.; Dijkstra, M.; Wiegerink, R.J. Modeling, design, fabrication and characterization of a micro Coriolis mass flow sensor. J. Micromech. Microeng. 2010, 20, 125001. [Google Scholar] [CrossRef]
- Sparks, D.; Smith, R.; Cripe, J.; Schneider, R.; Najafi, N. A portable MEMS Coriolis mass flow sensor. In Proceedings of the 2003 IEEE SENSORS, Toronto, ON, Canada, 22–24 October 2003. [Google Scholar]
- Groenesteijn, J.; Sanders, R.G.P.; Wiegerink, R.J.; Lötters, J.C. Towards Nanogram per Second Coriolis Mass Flow Sensing. In Proceedings of the 2016 IEEE 29th International Conference on Micro Electro Mechanical Systems (MEMS), Shanghai, China, 24–28 January 2016. [Google Scholar]
- Groenesteijn, J.; de Boer, M.J.; Lötters, J.C.; Wiegerink, R.J. A versatile technology platform for microfluidic handling systems, part I: Fabrication and functionalization. Microfluid. Nanofluid. 2017, 21. [Google Scholar] [CrossRef]
- Alveringh, D.; Wiegerink, R.J.; Lötters, J.C. Integrated pressure sensing using capacitive Coriolis mass flow sensors. J. Microelectromech. Syst. 2017, 26, 653–661. [Google Scholar] [CrossRef]
- Alveringh, D.; Schut, T.V.P.; Wiegerink, R.J.; Sparreboom, W.; Lötters, J.C. Resistive pressure sensors integrated with a coriolis mass flow sensor. In Proceedings of the 2017 19th International Conference on Solid-State Sensors, Actuators and Microsystems (TRANSDUCERS), Kaohsiung, Taiwan, 18–22 June 2017. [Google Scholar]
- Sparreboom, W.; de Geest, J.V.; Katerberg, M.; Postma, F.; Haneveld, J.; Groenesteijn, J.; Lammerink, T.; Wiegerink, R.; Lötters, J. Compact mass flow meter based on a micro Coriolis flow sensor. Micromachines 2013, 4, 22–33. [Google Scholar] [CrossRef]
- Zhao, Y.; Veltkamp, H.-W.; Schut, T.V.P.; Groenesteijn, J.; de Boer, M.J.; Wiegerink, R.J.; Lötters, J.C. Highly-doped bulk silicon microheaters and electrodes embedded between free-hanging microfluidic channels by surface channel technology. In Proceedings of the 4th Conference on MicroFluidic Handling Systems (MFHS 2019), Enschede, The Netherlands, 2–4 October 2019. [Google Scholar]
- Kleimann, P.; Semmache, B.; Le Berre, M.; Barbier, D. Stress-dependent hole effective masses and piezoresistive properties of p-type monocrystalline and polycrystalline silicon. Phys. Rev. B 1998, 57, 8966. [Google Scholar] [CrossRef]
- French, P.J.; Evans, A.G.R. Piezoresistance in polysilicon. Electron. Lett. 1984, 20, 999. [Google Scholar] [CrossRef]














| Device | Actuation | Resonance Frequency (Model/Measured) [Hz] | Flow Sensitivity [°/g·h−1] | Standard Deviation [g·h−1] | Zero-Flow Stability [g·h−1] |
|---|---|---|---|---|---|
| A | Twist | 2426 /2113 | - | - | - |
| Swing | 1312 /1184 | 1.08 | 0.12 | 0.19 | |
| B | Twist | 2426 /2156 | - | - | - |
| Swing | 1312 /1203 | 2.22 | 0.02 | 0.02 | |
| C | Twist | 2519 /2254 | 1.23 | 0.10 | 0.11 |
| Swing | 1699 /1624 | 0.63 | 0.10 | 0.09 |
© 2020 by the authors. Licensee MDPI, Basel, Switzerland. This article is an open access article distributed under the terms and conditions of the Creative Commons Attribution (CC BY) license (http://creativecommons.org/licenses/by/4.0/).
Share and Cite
Schut, T.; Wiegerink, R.; Lötters, J. μ-Coriolis Mass Flow Sensor with Resistive Readout. Micromachines 2020, 11, 184. https://doi.org/10.3390/mi11020184
Schut T, Wiegerink R, Lötters J. μ-Coriolis Mass Flow Sensor with Resistive Readout. Micromachines. 2020; 11(2):184. https://doi.org/10.3390/mi11020184
Chicago/Turabian StyleSchut, Thomas, Remco Wiegerink, and Joost Lötters. 2020. "μ-Coriolis Mass Flow Sensor with Resistive Readout" Micromachines 11, no. 2: 184. https://doi.org/10.3390/mi11020184
APA StyleSchut, T., Wiegerink, R., & Lötters, J. (2020). μ-Coriolis Mass Flow Sensor with Resistive Readout. Micromachines, 11(2), 184. https://doi.org/10.3390/mi11020184

