A Process-Oriented Exploration of the Evolutionary Structures of Ocean Dynamics with Time Series of a Remote Sensing Dataset
Abstract
1. Introduction
2. Methods
2.1. Definitions
2.2. PoEXES Workflow
2.3. Clustering-Based Method of Extracting Marine Snapshot Objects
2.4. Evolution-Based Tracking Algorithm of Identifying Marine Sequence Objects and Marine Linked Objects
- Step 1: Denote marine snapshot objects at time snapshots T − 1, T, and T + 1 as , and , respectively, in which K, N, and M are the total number of marine snapshot objects at time snapshots T − 1, T, and T + 1, and , and are marine snapshot objects , and , respectively, in which k, i, and j relate to K, N and M, respectively.
- Step 2: Initialize marine snapshot objects at first time snapshot as candidates belonging to a marine sequence object, in which the time snapshot t equals zero. Then, set t to 1.
- Step 3: Calculate the spatial topologies between and and between and .
- Step 4: Formulate a discriminant rule on the basis of the spatial topology between and and the spatial topology between and , then determine as a marine linked object or as a marine sequence object.
- Step 5: Where i = i + 1, repeat Step 3 and Step 4 until all the marine snapshot objects (i equals N) at time snapshot t, , are addressed.
- Step 6: Where t = t + 1, repeat Step 3 to Step 5 until the marine snapshot objects at all time snapshots (t equals T − 1) are addressed.
- Step 7: Those candidates belonging to marine sequence objects overlapped in space and time are linked together in an ascending time order to generate marine sequence objects, and those independent marine snapshot objects at successive times are identified as marine linked objects.
2.5. SLOA of Exploring Evolutionary Structures
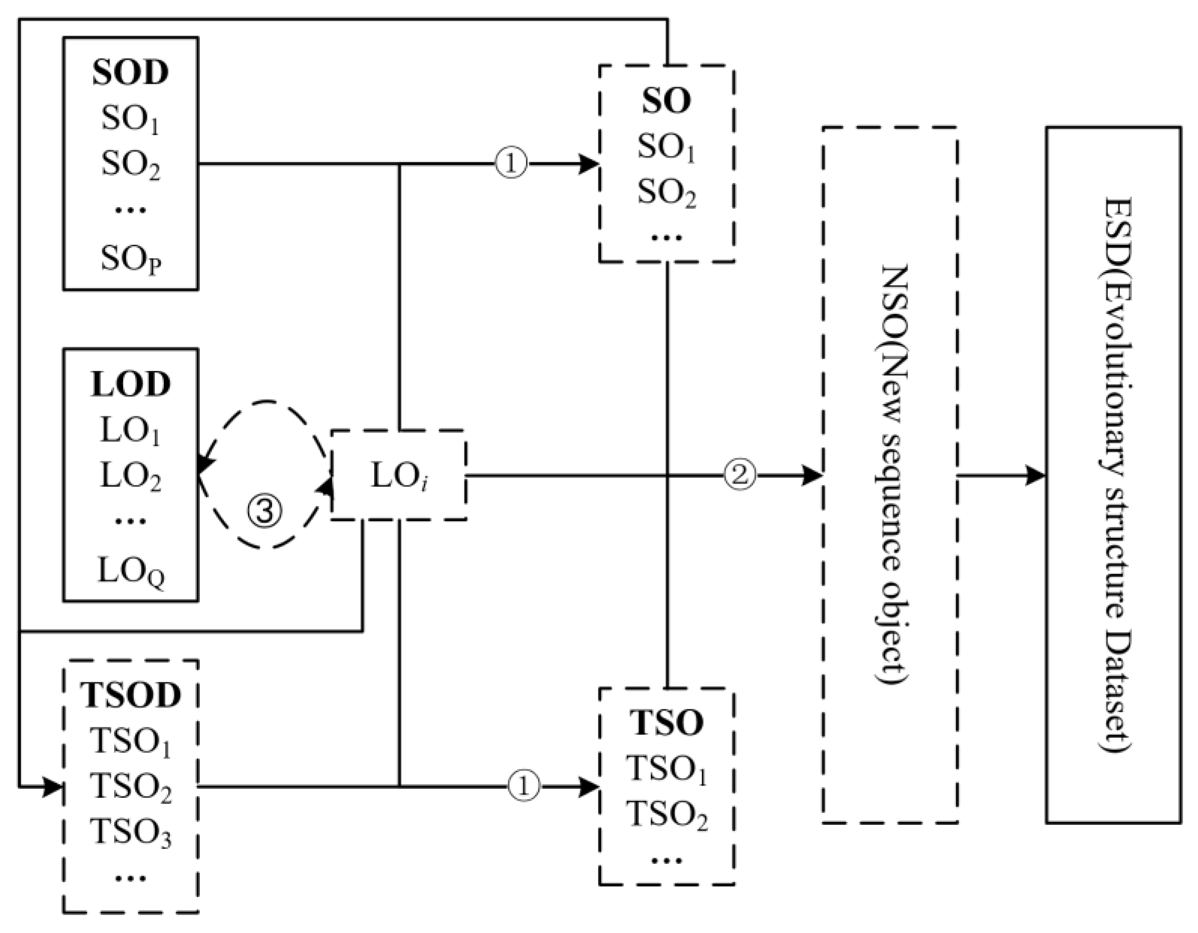
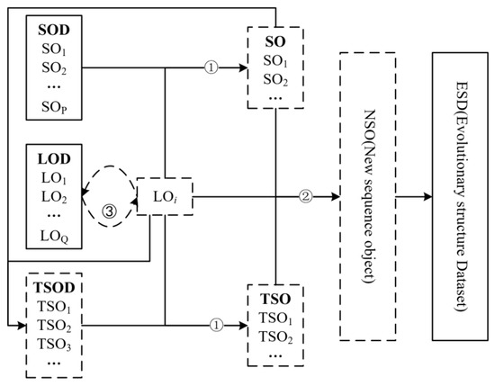
- Step 1: Denote marine sequence objects and their datasets as SOD-{SO1, SO2, ……, SOP}, denote marine linked objects and their datasets as LOD-{LO1, LO2, ……, LOQ}, and sort SOD and LOD in an ascending time order, in which P and Q are the total number of marine sequence objects and marine linked objects, respectively. Denote an evolutionary structure dataset, named ESD. Denote a temp sequence object dataset, named TSOD.
- Step 2: Set i to 1, and set TSOD as empty.
- Step 3: Obtain the ith marine linked object from LOD, i.e., LOi. Obtain all the marine sequence objects in SOD that satisfy the spatiotemporal topology with LOi, i.e., intersection in space and meet or met by in time, denoted as SO-{SO1, SO2, ……, SOk}. Obtain all items in TSOD that satisfy the intersection in space and meet or met by in time with LOi, denoted as TSO-{TSO1, TSO2, ……, TSOl}. Append {SO1, SO2, ……, SOk} to the TSOD.
- Step 4: Link the LOi with SO and TSO to generate a new sequence, named NSO, according to their temporal topologies. If meet applies, the relationship is from SOk or TSOl to LOi; if met by applies, the relationship is from TSOl to LOi or SOk.
- Step 5: Append LOi to the TSOD, i = i + 1, and repeat Step 3 and Step 4 until NSO is updated.
- Step 6: Append NSO to ESD, remove all the sequence objects in TSOD from SOD, remove all the linked objects in TSOD from LOD, and update SOD and LOD.
- Step 7: Repeat Step 2 to Step 6 until all the marine linked objects are addressed.
2.6. Identification of Evolutionary Structure Types
- Evolutionary structural type I: There only exist development relationships in a lifespan of ocean dynamics. This structure has no linked node.
- Evolutionary structural type II: There exist development relationships and splitting relationships in a lifespan of ocean dynamics. This structure has at least one splitting node.
- Evolutionary structural type III: There exist development relationships and merging relationships in a lifespan of ocean dynamics. This structure has at least one merging node.
- Evolutionary structural type IV: There simultaneously exist development, merging, splitting, and splitting–merging relationships in a lifespan of ocean dynamics. This structure simultaneously has merging nodes and splitting nodes. Although sometimes the merging relationships alternate with the splitting ones, this structure has no form of ring.
- Evolutionary structural type V: There simultaneously exist development, merging, splitting, and splitting–merging relationships in a lifespan of ocean dynamics. Generally, there exists one or more merging relationships occurring after the splitting relationships, and this structure has the form of a ring, shown as type V in Figure 6.
3. Results and Discussions
3.1. Remote Sensing Datasets and Their Pretreatment
3.2. Global Evolutionary Structures of SSTA Dynamics
3.3. Evolutionary Structure of a Specified SSTA Dynamic
4. Conclusions
Author Contributions
Funding
Data Availability Statement
Acknowledgments
Conflicts of Interest
References
- Yi, J.W.; Du, Y.Y.; Liang, F.Y.; Zhou, C.H.; Wu, D.; Mo, Y. A representation framework for studying spatiotemporal changes and interactions of dynamic geographic phenomena. Int. J. Geogr. Inf. Sci. 2014, 28, 1010–1027. [Google Scholar] [CrossRef]
- Yuan, M. Why are events important and how to compute them in geospatial research? J. Spat. Inf. Sci. 2020, 21, 47–61. [Google Scholar] [CrossRef]
- Zhu, R.; Guilbert, E.; Wong, M.D. Object-oriented tracking of the dynamic behavior of urban heat islands. Int. J. Geogr. Inf. Sci. 2017, 31, 405–424. [Google Scholar] [CrossRef]
- Atluri, G.; Karpatne, A.; Kumar, V. Spatio-Temporal Data Mining: A Survey of Problems and Methods. ACM Comput. Surv. 2018, 51, 1–41. [Google Scholar] [CrossRef]
- Khiali, L.; Ndiath, M.; Alleaume, S.; Lenco, D.; Ose, K.; Teisseire, M. Detection of spatio-temporal evolutions on multi-annual satellite image time series: A clustering-based approach. Int. J. Appl. Earth Obs. Geoinf. 2019, 74, 103–119. [Google Scholar] [CrossRef]
- Xue, C.J.; Su, F.Z.; He, Y.W. Process:A new view of geographical spatiotemporal dynamic analysis. Adv. Earth Sci. 2022, 37, 65–79. (In Chinese) [Google Scholar]
- Xue, C.J.; Dong, Q.; Xie, J. Marine spatio-temporal process semantics and its application-taking the El Nino Southern Oscilation process and Chinese rainfall anomaly as an example. Acta Oceanol. Sin. 2012, 31, 16–24. [Google Scholar] [CrossRef]
- McPhaden, M.J.; Stephen, E.; Zebia, K.; Michael, H. Glantz. ENSO as an integrating concept in earth science. Science 2006, 314, 1740–1745. [Google Scholar] [CrossRef] [PubMed]
- Xue, C.J.; Wu, C.; Liu, J.; Su, F. A novel process-oriented graph Storage for dynamic geographic phenomena. ISPRS Int. J. Geo-Inf. 2019, 8, 100. [Google Scholar] [CrossRef]
- Liu, J.Y.; Xue, C.J.; Dong, Q.; Wu, C.B.; Xu, Y.F. A Process-Oriented Spatiotemporal Clustering Method for Complex Trajectories of Dynamic Geographic Phenomena. IEEE Access 2019, 23, 155951–155964. [Google Scholar] [CrossRef]
- Fang, F.; Morrow, R. Evolution, movement and decay of warmcore Leeuwin Current eddies. Deep-Sea Res. Part II 2003, 50, 2245–2261. [Google Scholar] [CrossRef]
- Rodríguez, R.; Viudez, A.; Ruiz, S. Vortex Merger in Oceanic Tripoles. J. Phys. Oceanogr. 2011, 41, 1239–1251. [Google Scholar] [CrossRef]
- Yang, J.; Gong, P.; Fu, R.; Zhang, M.H.; Chen, J.M.; Liang, S.L.; Xu, B.; Shi, J.C.; Dickinson, R. The role of satellite remote sensing in climate change studies. Nat. Clim. Chang. 2013, 3, 875–883. [Google Scholar] [CrossRef]
- Guttler, F.; Lenco, D.; Nin, J.; Teisseire, M.; Poncelet, P. A graph-based approach to detect spatiotemporal dynamics in satellite image time series. ISPRS J. Photogramm. Remote Sens. 2017, 130, 92–107. [Google Scholar] [CrossRef]
- Chen, K.S. Principles of Synthetic Aperture Radar Imaging: A System Simulation Approach (Signal and Image Processing of Earth Observations); CRC Press, Inc.: Boca Raton, FL, USA, 2015. [Google Scholar]
- Jackson, C. Synthetic Aperture Radar Marine User’s Manual; United States Government Printing Office: Washington, DC, USA, 2004. [Google Scholar]
- Xue, C.J.; Song, W.J.; Qin, L.J.; Dong, Q.; Wen, X.Y. A spatiotemporal mining framework for abnormal association patterns in marine environments with a time series of remote sensing images. Int. J. Appl. Earth Obs. Geoinf. 2015, 38, 105–114. [Google Scholar] [CrossRef]
- Li, L.W.; Xu, Y.; Xue, C.J.; Fu, Y.; Zhang, Y. A Process-Oriented Approach to Identify Evolutions of sea surface salinity Temperature Anomalies with a Time-Series of a Raster Dataset. ISPRS Int. J. Geo-Inf. 2021, 10, 500. [Google Scholar] [CrossRef]
- Yuan, M.; Mark, D.M.; Egenhofer, M.J.; Peuquet, D.J. Extensions to Geographic Representation: A Research Agenda for Geographic Information Science; CRC Press: Boca Raton, FL, USA, 2004; pp. 129–156. [Google Scholar]
- Shaw, S.-L.; Ye, X. Capturing Spatiotemporal Dynamics in Computational Modeling. In The Geographic Information Science & Technology Body of Knowledge (1st Quarter 2019 Edition); Wilson, J.P., Ed.; University Consortium for Geographic Information Science: Washington, DC, USA, 2019. [Google Scholar] [CrossRef]
- Worboys, M.F. Event-oriented approaches to geographic phenomena. Int. J. Geogr. Inf. Sci. 2005, 19, 1–28. [Google Scholar] [CrossRef]
- Hornsby, K.; Egenhofer, M. Identity-based change: A foundation for spatio-temporal knowledge representation. Int. J. Geogr. Inf. Sci. 2000, 3, 207–224. [Google Scholar] [CrossRef]
- Nixon, V.; Hornsby, K.S. Using geolifespans to model dynamic geographic domains. Int. J. Geogr. Inf. Sci. 2010, 24, 1289–1308. [Google Scholar] [CrossRef]
- Wu, B.; Yu, B.; Shu, S.; Wu, Q.; Zhao, Y.; Wu, J. A spatiotemporal structural graph for detecting land cover changes. Int. J. Geogr. Inf. Sci. 2021, 35, 397–425. [Google Scholar] [CrossRef]
- Fichera, C.R.; Modica, G.; Pollino, M. Land Cover classification and change-detection analysis using multi-temporal remote sensed imagery and landscape metrics. Eur. J. Remote Sens. 2012, 45, 1–18. [Google Scholar] [CrossRef]
- Yan, J.; Wang, L.; Song, W.; Chen, Y. A time-series classification approach based on change detection for rapid land cover mapping. ISPRS J. Photogramm. Remote Sens. 2019, 158, 249–262. [Google Scholar] [CrossRef]
- Liu, W.B.; Li, X.G.; Rahn, D.A. Storm event representation and analysis based on a directed spatiotemporal graph model. Int. J. Geogr. Inf. Sci. 2016, 30, 1–22. [Google Scholar] [CrossRef]
- Muñoz, C.; Wang, L.P.; Willems, P. Enhanced object-based tracking algorithm for convective rainstorms and cells. Atmos. Res. 2018, 201, 144–158. [Google Scholar] [CrossRef]
- Xue, C.J.; Liu, J.Y.; Yang, G.H.; Wu, C.B. A process-oriented method for tracking rainstorms with a time-series of raster datasets. Appl. Sci. 2019, 9, 2468. [Google Scholar] [CrossRef]
- Yuan, M. Representing complex geographic phenomena in GIS. Cartogr. Geogr. Inf. Sci. 2001, 28, 83–96. [Google Scholar] [CrossRef]
- Liu, J.; Xue, C.; He, Y.; Dong, Q.; Kong, F.; Hong, Y. Dual-constraint Spatiotemporal Clustering Approach for Exploring Marine Anomaly Patterns using Remote Sensing Products. IEEE J. Sel. Top. Appl. Earth Obs. Remote Sens. 2018, 11, 3963–3976. [Google Scholar] [CrossRef]
- Long, J.A.; Nelson, T.A. A review of quantitative methods for movement data. Int. J. Geogr. Inf. Sci. 2013, 27, 292–318. [Google Scholar] [CrossRef]
- Kwan, M.P.; Neutens, T. Space-Time Research in GIScience. Int. J. Geogr. Inf. Sci. 2014, 25, 851–854. [Google Scholar] [CrossRef]
- Anthony, J.; Suzana, D. Towards a voxel-based geographic automata for the simulation of geospatial processes. Isprs. J. Photogramm. 2016, 117, 206–216. [Google Scholar]
- Reitsma, F.; Albrecht, J. Implementing a new data model for simulating processes. Int. J. Geogr. Inf. Sci. 2005, 10, 19,1073–1090. [Google Scholar] [CrossRef]
- He, Y.F.; Sheng, Y.H.; Hofer, B.; Huang, Y.; Qin, J.R. Processes and events in the centre: A dynamic data model for representing spatial change. Int. J. Digit. Earth 2022, 15, 276–295. [Google Scholar] [CrossRef]
- Campelo, C.E.C.; Bennett, B.; Dimitrova, V. Identifying Geographical Processes from Time-Stamped Data. In GeoSpatial Semantics, GeoS 2011; Lecture Notes in Computer Science; Claramunt, C., Levashkin, S., Bertolotto, M., Eds.; Springer: Berlin/Heidelberg, Germany, 2011; p. 6631. [Google Scholar]
- Dixon, M.; Wiener, G. TITAN: Thunderstorm identification, tracking, analysis, and nowcasting—A radar-based methodology. J. Atmos. Ocean. Technol. 1993, 10, 785–797. [Google Scholar] [CrossRef]
- Debusscher, B.; Coillie, F.M.B.V. Object-Based Flood Analysis Using a Graph-Based Representation. Remote Sens. 2019, 11, 1883. [Google Scholar] [CrossRef]
- Yu, M.; Yang, C.; Jin, B. A Framework for Natural Phenomena Movement Tracking–Using 4D Dust Simulation as an Example. Comput. Geosci. 2018, 121, 53–66. [Google Scholar] [CrossRef]
- Wang, H.; Du, Y.; Yi, J.; Sun, Y.; Liang, F. A new method for measuring topological structure similarity between complex trajectories. IEEE Trans. Knowl. Data Eng. 2019, 31, 1836–1848. [Google Scholar] [CrossRef]
- Lo, S.H.; Chen, C.T.; Russo, S.; Huang, W.R.; Shih, M.F. Tracking heatwave extremes from an event perspective. Weather Clim. Extrem. 2021, 34, 100371. [Google Scholar] [CrossRef]
- Mondo, G.D.; Rodríguez, M.A.; Claramunt, C.; Bravo, L.; Thibaud, R. Modelling consistency of spatio-temporal graphs. Data Knowl. Eng. 2013, 84, 59–80. [Google Scholar] [CrossRef]
- Mondo, G.D.; Stell, J.G.; Claramunt, C.; Thibaud, R. A graph model for spatio-temporal evolution. J. UCS 2010, 16, 1452–1477. [Google Scholar]
- Chen, G.X.; Hou, Y.J.; Chu, X.Q.; Qi, P. Vertical structure and evolution of the Luzon Warm Eddy. Chin. J. Oceanol. Limnol. 2010, 28, 955–961. [Google Scholar] [CrossRef]
- Yu, M.; Bambacus, M.; Cervone, G.; Clarke, K.; Duffy, D.; Huang, Q.; Li, J.; Li, W.; Li, Z.; Liu, Q.; et al. Spatiotemporal event detection: A review. Int. J. Digit. Earth 2020, 13, 1–27. [Google Scholar] [CrossRef]
- Reynolds, R.W.; Rayner, N.A.; Smith, T.M.; Stokes, D.C.; Wang, W. An Improved In Situ and Satellite SST Analysis for Climate. J. Clim. 2002, 15, 1609–1625. [Google Scholar] [CrossRef]
- Zhang, P.; Steinbach, M.; Kumar, V.; Shekhar, S.; Tan, P.-N.; Klooster, S.; Potter, C. Discovery of patterns of Earth Science Data Using Data Mining. In Next Generation of Data Mining Applications; Zurada, J., Kantardzic, M., Eds.; IEEE Press: Piscataway, NJ, USA, 2005; pp. 167–188. [Google Scholar]
- Wolter, K.; Timlin, M.S. El Nino/Southern Oscillation behavior since 1871 as diagnosed in an extended multivariate ENSO index (MEI.ext). Int. J. Climatol. 2011, 31, 1074–1087. [Google Scholar] [CrossRef]
- Xue, C.J.; Xu, Y.F.; He, Y.W. A global process-oriented sea surface temperature anomaly dataset retrieved from remote sensing products. Big Earth Data 2022, 6, 179–195. [Google Scholar] [CrossRef]
















| Type | In-Degree | Out-Degree | |
|---|---|---|---|
| 1 | Merging node | ≥2 | 1 |
| 2 | Splitting node | 1 | ≥2 |
| 3 | Merging–splitting node | ≥2 | ≥2 |
| Type I | Type II | Type III | Type IV | Type V | Total | |
|---|---|---|---|---|---|---|
| All process objects | 356 | 28 | 17 | 3 | 13 | 417 |
| Percent | 85% | 7% | 4% | 1% | 3% | 100% |
| Warm process objects | 194 | 15 | 8 | 3 | 10 | 230 |
| Percent | 84% | 7% | 4% | 1% | 4% | 100% |
| Cold process objects | 162 | 13 | 9 | 0 | 3 | 187 |
| Percent | 87% | 7% | 5% | 0% | 1% | 100% |
| Process Objects of SSTA | ENSO Event | |||||||
|---|---|---|---|---|---|---|---|---|
| OID | Origination Time | Dissipation Time | Duration (Month) | Cold/Warm Object | Start Time | End Time | Duration (Month) | Type of ENSO |
| 25 | January 1982 | January 1983 | 12 | Cold | June 1982 | August 1983 | 15 | El Niño |
| 12 | February 1982 | January 1983 | 11 | Cold | June 1982 | August 1983 | 15 | El Niño |
| 47 | February 1982 | October 1982 | 8 | Cold | June1982 | August 1983 | 15 | El Niño |
| 365 | September 1983 | June 1984 | 9 | Cold | December 1984 | May 1985 | 6 | La Niña |
| 851 | September 1987 | September 1988 | 12 | Cold | August 1986 | February 1988 | 19 | El Niño |
| June 1988 | April 1989 | 11 | La Niña | |||||
| 365 | October 1988 | February 1990 | 16 | Warm | June 1988 | April 1989 | 11 | La Niña |
| 972 | January 1989 | September 1989 | 8 | Cold | June 1988 | April 1989 | 11 | La Niña |
| 485 | March 1992 | November 1992 | 8 | Warm | May 1991 | December 1993 | 32 | El Niño |
| 1559 | January 1997 | October 1997 | 9 | Cold | May 1997 | June 1998 | 14 | El Niño |
| 1757 | September 1999 | September 2000 | 12 | Cold | September 1998 | March 2000 | 19 | La Niña |
| 1787 | December 1999 | August 2000 | 8 | Cold | September 1998 | March 2000 | 19 | La Niña |
| 1821 | January 2001 | January 2002 | 12 | Cold | May 2002 | March 2003 | 11 | El Niño |
| 1993 | September 2007 | September 2008 | 12 | Cold | September 2007 | April 2008 | 8 | La Niña |
| 1173 | April 2009 | January 2010 | 9 | Warm | June 2009 | May 2010 | 12 | El Niño |
| 2182 | September 2011 | February 2012 | 5 | Cold | August 2011 | February 2012 | 7 | La Niña |
| 1520 | March 2013 | November 2013 | 8 | Warm | May 2014 | September 2014 | 5 | El Niño |
| 1559 | January 2014 | October 2014 | 9 | Warm | May 2014 | September 2014 | 5 | El Niño |
| 1757 | July 2015 | July 2016 | 12 | Warm | March 2015 | June 2016 | 16 | El Niño |
| 1771 | August 2015 | September 2016 | 13 | Warm | March 2015 | June 2016 | 16 | El Niño |
| 2305 | September 2015 | September 2016 | 12 | Cold | March 2015 | June 2016 | 16 | El Niño |
| 2018 | January 2017 | January 2018 | 12 | Warm | July 2017 | June 2018 | 12 | La Niña |
| 2024 | March 2017 | October 2017 | 7 | Warm | July 2017 | June 2018 | 12 | La Niña |
| 2154 | March 2018 | October 2018 | 7 | Warm | July 2017 | June 2018 | 12 | La Niña |
| 2195 | October 2018 | March 2020 | 17 | Warm | June 2020 | December 2021 | 19 | La Niña |
| 2253 | May 2019 | March 2020 | 10 | Warm | June 2020 | December 2021 | 19 | La Niña |
| 2262 | July 2019 | May 2020 | 10 | Warm | June 2020 | December 2021 | 19 | La Niña |
| 2319 | November 2019 | July 2020 | 8 | Warm | June 2020 | December 2021 | 19 | La Niña |
| 2476 | May 2021 | January 2022 | 8 | Warm | June 2020 | December 2021 | 19 | La Niña |
Disclaimer/Publisher’s Note: The statements, opinions and data contained in all publications are solely those of the individual author(s) and contributor(s) and not of MDPI and/or the editor(s). MDPI and/or the editor(s) disclaim responsibility for any injury to people or property resulting from any ideas, methods, instructions or products referred to in the content. |
© 2023 by the authors. Licensee MDPI, Basel, Switzerland. This article is an open access article distributed under the terms and conditions of the Creative Commons Attribution (CC BY) license (https://creativecommons.org/licenses/by/4.0/).
Share and Cite
Xue, C.; Niu, C.; Xu, Y.; Su, F. A Process-Oriented Exploration of the Evolutionary Structures of Ocean Dynamics with Time Series of a Remote Sensing Dataset. Remote Sens. 2023, 15, 348. https://doi.org/10.3390/rs15020348
Xue C, Niu C, Xu Y, Su F. A Process-Oriented Exploration of the Evolutionary Structures of Ocean Dynamics with Time Series of a Remote Sensing Dataset. Remote Sensing. 2023; 15(2):348. https://doi.org/10.3390/rs15020348
Chicago/Turabian StyleXue, Cunjin, Chaoran Niu, Yangfeng Xu, and Fenzhen Su. 2023. "A Process-Oriented Exploration of the Evolutionary Structures of Ocean Dynamics with Time Series of a Remote Sensing Dataset" Remote Sensing 15, no. 2: 348. https://doi.org/10.3390/rs15020348
APA StyleXue, C., Niu, C., Xu, Y., & Su, F. (2023). A Process-Oriented Exploration of the Evolutionary Structures of Ocean Dynamics with Time Series of a Remote Sensing Dataset. Remote Sensing, 15(2), 348. https://doi.org/10.3390/rs15020348

