An Efficient High-Resolution Global–Local Network to Detect Lunar Features for Space Energy Discovery
Abstract
1. Introduction
- To further promote lunar energy discovery, we propose a new machine-learning approach that automatically identifies craters and rilles simultaneously.
- We propose a new semantic segmentation method, GL-HRNet, which is superior to GLNet- and HRNet-based network structures in terms of segmentation accuracy and mean absolute error and can be easily used in other similar tasks.
- We also find something unique about the density distribution of craters throughout the Moon. There is a distinctive difference for a relatively small crater (1–5 km in diameter) between the density of impact craters on the lunar mare and the highland. Small craters on the lunar mare are deeper than those on the highlands.
2. Materials and Methods
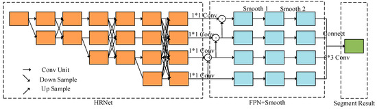
2.1. Global Branch of GL-HRNet
2.2. Local Branch of GL-HRNet
2.3. Branch Ensemble
3. Experiments
3.1. Dataset
3.2. Evaluation Metrics
3.3. Training Details
4. Results and Discussion
4.1. Analysis of the Lunar Impact Crater Detection Results
4.2. Analysis of Mars Impact Craters and Moon Rilles Detection Results
4.3. Density Analysis of Lunar Impact Craters
- (1)
- The difference boundary of impact crater density is highly consistent with the boundary between lunar mare and highlands;
- (2)
- Small impact craters at the North Pole and a local region of the Moon’s highlands (5°–85°E, 25°–50°S) show significant density;
- (3)
- Compared with the density of craters with diameters of more than 5 km, the density of craters with diameters of 1 to 5 km in the Orientale Basin is not significantly different from those in the surrounding area.
5. Conclusions
Author Contributions
Funding
Institutional Review Board Statement
Informed Consent Statement
Data Availability Statement
Acknowledgments
Conflicts of Interest
Abbreviations
| HR-GLNet | High-resolution global-local networks |
| MAE | Mean absolute error |
| GPU | Graphics processing unit |
| CNN | Convolutional neural network |
| DEM | Digital elevation model |
| DOM | Digital orthophoto map |
| FAM | Feature aggregation module |
| RPN | Region proposal network |
| MDCD | Mars day crater detection |
| HR-Net | High-resolution network |
| FPN | Feature pyramid network |
| GT | Ground truth |
| AP | Average precision |
| DR | Discovery rate |
References
- Crawford, I.A.; Anand, M.; Cockell, C.S.; Falcke, H.; Green, D.A.; Jaumann, R.; Wieczorek, M.A. Back to the Moon: The scientific rationale for resuming lunar surface exploration. Planet. Space Sci. 2012, 74, 3–14. [Google Scholar] [CrossRef]
- Yue, Z.; Di, K.; Wan, W.; Liu, Z.; Gou, S.; Liu, B.; Peng, M.; Wang, Y.; Jia, M.; Liu, J.; et al. Updated lunar cratering chronology model with the radiometric age of Chang’e-5 samples. Nat. Astron. 2022. [Google Scholar] [CrossRef]
- Zhang, T.; Li, Y.; Chen, Y.; Feng, X.; Zhu, X.; Chen, Z.; Yao, J.; Zheng, Y.; Cai, J.; Song, H.; et al. Review on space energy. Appl. Energy 2021, 292, 116896. [Google Scholar] [CrossRef]
- Mcgill, G.E. Attitude of fractures bounding straight and arcuate lunar rilles. Icarus 1971, 14, 53–58. [Google Scholar] [CrossRef]
- Koohrokhi, T.; Azadifar, R. Effect of Internal Breeding of Tritium and Helium-3 on the Ignition of an ICF Fuel Pellet. J. Fusion Energy 2016, 35, 493–497. [Google Scholar] [CrossRef][Green Version]
- Simko, T.; Gray, M. Lunar Helium-3 Fuel for Nuclear Fusion: Technology, Economics, and Resources. World Future Rev. 2014, 6, 158–171. [Google Scholar] [CrossRef]
- Honniball, C.I.; Lucey, P.G.; Li, S.; Shenoy, S.; Orlando, T.M.; Hibbitts, C.A.; Hurley, D.M.; Farrell, W.M. Molecular water detected on the sunlit Moon by SOFIA. Nat. Astron. 2021, 5, 121–127. [Google Scholar] [CrossRef]
- Rosa, D.D.; Bussey, B.; Cahill, J.T.; Lutz, T.; Crawford, I.A.; Hackwill, T.; Gasselt, S.V.; Neukum, G.; Witte, L.; Mcgovern, A. Characterisation of Potential Landing Sites for the European Space Agency’s Lunar Lander Project. Planet. Space Sci. 2012, 74, 224–246. [Google Scholar] [CrossRef]
- Downes, L.M.; Steiner, T.J.; How, J.P. Neural Network Approach to Crater Detection for Lunar Terrain Relative Navigation. J. Aerosp. Inf. Syst. 2021, 18, 391–403. [Google Scholar] [CrossRef]
- Lagain, A.; Servis, K.; Benedix, G.K.; Norman, C.; Anderson, S.; Bland, P.A. Model Age Derivation of Large Martian Impact Craters, Using Automatic Crater Counting Methods. Earth Space Sci. 2021, 8, e2020EA001598. [Google Scholar] [CrossRef]
- Montanari, A.; Koeberl, C. Impact Stratigraphy; Springer: New York, NY, USA, 2000; pp. 1–7. [Google Scholar]
- Pike, R.J. Crater dimensions from Apollo data and supplemental sources. Moon 1976, 15, 463–477. [Google Scholar] [CrossRef]
- Luo, L. Global detection of large lunar craters based on the CE-1 digital elevation model. Front. Earth Sci. 2013, 7, 456–464. [Google Scholar] [CrossRef]
- Liu, A.; Zhou, D.; Chen, L.; Chen, M. Saliency detection and edge feature matching approach for crater extraction. J. Syst. Eng. Electron. 2015, 26, 1291–1300. [Google Scholar] [CrossRef]
- Pedrosa, M.M.; de Azevedo, S.C.; da Silva, E.A.; Dias, M.A. Improved automatic impact crater detection on Mars based on morphological image processing and template matching. Geomat. Nat. Hazards Risk 2017, 8, 1306–1319. [Google Scholar] [CrossRef]
- Kim, J.R.; Muller, J.P.; Van Gasselt, S.; Morley, J.G.; Neukum, G. Automated Crater Detection, A New Tool for Mars Cartography and Chronology. Photogramm. Eng. Remote Sens. 2015, 71, 1205–1218. [Google Scholar] [CrossRef]
- Technicolor, T.; Related, S.; Technicolor, T.; Related, S. ImageNet Classification with Deep Convolutional Neural Networks. In Proceedings of the Neural Information Processing Systems 2012, Lake Tahoe, NV, USA, 3–6 December 2012; pp. 1097–1105. [Google Scholar]
- Silburt, A.; Ali-Dib, M.; Zhu, C.; Jackson, A.; Valencia, D.; Kissin, Y.; Tamayo, D.; Menou, K. Lunar crater identification via deep learning. Icarus 2019, 317, 27–38. [Google Scholar] [CrossRef]
- DeLatte, D.M.; Crites, S.T.; Guttenberg, N.; Yairi, T. Automated crater detection algorithms from a machine learning perspective in the convolutional neural network era. Adv. Space Res. 2019, 64, 1615–1628. [Google Scholar] [CrossRef]
- Yang, C.; Zhao, H.; Bruzzone, L.; Benediktsson, J.A.; Liang, Y.; Liu, B.; Zeng, X.; Guan, R.; Li, C.; Ouyang, Z. Lunar impact crater identification and age estimation with Chang’E data by deep and transfer learning. Nat. Commun. 2020, 11, 6358. [Google Scholar] [CrossRef]
- Jia, Y.; Wan, G.; Liu, L.; Wang, J.; Wu, Y.; Xue, N.; Wang, Y.; Yang, R. Split-Attention Networks with Self-Calibrated Convolution for Moon Impact Crater Detection from Multi-Source Data. Remote Sens. 2021, 13, 3193. [Google Scholar] [CrossRef]
- Yang, S.; Cai, Z. High-Resolution Feature Pyramid Network for Automatic Crater Detection on Mars. IEEE Trans. Geosci. Remote Sens. 2022, 60, 1–12. [Google Scholar] [CrossRef]
- Chen, S.; Li, Y.; Zhang, T.; Zhu, X.; Sun, S.; Gao, X. Lunar features detection for energy discovery via deep learning. Appl. Energy 2021, 296, 117085. [Google Scholar] [CrossRef]
- Chen, W.; Jiang, Z.; Wang, Z.; Cui, K.; Qian, X. Collaborative Global-Local Networks for Memory-Efficient Segmentation of Ultra-High Resolution Images. In Proceedings of the 2019 IEEE/CVF Conference on Computer Vision and Pattern Recognition (CVPR), Long Beach, CA, USA, 15–18 March 2019; pp. 8916–8925. [Google Scholar]
- Sun, K.; Xiao, B.; Liu, D.; Wang, J. Deep High-Resolution Representation Learning for Human Pose Estimation. In Proceedings of the 2019 IEEE/CVF Conference on Computer Vision and Pattern Recognition (CVPR), Long Beach, CA, USA, 15–18 March 2019; pp. 5686–5696. [Google Scholar]
- Ronneberger, O.; Fischer, P.; Brox, T. U-Net: Convolutional Networks for Biomedical Image Segmentation. arXiv 2015, arXiv:1505.04597. [Google Scholar]
- He, K.; Zhang, X.; Ren, S.; Sun, J. Deep Residual Learning for Image Recognition. In Proceedings of the 2016 IEEE Conference on Computer Vision and Pattern Recognition (CVPR), Las Vegas, NV, USA, 27–30 June 2016; pp. 770–778. [Google Scholar]
- Lin, T.Y.; Dollar, P.; Girshick, R.; He, K.; Hariharan, B.; Belongie, S. Feature Pyramid Networks for Object Detection. In Proceedings of the 2017 IEEE Conference on Computer Vision and Pattern Recognition (CVPR), Honolulu, HI, USA, 21–26 July 2017; pp. 936–944. [Google Scholar]
- Barker, M.K.; Mazarico, E.M.; Neumann, G.A.; Zuber, M.T.; Smith, D.E. A new lunar digital elevation model from the Lunar Orbiter Laser Altimeter and SELENE Terrain Camera. Icarus 2016, 273, 346–355. [Google Scholar] [CrossRef]
- Yang, F.; Zhang, L.; Yu, S.; Prokhorov, D.; Mei, X.; Ling, H. Feature Pyramid and Hierarchical Boosting Network for Pavement Crack Detection. IEEE Trans. Intell. Transp. Syst. 2020, 21, 1525–1535. [Google Scholar] [CrossRef]
- Head, J.W.; Fassett, C.I.; Kadish, S.J.; Smith, D.E.; Zuber, M.T.; Neumann, G.A.; Mazarico, E. Global Distribution of Large Lunar Craters: Implications for Resurfacing and Impactor Populations. Science 2010, 329, 1504–1507. [Google Scholar] [CrossRef]
- Povilaitis, R.Z.; Robinson, M.S.; van der Bogert, C.H.; Hiesinger, H.; Meyer, H.M.; Ostrach, L.R. Crater density differences: Exploring regional resurfacing, secondary crater populations, and crater saturation equilibrium on the moon. Planet. Space Sci. 2018, 162, 41–51. [Google Scholar] [CrossRef]
- Robbins, S.J.; Hynek, B.M. A new global database of Mars impact craters ≥1 km: 1. Database creation, properties, and parameters. J. Geophys. Res. Planets 2012, 117, 872–892. [Google Scholar] [CrossRef]
- Lin, T.Y.; Goyal, P.; Girshick, R.; He, K.; Dollár, P. Focal Loss for Dense Object Detection. IEEE Trans. Pattern Anal. Mach. Intell. 2017, 42, 318–327. [Google Scholar] [CrossRef]
- Wang, S.; Fan, Z.; Li, Z.; Zhang, H.; Wei, C. An Effective Lunar Crater Recognition Algorithm Based on Convolutional Neural Network. Remote Sens. 2020, 12, 2694. [Google Scholar] [CrossRef]

















| Data Set | Type | Samples | |||
|---|---|---|---|---|---|
| Crater | Rille | Train | Validation | Test | |
| Moon DEM | √ | × | 30,000 | 10,000 | 10,000 |
| Mars DEM | √ | × | 30,000 | 10,000 | 10,000 |
| Surface crack | × | √ | 160 | 20 | 20 |
| Assembled data set | √ | √ | 35 | - | 9 |
| Learning Rate | Training Batches | Training Wheels | Objective Function | Adam | |
|---|---|---|---|---|---|
| Global branch | 0.0001 | 100 | 100 | Focal loss | 0.9 |
| Local branch | 0.00002 | 100 | 100 | Binary cross-entropy | 0.999 |
| Method | Data Set | Errorla (%) | Errorlo (%) | Errorra (%) | Recall (%) | F1 (%) | Precision (%) | DR1 (%) | DR2 (%) |
|---|---|---|---|---|---|---|---|---|---|
| UNet | Val set | 7.43 | 9.97 | 8.98 | 69.2 ± 3.3 | 59.8 ± 4.3 | 73.2 ± 8.9 | 12.3 ± 2.1 | 11.2 ± 1.1 |
| Test set | 9.24 | 9.64 | 7.24 | 76.1 ± 2.3 | 62.8 ± 6.3 | 83.2 ± 10.9 | 13.3 ± 2.5 | 13.7 ± 2.1 | |
| ResU-Net | Val set | 7.86 | 8.93 | 5.83 | 72.4 ± 3.2 | 73.2 ± 2.5 | 79.3 ± 4.7 | 18.7 ± 3.2 | 15.4 ± 3.1 |
| Test set | 6.82 | 7.42 | 4.92 | 77.4 ± 2.4 | 77.2 ± 3.3 | 81.3 ± 7.6 | 18.7 ± 3.2 | 15.4 ± 3.1 | |
| GLNet | Val set | 7.32 | 8.71 | 3.72 | 72.1 ± 5.8 | 71.5 ± 2.6 | 78.1 ± 2.9 | 14.3 ± 3.8 | 12.8 ± 1.6 |
| Test set | 6.53 | 7.12 | 3.91 | 78.1 ± 3.8 | 77.5 ± 2.3 | 80.1 ± 5.9 | 17.3 ± 2.8 | 14.8 ± 3.2 | |
| HRNet | Val set | 10.19 | 10.23 | 7.26 | 74.6 ± 4.3 | 79.1 ± 4.3 | 85.3 ± 6.2 | 17.1 ± 3.4 | 13.7 ± 2.7 |
| Test set | 9.49 | 7.58 | 9.78 | 73.8 ± 2.5 | 76.4 ± 5.3 | 83.7 ± 9.5 | 16.3 ± 2.7 | 13.2 ± 2.1 | |
| GL-HRNet | Val set | 6.15 | 7.94 | 4.84 | 78.1 ± 3.4 | 77.4 ± 2.7 | 84.7 ± 7.9 | 12.5 ± 1.7 | 13.4 ± 3.2 |
| Test set | 5.89↓ | 6.97↓ | 3.68↓ | 80.1 ± 2.7 | 79.4 ± 4.3 | 88.7 ± 8.9 | 19.3 ± 1.7 | 16.2 ± 3.2 |
| MAE | GPU Memory/M | |
|---|---|---|
| GLNet | 0.0730 | 1980 |
| GL-HRNet | 0.0612 | 2432 |
| MAE | GPU Memory/M | |
|---|---|---|
| GLNet | 0.0572 | 1900 |
| GL-HRNet | 0.0429 | 1854 |
Publisher’s Note: MDPI stays neutral with regard to jurisdictional claims in published maps and institutional affiliations. |
© 2022 by the authors. Licensee MDPI, Basel, Switzerland. This article is an open access article distributed under the terms and conditions of the Creative Commons Attribution (CC BY) license (https://creativecommons.org/licenses/by/4.0/).
Share and Cite
Jia, Y.; Liu, L.; Peng, S.; Feng, M.; Wan, G. An Efficient High-Resolution Global–Local Network to Detect Lunar Features for Space Energy Discovery. Remote Sens. 2022, 14, 1391. https://doi.org/10.3390/rs14061391
Jia Y, Liu L, Peng S, Feng M, Wan G. An Efficient High-Resolution Global–Local Network to Detect Lunar Features for Space Energy Discovery. Remote Sensing. 2022; 14(6):1391. https://doi.org/10.3390/rs14061391
Chicago/Turabian StyleJia, Yutong, Lei Liu, Siqing Peng, Mingyang Feng, and Gang Wan. 2022. "An Efficient High-Resolution Global–Local Network to Detect Lunar Features for Space Energy Discovery" Remote Sensing 14, no. 6: 1391. https://doi.org/10.3390/rs14061391
APA StyleJia, Y., Liu, L., Peng, S., Feng, M., & Wan, G. (2022). An Efficient High-Resolution Global–Local Network to Detect Lunar Features for Space Energy Discovery. Remote Sensing, 14(6), 1391. https://doi.org/10.3390/rs14061391

