Deep Reinforcement Learning-Based Adaptive Transient Voltage Control of Power Systems by Distributed Collaborative Modulation of Voltage-Source Converters with Operational Constraints of Current Saturation
Abstract
1. Introduction
- (1)
- To address the issue current saturation associated with VSC, a neural network-based nonlinear controller (TVCON) is proposed to supplement the VSC that actively contributes to the transient voltage control. Additionally, a method for centralized optimization (training) of parameters (weight coefficients) of distributed TVCONs is developed, leveraging time-domain simulations and DRL. This approach achieves distributed collaborative transient voltage control, considering the current saturation and practical operating conditions of the VSCs, thereby preventing significant active power imbalance disturbances in the system due to the involvement of VSCs in the transient voltage control.
- (2)
- To address the time-varying operational conditions of both the system and the VSCs, the proposed control method incorporates an adaptive countermeasure, which involves periodic online training and updating of the TVCONs’ parameters. The countermeasure depends on a combination of techniques, including external system equivalence, limiting integration time, and incremental learning, to improve the efficiency of online training. This ensures that the controllers can promptly track the latest system and VSC operating conditions and achieve optimal control performance.
2. DRL-Based Adaptive Transient Voltage Control Method for Power Systems Considering the Current Saturation of the VSC
2.1. VSC with a Supplementary Transient Voltage Controller and Its Control Block Diagram
2.2. General Description of Proposed Adaptive Transient Voltage Control Method
- (1)
- Online Training: First, the latest model and operating condition (operating point) information of the current actual system is collected from information systems such as the Energy Management System (EMS). Based on this information, the dynamic response curves of the current actual system under the anticipated fault set can be obtained through time-domain simulations. Therefore, using the dynamic response curves derived from the time-domain simulations, the connection weight vector of the nonlinear controller (which has the same structure as the actual nonlinear controller AcN) in the simulation model undergoes DRL training until convergence is achieved. The specific DRL objectives and processes will be introduced in Section 3.
- (2)
- Result Deployment: The connection weight vector , which has converged in the previous step, is then used to replace the connection weight vector of the actual AcN that performs the transient voltage control.
3. Online Training Method for Controller Parameters Based on DRL
3.1. Evaluation Network and Evaluation Function
3.2. Actor Network
3.3. Online DRL Process
- (1)
- Based on the latest system model (including the ), parameters, and information regarding operating point, perform time-domain simulations to obtain the system’s dynamic response curves under various fault disturbances;
- (2)
- Traverse the dynamic response curves to form the training sample set for the EvN, denoted ;
- (3)
- To minimize the following loss function, supervise the training of the EvN:
- (4)
- After completing iterations of the EvN training, fix its weight coefficients. Then, using the time-domain simulation data, the action network is trained via backpropagation through the evaluation network to minimize that is, the loss function used for training , and its weight coefficients are updated as follows:where represents the increment of the weight coefficients for the action network in this round of training.
- (5)
- Compare the loss functions of the evaluation network and the action network from the previous and current training rounds to determine whether convergence has been achieved. If convergence is reached, copy the weight coefficients of the action network and deploy them to the nonlinear controller AcN, thereby completing the parameter update for AcN in this cycle; otherwise, return to Step (1) with the updated weight coefficients for the .
4. Simulation Verification and Analysis
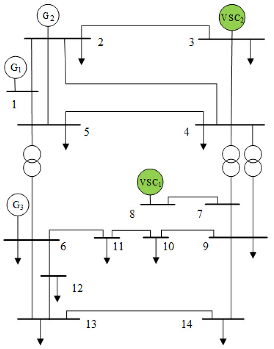
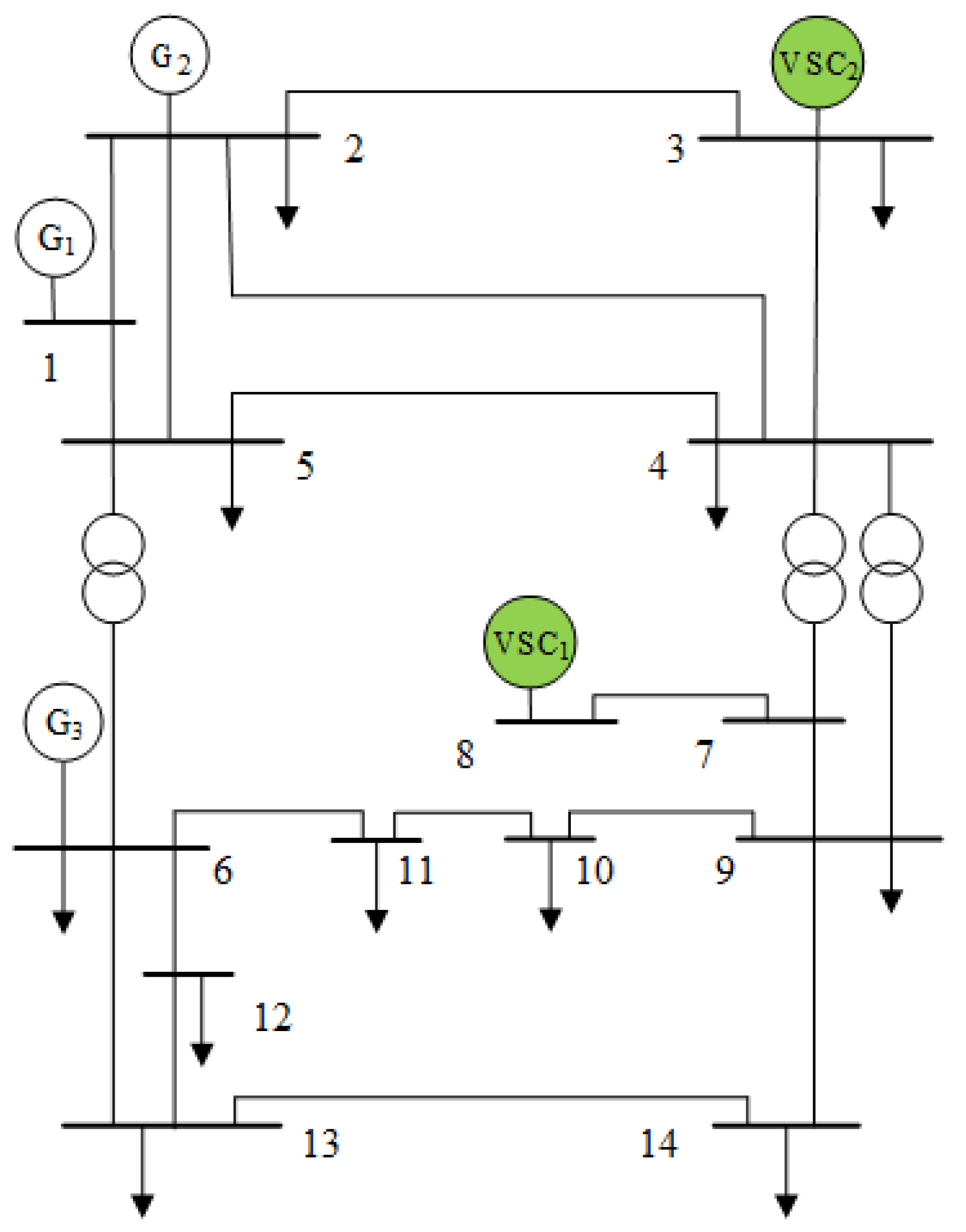
4.1. Test System Setup
4.2. Simulation Analysis
4.2.1. Online DRL Training Results
4.2.2. Analysis of Transient Voltage Control Effect
5. Conclusions
- (1)
- By utilizing a locally scaled equivalent grid (with a simulation duration of approximately 2–3 s) and integrating incremental DRL (with supervised learning for the evaluation network), the time-domain simulation-based training of the transient voltage controller parameters can exhibit quite acceptable convergence and timeliness for the online application.
- (2)
- The distributed TVCONs, whose parameters are optimized (trained) in a centralized manner, can work cooperatively to manage the transient voltage of the system. The voltage dip at the targeted bus can be reduced by approximately 25% compared to that produced by the conventional PI controllers. Furthermore, TVCONs can restore the voltage to 0.95 as soon as the fault disappears, while the PI controllers take around 2 s to achieve this voltage level.
- (3)
- DRL-based periodic updating of the transient voltage controller parameters can effectively account for the capacity limit of each VSC and reasonably allocate their control efforts judiciously during the transient voltage control process, in accordance with the system’s real-time steady-state operating point. This method ensures that the system’s transient voltage recovers as rapidly as possible following a disturbance, optimally utilizes the limited control capacity of each VSC, and minimizes the impact on the VSC’s active power dynamics. Consequently, it helps to prevent secondary issues such as transient power angle or frequency instability.
Author Contributions
Funding
Institutional Review Board Statement
Informed Consent Statement
Data Availability Statement
Conflicts of Interest
References
- Zhu, S.; Liu, K.; Qin, L.; Li, G.; Hu, X.; Liu, D. Analysis of Transient Stability of Power Electronics Dominated Power System: An Overview. Proc. CSEE 2017, 37, 3948–3962+4273. [Google Scholar] [CrossRef]
- Peng, Q.; Jiang, Q.; Yang, Y.; Liu, T.; Wang, H.; Blaabjerg, F. On the Stability of Power Electronics-Dominated Systems: Challenges and Potential Solutions. IEEE Trans. Ind. Appl. 2019, 55, 7657–7670. [Google Scholar] [CrossRef]
- Khan, A.; Hosseinzadehtaher, M.; Shadmand, M.B.; Bayhan, S.; Abu-Rub, H. On the Stability of the Power Electronics-Dominated Grid: A New Energy Paradigm. IEEE Ind. Electron. Mag. 2020, 14, 65–78. [Google Scholar] [CrossRef]
- Holttinen, H.; Kiviluoma, J.; Flynn, D.; Smith, J.; Orths, A.; Eriksen, P.; Cutululis, N.; Söder, L.; Korpås, M.; Estanqueiro, A.; et al. System Impact Studies for Near 100% Renewable Energy Systems Dominated by Inverter Based Variable Generation. IEEE Trans. Power Syst. 2022, 37, 3249–3258. [Google Scholar] [CrossRef]
- Mao, A.; Ma, J.; Kuai, S.; Zhou, Q.; Zhao, S.; Chen, C.; Yang, X. The Evolution Mechanism of System Transient Stability and Voltage Stability After High Proportion of Renewable Energy Replaces Conventional Power Sources. Proc. CSEE 2020, 40, 2745–2756. [Google Scholar] [CrossRef]
- Ortiz-Villalba, D.; Rahmann, C.; Alvarez, R.; Canizares, C.A.; Strunck, C. Practical Framework for Frequency Stability Studies in Power Systems With Renewable Energy Sources. IEEE Access 2020, 8, 202286–202297. [Google Scholar] [CrossRef]
- Chen, J.; Zuo, H.; Yu, Q.; Qi, L.; Zhu, M. Influence of Dynamic Characteristics of Induction Motor on Voltage Sag Caused by Short Circuit Fault. J. Electr. Eng. Technol. 2020, 15, 1511–1519. [Google Scholar] [CrossRef]
- Li, Q.; Lin, T.; Du, H.; Fu, X.; Li, J.; Xu, X.; Li, D.; Rao, Y. Emergency Control Strategy for Transient Voltage Stability in DC-Terminal Power Systems. Power Autom. Equip. 2024, 44, 195–202. [Google Scholar] [CrossRef]
- Liu, Y.; Yao, L.; Liao, S.; Yu, H.; Liu, H.; Wang, K.; Li, X. Distributed Photovoltaic and Energy Storage Participation in Transient Voltage Control of DC-Terminal Near Distribution Networks. Grid Technol. 2023, 47, 1250–1261. [Google Scholar] [CrossRef]
- Ávila Martínez, R.E.; Renedo, J.; Rouco, L.; Garcia-Cerrada, A.; Sigrist, L.; Qoria, T.; Guillaud, X. Fast Voltage Boosters to Improve Transient Stability of Power Systems With 100% of Grid-Forming VSC-Based Generation. IEEE Trans. Energy Convers. 2022, 37, 2777–2789. [Google Scholar] [CrossRef]
- Xu, H.; Zhang, X.; Liu, F.; Shi, R.; Yu, C.; Cao, R. A Reactive Power Sharing Strategy of VSG Based on Virtual Capacitor Algorithm. IEEE Trans. Ind. Electron. 2017, 64, 7520–7531. [Google Scholar] [CrossRef]
- Wu, T.; Jiang, Q.; Liu, F.; Huang, M.; Xie, X. Synchronization Stability of Grid-Tied VSC With Control Limiters: Models, Solutions, and Boundaries. IEEE Trans. Energy Convers. 2024, 1–11. [Google Scholar] [CrossRef]
- Zhuang, K.; Xin, H.; Hu, P.; Wang, Z. Current Saturation Analysis and Anti-Windup Control Design of Grid-Forming Voltage Source Converter. IEEE Trans. Energy Convers. 2022, 37, 2790–2802. [Google Scholar] [CrossRef]
- Mirza, C.; Abbas, M.; Idris, S.; Khan, Y.; Alameer, A.; Rajab, A.; Ismailov, S.; Faqihi, A.; Abbas, A.; Ben Khedher, N. Intelligent computing technique to analyze the two-phase flow of dusty trihybrid nanofluid with Cattaneo-Christov heat flux model using Levenberg-Marquardt Neural-Networks. Case Stud. Therm. Eng. 2025, 68, 105891. [Google Scholar] [CrossRef]
- Moayedi, H.; Mukhtar, A.; Ben Khedher, N.; Elbadawi, I.; Ben Amara, M.; TT, Q.; Khalilpoor, N. Forecasting of energy-related carbon dioxide emission using ANN combined with hybrid metaheuristic optimization algorithms. Eng. Appl. Comput. Fluid Mech. 2024, 18, 232250. [Google Scholar] [CrossRef]
- Khan, M.; Ghodhbani, R.; Taha, T.; Al-Yarimi, F.; Zeeshan, A.; Ijaz, N.; Ben Khedher, N. Advanced intelligent computing ANN for momentum, thermal, and concentration boundary layers in plasma electro hydrodynamics Burgers fluid. Int. Commun. Heat Mass Transf. 2024, 159, 108195. [Google Scholar] [CrossRef]
- Pandey, U.; Pathak, A.; Kumar, A.; Mondal, S. Applications of artificial intelligence in power system operation, control and planning: A review. Clean Energy 2023, 7, 1199–1218. [Google Scholar] [CrossRef]
- Alhamrouni, I.; Abdul Kahar, N.H.; Salem, M.; Swadi, M.; Zahroui, Y.; Kadhim, D.J.; Mohamed, F.A.; Alhuyi Nazari, M. A Comprehensive Review on the Role of Artificial Intelligence in Power System Stability, Control, and Protection: Insights and Future Directions. Appl. Sci. 2024, 14, 6214. [Google Scholar] [CrossRef]
- Sarajcev, P.; Kunac, A.; Petrovic, G.; Despalatovic, M. Artificial Intelligence Techniques for Power System Transient Stability Assessment. Energies 2022, 15, 507. [Google Scholar] [CrossRef]
- Gao, H.; Jiang, S.; Li, Z.; Wang, R.; Liu, Y.; Liu, J. A Two-Stage Multi-Agent Deep Reinforcement Learning Method for Urban Distribution Network Reconfiguration Considering Switch Contribution. IEEE Trans. Power Syst. 2024, 39, 7064–7076. [Google Scholar] [CrossRef]
- Zeng, H.; Zhou, Y.; Guo, Q.; Cai, Z.; Sun, H. Distributed Deep Reinforcement Learning-based Approach for Fast Preventive Control Considering Transient Stability Constraints. CSEE J. Power Energy Syst. 2023, 9, 197–208. [Google Scholar] [CrossRef]
- Hu, Z.; Shi, Z.; Zeng, L.; Yao, W.; Tang, Y.; Wen, J. Knowledge-enhanced deep reinforcement learning for intelligent event-based load shedding. Int. J. Electr. Power Energy Syst. 2023, 148, 108978. [Google Scholar] [CrossRef]
- Wang, T.; Tang, Y. Data-model driven rescheduling considering both rotor angle stability and transient voltage stability constraints. IET Renew. Power Gener. 2022, 16, 1509–1521. [Google Scholar] [CrossRef]
- Hu, Z.; Su, R.; Veerapandiyan, V.; Huang, L.; Ma, R. Resilient Frequency Regulation for Microgrids Under Phasor Measurement Unit Faults and Communication Intermittency. IEEE Trans. Ind. Inform. 2025, 21, 1941–1949. [Google Scholar] [CrossRef]
- Zhang, B.; Li, D.; Wang, Y.; Yan, X. Self-adaptable reactive power-voltage controller for virtual synchronous generators. J. Eng. 2019, 2019, 2969–2973. [Google Scholar] [CrossRef]
- Sun, J.; Cai, W.; Guo, Q. Improvement of transient stability performance of VSG considering power angle stability and fault current limiting. Electr. Mach. Control 2024, 28, 35–48. [Google Scholar] [CrossRef]
- Li, L.; He, G.; Jia, X.; Fan, H.; Hu, W.; Zhao, Z. VSG Optimal Control Method Based on Improved Power Control Loop. Control Eng. China 2023, 30, 385–392. [Google Scholar] [CrossRef]
- Hu, W.; Wu, Z.; Sun, C.; Song, Y.; Yuan, K. Modeling and parameter setting method for grid-connected inverter of energy storage system based on VSG. Electr. Power Autom. Equip. 2018, 38, 13–23. [Google Scholar] [CrossRef]
- Iyambo, P.; Tzoneva, R. Transient stability analysis of the IEEE 14-bus electric power system. In Proceedings of the AFRICON 2007, Windhoek, South Africa, 26–28 September 2007; pp. 1–9. [Google Scholar] [CrossRef]









| Parameter | Value | Parameter | Value |
|---|---|---|---|
| Bus | 3, 8 | 25 | |
| 0.6 | 1.2 + 0.5/s | ||
| 0.5 | 2.5 + 8.5/s |
Disclaimer/Publisher’s Note: The statements, opinions and data contained in all publications are solely those of the individual author(s) and contributor(s) and not of MDPI and/or the editor(s). MDPI and/or the editor(s) disclaim responsibility for any injury to people or property resulting from any ideas, methods, instructions or products referred to in the content. |
© 2025 by the authors. Licensee MDPI, Basel, Switzerland. This article is an open access article distributed under the terms and conditions of the Creative Commons Attribution (CC BY) license (https://creativecommons.org/licenses/by/4.0/).
Share and Cite
Xu, G.; Ke, D.; Li, Y.; Gao, J.; Yang, H.; Liao, S. Deep Reinforcement Learning-Based Adaptive Transient Voltage Control of Power Systems by Distributed Collaborative Modulation of Voltage-Source Converters with Operational Constraints of Current Saturation. Sustainability 2025, 17, 3846. https://doi.org/10.3390/su17093846
Xu G, Ke D, Li Y, Gao J, Yang H, Liao S. Deep Reinforcement Learning-Based Adaptive Transient Voltage Control of Power Systems by Distributed Collaborative Modulation of Voltage-Source Converters with Operational Constraints of Current Saturation. Sustainability. 2025; 17(9):3846. https://doi.org/10.3390/su17093846
Chicago/Turabian StyleXu, Guanghu, Deping Ke, Yaning Li, Jiemai Gao, Huanhuan Yang, and Siyang Liao. 2025. "Deep Reinforcement Learning-Based Adaptive Transient Voltage Control of Power Systems by Distributed Collaborative Modulation of Voltage-Source Converters with Operational Constraints of Current Saturation" Sustainability 17, no. 9: 3846. https://doi.org/10.3390/su17093846
APA StyleXu, G., Ke, D., Li, Y., Gao, J., Yang, H., & Liao, S. (2025). Deep Reinforcement Learning-Based Adaptive Transient Voltage Control of Power Systems by Distributed Collaborative Modulation of Voltage-Source Converters with Operational Constraints of Current Saturation. Sustainability, 17(9), 3846. https://doi.org/10.3390/su17093846

