Abstract
The increasing penetration of renewable energy, such as photovoltaic generation, makes it essential to enhance power system dynamic performance through improved grid-forming control strategies. In the grid-forming control system, the virtual synchronous generator control (VSG) is currently widely used. However, the inertia (J) and damping (D) in the traditional VSG are fixed values, which can result in large overshoots and long adjustment times when dealing with disturbances such as load switching. To address these issues, this paper proposes an adaptive virtual synchronous generator (VSG) control strategy for grid-side inverters, which is accomplished by adaptively adjusting the VSG’s inertia and damping. Firstly, we established a photovoltaic-storage VSG grid-forming system; here, the photovoltaic power is boosted through a DC-DC converter, and the energy storage is connected to the common DC bus through a bidirectional DC-DC converter. We analyzed how J and D shape the system’s output characteristics. Based on the power-angle characteristic curve, the tanh function was introduced to design the control function, and a JD collaborative adaptive control (ACL) strategy was proposed. Finally, simulation experiments were conducted under common working conditions, such as load switching and grid-side voltage disturbance, to verify the results. From the results shown, the proposed strategy can effectively improve the response speed of the system, suppress system overshoot and oscillation, and, to a certain extent, improve the dynamic performance of the system.
1. Introduction
With the deep implementation of the “dual carbon” strategic goals, renewable energy sources such as photovoltaic power are replacing traditional fossil energy at an unprecedented speed [1]. Currently, it is common to combine photovoltaic units and energy storage to form a photovoltaic-storage system. In this system, when the photovoltaic unit cannot meet the load demand, the energy storage device can be charged and discharged to maintain the stability of the power supply, improving the flexibility of the system [2,3]. This is because the renewable energy generation units generally cannot provide the crucial inertia support and damping effect like traditional synchronous generators (SGs) to the power grid [4]. To address this issue, domestic and foreign scholars have proposed the concept of grid-forming [3,5,6]. Among them, the VSG is widely used. This control enables renewable energy to provide J and D to the power grid like traditional synchronous motors, thereby aligning the relationship between distributed power sources and the power grid and improving the stability of the future power grid [7,8]. However, the traditional VSG has constant J and D values based on the reference SG, making it difficult to adapt to the dynamic requirements of the power system. To enhance the adaptability of the VSG, some scholars have proposed applying ACL to the VSG strategy [9].
Reference [10] only performed dynamic control on the J, and the dynamic function only considered the frequency changes, which have certain limitations. Reference [11] simultaneously considered the J and the D control, but the damping control in this reference relied on the numerical value of J, the adaptive relationship only considered the relationship with the frequency offset, and no clear selection principle was given; Reference [12] proposes an ACL that simultaneously adjusts J and D, but it is designed only for grid-forming energy storage and does not examine its applicability to photovoltaic-storage system or the smoothing effect of storage on PV fluctuations. These studies reveal three limitations: (1) Some focus on a single control target—both J and D must be handled together. (2) Others overlook key dynamic inputs; the control law should explicitly account for both the magnitude (frequency deviation) and the rate of change in angular velocity when tuning J and D. (3) Several papers validate their strategies on generic grids rather than on the photovoltaic-storage system, so their conclusions lack relevance to real photovoltaic installations.
Reference [13] proposed an ACL strategy for J and D, but its control function used the simplest linear function, and the upper and lower limits of J and D were not determined. In the simulation process, it was prone to oscillation due to the limit of J or D; Reference [14] designed a three-parameter collaborative adaptive change function including J, damping and active power droop coefficient, and this reference introduced an integral term to facilitate the adjustment, but the function was somewhat complex and the verification speed in MATLAB 2023b was slow; Reference [15] introduced a buffer function to enable the J to be adjusted in both positive and negative directions, and the adjustment was smooth and stable. A transient damping switching mode was introduced to deal with system frequency sudden changes. This strategy could correct the steady-state error to a certain extent, but no specific selection principle for the corresponding parameters was given. From the above literature, it can be seen that in the design of adaptive functions for JD, the following apply: some documents do not consider the issue of JD exceeding limits; some documents have too many factors to consider, resulting in cumbersome calculations that are difficult to yield results; and some documents lack sources for parameter specifications, making the strategies not widely applicable.
In response to the problems existing in the aforementioned literature, we propose a virtual J and D system collaborative control strategy applied to the grid-forming control of the photovoltaic-storage VSG. The upper and lower limits of J and D are used as the basic constraints. Based on the power angle characteristic curve under small disturbances, the J and D are dynamically adjusted according to the change value and rate of angular velocity. The hyperbolic tangent function is introduced to make the changes in J and damping smooth and continuous. Compared with the aforementioned literature, the function proposed in this paper can achieve continuous and smooth switching of numerical values without exceeding the limit, avoiding system oscillation, and the calculation process is not complex. Finally, the feasibility of the collaborative ACL strategy of rotational J and damping coefficients and its superiority over the fixed J and D system of VSG are verified through simulation on the MATLAB 2023b/Simulink platform.
2. System Description and VSG Principle
This section begins by introducing the fundamental principles of the virtual synchronous generator (VSG), providing a detailed account of its main functional blocks: the active-power/frequency loop, the reactive-power/voltage loop, the virtual-impedance loop, and the dual voltage–current closed-loop control. Subsequently, the dc-grid connection of the PV array and the battery storage is briefly described, along with their respective roles within the overall control scheme.
2.1. The Basic Principle of VSG
Figure 1 shows a comparison diagram of the grid connection circuits of the SG with internal impedance and those of new energy sources after filtering by inverters. It can be seen that the two have certain similarities. The topology of the grid-forming based on photovoltaic storage through the VSG is based on this similarity. The basic principle of grid forming is to simulate the traditional SG grid connection by connecting the new energy sources through inverters controlled by the VSG.
Figure 1.
A comparison diagram of the grid connection circuit between an SG connected to the grid through internal impedance and a new energy source connected to the grid after filtering through an inverter.
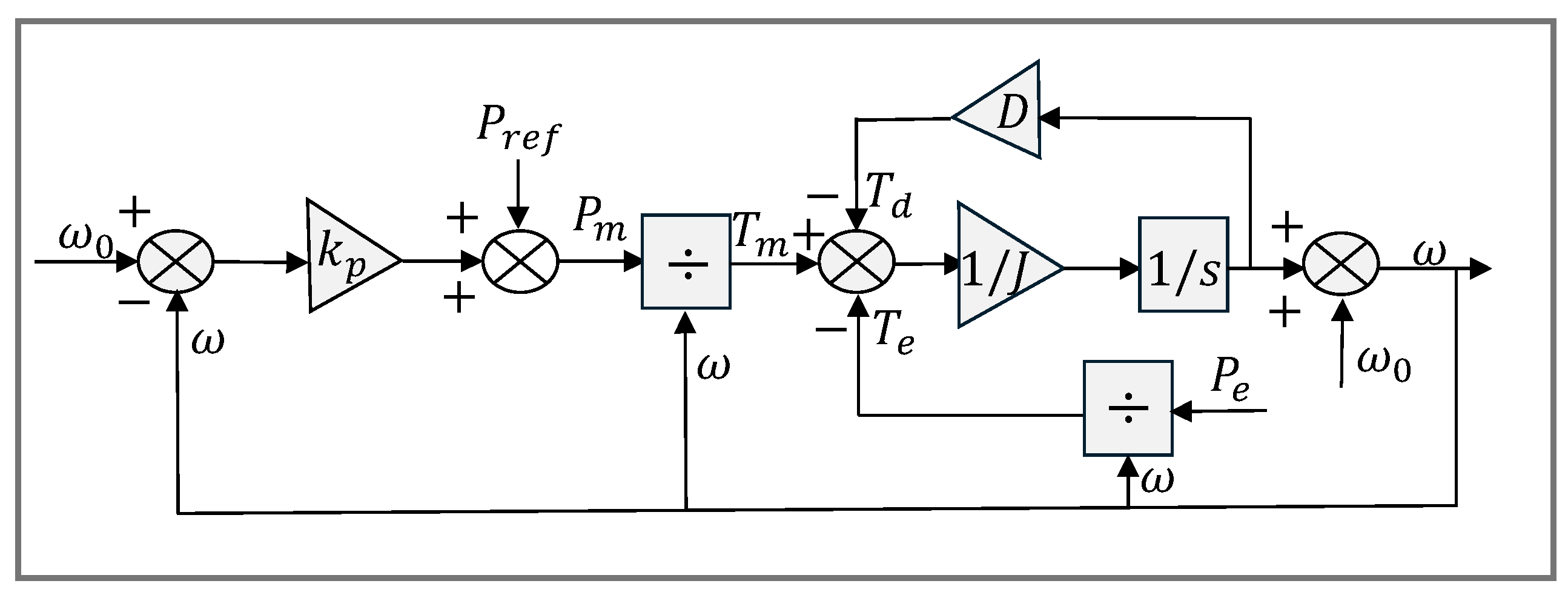
The rotor mechanical equation of the VSG is delineated in Equation (1):
where represents the moment of inertia; denotes the mechanical angular velocity and is the grid-synchronous angular velocity of the SG, which is generally 50 Hz; is the damping coefficient of the SG; and represent the mechanical torque and electromagnetic torque, respectively, of the SG; is the damping torque from mechanical friction, stator losses, excitation, and damping windings; is the power angle of the VSG system; is the impedance angle [9].
Figure 2 shows the topological structure of the new energy grid-forming through VSG. It mainly consists of the inverter main circuit, the driving part, and the control part. Among them, the control part is the core of VSG grid-forming, and it mainly includes the power calculation module, the voltage and current dual closed-loop control unit, the signal detection part, and the modulation waveform generation module.
Figure 2.
VSG Network Topology Diagram.
2.1.1. Active Power-Frequency Control Loop
To simulate the frequency regulation characteristics of the SG, a governor is applied to the VSG. The governor characterizes the droop characteristics between active power and frequency, as shown in Equation (2):
where represents the reference active power; is the active power–frequency droop coefficient.
To emulate the characteristics of a synchronous generator, the second-order model of the latter is adopted here, and its stator voltage equation is given as Equation (3):
where represents the stator terminal voltage; represents the no-load electromotive force; and is the internal impedance of the SG.
In order to enable the VSG to have the frequency modulation function, Equations (1) and (2) are combined and subjected to the Laplace transformation, as follows in Equation (4):
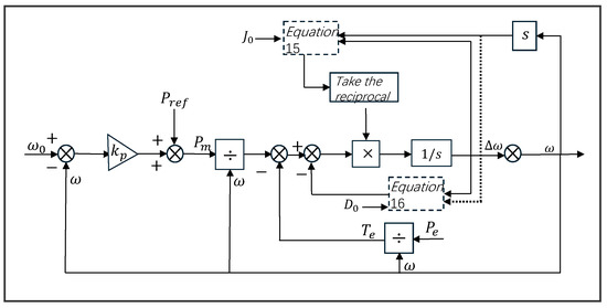
From this, the control block diagram of the active-frequency link is shown in Figure 3 as follows; this figure provides a detailed description of the “active power control” section shown in Figure 2.
Figure 3.
The control block diagram of the power–frequency link.
2.1.2. Reactive Power-Voltage Control Loop
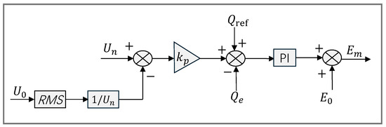
To simulate the reactive power–voltage regulation of the synchronous generator, the virtual excitation voltage needs to be adjusted in the VSG. Since the subsequent double closed-loop control uses normalized quantities for calculation, the control of should be based on normalized values.
Analysis of Q-U Characteristics is as follows:
Among them, and represent the actual reactive power output value and the terminal voltage value of the VSG, respectively, while and represent the reactive power and voltage command values of the VSG, and is the reactive power droop coefficient.
The aforementioned reactive power loop operates in an open-loop mode, with extremely fast response speed and significant voltage fluctuations experienced by the system. To slow down the response speed of reactive power–voltage control and enable smooth changes in voltage amplitude, PI control can be added to the controller. The improved control structure is shown in the figure. The added limiter in the figure fundamentally eliminates excessive voltage fluctuations. Here, and are the proportional and integral coefficients.
The normalized expression of the improved voltage regulation characteristic is as follows:
is the per-unit value of the VSG’s output reactive power, and is the per-unit value of the VSG’s reactive-voltage reference.
Its overall structure is as shown in Figure 4 below; this figure provides a detailed description of the “reactive power control” section shown in Figure 2.
Figure 4.
Control block diagram of reactive power and voltage link.
2.1.3. Virtual Impedance Control
Through the above active-power–frequency and reactive-power–voltage control, the output voltage of the inverter is obtained. As can be seen from the circuit comparison diagram of the synchronous generator grid connection and the grid connection of new energy through the inverter in Figure 1, the equivalent line impedance of the filter impedance will affect the actual voltage and current at the PCC (Point of Common Coupling) end. Therefore, virtual impedance control is required to obtain the voltage at the grid end.
It is known from Kirchhoff’s voltage law:
where represents the filtering resistance, represents the filtering inductance, represents the grid-side voltage, and represents the output voltage of the inverter.
From the above equation, we can obtain the following:
At the steady state, and are constants, and and are equal to zero. Thus, the voltages on the d and q axes of the grid side can be obtained as follows:
2.1.4. Voltage–Current Dual Closed-Loop Control
To enhance system stability, accelerate system response, and achieve power decoupling, a voltage and current dual closed-loop control in the d-q coordinate system is added after the virtual impedance control section. Through this section, the modulation wave required for the subsequent PWM control is generated. According to Equation (9), the d/q axis components of the grid-side voltage are coupled with each other, which causes certain difficulties for the design of the controller. Therefore, a feed-forward decoupling is adopted: both the inner current loop and the outer voltage loop are regulated by PI controllers to deliver stable voltage and current outputs.
2.2. Photovoltaic-Storage Direct-Current Grid Connection
Traditional photovoltaic and energy storage systems adopt the form of AC grid connection; that is, both the photovoltaic power station and the energy storage station are connected to the bus through DC/AC converters and then to the power grid. Considering the influencing factors of the photovoltaic power station and its unpredictable volatility, for small-power photovoltaic power stations, the mode of DC grid connection for photovoltaic and energy storage can be considered. In this mode, both the photovoltaic and energy storage are connected through bidirectional DC/DC converters to the same DC/AC converter and then connected to the power grid [16].
The energy storage unit is mainly used to smooth out fluctuations. When the light intensity of the photovoltaic array changes or when there is a small-scale switching of the load in the system, it absorbs and releases energy. At the same time, the energy storage battery plays a role in maintaining voltage stability. It can quickly perform charging and discharging to maintain the DC bus voltage at the set value, ensuring the dynamic balance of power.
This article assumes that the photovoltaic array operates in the maximum power point tracking (MPPT) mode. The output model of the photovoltaic array is as shown in Equation (10):
where represents the number of photovoltaic modules included in the photovoltaic array; is the peak power of a single photovoltaic module under standard test conditions, measured in kW; is the light irradiance received by the photovoltaic module, measured in kW/m2; is the light irradiance under standard test conditions; is the power-temperature coefficient; is the temperature of the photovoltaic module; and is the temperature of the photovoltaic module under standard test conditions [17].
3. Adaptive Principle of Inertia and Damping
This section focuses on the principle of the proposed adaptive inertia- and damp-ing-adjustment method for VSG control of grid-side converters. First, drawing on the small-signal modeling approach traditionally used for synchronous generators [18], the input-to-output transfer function of active power in the VSG scheme is derived, yielding the natural oscillation frequency, damping ratio, and related coefficients. Next, the influence of the inertia J and virtual damping D on the VSG response is examined through these parameters. Finally, by analyzing the power-angle curve, the variation laws of J and D are identified; a tanh function and a sign function are introduced and bounded to construct the adaptive law. The adaptive strategy developed herein is implemented in the PV-storage VSG grid-forming system presented in Section 2, and its detailed simulation assessment is provided in Section 4.
3.1. The Small-Signal Model of the Active Frequency Link of the VSG
To quantify the electrical energy transmitted from photovoltaic and energy storage systems to the power grid, based on , the active power and reactive power output can be calculated as shown in Equation (11): [19]
where , and and each represent the impedance and impedance angle of the filtering circuit in the VSG system, respectively. In this case, an LC filtering circuit is used; is the line voltage at the output port of the inverter, and is the power angle of the VSG system.
The above calculations were obtained by analyzing the circuit comparison diagram shown in Figure 1, which depicts the grid connection of a synchronous generator with internal impedance and the grid connection of new energy after being filtered by an inverter.
Simplify P in Equation (12) as follows:
Since X is much larger than R, we consider that . Additionally, when is very small, .
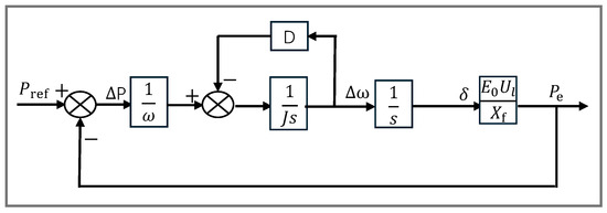
By performing the Laplace transformation based on Equations (1) and (12), the transfer function of the active power input and output of the active frequency link can be obtained as follows in Equation (13):
The natural oscillation angular frequency and damping ratio of Equation (13) are
Assume the system to be underdamped; that is, take , the damping ratio to be 0.707, and the error band to be 0.02. Then, the overshoot percentage , and the adjustment time .
Figure 5 below shows the schematic diagram of the small-signal model [13] of the VSG active power-frequency link.
Figure 5.
VSG active-frequency link small-signal model.
3.2. The Influence of J and D on the Output Characteristics of the VSG
3.2.1. The Influence of J and D on the Active Power Output Characteristics of the VSG
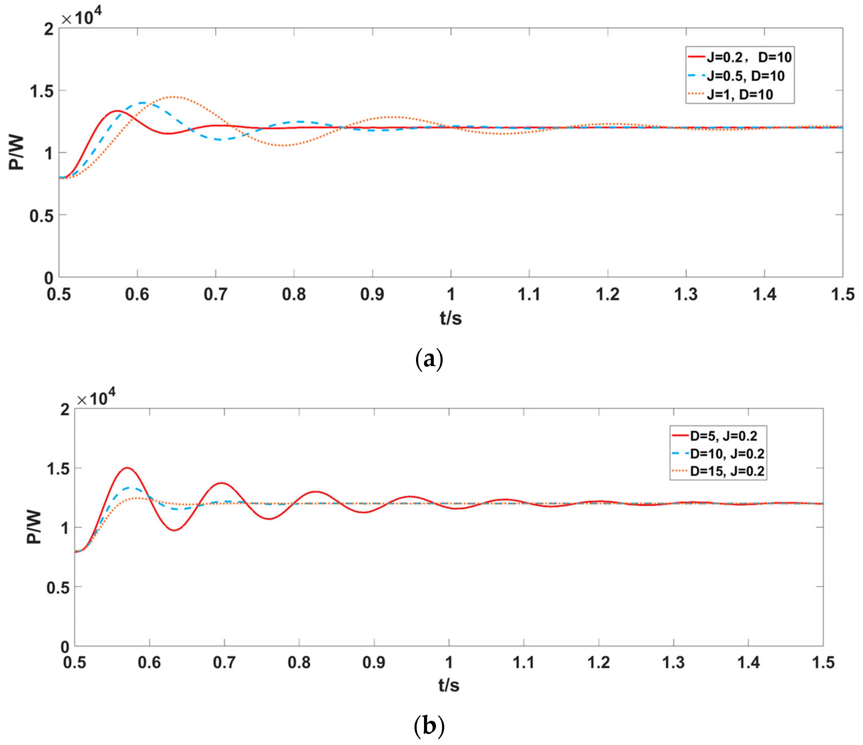
Equation (14) shows that, for a fixed D, raising J lowers the damping ratio, enlarges overshoot, and stretches both settling time and recovery after any power change; keeping J constant and increasing D, in contrast, raises the ratio, suppresses overshoot, and shortens settling time. Hence, J sets the oscillation frequency while D governs how fast the oscillation dies away. To keep the damping ratio high, J should stay small—an excessive value amplifies oscillation—whereas D should be as large as practicable, because a higher D yields stronger damping and better transient performance [20].
Figure 6 below shows the dynamic response of the system’s active output power under different D and J values while J and D are kept constant.
Figure 6.
(a) When D = 10 N·m·s/rad, the output active power is shown under different J values; (b) When J = 0.2 kg·m2, the output active power is shown under different D values.
3.2.2. The Influence of J and D on the Frequency Output Characteristics of the VSG
From Equation (1), we can obtain the following:
In the equation, can be regarded as . Therefore, from Equation (15), it can be known that J is inversely proportional to , and D is inversely proportional to . Thus, J and D are the stability factors for adjusting the frequency change. The J damping ACL strategy adopted in this paper also needs to consider meeting the condition of adjusting the frequency to maintain stability.
3.3. Adaptive Principle of Inertia Damping
The VSG uses the mathematical model of the traditional synchronous machine as its control core, thus possessing the dynamic characteristics and synchronization mechanism of the traditional synchronous motor. Considering the static stability under small disturbances, we size J and D directly from the synchronous generator’s power-angle locus and its frequency-oscillation trace, abandoning the conventional fixed-JD rule [21].
Figure 7 illustrates the power-angle and frequency-oscillation curves of the synchronous generator; when the load is engaged, the active power of the synchronous generator increases from P1 to P2. The oscillation period is divided into four intervals: a: t1–t2, b: t2–t3, c: t3–t4, and d: t4–t5. The following is an analysis of these four intervals. In interval a (t1–t2), the active power increases, the rotor accelerates, increases, and suddenly rises to a peak and then decreases. The main task in this interval is to reduce the angular velocity , so J needs to be increased. However, since J cannot be too large, an upper limit value should be set. In interval b (t2–t3), < 0, begins to decrease, but is still greater than . At this time, a larger D can effectively reduce , and a smaller J is used. For the convenience of simulation, J remains a fixed value in this interval. The values of J and D in intervals c and d are set in reference to intervals a and b.
Figure 7.
Synchronous generator’s power-angle and frequency-oscillation curves.
Based on the corresponding characteristics of the above four stages, the selection principles for the moment of J and D coefficient are as shown in Table 1.
Table 1.
Principles for selecting rotational inertia and damping coefficient in different situations.
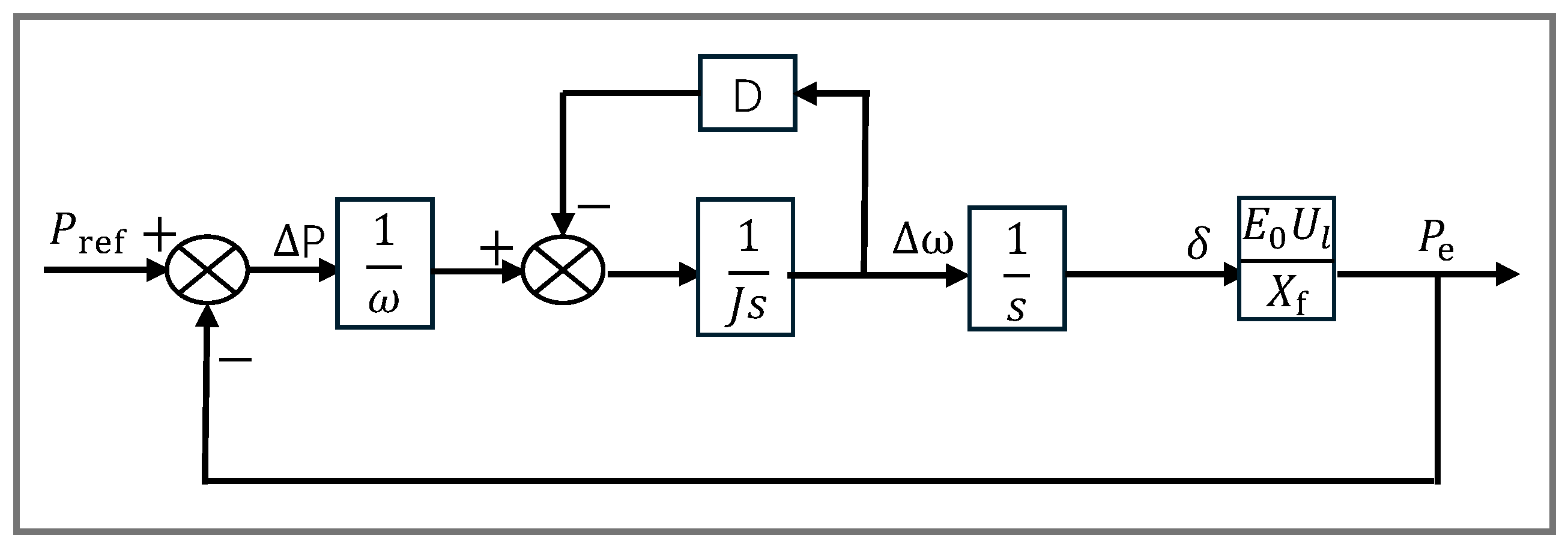
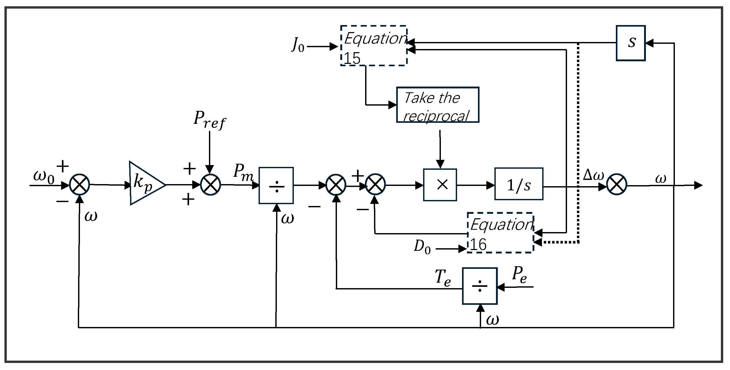
At present, the threshold selection of adaptive algorithms mostly refers to and in the dynamic process of the system [22]. This paper is based on the selection criteria outlined in Table 1 and the correlations between J and D versus and dω/dt, designs the following ACL strategy as shown in Equations (16) and (17):
In the equation, and represent the fixed values of J and D for the VSG system during steady-state operation. According to the setting method in reference [23], are taken. ; are the maximum values of the J and D coefficients of the VSG system. If the values are too large, the system will oscillate or the adjustment time will be too long. In this paper, are set. are the minimum values of the J and D coefficients of the VSG system. They are set as . are the change thresholds of and . Considering that the system may exhibit a certain frequency deviation in steady-state conditions, the tolerance is set to ±0.03 Hz. Based on this, and through further model simulation testing, the values of are selected [24]. The adaptive algorithm in this paper selects the hyperbolic tangent function tanh(x). This function is an odd function and symmetric about the origin, and its range is (−1, 1). The hyperbolic tangent function has the properties of smoothness and gradualness, as well as monotonicity. Based on this characteristic, this function is selected as the function for ACL of J and D. The Sign(x) function is used to determine the magnitude relationship between the value of and 0, which is convenient for increasing or decreasing the values of J and D according to Table 1.
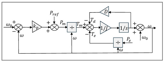
The block diagram of the VSG adaptive active power–frequency control section is shown in Figure 8. The values of J and D obtained using Equations (16) and (17) are substituted for the fixed and of the original VSG.
Figure 8.
VSG Adaptive Active Power–Frequency Control Section Block Diagram.
4. Simulation Analysis
To verify the effectiveness of the proposed J and D collaborative ACL strategy, a photovoltaic-storage VSG grid-forming simulation model was built on the MATLAB 2023b/Simulink platform. The simulation parameters are shown in Table 2. The control effects of the proposed strategy and the fixed inertia damping VSG under common disturbance conditions, such as load injection/withdrawal, grid-side voltage disturbance, and changes in active power scheduling instructions, were compared and analyzed.
Table 2.
Simulation parameters of the VSG system.
4.1. Verification of Load Disturbance ACL Strategy
Set the initial local load of the simulation system to 8 kW. A load disturbance was applied in the simulation, with a 4 kW load stepped in at t = 1 s and stepped out at t = 1.7 s. The photovoltaic array operates in the MPPT mode, and remains at 10 kW; that is, at this time, . At the initial state, the energy storage battery is in the charging state, which is used to absorb the excess 2 kW of electricity generated by the photovoltaic system.
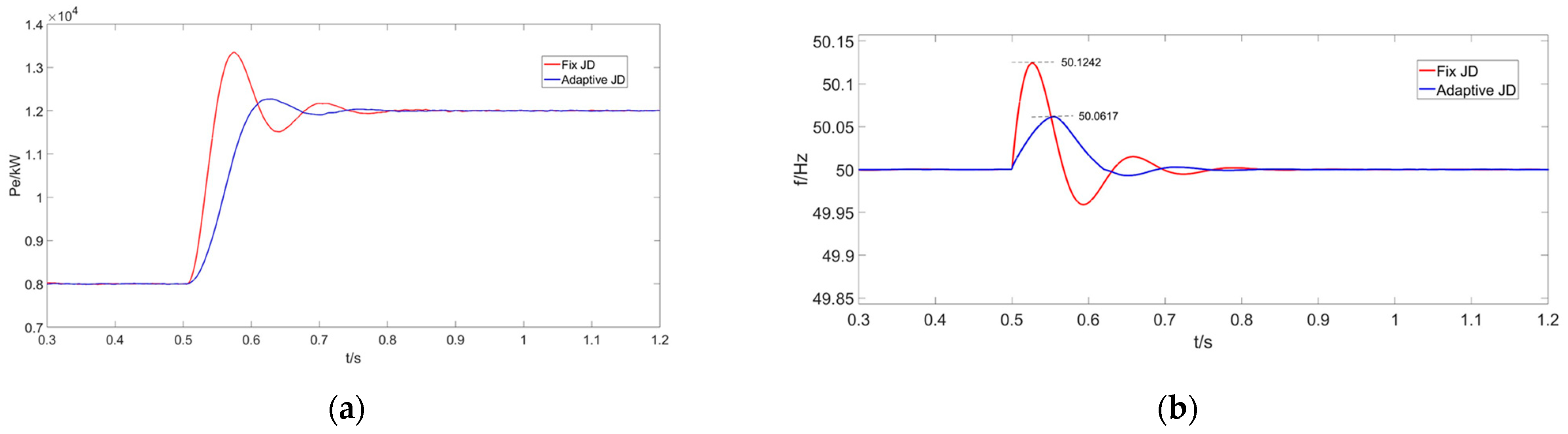
Figure 9 compares the conventional VSG strategy with the adaptive inertia- and damping-adjusted VSG strategy under load-switching disturbances in the PV-storage grid-forming system. Under a 4 kW disturbance in load switching, as shown in Figure 9a, and under the strategy proposed, the output power of the inverter shows a faster stabilization speed and a smaller power fluctuation value compared to the fixed JD strategy. As shown in Figure 9b, under the function strategy proposed, during the load input and removal, the frequency shows a faster recovery to the rated value compared to the fixed JD strategy, and the overshoot during the oscillation process is significantly smaller. From the data marked in the figure, it can be obtained that compared with the fixed JD strategy, this proposed strategy reduces the frequency overshoot by approximately 46% during load input and by approximately 52% during load removal. And the overshoot in both cases is within 0.02 Hz. Thus, it can be inferred that when encountering larger load switching, the frequency change can remain within the specified ±0.5 Hz range. Figure 9c shows the of the energy storage battery during the disturbance process. In the initial stage, it is in a state of absorbing electrical energy. Subsequently, as the load switching occurs, it changes.
Figure 9.
Simulation comparison diagram of load switching disturbance: (a) inverter output power ; (b) system frequency f; (c) battery power .
4.2. Verification of ACL Strategy for Network-Side Voltage Disturbance
Set the grid-side voltage to drop by 0.05 p.u. at 1 s and then restore it at 2 s. This is performed to verify that the strategy proposed has good dynamic performance under grid-side voltage disturbances.
Figure 10 compares the conventional VSG strategy with the adaptive inertia- and damping-adjusted VSG strategy under grid-side voltage disturbances in the PV-storage grid-forming system. Under the disturbance of the 1 s–2 s grid-side voltage drop, as shown in Figure 10a,b, the proposed strategy enhances both the regulation speed and the reduction of overshoot in the VSG’s active and reactive power outputs. As shown in Figure 10c, the system frequency overshoot is reduced by approximately 64% compared with the fixed JD strategy. As shown in Figure 10d, the output voltage of the VSG returns to the initial voltage after the disturbance, which verifies the one-time voltage regulation capability of the VSG.

Figure 10.
Simulation comparison diagram of network-side voltage disturbance on comparison diagram of load switching disturbance: (a) inverter output power ; (b) inverter output power ; (c) system frequency f; (d) output voltage of VSG.
4.3. Verification of ACL Strategy for Active Command Disturbance
At 0.5 s, is set to step from 8 kW to 12 kW. This is performed to verify the response capability of the VSG system to the active power dispatch instructions in the case of a new energy grid connection.
Figure 11 compares the conventional VSG strategy with the adaptive inertia- and damping-adjusted VSG strategy under active-power dispatch-command disturbances in the PV-storage grid-forming system. Under the step disturbance of active power dispatch instructions, and compared with the fixed JD strategy, as shown in Figure 11a, the output power regulation time of VSG becomes faster, and the fluctuation amplitude significantly decreases. This indicates that the VSG system responds more quickly to the active power dispatch instructions and has improved dynamic performance; as shown in Figure 11b, the system frequency has a significant optimization effect. Compared with the fixed JD strategy, the frequency overshoot of the proposed strategy is reduced by 50.3%.
Figure 11.
Simulation comparison diagram of the disturbance of the effective dispatching instructions: (a) inverter output power , (b) system frequency f.
5. Conclusions
The Photovoltaic-storage system is tied to the grid through a VSG, allowing it to furnish J and D like a generator. This improves frequency behavior, but sacrifices some dynamic performance. Noting that real machines are locked to fixed constants, we propose an adaptive scheme that continuously retunes J and D, thereby sharpening dynamic response. The ensuing conclusions are as follows.
- (1)
- Establish a small-signal model for the power-frequency loop. Based on the relationships the correlations between J and D versus and dω/dt, introduce the tanh function and sign function to design an adaptive control function. The ACL function is designed by introducing the tanh function and the sign function, considering the respective upper and lower limits of JD. To distinguish the small fluctuations of disturbances compared to the stable state, a trigger threshold is set.
- (2)
- Load switching, grid-side voltage rate disturbance, and active power scheduling command step conditions are set. Through simulation, the stability and dynamic characteristics of the ACL strategy and the traditional fixed JD control strategy are compared under these three conditions. Both have certain advantages.
6. Discussion
6.1. Contrast
This paper proposes an adaptive inertia- and damping-control strategy; when constructing the adaptive functions, the final expressions reported in the manuscript were obtained by simultaneously accounting for multiple constraints and practical considerations—these include the upper and lower bounds of virtual inertia J and virtual damping D, the analytical properties of candidate functions (monotonicity, smoothness, and saturation characteristic), the algorithmic complexity that determines code implementation effort, and the computational burden as well as total simulation time imposed by the real-time solver of the used simulation platform. Thereafter, the derived adaptive functions were embedded into the proposed Grid-Connected Photovoltaic Storage System and tested under comprehensive disturbance scenarios.
We have conducted a direct comparative study in which the proposed strategy and its key performance indices (overshoot, settling time, etc.) are benchmarked against the classical fixed-parameter VSG. Through this head-to-head comparison, we clearly demonstrate the relative advantages of the proposed method in terms of dynamic-response speed and oscillation-suppression capability.
6.2. Deficiency
- (1)
- However, the system capacity used in this paper is small, and only three comparisons have been conducted. The case comparison is thin, which is also a drawback of this paper. In the future, the capacity will be expanded for multiple experiments and comparisons for verification.
- (2)
- The strategies proposed in this paper exhibit considerable steady-state errors when there is a frequency perturbation on the network side. This aspect was not fully addressed in this study. Further research will be conducted to improve the steady-state errors and correct the deficiencies.
Author Contributions
Methodology, L.S. and F.W.; validation, Z.Z.; formal analysis, H.L. and M.L.; data curation, H.L.; writing—original draft preparation, Z.Z.; writing—review and editing, Z.Z., L.S., and H.F. All authors have read and agreed to the published version of the manuscript.
Funding
This research was funded by the Natural Science Foundation of China, grant number U23B20140.
Institutional Review Board Statement
Not applicable.
Informed Consent Statement
Not applicable.
Data Availability Statement
Data are contained within the article.
Conflicts of Interest
Author Haijiang Li is employed by China United Engineering Corporation Limited. The remaining authors declare that the research was conducted in the absence of any commercial or financial relationships that could be construed as a potential conflict of interest.
Abbreviations
The following abbreviations are used in this manuscript:
| VSG | Synchronous generator control |
| SGs | Synchronous generators |
| J | Inertia |
| D | Damping |
| ACL | Adaptive control |
References
- Sun, K.M.; Li, K.; Feng, Y.W.; Zhang, Y.S. Seamless switching technology between grid-forming and grid-following control for MMC-HVDC converter stations. Shandong Electr. Power Technol. 2025, 52, 44–53. [Google Scholar] [CrossRef]
- Zhang, B.A.; Hou, L.L.; Liu, H.Z.; Cui, Y.R.; Zhang, X.Y.; Li, X.L.; Zhang, T.Y. Forced Power Oscillation Suppression Strategy for PV-Storage Systems Based on Grid-Forming Frequency-Shifting Control. Power Syst. Technol. 2025, 1–13. [Google Scholar] [CrossRef]
- Othman, M.H.; Mokhlis, H.; Mubin, M.; Ab Aziz, N.F.; Mohamad, H.; Ahmad, S.; Mansor, N.N. Genetic Algorithm-Optimized Adaptive Network Fuzzy Inference System-Based VSG Controller for Sustainable Operation of Distribution System. Sustainability 2022, 14, 10798. [Google Scholar] [CrossRef]
- Han, L.; Li, S.L.; Qin, S.Y.; Yuan, C.; Li, P.K. Quantitative Comparison of Wide-Band Dynamic Characteristics Between Grid-Following and Grid-Forming Converters Based on VSG Control. Acta Energiae Solaris Sin. 2024, 1–10. [Google Scholar] [CrossRef]
- Huang, M.; Shu, S.R.; Li, X.L.; Fu, X.K.; Zha, X.M. A Review on Analysis and Control of Grid-Connected Power-Electronic Converters for Synchronous Stability. Trans. China Electrotech. Soc. 2024, 39, 5978–5994. [Google Scholar] [CrossRef]
- Yang, W.; Tu, C.; Xiao, F.; Yu, J. A Method to Improve Both Frequency Stability and Transient Stability of Virtual Synchronous Generators during Grid Faults. Sustainability 2024, 16, 1769. [Google Scholar] [CrossRef]
- Xue, Y.C.; Zhang, Z.R.; Xu, Z.; Huang, Y. Analysis of the Impact of Grid-Forming Converters on Low-Frequency Oscillations in AC Systems and Their Damping Control. Autom. Electr. Power Syst. 2023, 47, 103–113. [Google Scholar] [CrossRef]
- Zhong, Q.C. Virtual Synchronizer and Autonomous Power System. Proc. CSEE 2017, 37, 336–349. [Google Scholar] [CrossRef]
- Cheng, C.; Yang, H.; Zeng, Z.; Tang, S.Q.; Zhao, R.X. Adaptive control method for rotor inertia of virtual synchronous generators. Autom. Electr. Power Syst. 2015, 39, 82–89. [Google Scholar] [CrossRef]
- Song, Q.; Zhang, H.; Sun, K.; Wei, Y.L. Improved Adaptive Control of Virtual Synchronous Generator in Multi-source Independent Microgrid with Variable Mass Properties. Proc. CSEE 2017, 37, 412–424. [Google Scholar] [CrossRef]
- Yin, G.C.; Dong, H.; Dai, Y.C.; Wang, H.L.; Wang, S. Adaptive Control Strategy for Virtual Synchronous Generator Parameters in Photovoltaic Microgrid. Power Syst. Technol. 2019, 44, 192–199. [Google Scholar] [CrossRef]
- Zhao, B.Y.; Zhao, B.; Hu, J.; Zhang, F. Adaptive Strategy for Transient and Steady-State Optimization of VSG-Based Grid-Forming Energy Storage. High Volt. Appar. 2023, 14, 39–47. [Google Scholar] [CrossRef]
- Yang, Y.; Mei, F.; Zhang, C.Y.; Miao, H.Y.; Chen, H.F.; Zheng, J.Y. Cooperative Adaptive Control Strategy for Rotational Inertia and Damping Coefficients of Virtual Synchronous Generator. Electr. Power Autom. Equip. 2019, 39, 125–131. [Google Scholar] [CrossRef]
- Chen, J.; Cheng, J.; Wang, Q.W.; Hang, C. Control Strategy of Virtual Synchronous Generator Based on Multi-parameter Collaborative Adaptive Method. Power Syst. Prot. Control 2024, 52, 74–85. [Google Scholar] [CrossRef]
- Cui, Y.; Ma, B.Y.; Dai, H.Y.; Ma, X.; Zhao, Y.T. Adaptive Parameter Tuning Method for Grid-Forming Energy Storage Based on Buffer Functions and Damping Switching. Autom. Electr. Power Syst. 2025, 14, 77–86. [Google Scholar] [CrossRef]
- Pan, H.; Ning, X.H.; Li, F.; Wu, J.X.; Liu, C.J. Research on Control Strategies for Photovoltaic and Energy Storage Units in DC Microgrids with Photovoltaic-Storage Integration. Power Syst. Prot. Control 2025, 53, 59–70. [Google Scholar] [CrossRef]
- Gao, C.; Su, J.H.; Qu, X.L.; Xie, B.; Chen, Y.L. Research on Control and Optimal Configuration of Hydrogen Production System by Electrolysis in Photovoltaic-Storage Direct Current Microgrid. Acta Energiae Solaris Sin. 2025, 46, 19–28. [Google Scholar] [CrossRef]
- Chen, H.L.; Liang, Y.S.; Li, J.; Li, H.F.; Wang, G. Small-Signal Modeling and Stability Analysis of Photovoltaic and VSG-Based Energy Storage Systems in Weak Grids. Electr. Power Constr. 2025, 46, 56–68. [Google Scholar] [CrossRef]
- Lu, Z.P.; Sheng, W.X.; Zhong, Q.C.; Liu, H.T.; Zeng, Z.; Yang, L.; Liu, L. Virtual Synchronous Generator and Its Application in Microgrid. Proc. CSEE 2014, 34, 2591–2603. [Google Scholar] [CrossRef]
- Wang, X.; Ma, L.; Guo, M.Y.; Jia, Y. VSG Control Strategy with Adaptive Inertia and Damping. Power Electron. 2025, 59, 64–70. [Google Scholar] [CrossRef]
- Li, D.D.; Zhu, Q.W.; Lin, S.F.; Bian, X.Y. A Self-Adaptive Inertia and Damping Combination Control of VSG to Support Frequency Stability. IEEE Trans. Energy Convers. 2017, 32, 397–398. [Google Scholar] [CrossRef]
- Liu, R.; Chen, J.F.; Hou, X.C.; Pei, X.Y.; Li, J.B.; Li, M. Dynamic frequency stabilization control strategy for microgrid based on adaptive virtual inertia. Autom. Electr. Power Syst. 2018, 42, 75–82+140. [Google Scholar] [CrossRef]
- Yang, P.; Chen, Z.; Luo, T.; Zhu, J.W.; Liu, B.L.; Chen, X.P. Control Method for Photovoltaic Power Generation and Hybrid Energy Storage Based on VSG. Power Syst. Clean Energy 2023, 14, 83–91+113. [Google Scholar]
- Yi, J.B.; Wang, S.Y.; Hu, W.H.; Huang, Q. Validation of an Adaptive Inertia-Damping Control Strategy for Grid-Forming New Energy Storage Coordinated with PV Grid Integration. Trans. China Electrotech. Soc. 2025, 1–15. [Google Scholar] [CrossRef]
Disclaimer/Publisher’s Note: The statements, opinions and data contained in all publications are solely those of the individual author(s) and contributor(s) and not of MDPI and/or the editor(s). MDPI and/or the editor(s) disclaim responsibility for any injury to people or property resulting from any ideas, methods, instructions or products referred to in the content. |
© 2025 by the authors. Licensee MDPI, Basel, Switzerland. This article is an open access article distributed under the terms and conditions of the Creative Commons Attribution (CC BY) license (https://creativecommons.org/licenses/by/4.0/).