Driving towards Sustainability: Wireless Charging of Low-Speed Vehicles with PDM-Based Active Bridge Rectifiers
Abstract
1. Introduction
Motivation and Contribution
- Eliminates the need for an additional D.C. regulator on the receiver side to regulate the output power, which reduces the system volume.
- RS-ABR with a pulse density modulation (PDM) technique regulates the output power and reduces the output ripples compared to a conventional uncontrolled rectifier.
- A receiver-side hybrid compensation network performs the load-independent CCCV charging process, which increases the reliability of the system.
- A receiver-side control eliminates the need for battery parameter communication between ground and vehicle assembly to regulate the power flow and shifts the operating mode between CC and CV.
- A vehicle-side ABR may also be utilized for bi-directional charging with proper control methodology.
2. Proposed System Components: A Theoretical Analysis
2.1. Charging Couplers
2.2. Five-Legged Inverter
2.3. Compensation Network
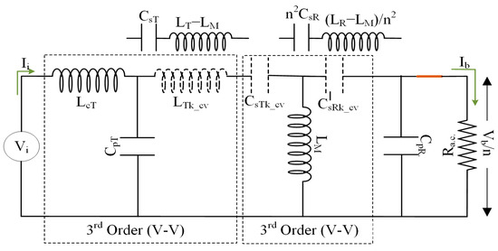
2.3.1. Load-Independent CC Mode Analysis with D–LCC Network
2.3.2. Load-Independent CC Mode Analysis with LCC–SP Circuit
2.4. Receiver-Side Active Bridge Rectifier
3. Proposed Charging System Components: Simulation Analysis
3.1. Charging Couplers
3.2. Five-Legged Inverter
3.3. Hybrid Compensation Network
3.4. Receiver-Side Active Bridge Rectifier
4. Experimental Analysis
5. Economic Aspects of Multi-Transmitter Quasi-Dynamic Charging Lane
6. Conclusions
Author Contributions
Funding
Institutional Review Board Statement
Informed Consent Statement
Data Availability Statement
Acknowledgments
Conflicts of Interest
Correction Statement
References
- Global EV Outlook 2022—Analysis—IEA. Available online: https://www.iea.org/reports/global-ev-outlook-2022 (accessed on 10 January 2024).
- Xue, Y.; Zhang, X.; Zhang, Y.; Luo, E. Understanding the Barriers to Consumer Purchasing of Electric Vehicles: The Innovation Resistance Theory. Sustainability 2024, 16, 2420. [Google Scholar] [CrossRef]
- Liu, Z.; Wu, Y.; Feng, J. Competition between battery switching and charging in electric vehicle: Considering anticipated regret. Environ. Dev. Sustain. 2023. [Google Scholar] [CrossRef]
- Hou, M.; Zhao, Y.; Ge, X. Optimal scheduling of the plug-in electric vehicles aggregator energy and regulation services based on grid to vehicle. Int. Trans. Electr. Energy Syst. 2017, 27, e2364. [Google Scholar] [CrossRef]
- Venkatesan, R.; Dominic Savio, A.; Balaji, C.; Narayanamoorthi, R.; Kotb, H.; ELrashidi, A.; Nureldeen, W. A Comprehensive Review on Efficiency Enhancement of Wireless Charging System for an Electric Vehicles Applications. IEEE Access 2024, 12, 46967–46994. [Google Scholar] [CrossRef]
- Shirkhani, M.; Tavoosi, J.; Danyali, S.; Sarvenoee, A.K.; Abdali, A.; Mohammadzadeh, A.; Zhang, C. A review on microgrid decentralized energy/voltage control structures and methods. Energy Rep. 2023, 10, 368–380. [Google Scholar] [CrossRef]
- Duan, Y.; Zhao, Y.; Hu, J. An initialization-free distributed algorithm for dynamic economic dispatch problems in microgrid: Modeling, optimization and analysis. Sustain. Energy Grids Netw. 2023, 34, 101004. [Google Scholar] [CrossRef]
- Li, P.; Hu, J.; Qiu, L.; Zhao, Y.; Ghosh, B.K. A Distributed Economic Dispatch Strategy for Power–Water Networks. IEEE Trans. Control. Netw. Syst. 2022, 9, 356–366. [Google Scholar] [CrossRef]
- Arif, S.M.; Lie, T.T.; Seet, B.C.; Ayyadi, S.; Jensen, K. Review of Electric Vehicle Technologies, Charging Methods, Standards and Optimization Techniques. Electronics 2021, 10, 1910. [Google Scholar] [CrossRef]
- Lu, L.; Wu, W.; Gao, Y.; Pan, C.; Yu, X.; Zhang, C.; Jin, Z. Study on current discrepancy and redistribution of HTS non-insulation closed-loop coils during charging/discharging and subsequent transient process toward steady-state operation. Supercond. Sci. Technol. 2022, 35, 095001. [Google Scholar] [CrossRef]
- Zhang, X.; Wang, Z.; Lu, Z. Multi-objective load dispatch for microgrid with electric vehicles using modified gravitational search and particle swarm optimization algorithm. Appl. Energy 2022, 306, 118018. [Google Scholar] [CrossRef]
- Zhang, X.; Lu, Z.; Yuan, X.; Wang, Y.; Shen, X. L2-Gain Adaptive Robust Control for Hybrid Energy Storage System in Electric Vehicles. IEEE Trans. Power Electron. 2021, 36, 7319–7332. [Google Scholar] [CrossRef]
- Liang, J.; Feng, J.; Fang, Z.; Lu, Y.; Yin, G.; Mao, X.; Wu, J.; Wang, F. An Energy-Oriented Torque-Vector Control Framework for Distributed Drive Electric Vehicles. IEEE Trans. Transp. Electrif. 2023, 9, 4014–4031. [Google Scholar] [CrossRef]
- Lyu, W.; Hu, Y.; Liu, J.; Chen, K.; Liu, P.; Deng, J.; Zhang, S. Impact of battery electric vehicle usage on air quality in three Chinese first-tier cities. Sci. Rep. 2024, 14, 21. [Google Scholar] [CrossRef] [PubMed]
- Purushothaman, D.; Narayanamoorthi, R.; Elrashidi, A.; Kotb, H. A Comprehensive Review on Single-Stage WPT Converter Topologies and Power Factor Correction Methodologies in EV Charging. IEEE Access 2023, 11, 135529–135555. [Google Scholar] [CrossRef]
- Alternative Fuels Data Center: Developing Infrastructure to Charge Electric Vehicles. Available online: https://afdc.energy.gov/fuels/electricity_infrastructure.html (accessed on 11 January 2024).
- Zhang, X.; Wang, Y.; Yuan, X.; Shen, Y.; Lu, Z.; Wang, Z. Adaptive Dynamic Surface Control with Disturbance Observers for Battery/Supercapacitor-Based Hybrid Energy Sources in Electric Vehicles. IEEE Trans. Transp. Electrif. 2023, 9, 5165–5181. [Google Scholar] [CrossRef]
- Fang, Z.; Wang, J.; Liang, J.; Yan, Y.; Pi, D.; Zhang, H.; Yin, G. Authority Allocation Strategy for Shared Steering Control Considering Human-Machine Mutual Trust Level. IEEE Trans. Intell. Veh. 2024, 9, 2002–2015. [Google Scholar] [CrossRef]
- Bai, X.; Xu, M.; Li, Q.; Yu, L. Trajectory-battery integrated design and its application to orbital maneuvers with electric pump-fed engines. Adv. Space Res. 2022, 70, 825–841. [Google Scholar] [CrossRef]
- Ahmad, F.; Alam, M.S.; Alsaidan, I.S.; Shariff, S.M. Battery Swapping Station for Electric Vehicles: Opportunities and Challenges. IET Smart Grid 2020, 3, 280–286. [Google Scholar] [CrossRef]
- Ahmad, F.; Alam, M.S.; Shariff, S.M. A Cost-Efficient Energy Management System for Battery Swapping Station. IEEE Syst. J. 2019, 13, 4355–4364. [Google Scholar] [CrossRef]
- Lu, X.; Wang, P.; Niyato, D.; Kim, D.I.; Han, Z. Wireless Charging Technologies: Fundamentals, Standards, and Network Applications. IEEE Commun. Surv. Tutor. 2016, 18, 1413–1452. [Google Scholar] [CrossRef]
- Farh, H.M.H.; Fathy, A.; Iqbal, S.; Alshammari, N.F.; Shouran, M.; Massoud, J. Smart and Sustainable Wireless Electric Vehicle Charging Strategy with Renewable Energy and Internet of Things Integration. Sustainability 2024, 16, 2487. [Google Scholar] [CrossRef]
- Ahmad, A.; Alam, M.S.; Chabaan, R. A Comprehensive Review of Wireless Charging Technologies for Electric Vehicles. IEEE Trans. Transp. Electrif. 2017, 4, 38–63. [Google Scholar] [CrossRef]
- Shanmugam, Y.; Narayanamoorthi, R.; Vishnuram, P.; Bajaj, M.; Aboras, K.M.; Thakur, P. Kitmo A Systematic Review of Dynamic Wireless Charging System for Electric Transportation. IEEE Access 2022, 10, 133617–133642. [Google Scholar] [CrossRef]
- Li, C.; Dong, X.; Cipcigan, L.M.; Haddad, M.A.; Sun, M.; Liang, J.; Ming, W. Economic Viability of Dynamic Wireless Charging Technology for Private EVs. IEEE Trans. Transp. Electrif. 2022, 9, 1845–1856. [Google Scholar] [CrossRef]
- Bozhi; Mohamed, M.; Gilani, V.N.M.; Amjad, A.; Majid, M.S.; Yahya, K.; Salem, M. A Review of Wireless Pavement System Based on the Inductive Power Transfer in Electric Vehicles. Sustainability 2023, 15, 14893. [Google Scholar] [CrossRef]
- Tavakoli, R.; Dede, E.M.; Chou, C.; Pantic, Z. Cost-Efficiency Optimization of Ground Assemblies for Dynamic Wireless Charging of Electric Vehicles. IEEE Trans. Transp. Electrif. 2022, 8, 734–751. [Google Scholar] [CrossRef]
- Cai, C.; Saeedifard, M.; Wang, J.; Zhang, P.; Zhao, J.; Hong, Y. A Cost-Effective Segmented Dynamic Wireless Charging System With Stable Efficiency and Output Power. IEEE Trans. Power Electron. 2022, 37, 8682–8700. [Google Scholar] [CrossRef]
- Benalia, N.; Laroussi, K.; Benlaloui, I.; Kouzou, A.; Bensalah, A.-D.; Kennel, R.; Abdelrahem, M. Optimized Power Pads for Charging Electric Vehicles Based on a New Rectangular Spiral Shape Design. Sustainability 2023, 15, 1230. [Google Scholar] [CrossRef]
- Rahulkumar, J.; Narayanamoorthi., R.; Vishnuram, P.; Bajaj, M.; Blazek, V.; Prokop, L.; Misak, S. An Empirical Survey on Wireless Inductive Power Pad and Resonant Magnetic Field Coupling for In-Motion EV Charging System. IEEE Access 2023, 11, 4660–4693. [Google Scholar] [CrossRef]
- Yuvaraja, S.; Narayanamoorthi, R.; Sathik Mohamed Ali, J.; Almakhles, D. A Comprehensive Review of the On-Road Wireless Charging System for E-Mobility Applications. Front. Energy Res. 2022, 10, 926270. [Google Scholar] [CrossRef]
- Zaheer, A.; Hao, H.; Covic, G.A.; Kacprzak, D. Investigation of Multiple Decoupled Coil Primary Pad Topologies in Lumped IPT Systems for Interoperable Electric Vehicle Charging. IEEE Trans. Power Electron. 2015, 30, 1937–1955. [Google Scholar] [CrossRef]
- Budhia, M.; Boys, J.T.; Covic, G.A.; Huang, C.-Y. Development of a Single-Sided Flux Magnetic Coupler for Electric Vehicle IPT Charging Systems. IEEE Trans. Ind. Electron. 2013, 60, 318–328. [Google Scholar] [CrossRef]
- Villa, J.L.; Sallan, J.; Osorio, J.F.S.; Llombart, A. High-Misalignment Tolerant Compensation Topology for ICPT Systems. IEEE Trans. Ind. Electron. 2012, 59, 945–951. [Google Scholar] [CrossRef]
- Zhang, W.; Mi, C.C. Compensation Topologies of High-Power Wireless Power Transfer Systems. IEEE Trans. Veh. Technol. 2016, 65, 4768–4778. [Google Scholar] [CrossRef]
- Shevchenko, V.; Husev, O.; Strzelecki, R.; Pakhaliuk, B.; Poliakov, N.; Strzelecka, N. Compensation Topologies in IPT Systems: Standards, Requirements, Classification, Analysis, Comparison and Application. IEEE Access 2019, 7, 120559–120580. [Google Scholar] [CrossRef]
- Chowdary, K.V.; Kumar, K.; Behera, R.K.; Banerjee, S.; Kumar, R.R. Load Independent Characteristics of Dynamic Wireless Charging System through Higher Order Compensation. In Proceedings of the 9th IEEE International Conference on Power Electronics, Drives and Energy Systems (PEDES), Jaipur, India, 16–19 December 2020; pp. 1–6. [Google Scholar]
- He, L.; Wang, X.; Lee, C.-K. A Study and Implementation of Inductive Power Transfer System Using Hybrid Control Strategy for CC-CV Battery Charging. Sustainability 2023, 15, 3606. [Google Scholar] [CrossRef]
- Chen, J.; Xu, J.; Zhang, Y.; Zhao, J.; Hou, J.; Wang, Y. Geometrical State-Plane-based Synchronous Rectification Scheme for LLC Converter in EVs. IEEE Trans. Transp. Electrif. [CrossRef]
- Lu, J.; Zhu, G.; Lin, D.; Wong, S.-C.; Jiang, J. Load-Independent Voltage and Current Transfer Characteristics of High-Order Resonant Network in IPT System. IEEE J. Emerg. Sel. Top. Power Electron. 2019, 7, 422–436. [Google Scholar] [CrossRef]
- Zhang, J.; Zhu, D.; Jian, W.; Hu, W.; Peng, G.; Chen, Y.; Wang, Z. Fractional Order Complementary Non-singular Terminal Sliding Mode Control of PMSM Based on Neural Network. Int. J. Automot. Technol. 2024, 25, 213–224. [Google Scholar] [CrossRef]
- Shanmugam, Y.; Narayanamoorthi, R.; Dominic, S.A.; Balaji, C. A Multi-Leg Powered Constant Voltage On-Road Charging System with an LCC-S Compensation. In Proceedings of the ITEC-India 2023—5th International Transportation Electrification Conference: eAMRIT—Accelerating e-Mobility Revolution for India’s Transportation, Chennai, India, 13–15 December 2023; Institute of Electrical and Electronics Engineers Inc.: Piscataway, NJ, USA, 2023. [Google Scholar]
- Rahulkumar, J.; Narayanamoorthi, R.; Balaji, C.; Savio, A. A Dual Receiver and Inherent CC-CV Operated WRIPT EV Charging System with High Misalignment Tolerance Couplers. In Proceedings of the ITEC-India 2023—5th International Transportation Electrification Conference: eAMRIT—Accelerating e-Mobility Revolution for India’s Transportation, Chennai, India, 13–15 December 2023; Institute of Electrical and Electronics Engineers Inc.: Piscataway, NJ, USA, 2023. [Google Scholar]
- Lu, J.; Zhu, G.; Lin, D.; Zhang, Y.; Jiang, J.; Mi, C.C. Unified Load-Independent ZPA Analysis and Design in CC and CV Modes of Higher Order Resonant Circuits for WPT Systems. IEEE Trans. Transp. Electrif. 2019, 5, 977–987. [Google Scholar] [CrossRef]
- Shen, Y.; Liu, D.; Liang, W.; Zhang, X. Current Reconstruction of Three-Phase Voltage Source Inverters Considering Current Ripple. IEEE Trans. Transp. Electrif. 2023, 9, 1416–1427. [Google Scholar] [CrossRef]
- Alkasir, A.; Abdollahi, S.E.; Abdollahi, S.R.; Wheeler, P. Enhancement of Dynamic Wireless Power Transfer System by Model Predictive Control. IET Power Electron. 2022, 15, 67–79. [Google Scholar] [CrossRef]
- Yang, Y.; Wei, X.; Yao, W.; Lan, J. Broadband electrical impedance matching of sandwiched piezoelectric ultrasonic transducers for structural health monitoring of the rail in-service. Sens. Actuators A Phys. 2023, 364, 114819. [Google Scholar] [CrossRef]
- Diep, N.T.; Hiep, T.D.; Trung, N.K. Constant Current Charging and Transfer Efficiency Improvements for a Dynamic Wireless Charging System. Eng. Technol. Appl. Sci. Res. 2023, 13, 12320–12326. [Google Scholar] [CrossRef]
- Balaji, C.; Venugopal, R.; Selvaraj, J.; Balasundaram, G.; Savio, A.D.; Lim, W.H. Design and Performance Study of LCC-LCC and LCC-S Compensation Network for Wireless Charging of EV Battery. In Proceedings of the ITEC-India 2023—5th International Transportation Electrification Conference: eAMRIT—Accelerating e-Mobility Revolution for India’s Transportation, Chennai, India, 13–15 December 2023; Institute of Electrical and Electronics Engineers Inc.: Piscataway, NJ, USA, 2023. [Google Scholar]
- Liang, Y.; Sun, P.; Yang, G.; Sun, J.; Cai, J.; Wu, X.; Deng, Q. Analysis and Parameter Design for Input-Series Output-Series (ISOS) Multichannel Inductive Power Transfer System Considering Cross Coupling. IEEE J. Emerg. Sel. Top. Power Electron. 2024, 12, 2361–2376. [Google Scholar] [CrossRef]
- Vu, V.-B.; Phan, V.-T.; Dahidah, M.; Pickert, V. Multiple Output Inductive Charger for Electric Vehicles. IEEE Trans. Power Electron. 2019, 34, 7350–7368. [Google Scholar] [CrossRef]
- Farajizadeh, F.; Vilathgamuwa, D.M.; Jovanovic, D.; Jayathurathnage, P.; Ledwich, G.; Madawala, U. Expandable N-Legged Converter to Drive Closely Spaced Multitransmitter Wireless Power Transfer Systems for Dynamic Charging. IEEE Trans. Power Electron. 2020, 35, 3794–3806. [Google Scholar] [CrossRef]
- He, H.; Liu, Y.; Wei, B.; Wu, X.; Jiang, B.; Wei, C. Efficiency Improvement for Multi-Parallel Inverters IPT System in Wide Power Range. In Proceedings of the PEAS 2021—2021 IEEE 1st International Power Electronics and Application Symposium, Shanghai, China, 12–15 November 2021; Conference Proceedings. Institute of Electrical and Electronics Engineers Inc.: Piscataway, NJ, USA, 2021. [Google Scholar]
- Yuvaraja, S.; Narayanamoorthi, R. A Five Leg Converter with Multi-Transmitter for an In-Motion Charging System. J. Phys. Conf. Ser. 2022, 2335, 012054. [Google Scholar] [CrossRef]
- Zhang, J.; Chen, Y.; Gao, Y.; Wang, Z.; Peng, G. Cascade ADRC Speed Control Base on FCS-MPC for Permanent Magnet Synchronous Motor. J. Circuits Syst. Comput. 2021, 30, 2150202. [Google Scholar] [CrossRef]
- Shanmugam, Y.; Narayanamoorthi, R.; Vishnuram, P.; Savio, D.; Yadav, A.; Bajaj, M.; Nauman, A.; Khurshaid, T.; Kamel, S. Solar-Powered Five-Leg Inverter-Driven Quasi-Dynamic Charging for a Slow-Moving Vehicle. Front. Energy Res. 2023, 11, 1115262. [Google Scholar] [CrossRef]
- Wang, C.; Chen, Z.; Zheng, H.; Yang, Q. Power Control Study of Dynamic Wireless Charging System Based on Resonant Point Switching. In Proceedings of the 2022 IEEE Transportation Electrification Conference and Expo, Asia-Pacific (ITEC Asia-Pacific), Haining, China, 28–31 October 2022; pp. 1–5. [Google Scholar]
- Karakitsios, I.; Palaiogiannis, F.; Markou, A.; Hatziargyriou, N.D. Optimizing the Energy Transfer, with a High System Efficiency in Dynamic Inductive Charging of EVs. IEEE Trans. Veh. Technol. 2018, 67, 4728–4742. [Google Scholar] [CrossRef]
- Liu, J.; Liu, Z.; Su, H. Passivity-Based PI Control for Receiver Side of Dynamic Wireless Charging System in Electric Vehicles. IEEE Trans. Ind. Electron. 2022, 69, 783–794. [Google Scholar] [CrossRef]
- Farajizadeh, F.; Vilathgamuwa, M.; Jayathurathnage, P.; Ledwich, G. Three-Legged Converter for Dynamic Wireless Power Transfer. In Proceedings of the IECON 2018—44th Annual Conference of the IEEE Industrial Electronics Society, Washington, DC, USA, 21–23 October 2018. [Google Scholar]
- Tian, Y.; Tian, J.; Li, D.; Zhou, S. A Multiple Legs Inverter with Real Time–Reflected Load Detection Used in the Dynamic Wireless Charging System of Electric Vehicles. Energies 2018, 11, 1275. [Google Scholar] [CrossRef]
- Rashid, M.H.; Muhammad, H. Power Electronics: Devices, Circuits, and Applications, 4th ed.; Pearson: London, UK, 2014; ISBN 978-0-273-76908-8. [Google Scholar]
- Abdulhameed, M.; ElGhanam, E.; Osman, A.H.; Hassan, M.S. Design of a Misalignment-Tolerant Inductor–Capacitor–Capacitor-Compensated Wireless Charger for Roadway-Powered Electric Vehicles. Sustainability 2024, 16, 567. [Google Scholar] [CrossRef]
- Li, S.; Li, W.; Deng, J.; Nguyen, T.D.; Mi, C.C. A Double-Sided LCC Compensation Network and Its Tuning Method for Wireless Power Transfer. IEEE Trans. Veh. Technol. 2015, 64, 2261–2273. [Google Scholar] [CrossRef]
- Li, M.; Deng, J.; Chen, D.; Wang, W.; Wang, Z. Maximum Efficiency Tracking and ZVS Realization for Wide Output Voltage Range Employing Segmented TPS Modulation Scheme. IEEE Trans. Veh. Technol. 2023, 72, 12770–12783. [Google Scholar] [CrossRef]
- Venkatesan, M.; Narayanamoorthi, R.; Emara, A.; Ghadi, Y.Y. Fuzzy Logic Controlled Pulse Density Modulation Technique for Bidirectional Inductive Power Transfer Systems. IEEE Access, 2024; Early Access. [Google Scholar] [CrossRef]
- Zhang, B.; Dong, S.; Zhu, C.; Yin, Y.; Zhang, M. Composite Control to Suppress Output Fluctuation for Receiver Side of Dynamic Wireless Power Transfer System. IEEE Trans. Power Electron. 2023, 38, 6720–6733. [Google Scholar] [CrossRef]
- Zhou, Z.; Zhang, L.; Liu, Z.; Chen, Q.; Long, R.; Su, H. Model Predictive Control for the Receiving-Side DC–DC Converter of Dynamic Wireless Power Transfer. IEEE Trans. Power Electron. 2020, 35, 8985–8997. [Google Scholar] [CrossRef]




























| Ref. | Control Side | Control Method | Regulating Parameters | kW | Airgap (mm) | f (kHz) | Efficiency (% ƞ) | WPT Method |
|---|---|---|---|---|---|---|---|---|
| [66] | Dual-side active converter | Triple-phase shift control | Efficiency and output voltage | 1.5 | - | 85 | 83.4–93.6 | Stationary |
| [67] | Dual-side active converter | Fuzzy-based PDM | Power transfer efficiency | 3.7 | 150 | 85 | 93 | Stationary |
| [68] | Receiver-side three-level buck | Composite control | Switching stress reduction and output power regulation | 2.6 | - | 20 | 87.2 | Dynamic |
| [69] | Receiver-side buck converter | Model predictive control | Output power | 2 | 200 | 85/20 | ~92 | Dynamic |
| [60] | Receiver-side buck converter | Passivity-based PI control | Output power and efficiency | 2.63 | 200 | 85/20 | 91.06 | Dynamic |
| This work | Receiver-side active bridge | Pulse density control | Output power, voltage, and current | 3.3 | 150 | 85 | 93.4 | Dynamic |
Disclaimer/Publisher’s Note: The statements, opinions and data contained in all publications are solely those of the individual author(s) and contributor(s) and not of MDPI and/or the editor(s). MDPI and/or the editor(s) disclaim responsibility for any injury to people or property resulting from any ideas, methods, instructions or products referred to in the content. |
© 2024 by the authors. Licensee MDPI, Basel, Switzerland. This article is an open access article distributed under the terms and conditions of the Creative Commons Attribution (CC BY) license (https://creativecommons.org/licenses/by/4.0/).
Share and Cite
Shanmugam, Y.; Rajamanickam, N.; Alroobaea, R.; Afandi, A. Driving towards Sustainability: Wireless Charging of Low-Speed Vehicles with PDM-Based Active Bridge Rectifiers. Sustainability 2024, 16, 3810. https://doi.org/10.3390/su16093810
Shanmugam Y, Rajamanickam N, Alroobaea R, Afandi A. Driving towards Sustainability: Wireless Charging of Low-Speed Vehicles with PDM-Based Active Bridge Rectifiers. Sustainability. 2024; 16(9):3810. https://doi.org/10.3390/su16093810
Chicago/Turabian StyleShanmugam, Yuvaraja, Narayanamoorthi Rajamanickam, Roobaea Alroobaea, and Abdulkareem Afandi. 2024. "Driving towards Sustainability: Wireless Charging of Low-Speed Vehicles with PDM-Based Active Bridge Rectifiers" Sustainability 16, no. 9: 3810. https://doi.org/10.3390/su16093810
APA StyleShanmugam, Y., Rajamanickam, N., Alroobaea, R., & Afandi, A. (2024). Driving towards Sustainability: Wireless Charging of Low-Speed Vehicles with PDM-Based Active Bridge Rectifiers. Sustainability, 16(9), 3810. https://doi.org/10.3390/su16093810

