Greater Energy Independence with Sustainable Steel Production
Abstract
1. Introduction
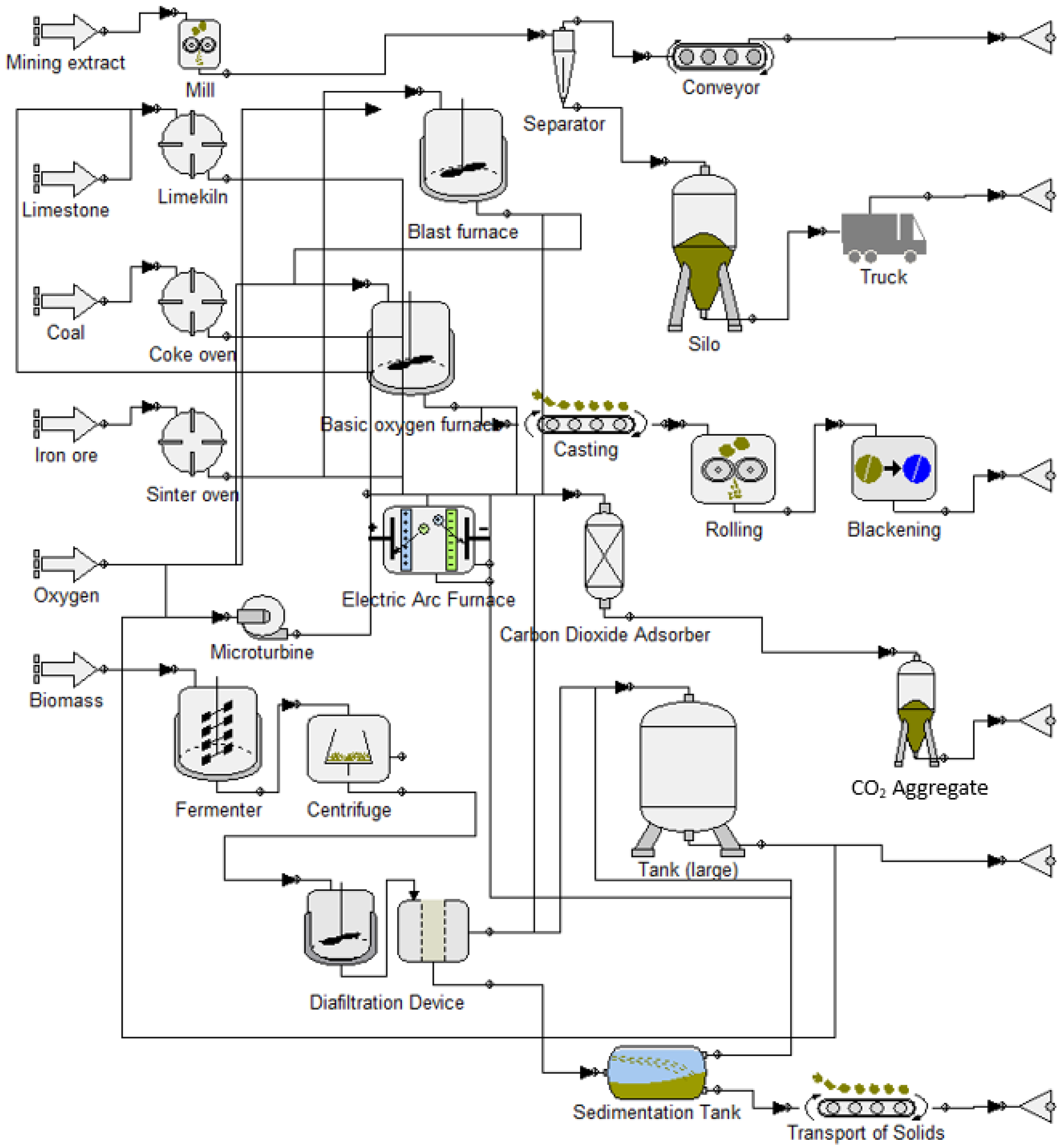
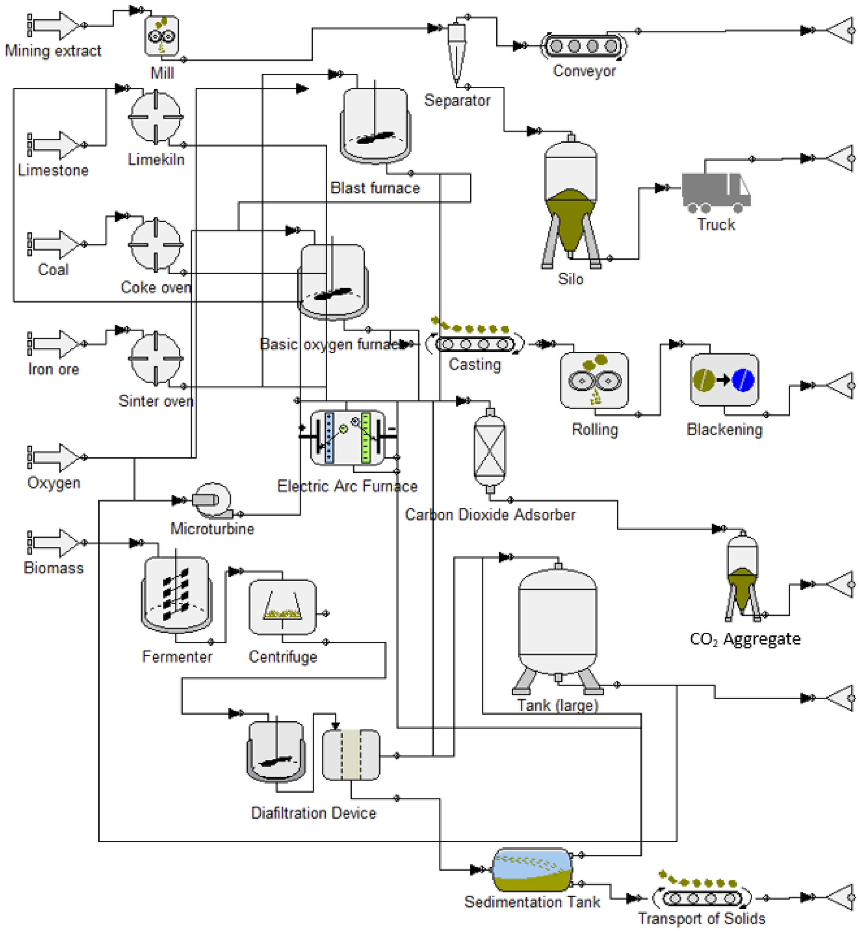
2. Materials and Methods
- Step 1: Switching to a 100% green energy provider;
- Step 2: Installing renewable energy technologies;
- Step 3: Replacing coal and coke with biomass (biochar);
- Step 4: Installation of post-combustion carbon capture technology;
- Step 5: Utilisation of CO2 in food and building projects;
- Step 6: Further process improvement in steel manufacturing;
- Step 7: Implementation of AD > biogas > green hydrogen.
2.1. Heat Loss Recovery—Energy and CO2 Saving Protocols
- (a)
- Repair energy/heat escape points and insulate as a preventive measure;
- (b)
- Using the most focused technology: instead of the BF/BOF-route, using the BF/EAF route for steel production;
- (c)
- Installation of baffles, plate heat exchangers, and other energy/heat-capturing technology where technically feasible.
2.2. Retrofitting Renewable Energy Technologies on Site
- Supporting the decarbonisation of production;
- Reaching a higher degree of energy independence;
- Achieving a higher level of asset efficiency;
- Training workforce in required ‘green’ skills;
- Reducing their energy costs;
- Creating a viable additional income stream.
3. Conclusions
- Utilisation of CO2 in the building industry (CCUS), agriculture (CEPS), chemical industry, food and drinks industry, and pharmaceuticals;
- Utilisation of waste products from steelmaking in infrastructural projects;
- Other GHG (CO, H2) captured in TGRB, can also be reused in the chemical industry, thus eliminating the need for waste management.
- Adding solar foil, panels, tiles, and shingles to buildings and carparks;
- Adding a biogas, replacing fossil fuel, and a hydrogen network from anaerobic digestion for hydrogen direct reduction of iron ore (DRI) in steel production, in addition to reformers and electrolysers;
- Installing wind turbines at brownfield sites not suitable for human habitation;
- Developing filters and capture units to be retrofitted to existing production plants emitting GHGs.
Author Contributions
Funding
Institutional Review Board Statement
Informed Consent Statement
Data Availability Statement
Conflicts of Interest
Nomenclature
| BAT | Best available technology |
| BCA | Border carbon adjustment |
| BF | Blast furnace |
| BOF | Basic oxygen furnace |
| BS EN ISO | British Standard/European Standard/International Organization for Standardization [British national version of ISO Standards (International Organization for Standardization)] |
| CapBF | Total capacity (kg) blast furnace |
| CapBOF | Total capacity (kg) basic oxygen furnace |
| CapEAF | Total capacity (kg) electric arc furnace |
| CAPEX | Capital expenses |
| CAT | Carbon avoidance technology |
| CCUS | Carbon capture and utilization or storage |
| CGE | Computable general equilibrium |
| CH4 | Methane CCS—carbon capture and storage |
| CO2 | Carbon dioxide |
| DRI | Direct reduced iron |
| EAF | Electric arc furnace |
| Eimp | Total imported energy (kg/steel) |
| EmSp.El. | CO2 emission savings/avoidance potency factor |
| Fe2O3 | Hematite |
| FeO | Wuestite |
| GEI | Grid emission intensity |
| GHG | Greenhouse gas emissions |
| H2O | Water, chemical formula |
| HBI | Hot-briquetted iron |
| H-DR | Hydrogen direct reduction |
| HHV | Higher heating value |
| I4.0 | Industry 4.0 |
| IEA | International Energy Agency |
| IPCC | Intergovernmental Panel on Climate Change |
| IRENA | International Renewable Energy Agency |
| LHV | Lower heating value |
| LKAB | Luossavaara-Kiirunavaara Aktiebolag (Swedish Mining Corporation) |
| LST | Tonne (metric) liquid steel |
| MAC | Marginal abatement cost |
| MCO2,proc | Onsite CO2 emission (kg/steel) |
| Mind | Production rate of steel (kg) capacity |
| MO.Ind | Usage of oxygen on site |
| NG | Natural gas, fossil derived methane |
| O&M | Operation and maintenance |
| O2 | Oxygen, chemical formula |
| OPC | Ordinary Portland cement |
| OPEX | Operating expenses |
| PC | Pulverized coal |
| PCC | Electricity import for CO2 capture/savings process (MJ) |
| PEM | Proton exchange membrane |
| Pind | Electricity import for the industrial process (MJ) |
| PV | Solar photovoltaic cells |
| Q | Net heat transferred into the system, Q is the sum of all heat transfer into and out of the system |
| SEC | Specific energy consumption |
| SOE | Solid oxide electrolysis |
| SSAB | Svenskt Stål AB (Swedish Steel Corporation) |
| TGRBF | Top gas recycling blast furnace |
| W | Net work performed by the system; W is the sum of all work performed on/by the system |
| WTO | World Trade Organization |
| ΔU | Change in internal energy U of the system |
| Ø | Sign for average |
Appendix A
| Energy Provider | UK Headquarters Address | Renewable Sources | Green Electricity | Green Gas | Carbon Offsetting |
|---|---|---|---|---|---|
| Octopus Energy, 2023 | UK House, 5th floor, 164-182 Oxford Street, London, W1D 1NN https://octopus.energy/ (accessed on 23 January 2024) | Anaerobic digestion, solar, wind, hydro | 100% | 0% | Yes |
| Green Energy UK, 2023 | Green Energy (UK) plc Black Swan House, 23 Baldock Street Ware, Herts, SG12 9DH https://www.greenenergyuk.com (accessed on 23 January 2024) | Hydro, solar, wind | 100% | 100% | No |
| OUTFOX The Market, 2023 | 16 North Mills, Frog Island, Leicester, Leicestershire, LE3 5DL https://www.outfoxthemarket.co.uk/ (accessed on 23 January 2024) | Wind | 100% | 0% | No |
| Ecotricity, 2023 | Lion House, Rowcroft, Stroud, Gloucestershire, GL5 3BY https://www.ecotricity.co.uk/our-green-energy/green-electricity (accessed on 23 January 2024) | Wind (98%), solar (0.12%) and hydro (0.7%) | 100% | Yes | Yes |
| OVO Energy, 2023 | 1 Rivergate Temple Quay Bristol BS1 6ED https://www.ovoenergy.com/ (accessed on 23 January 2024) | Anaerobic digestion 49%, solar 32%, wind 18%, hydro 1% | 100% | 15% | Yes |
| Good Energy UK, 2023 | Monkton Park Offices, Monkton Park Chippenham SN15 1GH https://www.goodenergy.co.uk/our-energy/electricity/ (accessed on 23 January 2024) | 49.41% = Wind. 32.71% = Bio generation. 13.60% = Solar. 4.28% = Hydro | 100% | No | Yes |
| SSE Energy Solutions, 2023 | Inveralmond House, 200 Dunkeld Road, Perth PH1 3AQ https://www.sseenergysolutions.co.uk/business-energy/our-renewable-electricity (accessed on 23 January 2024) | Hydro plants and wind farms | 100% | No | Yes |
References
- International Energy Agency. Data and Statistics. 2023. Available online: https://www.iea.org/data-and-statistics (accessed on 7 July 2023).
- Baena-Moreno, F.; Cid-Castello, N.; Arellano-García, H.; Reina, T. Towards emissions free steel manufacturing—Exploring the advantages of a CO2 methanation unit to minimize CO2 emissions. Sci. Total Environ. 2021, 781, 146776. [Google Scholar] [CrossRef]
- Hasanbeigi, A. Steel Climate Impact—An International Benchmarking of Energy and CO2 Intensities. 2022. Available online: https://static1.squarespace.com/static/5877e86f9de4bb8bce72105c/t/624ebc5e1f5e2f3078c53a07/1649327229553/Steel+climate+impact-benchmarking+report+7April2022.pdf (accessed on 7 July 2023).
- COM (European Commission); CORDIS. Steel Industry Boost Research into Cleaner Technologies. Available online: https://cordis.europa.eu/article/id/29184-steel-industry-boost-research-into-cleaner-technologies (accessed on 6 July 2023).
- International Energy Agency. Data and Statistics. 2021. Available online: https://www.iea.org/data-and-statistics/data-browser?country=WORLD&fuel=Energy%20transition%20indicators&indicator=ETISharesInPowerGen (accessed on 4 December 2023).
- Swalec, C. Guest Post: These 553 Steel Plants Are Responsible for 9% of Global CO2 Emissions. Carbon Brief. 2021. Available online: https://www.carbonbrief.org/guest-post-these-553-steel-plants-are-responsible-for-9-of-global-co2-emissions/ (accessed on 7 July 2023).
- Ren, L.; Zhou, S.; Peng, T.; Ou, X. A review of CO2 emissions reduction technologies and low-carbon development in the iron and steel industry focusing on China. Renew. Sustain. Energy Rev. 2021, 143, 110846. [Google Scholar] [CrossRef]
- International Energy Agency. Global Energy Demand Grew by 2.1% in 2017, and Carbon Emissions Rose for the First Time Since 2014—News. 2018. Available online: https://www.iea.org/news/global-energy-demand-grew-by-21-in-2017-and-carbon-emissions-rose-for-the-first-time-since-2014 (accessed on 7 July 2023).
- John Nix Pocketbook—For Farm Management, 50th ed.; The Anderson Centre: Leicestershire, UK, 2020.
- John Nix Pocketbook—For Farm Management, 53rd ed.; The Anderson Centre: Leicestershire, UK, 2023.
- Dastoor, P. (Centre for Organic Electronics Department of Physics, University of Newcastle Callaghan, Callaghan, NSW, Australia). Solar Foil. Personal communication, 18 October 2021.
- Caminiti, G.; Anderson, P.; Pulido, T.; Owens, T.; Connor, C. Implementation of Solar Energy. ArcGIS StoryMaps. 2021. Available online: https://storymaps.arcgis.com/stories/70d4da4a613a4829b4f258ad3e724923 (accessed on 6 July 2023).
- El-Khozondar, H.; El-Batta, F. Solar energy implementation at the household level: Gaza Strip case study. Energy Sustain. Soc. 2022, 12, 17. [Google Scholar] [CrossRef]
- IRENA. Renewable Power Remains Cost-Competitive amid Fossil Fuel Crisis. 2022. Available online: https://www.irena.org/news/pressreleases/2022/Jul/Renewable-Power-Remains-Cost-Competitive-amid-Fossil-Fuel-Crisis (accessed on 13 July 2023).
- Kiessling, S.; Darabkhani, H.G.; Soliman, A.H. Energies Free Full-Text The Bio Steel Cycle: 7 Steps to Net Zero CO2 Emissions Steel Production. 2022. Available online: https://www.mdpi.com/1996-1073/15/23/8880 (accessed on 11 July 2023).
- World Steel Association. Worldsteel 2019. 2019. Available online: https://worldsteel.org/wp-content/uploads/2019-World-Steel-in-Figures.pdf (accessed on 7 July 2023).
- World Steel Association. World steel in Figures. 2021. Available online: https://worldsteel.org/world-steel-in-figures-2021/ (accessed on 7 July 2023).
- World Steel Association. World Steel in Figures 2022—A Healthy Economy Needs a Healthy Steel Industry. 2022. Available online: https://worldsteel.org/steel-topics/statistics/world-steel-in-figures-2022/#:~:text=However%2C%20we%20have%20forecasted%20that,Safety%20remains%20our%20top%20priority (accessed on 7 July 2023).
- European Cement Research Academy. TR-ECRA 106-2009 ECRA CCS Project and Report about Phase II; ECRA: Düsseldorf, Germany, 2009; Available online: https://ecra-online.org/fileadmin/redaktion/files/pdf/ECRA__Technical_Report_CCS_Phase_II.pdf (accessed on 4 March 2020).
- European Lime Association. Summary of the Technical Report A Competitive and Efficient Lime Industry—Cornerstone for a Sustainable Europe. 2012. Available online: https://www.eula.eu/wp-content/uploads/2019/02/A-Competitive-and-Efficient-Lime-Industry-Summary_0.pdf (accessed on 4 December 2023).
- COM (European Commission). BIONICO: A Pilot Plant for Turning Biomass Directly into Hydrogen BIONICO Project Results in Brief H2020 CORDIS European Commission. 2019. Available online: https://cordis.europa.eu/article/id/394984-bionico-a-pilot-plant-for-turning-biomass-directly-into-hydrogen (accessed on 6 July 2023).
- Fleiter, T.; Manz, P.; Neuwirth, M.; Mildner, F.; Persson, U.; Kermeli, K.; Crijns-Graus, W.; Rutten, C. Documentation on Excess Heat Potentials of Industrial Sites Including Open Data File with Selected Potentials: D5.1. 2020. Available online: https://urn.kb.se/resolve?urn=urn:nbn:se:hh:diva-42463 (accessed on 6 July 2023).
- Li, J.; Li, C.; Zhang, W.; Zhang, J.; Xue, Z. Material, energy and exergy flows of the oxygen blast furnace process with sintering flue gas injection. J. Clean. Prod. 2022, 371, 133294. [Google Scholar] [CrossRef]
- Mandova, H.; Patrizio, P.; Leduc, S.; Kjärstad, J.; Wang, C.; Wetterlund, E.; Kraxner, F.; Gale, W. Achieving carbon-neutral iron and steelmaking in Europe through the deployment of bioenergy with carbon capture and storage. J. Clean. Prod. 2019, 218, 118–129. [Google Scholar] [CrossRef]
- Moran, M.J.; Sciubba, E. Exergy Analysis: Principles and Practice. J. Eng. Gas Turbines Power 1994, 116, 285–290. [Google Scholar] [CrossRef]
- World Economic Forum. The $86 Trillion World Economy—In One Chart. 2019. Available online: https://www.weforum.org/agenda/2019/09/fifteen-countries-represent-three-quarters-total-gdp/ (accessed on 14 July 2023).
- International Energy Agency. Global CO2 Emissions Rebounded to Their Highest Level in History in 2021—News. 2021. Available online: https://www.iea.org/news/global-co2-emissions-rebounded-to-their-highest-level-in-history-in-2021 (accessed on 7 July 2023).
- STATISTA. Global Net Electricity Consumption Worldwide in Select Years from 1980 to 2022 (in Terawatt-Hours). 2023. Available online: https://www.statista.com/statistics/280704/world-power-consumption/ (accessed on 28 November 2023).
- STATISTA. Electricity Use for Iron and Steel Production in the United Kingdom (UK) from 2000 to 2023 (in Terawatt-Hours). 2023. Available online: https://www.statista.com/statistics/323391/electricity-use-for-iron-and-steel-production-in-the-united-kingdom-uk/ (accessed on 29 November 2023).
- Langley, K.F. Energy efficiency in the UK iron and steel industry. Appl. Energy 1986, 23, 73–107. [Google Scholar] [CrossRef]
- Yurcent Environmental Technology Co., Ltd. Zeolite Rotor-Product. 2023. Available online: https://en.yurcent.com/Products_3/20.html (accessed on 7 July 2023).
- International Energy Agency. World Energy Outlook 2023—Analysis and Key Findings. A Report by the International Energy Agency. IEA: Paris, France, 2023; Available online: https://www.iea.org/reports/world-energy-outlook-2023 (accessed on 25 January 2024).
- Chen, Q.; Gu, Y.; Tang, Z.; Wei, W.; Sun, Y. Assessment of low-carbon iron and steel production with CO2 recycling and utilization technologies: A case study in China. Appl. Energy 2018, 220, 192–207. [Google Scholar] [CrossRef]
- Gozens, J.; Turnbull, A.; Jotzo, F. An Installation-Level Model of China’s Coal Sector Shows How Its Decarbonization and Energy Security Plans Will Reduce Overseas Coal Imports; CCEP Working Paper; Crawford School of Public Policy, Centre for Climate and Energy Policy, Australia National University: Canberra, Australia, 2021; Available online: https://ccep.crawford.anu.edu.au/sites/default/files/publication/ccep_crawford_anu_edu_au/2021-12/ccep2109_-_gosens_turnbull_jotzo_-_china_coal_model.pdf (accessed on 3 August 2022).
- COM (European Commission). Circular Economy: Faster Progress Needed to Meet EU Resource-Efficiency Targets, Ensure Sustainable Use of Materials and Enhance Strategic Autonomy. 2023. Available online: https://environment.ec.europa.eu/news/circular-economy-faster-progress-needed-meet-eu-resource-efficiency-targets-ensure-sustainable-use-2023-05-15_en#:~:text=In%20recent%20years%2C%20circular%20economy,0.8%25%20of%20the%20EU’s%20GDP (accessed on 3 January 2023).
- COM (European Commission); CORDIS European Commission. Hydrogen Meeting Future Needs of Low Carbon Manufacturing Value Chains H2Future Project Fact Sheet H2020. 2023. Available online: https://cordis.europa.eu/project/id/735503 (accessed on 6 July 2023).
- COM (European Commission). EU Climate Targets: How to Decarbonise the Steel Industry. Available online: https://joint-research-centre.ec.europa.eu/jrc-news-and-updates/eu-climate-targets-how-decarbonise-steel-industry-2022-06-15_en (accessed on 6 July 2023).
- US Department of Energy Efficiency & Renewable Energy. Hydrogen Production: Natural Gas Reforming. 2021. Available online: https://www.energy.gov/eere/fuelcells/hydrogen-production-natural-gas-reforming (accessed on 4 December 2023).
- Tata Steel Europe. Tata Steel in Europe Sustainability Report 2019/2020. 2020. Available online: https://www.tatasteeleurope.com/sites/default/files/TSE%20Sustainability%20report%202019-20%20(EN).pdf (accessed on 7 July 2023).
- Tata Steel. Tata Steel in Europe. Sustainability Report 2021-2023 Tata Steel’s UK Business. Available online: https://www.tatasteeleurope.com/sites/default/files/tata-steel-uk-sustainability-report-2021-2023.pdf (accessed on 25 January 2024).
- Toktarova, A. The Low-Carbon Steel Industry-Interactions between the Hydrogen Direct Reduction of Steel and the Electricity System—ProQuest; Department of Space, Earth and Environment, Chalmers University of Technology: Gothenburg, Sweden, 2021; Available online: https://www.proquest.com/openview/c2a4d77d71403fdbffd33f250b13251d/1?pq-origsite=gscholar&cbl=2026366&diss=y (accessed on 7 July 2023).
- Kittipongvises, S. Assessment of Environmental Impacts of Limestone Quarrying Operations in Thailand. Environ. Clim. Technol. 2017, 20, 67–83. [Google Scholar] [CrossRef]
- Seethalakshmi, K.K.; Jijeesh, C.M.; Balagopalan, M. Bamboo Plantations: An Approach to Carbon Sequestration; Kerala Forest Research Institute: Trichur, India, 2016; Available online: https://www.researchgate.net/publication/215475397_Bamboo_plantations_An_approach_to_Carbon_sequestration (accessed on 4 December 2023).
- Kuramochi, T.; Ramírez, A.; Turkenburg, W.; Faaij, A. Techno-economic assessment and comparison of CO2 capture technologies for industrial processes: Preliminary results for the iron and steel sector. Energy Procedia 2011, 4, 1981–1988. [Google Scholar] [CrossRef]
- Kuramochi, T.; Höhne, N.; Schaeffer, M.; Cantzler, J.; Hare, B.; Deng, Y.; Sterl, S.; Hagemann, M.; Rocha, M.; Yanguas-Parra, P.A.; et al. Ten key short-term sectoral benchmarks to limit warming to 1.5 °C. Clim. Policy 2018, 18, 287–305. [Google Scholar] [CrossRef]
- Office for National Statistics. Population Estimates. 2021. Available online: https://www.ons.gov.uk/peoplepopulationandcommunity/populationandmigration/populationestimates (accessed on 14 July 2023).
- International Renewable Energy Agency. World Energy Transitions Outlook: 1.5 °C Pathway. 2021. Available online: https://www.irena.org/publications/2021/Jun/World-Energy-Transitions-Outlook (accessed on 4 December 2023).
- Intergovernmental Panel for Climate Change. Climate Change 2021—The Physical Science Basis Summary for Policymakers; Cambridge University Press: Cambridge, UK, 2021; Available online: https://www.ipcc.ch/report/ar6/wg1/downloads/report/IPCC_AR6_WGI_SPM.pdf (accessed on 7 July 2023).
- OFGEM. Smart Export Guarantee (SEG). 2023. Available online: https://www.ofgem.gov.uk/environmental-and-social-schemes/smart-export-guarantee-seg (accessed on 7 July 2023).
- OFGEM. Find Business Energy Efficiency Grants and Schemes. Available online: https://www.ofgem.gov.uk/information-consumers/energy-advice-businesses/find-business-energy-efficiency-grants-and-schemes (accessed on 7 July 2023).
- Wang, R. Energy Saving Technologies and Optimisation of Energy Use for Decarbonised Iron and Steel Industry. Ph.D. Thesis, Durham University, Durham, UK, 2022. Available online: http://etheses.dur.ac.uk/14289/ (accessed on 7 July 2023).
- Wang, C.; Walsh, S.D.; Haynes, M.W.; Weng, Z.; Feitz, A.; Summerfield, D.; Lutalo, I. From Australian Iron Ore to Green Steel: The Opportunity for Technology-Driven Decarbonisation. 2022. Available online: https://ecat.ga.gov.au/geonetwork/srv/api/records/5377741d-ece0-4e01-b87e-6bf49da11c03 (accessed on 7 July 2023).
- Wang, R.; Liang, L.; Wang, Y.; Roskilly, A.P. ID: 9. Process Simulation of Blast Furnace Operation with Biomass Syngas Injection for Clean Production; Sir Joseph Swan Centre for Energy Research, Newcastle University: Newcastle, UK, 2019; Available online: https://www.energy-proceedings.org/wp-content/uploads/2020/02/9_Paper_0705055709.pdf (accessed on 10 January 2020).
- Kempken, T.; Hauck, T.; De Santis, M.; Rodriguez, P.Q.; Miranda, M.; Gonzalez, D.; Simonelli, F.; Vu, H.; Szulc, W.; Croon, D.; et al. Collection of Possible Decarbonisation Barriers (Deliverable D1.5); Centre for European Policy Studies (CEPS): Brussels, Belgium; Green Steel for Europe Consortium, 2021; Available online: https://www.estep.eu/assets/Uploads/D1.5-Collection-of-possible-decarbonisation-barriers.pdf (accessed on 2 March 2022).
- Bazooyar, B.; Darabkhani, H.G. Design, manufacture and test of a micro-turbine renewable energy combustor. Energy Convers. Manag. 2020, 213, 112782. [Google Scholar] [CrossRef]
- Devlin, A.; Yang, A. Regional supply chains for decarbonising steel: Energy efficiency and green premium mitigation. Energy Convers. Manag. 2022, 254, 115268. [Google Scholar] [CrossRef]
- United Nations Environment Program. The Six-Sector Solution to the Climate Crisis. 2020. Available online: https://www.unep.org/interactive/six-sector-solution-climate-change/ (accessed on 13 July 2023).
- UNEP United Nations Environment Program. UN Biodiversity Conference (COP 15). 2022. Available online: http://www.unep.org/un-biodiversity-conference-cop-15 (accessed on 13 July 2023).
- United Nations. Paris Agreement 2016; United Nations: New York, NY, USA, 2016; Available online: https://unfccc.int/process-and-meetings/the-paris-agreement (accessed on 25 January 2024).
- Intergovernmental Panel for Climate Change. CLIMATE CHANGE 2023 Synthesis Report—Summary for Policymakers. Report No.: AR6. Available online: https://www.ipcc.ch/report/ar6/syr/downloads/report/IPCC_AR6_SYR_SPM.pdf (accessed on 5 January 2023).
- Jahani, N.; Sepehri, A.; Vandchali, H.R.; Tirkolaee, E.B. Application of Industry 4.0 in the Procurement Processes of Supply Chains: A Systematic Literature Review. Sustainability 2021, 13, 7520. [Google Scholar] [CrossRef]
- Office for National Statistics. Population Estimates for the UK, England and Wales, Scotland and Northern Ireland. 2021; National and Subnational Mid-Year Population Estimates for the UK and Its Constituent Countries by Administrative Area, Age, Sex and Components of Population Change. Available online: https://www.ons.gov.uk/peoplepopulationandcommunity/populationandmigration/populationestimates/bulletins/annualmidyearpopulationestimates/mid2018 (accessed on 14 July 2023).
- Office for National Statistics. Foreign Direct Investment, Experimental UK Subnational Estimates: 2021. 2023. Available online: https://www.ons.gov.uk/releases/foreigndirectinvestmentexperimentaluksubnationalestimatesmarch2023 (accessed on 14 July 2023).
- Leadership Group for Industrial Transition. Green Steel Tracker. 2023. Available online: https://www.industrytransition.org/green-steel-tracker/ (accessed on 25 January 2024).




| Scheme | Description |
|---|---|
| England Woodland Creation Offer | Landowners, land managers, and public bodies can apply to the England Woodland Creation Offer (EWCO) for support to create new woodland. Over GBP 10,000 per hectare. |
| Greening Eden | The CBEN Partnership will complete the calculations using data provided by each company and site visits to provide practical and cost-effective advice on how to reduce emissions. A GBP 400,000 grant fund has been established to help capital investment projects deliver emission reductions. |
| Green Heat Network Fund | Commercialisation and construction of new low and zero-carbon (LZC) heat networks (including the supply of cooling). Retrofitting and expansion of existing heat networks. Funding will support the uptake of low-carbon technologies like heat pumps, solar, and geothermal energy as a central heating source. The GHNF is open to organisations in the public, private, and third sectors in England (no individuals, households, or sole traders). |
| Green Gas Support Scheme | Funding support for biomethane injection to the national grid. |
| Smart Export Guarantee (SEG) | The SEG funds for the low-carbon electricity exporters, feeding back to the National Grid. Anyone with an installation of one of the following technology types is eligible to apply: solar photovoltaic (solar PV), wind, micro combined heat and power (micro-CHP), hydro, anaerobic digestion (AD) support and grants for SMEs to help them to reduce carbon emissions. |
| SMEES | SME Energy Efficiency Scheme (SMEES): Guidance and funding for businesses looking to improve their energy efficiency. |
| Energy for Business | Support and grant funding for SMEs with projects to reduce carbon emissions or save energy. |
| HNIP | Heat Networks Investment Project (HNIP) government-backed funding. |
| Low Carbon Dorset | Free support to help businesses in Dorset reduce their carbon emissions, improve energy efficiency, and aid the development of new low-carbon products. |
| Business Energy Efficiency Programme | Energy reviews and grants to help businesses in the West Midlands manage and reduce energy costs. |
| Low Carbon Workspaces | Offers grants to implement energy efficiency measures, save money and cut waste. |
| Horizon Europe funding | Funding for research or innovation that is groundbreaking, improves European research standards or responds to challenges like climate change or food security. |
| Coventry and Warwickshire Green Business Programme | Grants, free energy audits, and low carbon product development support for businesses. |
| Step 1–7 | Project or | |||
|---|---|---|---|---|
| BiSC | Technique | Process | Company | System/Performance |
| 1 | Switching > green energy | Energy Provider | See Appendix A | 100% renewable energy |
| 2 | Installing renewables: solar | Solar PV panels | Internal contracts | 1 kWh/4 panels = 25,667 panels |
| 2 | Installing renewables: wind | Horizontal axis w. turbine | Norvento nED100 | 100 kW/£317,655.27 × 65 |
| 2 | Installing renewables: wind | Horizontal axis w. turbine | Enercon E53 | 800 kW/£807,581.80 × 8 |
| 2 | Installing renewables: wind | Horizontal axis w. turbine | EWT DW61 | 1 MW/£981,368.75 × 6 |
| 2 | Installing renewables: wind | Horizontal axis w. turbine | Enercon E82 | 3 MW/£1,829,271.35 × 3 |
| 2 | Installing renewables: wind | Horizontal axis w. turbine | Enercon E126 EP3 | 3.5 MW/£2,458,302.00 × 2 |
| 2 | Installing renewables: wind | Vertical axis wind turbine | Patriot Modular | 70 kW/£188,196.00/× 92 |
| 2 | Installing renewables: hydro | Small closed-loop system | Helios Atlas | 6.5 MW |
| 3 | Using biomass/green H2 | H2ermes: H2 from seawater | HyCC/Tata Steel | 15,000 t H2/p.a. |
| 4 | CO2 filters installation | CaCO3-based CO2 absorber | Giammarco Vetrocoke | Hot potassium carbonate (HPC) solution-based filter |
| 5 | Utilisation of captured CO2 | Geomimetic: CCUS in aggregate | Blue Planet | 100% CCUS |
| 6 | Process improvement | Hisarna; ironmaking by simultaneous iron ore reduction and scrap melting combined with biomass and limestone instead of lime | Tata Steel, Horizon 2020, Horizon Europe | 3300 t hot metal per day |
| 7 | Anaerobic digestion > biogas utilisation in steelmaking | Biogas and H2 from anaerobic digestion | Biogen | Biogas production |
Disclaimer/Publisher’s Note: The statements, opinions and data contained in all publications are solely those of the individual author(s) and contributor(s) and not of MDPI and/or the editor(s). MDPI and/or the editor(s) disclaim responsibility for any injury to people or property resulting from any ideas, methods, instructions or products referred to in the content. |
© 2024 by the authors. Licensee MDPI, Basel, Switzerland. This article is an open access article distributed under the terms and conditions of the Creative Commons Attribution (CC BY) license (https://creativecommons.org/licenses/by/4.0/).
Share and Cite
Kiessling, S.; Gohari Darabkhani, H.; Soliman, A.-H. Greater Energy Independence with Sustainable Steel Production. Sustainability 2024, 16, 1174. https://doi.org/10.3390/su16031174
Kiessling S, Gohari Darabkhani H, Soliman A-H. Greater Energy Independence with Sustainable Steel Production. Sustainability. 2024; 16(3):1174. https://doi.org/10.3390/su16031174
Chicago/Turabian StyleKiessling, Sandra, Hamidreza Gohari Darabkhani, and Abdel-Hamid Soliman. 2024. "Greater Energy Independence with Sustainable Steel Production" Sustainability 16, no. 3: 1174. https://doi.org/10.3390/su16031174
APA StyleKiessling, S., Gohari Darabkhani, H., & Soliman, A.-H. (2024). Greater Energy Independence with Sustainable Steel Production. Sustainability, 16(3), 1174. https://doi.org/10.3390/su16031174
