Next Article in Journal
Gastronomy as a Predictor of Tourism Development—Defining Food-Related Factors from the Perspective of Hospitality and Tourism Employees in Srem (A.P. Vojvodina, R. Serbia)
Previous Article in Journal
Steel Fiber Reinforced Concrete: A Systematic Review of Usage in Shield Tunnel Segment
 
 
Font Type:
Arial Georgia Verdana
Font Size:
Aa Aa Aa
Line Spacing:
Column Width:
Background:
Article

Simulation Approach as an Educational Tool for Comparing NOx Emission Reductions in Two-Stroke Marine Diesel Engines During Low-Load Operation: Water–Fuel Emulsion vs. Late Injection

Faculty of Maritime Studies, University of Rijeka, 51000 Rijeka, Croatia
*
Author to whom correspondence should be addressed.
Sustainability 2024, 16(24), 10833; https://doi.org/10.3390/su162410833
Submission received: 21 October 2024 / Revised: 29 November 2024 / Accepted: 3 December 2024 / Published: 11 December 2024
(This article belongs to the Section Energy Sustainability)

Abstract

Shipping, as the most efficient, cheapest, and most widespread mode of transporting goods, also generates significant exhaust emissions. This has led to the adoption of stringent regulatory restrictions on emissions from ship propulsion systems. Consequently, the education and training of marine engineers can significantly impact their understanding of how emissions are generated and their potential for reduction. The engine room simulator is an indispensable tool in the training of marine engineers. Since operating conditions and parameters have the greatest impact on NOx emissions, this forms the primary focus of this research. This study tests the accuracy and precision of the engine room simulator in simulating emissions and evaluating the influence of operating conditions on them. Furthermore, the implementation and testing of NOx emission reduction technologies are vital for promoting sustainable shipping, ensuring regulatory compliance, and training personnel to support environmentally conscious maritime operations. Using the example of a two-stroke marine diesel engine, the results obtained are compared with test bench data from similar engines. Special emphasis is placed on simulating the operation of a two-stroke diesel engine at low speed, or low load, where secondary NOx reduction methods cannot be used. Therefore, the simulator is tested using two available technologies: water–fuel emulsion and altering the fuel injection timing to reduce NOx emissions. The simulation results for the water–fuel emulsion show high accuracy in predicting NOx emission trends when changing the water content in the emulsion at nominal power. However, at low load, the results show significant deviations. Testing the effect of altering fuel injection timing under low load using the engine room simulator shows significant differences compared to available research. Nonetheless, research on NOx emissions in this engine mode is limited, presenting a potential area for further study. When comparing the results for nominal power operation, the simulation provides more accurate results, particularly in terms of the influence of fuel injection timing on NOx emissions. However, engine tests on the test bench still reveal more substantial changes in emissions than those obtained using the engine room simulator.

1. Introduction

The maritime transport of goods is crucial for the functioning of today’s socio-economic system, and seagoing vessels are used to transport over 80% of the transport of goods [1]. Thanks to the size of the ships, shipping is the most economical and efficient method of transporting goods in international transport while ensuring reliable transport with low costs [1]. In maritime transport by ships, the most widespread propulsion engine is the two-stroke diesel engine, which has the highest efficiency compared to other types of propulsion machinery [2]. Despite their high efficiency, these engines generate significant exhaust emissions that pose a serious environmental challenge. The basic gases contained in engine exhaust gases are nitrogen (N2), oxygen (O2), water vapor (H2O) and carbon dioxide (CO2). In addition to basic gases, exhaust gases also contain concentrations of nitrogen oxides (NOxs), sulfur oxides (SOxs), particulate matter (PM), carbon monoxide (CO) and non-burned hydrocarbons. Nitrogen oxides (NOxs) are toxic elements in exhaust gases that are carcinogenic to human health, destroy the ozone layer and cause acid rain [3]. In a study conducted by Eyring et al. [4], it was estimated that 15% of global NOx emissions are generated by emissions from ships. In more recent studies conducted by the European Environment Agency and the European Maritime Safety Agency [5], it is estimated that 24% of global NOx emissions are accounted for by maritime transport. Therefore, it was certainly necessary to adopt strategies and regulations to reduce these exhaust emissions in maritime transport and the maritime industry.
Apart from the US Environment Agency (EPA) and the European Commission (EC), the most relevant legislation adopted in terms of reducing NOx emissions from ships is the one from the International Maritime Organization (IMO) within the International Convention for the Prevention of Pollution from Ships (MARPOL). Annex VI, Chapter 13 of this convention lists the permissible emissions, sets the limits to prevent air pollution from ships [6] and regulates the maximum permissible concentration of NOx from engine exhaust gases in regard to the engine installation year. These regulations apply to all built-in engines with an output power of more than 130 kW, regardless of the tonnage of the ship, except for those used exclusively for rescue purposes. Therefore, three NOx emission levels (Tier I, Tier II, Tier III) have been defined. These levels determine the permissible amount of NOx in the exhaust gases in g/kWh, depending on the operating engine speed, which is presented in Figure 1 [7].
Tier III standards presently apply only to ships operating within Nitrogen Oxide Emission Control Areas (NECAs) and are specified for engines on vessels constructed after 2016. Therefore, different tiers are determined by the date the ship’s keel was laid: Tier I limits apply to engines on ships with keels laid on or after 1 January 2000; Tier II applies to those laid on or after 1 January 2011. While Tier I and Tier II standards are enforced globally, Tier III standards specifically apply to engines on ships with keels laid on or after 1 January 2016, operating within existing or newly adopted NECA zones. Tier III standards represent an 80% reduction in NOx emissions compared to Tier II, which applies outside of NECA zones [8].
If two-stroke diesel engines are to meet the permissible nitrogen oxide emission limits, then various primary and secondary methods of reducing NOx emissions are used [3].
The technologies available to reduce NOx emissions from powered diesel engines are presented in Figure 2. Generally, it can be divided into primary and secondary methods.
Primary reduction methods act on the fuel combustion process in the engine, i.e., on the influence of oxygen and nitrogen concentrations in the cylinder during fuel combustion and the local temperatures during the combustion process. The most used primary reduction methods are the following:
  • Usage of split fuel injection by the means of employing multiple injections: This reduces the maximum pressure in the cylinder and, consequently, the temperature during combustion that directly affects the concentration of NOx formation. The split injection technology has the ability to reduce specific NOx emissions by 40% in a four-stroke diesel engine [9], although a slight increase in specific fuel consumption (SFOC) is present [10].
  • Modifications of the fuel spray: This reduces the injection angle, the number and shape of holes on the fuel atomizer and the volume of the injector nozzle. Several studies investigated potential reductions in NOx by changing fuel injector design and shows potential NOx emission reduction up to 10% [11,12].
  • Optimization of combustion pressure in the cylinder and/or usage of the Miller process. Optimization is performed in a way to achieve high compression pressure with a short combustion period that reduces NOx generation. The Miller process is used only in four-stroke diesel engines, where the combustion temperature is consequently reduced, thus leading to the formation of NOx. These technologies are extensively studied and reduce NOx emissions by up to 40%, particularly when combined with other methods like exhaust gas recirculation. [13,14,15]. Although these technologies are mostly used on four-stroke engines and do not increase SFOC, it cannot achieve Tier III levels by itself.
  • Injecting water into the cylinder represented by two methods: The use of a water–fuel emulsion or the direct injection of water into the cylinder. The water in the cylinder during the combustion period reduces the charge air temperature in the cylinder, which consequently leads to reduced NOx emissions. The direct water injection (DWI) method involves injecting water directly into the combustion chamber through a separate nozzle, achieving a 30–50% [16] reduction in NOx emissions, albeit with an increase in fuel consumption. The core feature of this design is a combined injection valve that delivers both fuel and water separately [17]. The water–fuel emulsification of fuel with fresh water before injection into the engine [18] is another method. Same as the DWI method, this technology offers reduction in NOx emissions up to 50% [19] on two-stroke marine diesel engines but still cannot meet Tier III standards and has a negative impact on SFOC.
  • The use of exhaust gas recirculation (EGR), i.e., by bringing a part of the exhaust gases back into the cylinder, where we consequently reduce the concentration of oxygen in the cylinder and increase the specific heat capacity of the cylinder gases. All these effects consequently reduce the generation of NOx. The potential reduction in NOx emissions on two-stroke marine diesel engines can be up to 70% with high EGR rates of 30–40% [17]. Although very complex and expensive for implementation, it can still meet Tier III levels.
Secondary methods to reduce NOx emissions consists of the treatment of exhaust gases after the combustion process. Selective Catalytic Reduction (SCR) is the most effective [8] and, currently, the most widely used secondary method for reducing NOx emissions. With this method, up to 95% of NOx can be removed from exhaust gases [9]. This method is indispensable for ships entering NECA zones. While Tier II could be reached by means of internal engine adjustments, Tier III requires post-combustion measures. Selective Catalytic Reduction (SCR) is considered the most effective technology on the market, largely meeting Tier III requirements independently.
This method uses a process of injecting ammonia (NH3) or urea into the exhaust gases in a catalytic converter environment. The injected liquid separates NOx into nitrogen and water, which can be described by Expressions (1) and (2) [9].
4NO + 4NH + O2 → 4N2 + 6H2O
6NO2 + 8NH + O2 → 7N2 + 12H2O
For a successful chemical reaction, it is necessary to achieve the temperature of the exhaust gases in the catalytic reductor between 300 °C and 400 °C. In the case of reaching higher temperatures, ammonia is burned and does not participate in the chemical reaction. At exhaust gas temperatures lower than 250 °C, ammonia condensation occurs and therefore does not participate in the chemical reaction [3,20,21]. These low exhaust gas temperatures often occur when sailing at reduced speeds or during maneuvering.
Therefore, the method of reducing NOx emissions largely depends on the design of the engine itself, the associated subsystems as well as on the operating conditions of the engine.
The purpose of this research is to assess the accuracy of an engine room simulator in training marine engineers to reduce NOx emissions in two-stroke marine diesel engines. Although the capacity to adjust engine operating parameters for NOx reduction in existing engines is limited, understanding the impact of operational settings on NOx emissions is essential. Training propulsion personnel, such as marine engineers, is crucial, and engine room simulators are an important tool used in this training. The International Maritime Organization (IMO) emphasizes the use of simulators for educating marine engineers [22,23]. This study aims to determine if a certified engine room simulator [24] can effectively train engineers to manage engine parameters in ways that reduce NOx emissions, particularly in scenarios where SCR (Selective Catalytic Reduction) technology is unavailable. By comparing simulator results with published experimental and numerical data, this research will evaluate the simulator’s suitability and accuracy as a training tool for reducing NOx emissions in real-world operations. Furthermore, the implementation of NOx emission reduction technologies plays a crucial role in promoting sustainable maritime transport and environmentally friendly shipping. Various technologies do not only support compliance with MARPOL regulations but also contribute to the global shift toward sustainable shipping practices. Testing the effectiveness of such technologies is therefore essential for training personnel, equipping them with the knowledge and skills necessary to operate in an environmentally conscious maritime industry.
For this study, the methods of water–fuel emulsion and late fuel injection were chosen, as they can be tested within the engine room simulator. These methods do not depend on operating auxiliary systems, such as an SCR reactor, but instead focus on modeling combustion within the engine cylinder. Additionally, they can be independently cross-checked against available experimental data. Simulator results are therefore verified by comparing both absolute values and emission trends to ensure a comprehensive evaluation.
Research and modeling of two-stroke diesel engine emissions have been conducted in several studies, where a special focus is put on modeling the formation of NOx and the impact of various technologies on their reduction. In this sense, Lalić et al. [25] in their study developed a model of NOx emissions as a function of excess air, pressure and air temperature on a two-stroke engine. The model suggests that the reduction in the excess air affects the adiabatic temperature of the flame, which directly affects the formation of NOx emissions. Some additional research in the field of a late fuel injection to reduce NOx emissions is mentioned in a study conducted by Lewinska [26], where a late fuel injection of 5° on a four-stroke marine diesel engine caused 13–19% reduction. A study conducted by Fayad [27] also confirmed that, by retarding fuel injection at different engine speeds and loads caused a reduction in NOx emissions. Furthermore, research regarding the impact of multiple injections on four-stroke and two-stroke diesel engines has been conducted in several studies: Pelić et al. [28], Kontoulis et al. [29] and Panagiotis et al. [30,31]. Thereby, the main theory explaining how delayed fuel injection reduces NOx formation in diesel engines centers around several interconnected mechanisms. Primarily, delayed injection lowers peak combustion temperatures, as combustion starts later in the engine cycle when the cylinder volume is greater. This temperature reduction limits NOx formation, which is sensitive to high temperatures. Additionally, delayed injection extends the combustion duration, preventing a sharp rise in temperature and creating a more gradual heat release. Finally, this approach reduces oxygen concentration at peak temperatures within the cylinder, as more fuel burns during the expansion stroke when the volume is increasing.
The usage of water–fuel emulsion as a measure to reduce NOx emissions has been investigated in several studies, such as Salih, S.Y. [32], Alahmer et al. [33], Feng et al. [34], Hountalas et al. [35,36]. Additionally, a study conducted by Gupta et al. [37] gives an overview of recent progress in the research of using water–diesel emulsion for the purpose of improving emission characteristics of a single-cylinder direct-injection diesel engine. Furthermore, a study conducted by Attia et al. [38] explores the structure of water in diesel–fuel emulsion where the findings show that a larger size of water droplets results in a greater reduction in NOx emissions. Studies conducted by Reddy et al. [39], Badran et al. [40] and Samoilenko et al. [41] also conducted similar research on the usage of water–fuel emulsion in diesel engines for engine emission reduction. Recent developments in water fuel emulsification technologies claim that IMO Tier III emission limits can be achieved by using water–fuel emulsion [42]. All these scientific studies confirm that NOx reduction with water–fuel emulsions involves several mechanisms. By incorporating water, the combustion temperature decreases as water vaporizes, absorbing heat and thus limiting the conditions favorable for NOx formation. Additionally, the presence of water reduces oxygen concentration within the combustion zone, which constrains the NOx generation process. The emulsion also results in delayed combustion, which prevents rapid temperature spikes that promote NOx production. In general, it can be assumed that a concentration of 1% water in a water–fuel emulsion reduces NOx emissions by 1%, as noted by Woodyard [43].
The engine room simulator as an indispensable tool used in the training of marine engineers is noted in several studies: Wiig et al. [44], Laskowski et al. [45] and Liang et al. [46]. The vast majority of simulators also offers advanced capabilities for modeling machinery operation and conducting scientific studies, such as Hristov et al. [47], who considers the use of an engine room simulator to train seafarers on the impact of turbocharger fouling on engine operating parameters. Glujić et al. [18] analyzed and compared the use of SCR technology and the use of water–fuel emulsion in reducing NOx emissions from a two-stroke diesel engine using an engine room simulator. Furthermore, Rumac et al. [48] used an engine room simulator to perform an analysis of the influence of ammonia dosing on the formation of NOx emissions and the impact of SCR operations on the specific fuel consumption of the engine. Pavin et al. [49] in their study also used an engine room simulator to examine the impact of failures of earlier and later fuel injections on engine emissions.

2. Simulation Environment

2.1. Engine Model

The experiment was conducted on a certified Kongsberg K-SIM ERS MC90-V engine room simulator (Navi Mumbai, India), software version ERS MC90-V 2.7.1.0297. The simulator provided operations in a simulated engine room that allowed for the changing of the operating parameters of the main engine and other auxiliary systems. The model is based on the example of the VLCC ship, with a total length of 305 m, powered by a MAN B&W 5L90MC two-stroke diesel engine with a maximum continuous power of 18,000 kW. The engine was equipped with twin turbochargers with associated charge air coolers where a maximum charge air pressure of 2.1 bar is achieved. The minimum specific consumption of this engine is 168 g/kWh [9].

2.2. Fuel System Model

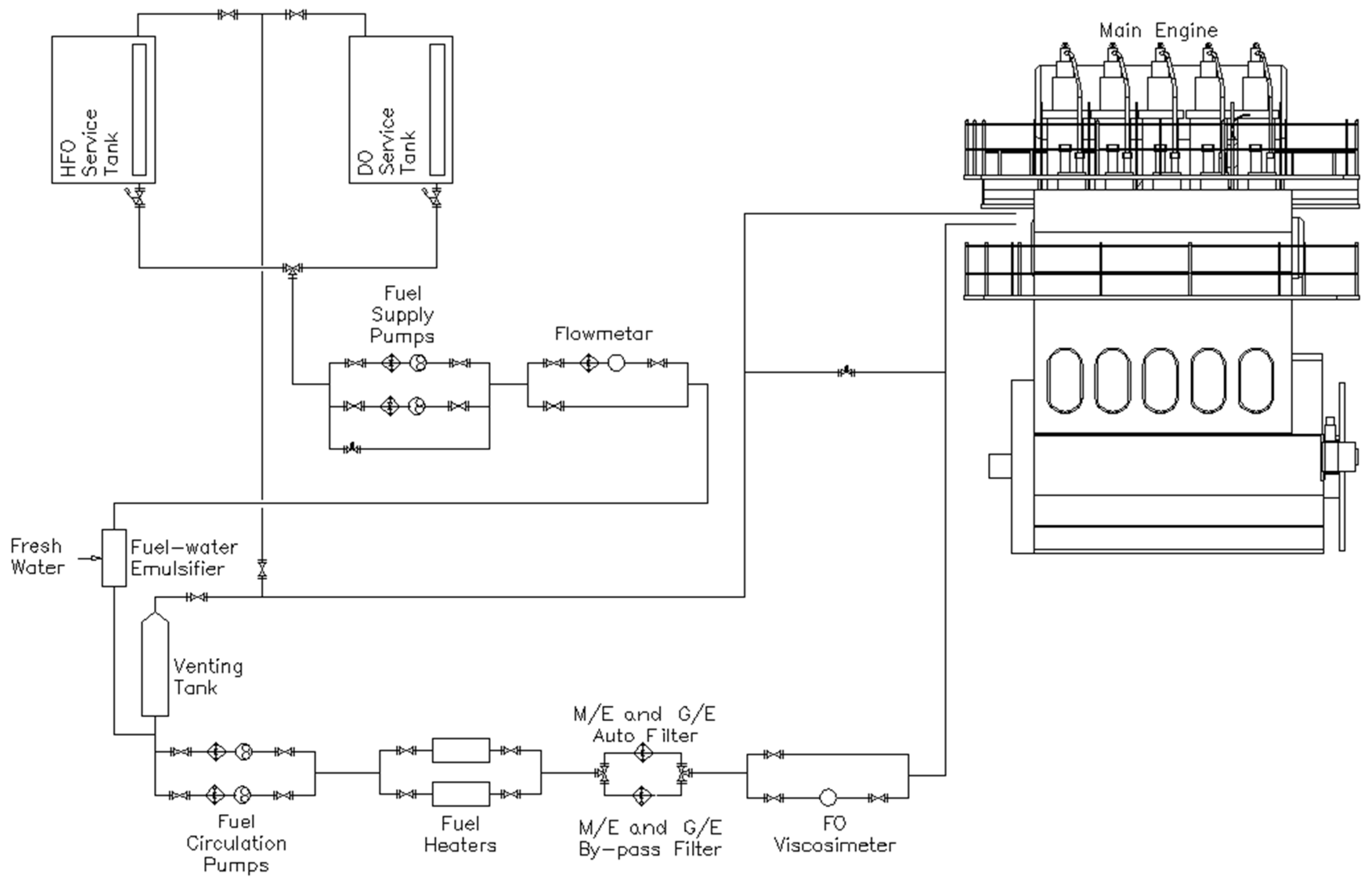
The fuel system, presented in Figure 3, was supplied with fuel through a triangular valve that determines the consumption of heavy fuel or diesel fuel in the system. Downstream the triangular valve, there are supply pumps that supplied fuel from the service tank into the fuel circulation system through a volumetric flow meter. An emulsifier was installed in a downstream flow meter in front of the circulation pumps, which were used to circulate fuel in a “closed system”. The emulsifier was equipped with a controller for controlling the concentration of water in the water–fuel emulsion. It served to create a stable emulsion of fuel and water, which was later injected into the engine via high-pressure fuel pumps [50]. There were also steam heaters in the circulation circuit, in which the fuel was heated to achieve the required viscosity of 15 cSt. The fuel heating system was controlled by an automatic PID viscosity regulator that regulated the amount of steam flow through fuel heaters. In addition to steam fuel heaters, the fuel pipelines were equipped with a steam tracing heating system where the steam flowed in order to prevent temperature drops across the piping. A constant pressure valve maintained a constant fuel pressure in the system.

2.3. Simulation Experiment Data

Simulations were performed in two cases of sailing mode: sailing at 25 rpm and sailing with full power ahead, at 74 rpm. Simulations in full speed mode were carried out for the purpose of result comparison. In both cases, the ship draught and environmental conditions were kept the same to avoid its influence on engine operating conditions. The operating parameters for various equipment, including the two-stroke main diesel engine, that were used in the simulator experiment, are based on the manufacturer-specific “default” values and are listed in Table 1.
Two different experiments were performed to examine and compare two different primary methods for NOx reduction, which are as follows:
  • At set engine speed, the percentage of water in the water/fuel emulsion was gradually increased from 5% up to 20%, controlling NOx emissions and SFOC as the main parameters. Due to increasing the water content in the emulsion, the fuel heat value was decreased [51].
  • At a set engine speed, the angle of fuel injection was changed, and the generation of NOx and the change in SFOC were monitored.
During both simulation experiments, the following engine parameters were recorded:
  • NOx—Specific NOx emission; g/kWh.
  • SFOC—Specific fuel oil consumption; g/kWh.
  • FUELtemp—Fuel temperature at engine inlet; °C.
  • FUELvisco—Fuel viscosity at engine inlet; cSt.
  • Effective engine power; MW.
  • Engine speed; rpm.
  • STPWTRCNT—Setpoint of water–fuel concentration (conc. of water in fuel); %.
  • WTRflow—Water flow at the inlet to the emulsifier; ton/h.
  • Fuel flow at emulsifier inlet; ton/h.
  • FUELrack—Position of the fuel rack; %.
  • TCYL HEAD—Mean cylinder head wall temperature (cylinder average 1–5).
  • TIGN—Fuel Combustion Starting Point (related to cylinder upper dead center—UDC)—obtained by simulation of the combustion process in the cylinder (cylinder average 1–5).
  • TINJ—Fuel injection starting point (related to cylinder upper dead center—UDC)—obtained by simulation of the combustion process in the cylinder (cylinder average 1–5).
  • Pmax—Maximum cylinder pressure—obtained by simulating the combustion process in the cylinder (cylinder average 1–5).
  • PCYL IND—Indicated power/cylinder—obtained by simulating the combustion process in the cylinder (cylinder average 1–5).
  • TEXH MEAN—Mean exhaust gas temperature per cylinder (cylinder average 1–5).
  • Position of VIT system settings.

3. Results

3.1. Simulation of Water–Fuel Emulsion

By adding homogenized water with fuel while the engine was running at low speed, the specific NOx emission shows a tendency to decrease linearly with an increase in water concentration in fuel (Figure 4).
The calculation shows that, by a 10% increase in water concentration, the specific NOx emission had decreased from 21.9 g/kWh to 20.1 g/kWh. By further increasing the concentration of water in the fuel to 20%, the NOx emission was reduced to the level of 18.36 g/kWh.
When changing the water–fuel concentration, the temperature of the exhaust gases remained constant (within the limit of 1 °C). SFOC has increased from 524.25 g/kWh (when using purely heavy fuel) to 557.95 g/kWh (when using 20% water-fuel concentration). This represents an increase in specific fuel consumption of 6.46%. Furthermore, this caused an increase in fuel consumption during the experiment from 0.36 t/h to 0.38 t/h for maintaining a stable engine speed of 25.9 rpm. During the experiment, the engine kept a constant indicated power of 965.5 kW. Consequently, a simulated displacement movement of the fuel rack of 30.4% was measured (from 18.45% to 24.03% when the engine was running on a water–fuel concentration of 20%). The change in fuel temperature was also noticed to maintain a constant viscosity of 15 cSt. The fuel temperature was raised from 119.9 °C (when using pure heavy fuel) to 136 °C (when using a water–fuel concentration of 20%).
For the purpose of result comparisons, an experiment was conducted with the engine operation at 74 rpm (Figure 5). By adding and homogenizing water in the fuel, a reduction in the specific NOx emission by 19.7% is simulated (when using a water–fuel concentration of 20%). In this setting, the simulated specific NOx emission was 12.25 g/kWh, significantly lower than the emission when operating at low load (18.36 g/kWh). In this case, a change in the exhaust gas temperature of 6 °C is also simulated (decrease from 330.2 °C to 323.9 °C). The simulated SFOC during this experiment increased from 192.5 g/kWh to 195.9 g/kWh (when using 20% water–fuel concentration). This represents an increase in the SFOC of 1.77%. Therefore, fuel consumption has increased from 3.31 t/h to 3.38 t/h to maintain the engine speed of 74 rpm.
A fuel rack movement of 25.3% was also simulated (from 59.29% to 74.28% when using water–fuel concentration of 20%). Furthermore, the simulated change in fuel temperature while maintaining a constant viscosity is identical to that in the initial experiment performed at 25 rpm.

3.2. Simulation of Injection Timing Changing

When the engine is running at 25 rpm, “default” fuel injection occurs at 2° after the upper dead center (UDC) (Figure 6). At that point, the specific NOx emission is 21.86 g/kWh and shows a tendency to increase with a change in the fuel injection angle in both directions (earlier and later injections). Beside the increase in specific NOx emissions, an increase in exhaust gas temperatures at the cylinder outlets is simulated (from 203.5 °C, when injecting fuel at 2° after UDC, to a maximum of 227.1 °C when the injection angle shift is 6° after UDC). An increase in the exhaust gas temperature was also simulated when conducting tests of earlier injections.
The maximum pressure in the cylinder is achieved at injection point of −1° before the UDC (44.75 bar); while, during injection at 2° after the UDC, the pressure is reduced by 2.75 bar. At this point, the lowest NOx emissions and SFOC is achieved (523.7 g/kWh). By changing the injection point in both directions, an increase in the SFOC is simulated (maximum 578.38 g/kWh at an injection angle of 6° after the UDC). As a result, the fuel consumption flow is increased from 0.36 t/h to 0.4 t/h, in order to maintain a constant indicated power per cylinder of 193 kW. The mean cylinder head wall temperature was in a constant decline from a maximum of 162.2 °C (injection angle of −1° UDC to a minimum of 123.8 °C at of 6° after the UDC).
For the purpose of data comparison, a simulation of earlier and later injections at 74 rpm is also performed. In this case, the lowest NOx emissions of 14.88 g/kWh are simulated. The fuel injection in this case is at −0.9° (before) UDC (Figure 7). In the case, when the lowest specific emissions are achieved (fuel injection at −0.9° to 0.07° UDC), SFOC ranges between 187.06 g/kWh and 189.02 g/kWh. In this case, the maximum pressure in the cylinder is 131.5 bar, and the exhaust gas temperature is 328.3 °C. An earlier fuel injection further reduces further the SFOC to a minimum of 168.47 g/kWh (−8.5° before the UDC). This point presents the most efficient engine operation point. However, at this point, the specific NOx emission is increased to a level of 15.9 g/kWh (at −7.6° before the UDC) and maximum cylinder pressure of 134.2 bar. The start of combustion is detected around −2.33° before the UDC. By further shifting the injection point later, an increase in SFOC is simulated (max. of 192.9 g/kWh at 1.2° after the UDC) with a reduction in the engine thermal load. This is manifested in a decrease in the mean temperature of the cylinder head wall (from 225.1 °C to 196.5 °C).

4. Result Comparison

4.1. Water–Fuel Emulsion

The specific NOx emissions obtained from simulations at nominal speed correspond to the results from tests conducted on the MAN B&W 4T50ME-X engine (Figure 8) [51]. The emission values and the influence of the water–fuel concentration on NOx emissions align both, in terms of values and trends (Figure 9). The absolute difference between results in NOx emissions does not exceed 5%. The simulation results follow the general rule that a 1% increase in the water–fuel concentration leads to a 1% reduction in NOx emissions, as noted by Woodyard [43] (Figure 9). The numerical results and NOx emission reductions in percentages are presented in Table 2.
However, the simulation results from the engine operating at low load differ from similar research or numerical calculations. Laskowski et al. [45] reported significantly lower NOx emission values in their simulations using the Kongsberg K-SIM simulator compared to experimental results. Notably, their simulation was performed at 30 rpm, while this study was conducted at 25 rpm. This difference in engine speed may explain the variation in results, which is further supported by the nearly identical trend of the influence of water–fuel concentrations on NOx emissions. As noted in a study conducted by the Danish Environment Agency [19], small changes in engine load at lower engine operating speeds significantly impact specific NOx emissions (Figure 8). Furthermore, test bench experiments conducted at 25% engine load [19] demonstrate a reduced impact of water–fuel concentrations on specific NOx emissions compared to higher load levels, especially at water concentrations of up to 20% (Figure 8). Consequently, due to the simulator’s limitations in accurately representing small load variations and the differing trends in specific NOx emissions associated with water–fuel concentration at low loads, marine engineering simulators may not fully convey the relationship between these variables when used as educational tools.
Nonetheless, the simulator replicates the relationship between water–fuel concentrations and specific NOx emissions with high accuracy when operating the engine at nominal load.
The changes in SFOC observed in the simulation also shows deviations from existing studies (Figure 10). At nominal engine speed (74 rpm), the simulated SFOC drops to 188 g/kWh at a water–fuel concentration of 5%. Beyond this point, further increases in water concentration result in higher SFOC. A similar test conducted on the MAN B&W 4T50ME-X engine under comparable conditions shows a linear increase in SFOC as water concentration increases.
At low engine speed (25 rpm), the simulation results show a tendency opposite to the one observed at the MAN B&W 4T50ME-X engine test. In that test, SFOC decreases up to a water–fuel concentration of 20%, beyond which it starts to increase. This differs from the simulation experiment, where SFOC increases linearly as the water–fuel concentration rises.
A reduction in SFOC at low loads and lower water–fuel concentrations was observed during laboratory tests of the MAN B&W 4T50ME-X engine (Copenhagen, Denmark) [19], with similar findings reported in earlier studies, such as those by Henningsen, S. [52]. The likely cause for this SFOC reduction is the increase in injected mass and jet torque, which enhances the air-to-fuel ratio, improving combustion conditions [19]. Additionally, the diameter of the fuel injector holes is optimized for prolonged heavy-duty injection, and the addition of water effectively reduces the port size, resulting in longer injection durations.
Similar to the impact of water–fuel concentrations on specific NOx emissions, changes in SFOC are minimal when the engine operates at high loads. However, simulation experiments replicating engine operations at low loads reveal significant deviations in both the values and trends compared to actual engine tests.
The simulation experiment also identified changes in fuel temperature as the water concentration in the fuel increased. These changes directly reflect the maintenance of constant fuel viscosity of 15 cSt (Figure 4d and Figure 5d). This is consistent with existing research, such as studies conducted by Li et al. [53] and Alaa, M. et al. [51], which also confirmed the physical relationship between changes in the heavy fuel kinematic viscosity and the water–fuel concentration.

4.2. Injection Angle Changing

The complete numerical results of weighted NOx emission comparisons based on the start of injection (SOI) angle are presented in Table 3.
A simulation experiment conducted when the engine was operated at 25 rpm reveals that the minimum specific NOx emissions and the lowest SFOC are achieved when fuel injection occurs at 2° after the UDC. By changing the injection angle to earlier or later fuel injections, specific NOx emissions and SFOC increase at identical rates.
Laboratory studies involving engine operations at low speed and low power, with varying injection angles to test NOx emissions, are relatively scarce.
A study on the Wartsila 6RTA58T-B engine (Helsinki, Finland), referenced in Borkowski et al. [54], conducted at 25 rpm, reports a reduction in NOx emissions by 110 ppm (7.47%) when the injection timing is delayed by 1°. In this case, the change in emissions is significantly greater than the one identified by the simulator experiment where the simulated change in NOx emissions at 25 rpm for a 1° delay in injection is approximately 1%. In the aforementioned study [54], the effects of altering the fuel injection angle using the variable injection timing system (VIT), as well as changing the injection angle by 1°, were investigated across the entire operating range of the engine.
Table 3. Weighted NOx emission comparison based on start of injection (SOI) angle as investigated in different studies.
Table 3. Weighted NOx emission comparison based on start of injection (SOI) angle as investigated in different studies.
ResearchEngine TypeEngine Rated Speed (rpm)/Test Speed (rpm)Start of Injection (°UDC)
−8.5−7.6−5.5−3.5−2.65~−2.5−1.9−1.5−0.5−0.07~0.20.41~0.50.81.21.4~1.522.83.6
Simulation exp.MAN B&W 5L90MC74/7415.815.915.615.315.214.9--14.91515.315.2----
MAN B&W 5L90MC74/25-----22.7--22.4-22.2-2221.922.322.9
Sun, X. et al. [55]MAN B&W 6S35ME153/142----18-161514.7---12---
Borkowski, T. et al. [54]6 RTA 58T—Meas.105/105-------16.716.1-------
6 RTA 58T—CFD-------15.916.3-------
No further experimental studies were found for comparison, so this area requires further research. This study could also confirm the accuracy of the ‘V curve’ in the specific NOx emission obtained in the simulator experiment when running the engine at low speed (Figure 6a).
Furthermore, as per simulator experiment, with earlier fuel injections while operating the engine at nominal speed (74 rpm), it is observed that specific NOx emissions increase, while SFOC decreases. The minimal SFOC of 168.4 g/kWh is achieved when fuel is injected at −8.57° UDC. In the case of a fuel injection offset towards later injection, specific NOx emissions decrease to a minimum value within an injection timing range between −0.9° and −0.07° UDC. By further shifting the injection to later, the specific NOx emission increases. Across the complete range, from injection −8.57° to 1.17° after the UDC, the SFOC is increasing. The maximum cylinder pressure ranges from 133.5 to 133.1 bar for fuel injection timings between −8.7° and −2.6° before the UDC. However, as the fuel injection is further delayed, the pressure continues to decrease, reaching 129.2 bar when fuel is injected at 1.17° after the UDC.
The results of this simulation experiment, in terms of reducing SFOC with the usage of earlier injection, coincide with a similar simulation performed on an engine room simulator performed by Pavin, Z et al. [49]. However, in the mentioned experiment, the influence of the injection point changes on the specific NOx emission was not considered, nor were the relationships of the injection point and change in specific fuel consumption specified.
A study conducted on a MAN B&W 6S35ME-B9 engine where the mechanism of a multi-component chemical reaction used in the CFD model for the purpose of studying NOx emissions in a marine engine powered by heavy fuel was described in Sun et al. [55]. This study shows significant deviations in the tendency of decrease and increase in specific NOx emissions when injecting fuel after the UDC (Figure 11). However, the aforementioned research takes into account the specificities of the MAN B&W 6S35ME-B9 engine, which may represent some differences in the tendency of changes in the specific NOx emissions.
The experimental analysis compared with the CFD analysis conducted on two-stroke diesel engines, the Wärtsilä 6RTA58T-B and Wärtsilä 7RTA62U, as described in the study conducted by Borkowski et al. [54], reveals notable differences between calculated and measured values. In contrast, the simulation experiment performed in this study shows that a 1° change in the injection angle results in a more significant decrease in specific NOx emissions, aligning more closely with the values observed in the study by Sun et al. [55]. Interestingly, the CFD analysis in the Borkowski et al. study [54] shows an opposite trend in specific NOx emissions. This discrepancy highlights an area for further investigation and research, emphasizing the need to refine simulation methods and validate them with experimental data.
Research conducted to model test experiments aimed at optimizing the specific fuel consumption and specific NOx emissions of the MAN B&W 4T50ME-X engine, as described by Mayer, S. et al. [56], also demonstrates a reduction in specific NOx emissions, which corresponds to a decrease in maximum cylinder pressure. This is observed as a result of delayed fuel injection.
The increase in SFOC observed during the simulation experiment follows the trend described in the research conducted by Mayer, S. et al. [56] and Borkowski et al. [54].

5. Conclusions

This paper presents the change in NOx emissions where two types of primary reduction methods are investigated and compared: water–fuel emulsion and injection angle change. The experiment was performed using the Kongsberg K-SIM ERS MC90-V shipbuilding simulator, and the results were later compared with related research and experiments. For comparison, the experiment was conducted both when the engine was running at low rpm and at nominal speed. In the first experiment, the water content in the water–fuel emulsion was increased from 0% to 20%, with a 5% increasements in each test. The second experiment involved changing the fuel injection timing, in both directions, and earlier and later injections were tested.
The results of this study show that, in both cases, adding water to the fuel led to a linear decrease in specific NOx emissions as the water concentration increased. When the engine was operated at low rpm, specific NOx emissions dropped from 21.9 g/kWh to 18.36 g/kWh, while SFOC increased from 524.25 g/kWh to 557.95 g/kWh, representing a 6.43% increase. At nominal load, the specific NOx emission was reduced from 15.27 g/kWh to 12.25 g/kWh, a 19.7% reduction. Emissions at full load were significantly lower than at low speeds, but the results follow the established rule that each 1% increase in water emulsion results in a 1% decrease in NOx emissions.
Furthermore, delaying and advancing fuel injection at 25 rpm resulted in minimum specific NOx emissions and fuel consumption of 21.86 g/kWh and 523.7 g/kWh, respectively, when fuel was injected at 2° after the UDC. Adjusting the injection angle for earlier or later injection produced an almost identical linear increase in NOx emissions and specific fuel consumption. At nominal load, the greatest reduction in NOx emissions occurred when fuel was injected between 0.9° and 0.07° before the UDC. In this case, SFOC ranged from 187.06 to 189.02 g/kWh, and the maximum cylinder pressure reached 131.5 bar. Earlier injection achieved the most efficient engine operation, with SFOC at 168.47 g/kWh, when fuel was injected at −8.5° RPM UDC. However, at this injection angle, specific NOx emissions increased to 15.82 g/kWh.
The simulation results were compared with related studies, and a relative match was found for the water–fuel emulsion, with minor deviations at engine running at nominal speed. However, at low rpm, some discrepancies in emission values were observed. Nevertheless, the trend of reducing specific NOx emissions with increasing water concentration in the fuel aligned with results obtained during engine testing. Additionally, the effect of reducing SFOC at lower engine loads with lower water–fuel concentrations was observed in several studies and confirmed by this experiment. The engine room simulator also accurately replicated the increase in fuel temperature before injection to maintain a constant viscosity of 15 cSt, as supported by research that verifies the physical relationship between the change in the kinematic viscosity of heavy fuel and the water concentration in the water–fuel emulsion.
Due to limited research on injection angle displacement at low loads, it is challenging to compare the simulation results and validate the accuracy of the V-curve for specific NOx emissions obtained in the simulator experiment. This area of research offers significant potential for future investigations in optimizing fuel injection angle offsets to reduce NOx emissions.
At nominal load, the simulation results were consistent with available engine research and tests regarding NOx emission reductions through delayed fuel injection. However, the reduction ratios for NOx emissions, when adjusting the injection angle, differed significantly from those obtained in engine tests. These discrepancies may also be caused by design differences in the engines, which certainly represent an area for further research.
The experiments performed on the engine room simulator have proven to be an accurate educational tool for marine engineers and students, particularly in areas such as NOx emission reductions through water–fuel emulsion; especially at nominal load, fuel temperature control and the tendency of NOx emission changes during late injection at nominal engine speed. The results demonstrate that simulators can serve as a reliable basis even for scientific research in areas where accurate trends were observed, such as the influence of water concentration in fuel on NOx emissions at nominal load.
The primary shortcoming of this research lies in the lack of available experimental data on NOx emissions and SFOC for water–fuel emulsions and variations in the injection start. Experimental studies focusing on low-load operations of these engines are almost non-existent, despite this being a critical area where SCR technology cannot be applied. Although the main purpose of this research is to test the accuracy of an engine room simulator, this research addresses this gap exploring operational scenarios for two-stroke main engines under such conditions. While alternative technologies like EGR can be employed, further studies could investigate the potential of combining EGR with other solutions or exploring entirely new approaches to meet Tier III emission limits.

Author Contributions

Conceptualization, M.S. and J.D.; methodology, J.D.; software, M.S. and J.D.; validation, M.S., J.D., V.P. and R.R.; formal analysis, M.S. and J.D.; investigation, M.S. and J.D.; resources, R.R.; data curation, M.S. and J.D.; writing—original draft preparation, M.S. and J.D.; writing—review and editing, M.S., J.D., V.P. and R.R.; visualization, M.S. and J.D.; supervision, R.R.; project administration, V.P. and R.R.; funding acquisition, V.P. and R.R. All authors have read and agreed to the published version of the manuscript.

Funding

This research received no external funding.

Institutional Review Board Statement

Not applicable.

Informed Consent Statement

Not applicable.

Data Availability Statement

The data presented in this study are available upon request from the corresponding author.

Conflicts of Interest

The authors declare no conflicts of interest.

References

  1. International Maritime Organization (IMO). Available online: https://www.imo.org/en/About/Pages/Default.aspx (accessed on 28 May 2024).
  2. Mohan, B.; Yang, W.; Chou, S.K. Fuel injection strategies for performance improvement and emissions reduction in compression ignition engines—A review. Renew. Sustain. Energy Rev. 2013, 28, 664–676. [Google Scholar] [CrossRef]
  3. Lamas, M.I.; Rodriguez, C.G. Emissions from Marine Engine and NOx Reduction Methods. J. Mar. Res. 2012, 9, 77–83. [Google Scholar]
  4. Eyring, V.; Kohler, H.W.; Van Aardenne, J.; Lauer, A. Emissions from international shipping: 1. The last 50 years. J. Geophys. Res. 2005, 110, D17305. [Google Scholar] [CrossRef]
  5. European Maritime Safety Agency (EMSA); European Environment Agency (EEA). Facts and Figures: The EMTER Report. Available online: https://www.emsa.europa.eu/emter.html (accessed on 5 June 2024).
  6. International Maritime Organization (IMO). MARPOL Consolidated Edition, 5th ed.; International Maritime Organization: London, UK, 2011; pp. 263–266. [Google Scholar]
  7. Amarineblog.com. Available online: https://amarineblog.com/2017/08/05/nox-and-tier/ (accessed on 28 May 2024).
  8. WinGD. Tier III NOx Compliance: Introduction of SCR On Engine (iSCR), Technical Information Note 014. Available online: https://www.wingd.com/en/documents/technical-information-notes/wingd_tin014_iscr-introduction/#:~:text=While%20Tier%20II%20could%20be,meeting%20Tier%20III%20requirements%20independently (accessed on 10 June 2024).
  9. Hermansen, A. K-Sim, Engine Room Simulator, ERS-L11 MAN B&W-5L90MC-VLCC, Version MC90-V Machinery and Operation; Kongsberg Maritime AS: Kongsberg, Norway, 2014. [Google Scholar]
  10. Imperato, M.; Kaario, O.; Larmi, M.; Sarjovaara, T. Emission reduction methods and split fuel injection in a marine four-stroke engine. J. Mar. Sci. Technol. 2018, 23, 94–103. [Google Scholar] [CrossRef]
  11. Shrivastava, S.; Ghosh, A.; Singh, A. Advanced fuel injector design and modelling in IC engines to reduce exhaust gas emissions. Int. Res. J. Eng. Technol. 2022, 9, 3446–3453. [Google Scholar]
  12. RKLab. Available online: https://www.rklab.com/technology (accessed on 20 November 2024).
  13. Yfantis, E.; Zannis, T.; Katsanis, I.; Papaginnakis, R.; Siritoglou, P.; Lamprou, A. Miller Cycle Application in Marine Diesel Engines for NOx Reduction: A-Review. In Proceedings of the 2015 ASHRAE International Conference on Energy and Environment in Ships, Athens, Greece, 22–24 May 2015. [Google Scholar]
  14. Gonca, G.; Sahin, B.; Parlak, A.; Ayhan, V.; Cesur, I.; Koksal, S. Application of the Miller cycle and turbo charging into a diesel engine to improve performance and decrease NO emissions. Energy 2015, 93, 795–800. [Google Scholar] [CrossRef]
  15. Pelić, V.; Mrakovčić, T.; Medica-Viola, V.; Valčić, M. Effect of Early Closing of the Inlet Valve on Fuel Consumption and Temperature in a Medium Speed Diesel Engine Cylinder. J. Mar. Sci. Eng. 2020, 8, 747. [Google Scholar] [CrossRef]
  16. Okubo, M.; Kuwahara, T. New Technologies for Emission Control in Marine Diesel Engines; Butterworth Heinemann—Elsavier: Oxford, UK, 2020. [Google Scholar]
  17. MAN Energy Solutions. MAN B&W Two-Stroke Marine Engines, Emission Project Guide for Marpol Annex VI Regulations. Available online: https://man-es.com/applications/projectguides/2stroke/content/special_pg/PG_7020-0145.pdf (accessed on 18 November 2024).
  18. Glujić, D.; Kralj, P.; Bernečić, D. SCR and Fuel-Water Emulsion Equipment Influence on the Two-stroke Ship Engine Fuel Oil Consumption and Harmful Gasses Emission Analysis. In Proceedings of the 4th International Conference on Smart & Green Technology for Shipping and Offshore Decommissioning SMATECH 2023, London, UK, 24–25 April 2023. [Google Scholar]
  19. Andreasen, A.; Nyggard, K.B. Water-in-Fuel Emulsion as a Marine Engine Fuel for Reduced NOx and Particulate Emissions, Project No. 1380 2011; Danish Ministry of the Environment, Environmental Protection Agency: København, Denmark, 2011; Available online: https://www2.mst.dk/udgiv/publications/2011/08/978-87-92779-30-4.pdf (accessed on 20 October 2024).
  20. Bernečić, D.; Radonja, R. The Selective Catalytic Reduction (SCR) Application on Two Stroke Slow Speed Marine Diesel Engines. Pomorstvo 2011, 25, 15–28. [Google Scholar]
  21. Marty, P. Ship Energy Efficiency Study: Development and Application of an Analysis Method. Ph.D. Thesis, Ecole Centrale de Nantes, Nantes, France, 2014. [Google Scholar]
  22. International Maritime Organization (IMO). Engine Room Simulator, Model Course 2.07; International Maritime Organization: London, UK, 2015. [Google Scholar]
  23. International Maritime Organization (IMO). Train the Simulator Trainer and Assessor, Model Course 6.09A; International Maritime Organization: London, UK, 2011. [Google Scholar]
  24. Det Norske Veritas (DNV). Simulators by Type of Certificate. 2004. Available online: https://brandcentral.dnv.com/download/DownloadGateway.dll?h=BE1B38BB718539CC0AB58A5FF2EA7A8378092E52D63A591F6DE2F2554AA756A482DFE5B23BB823E4B09FE76A9C55C6C2 (accessed on 10 June 2024).
  25. Lalić, B.; Račić, N.; Radica, G. Two-Stroke Low Speed Diesel Engine Simulation for NOx Analysis. Trans. Marit. Sci. 2017, 6, 14–23. [Google Scholar] [CrossRef]
  26. Lewinska, J. The influence of fuel injection pump malfunctions of a marine 4-stroke Diesel engine on composition of exhaust gases. Combust. Engines 2016, 167, 53–57. [Google Scholar] [CrossRef]
  27. Fayad, M.A. Effect of fuel injection strategy on combustion performance and NOx/smoke trade-off under a range of operating conditions for a heavy-duty DI diesel engine. SN Appl. Sci. 2019, 1, 1088. [Google Scholar] [CrossRef]
  28. Pelić, V.; Mrakovčič, T.; Radonja, R.; Valčić, M. Analysis of the Impact of Split Injection on Fuel Consumption and NOx Emissions of Marine Medium-Speed Diesel Engine. J. Mar. Sci. Eng. 2020, 8, 820. [Google Scholar] [CrossRef]
  29. Kontoulis, P.; Chryssakis, C.; Kaitktsis, L. Analysis of combustion and emissions in a large two-stroke marine diesel engine using CFD and T-φ mapping. In Proceedings of the 18th International Multidimensional Engine Modeling User’s Group Meeting at the SAE Congress, Detroit, MI, USA, 13 April 2008. [Google Scholar]
  30. Panagiotis, A.; Chryssakis, C.; Kaiktsis, L. Optimization of Injection Characteristics in a Large Marine Diesel Engine Using Evolutionary Algorithms; SAE Papers 2009-01-1448; SAE International: Warrendale, PA, USA, 2009. [Google Scholar]
  31. Panagiotis, A.; Zompanakis, A.; Chryssakis, C.; Kaiktsis, L. Effects of the Fuel Injection Parameters on the Perfromance and Emissions Formation in a Large-Bore Marine Diesel Engine. Int. J. Engine Res. 2011, 12, 14–29. [Google Scholar] [CrossRef]
  32. Salih, S.Y. Water-Diesel Emulsion: A Review. Int. J. Adv. Eng. Technol. 2017, 10, 429–436. [Google Scholar]
  33. Alahmer, H.; Alahmer, A.; Malik, I.A.; Alrbai, M.; Al-Rbaihat, R.; Al-Manea, A.; Alkhazaleh, R. Optimal Water Addition in Emulsion Diesel Fuel Using Machine Learning and Sea-Horse Optimizer to Minimize Exhaust Pollutants from Diesel Engine. Atmosphere 2023, 14, 449. [Google Scholar] [CrossRef]
  34. Feng, L.; Du, B.; Tian, J.; Long, W.; Tang, B. Combustion Performance and Emission Characteristics of a Diesel Engine Using a Water-Emulsified Heavy Fuel Oil and Light Diesel Blend. Energies 2015, 8, 13628–13640. [Google Scholar] [CrossRef]
  35. Hountalas, D.T.; Mavropoulos, G.C.; Zannis, T.C.; Mamalis, S.D. Use of Water Emulsion and Intake Water Injection as NOx Reduction Techniques for Heavy Duty Diesel Engines; SAE Papers 2006-01-1414; SAE International: Warrendale, PA, USA, 2006. [Google Scholar]
  36. Hountalas, D.T.; Mavropoulos, G.C.; Zannis, T.C. Comparative Evaluation of EGR, Intake Water Injection and Fuel/Water Emulsion as NOx Reduction Techniques for Heavy Duty Diesel Engines; SAE Paper 2007-01-0120; SAE International: Warrendale, PA, USA, 2007. [Google Scholar]
  37. Gupta, R.; Aravind, K.; Karthikeya, S.T.; Amba, R.; Madhu, K. Effects of Water-Diesel Emulsion on the Emission Characteristics of Single Cylinder Direct Injection Diesel Engine—A Review. Appl. Mech. Mater. 2014, 592–594, 1526–1533. [Google Scholar] [CrossRef]
  38. Attia, A.M.; Kulchitskiy, A.R. Influence of the structure of water-in-fuel emulsion on diesel engine performance. Fuel 2014, 116, 703–708. [Google Scholar] [CrossRef]
  39. Reddy, K.B.; Reddy, D.D.; Sai, S.T. Imapct of Emulsified Water & Diesel Mixture on Engine Performance and Environment. IOSR J. Mech. Civ. Eng. 2015, 12, 29–34. [Google Scholar]
  40. Badran, O.; Emeish, S.; Abu-Zaid, M.; Abu-Rahma, T.; Al-Hasan, M.; Al-Ragheb, M. Impact of Emulsified Water/Diesel Mixture on Engine Performance and Environment. Int. J. Therm. Environ. Eng. 2011, 3, 1–7. [Google Scholar] [CrossRef]
  41. Samoilenko, D.; Savchenko, A.; Kravchenko, S. Improving the performance of diesel engines fueled with water-fuel emulsion. Combust. Engines 2023, 194, 116–122. [Google Scholar] [CrossRef]
  42. Riviera Maritime. Available online: https://www.rivieramm.com/news-content-hub/news-content-hub/fuel-emulsion-meets-tier-iii-nox-limits-with-pilot-ignition-55468 (accessed on 19 November 2024).
  43. Woodyard, D. Pounder’s marine diesel engines and gas turbines, 9th ed.; Butterworth Heinemann—Elsavier: Oxford, UK, 2009. [Google Scholar]
  44. Wiig, A.C.; Sellberg, C.; Solberg, M. Reviewing simulator-based training and assessment in maritime education: A topic modeling approach for tracing conceptual developments. WMU J. Marit. Aff. 2023, 22, 143–164. [Google Scholar] [CrossRef]
  45. Laskowski, R.; Chybowski, L.; Gawdzińska, K. An Engine Room Simulator as a Tool for Environmental Education of Marine Engineers. In New Contributions in Information Systems and Technologies; Rocha, A., Correia, A., Costanzo, S., Reis, L., Eds.; Springer International Publishing: Cham, Switzerland, 2015; Volume 354. [Google Scholar] [CrossRef]
  46. Liang, S.; Cao, H.; Shen, H. Intelligent Evaluation Method of Marine Engine Simulator Based on Combination Weighting. In Proceedings of the 3rd International Conference on Modeling, Simulation, Optimization and Algorithm (ICMSOA 2021), Sanya, China, 12–14 November 2021. [Google Scholar]
  47. Hristov, D.; Vasilev, D.; Kurtev, I. Two stroke dual fuel engine performance analysis on liquid and gas fuel mode related to the new training demands for marine engineers. Pedagogy 2023, 95, 12–20. [Google Scholar] [CrossRef]
  48. Rumac, F.; Glujić, D.; Bernečić, D. The influence of SCR on main engine parameters. Pomorstvo 2022, 36, 113–122. [Google Scholar] [CrossRef]
  49. Pavin, Z.; Knežević, V.; Orović, J.; Valčić, M. Impact of Late and Early Fuel Injection on Main Engine Efficiency and Exhaust Gas Emissions. TransNav 2023, 17, 177–181. [Google Scholar] [CrossRef]
  50. Lalić, B.; Kulenović, Z.; Komar, I.; Antonić, R. Water-In-Fuel Emulsion as a Primary Method to Remove NOx from Diesel Engine Exhaust Gas. In Proceedings of the 13th International Research/Expert Conference, Trends in the Development of Machinery and Associated Technology (TMT2009), Hammamet, Tunisia, 16–21 October 2023. [Google Scholar]
  51. Alaa, M.; Soulayman, S.; Abdelkarim, T.; Walid, Z. Water/Heavy Fuel OIL Emulsion Production, Characterization and Combustion. Int. J. Renew. Energy Dev. 2021, 10, 597–605. [Google Scholar] [CrossRef]
  52. Henningsen, S. Influence of the Fuel Injection Equipment on NOx Emissions and Particulates on a Large Heavy-Duty Two Stroke Diesel Engine Operating on Water-in-Fuel Emulsion; SAE Papers 941783; SAE International: Warrendale, PA, USA, 1994. [Google Scholar] [CrossRef]
  53. Li, Y.Y.; Hou, S.S.; Sheu, W.J. Investigation on boiler efficiency and pollutant emissions of water/heavy oil emulsions using edge-tone resonant homogenizer. Fuel 2014, 119, 240–251. [Google Scholar] [CrossRef]
  54. Borkowski, T.; Listewnik, J. An experimental investigation of fuel injection timing on NOx emission of marine slow speed engines. J. JIME 2006, 41, 24–30. [Google Scholar] [CrossRef]
  55. Sun, X.; Liu, X.; Liang, X.; Liu, H.; Chen, Y. Research of NOx Reduction on a Low-Speed Two-Stroke Marine Heavy Fuel Oil Engine. J. Energy Eng. 2020, 147, 04020088. [Google Scholar] [CrossRef]
  56. Mayer, S.; Tuner, A.E.; Andreasen, A. Design of Experiments Analysis of the NOx—SFOC Trade-Off in Two-Stroke Marine Engine. In Proceedings of the 26th CIMAC Congress, Bergen, Norway, 14–17 June 2010. [Google Scholar]
Figure 1. Permissible amount of NOx in relation to engine speed.
Figure 1. Permissible amount of NOx in relation to engine speed.
Sustainability 16 10833 g001
Figure 2. Available methods to reduce NOx emissions.
Figure 2. Available methods to reduce NOx emissions.
Sustainability 16 10833 g002
Figure 3. Fuel system simulation environment.
Figure 3. Fuel system simulation environment.
Sustainability 16 10833 g003
Figure 4. Simulation experiment results using a water–fuel emulsion at 25 rpm: (a) influence of NOx emission and exhaust gas temperature based on water–fuel emulsion ratio; (b) influence of water–fuel concentration ratio on engine fuel and water consumption; (c) influence of water–fuel concentration ratio on SFOC and fuel rack position; and (d) changes in heavy fuel kinematic viscosity based on water–fuel concentration ratio.
Figure 4. Simulation experiment results using a water–fuel emulsion at 25 rpm: (a) influence of NOx emission and exhaust gas temperature based on water–fuel emulsion ratio; (b) influence of water–fuel concentration ratio on engine fuel and water consumption; (c) influence of water–fuel concentration ratio on SFOC and fuel rack position; and (d) changes in heavy fuel kinematic viscosity based on water–fuel concentration ratio.
Sustainability 16 10833 g004aSustainability 16 10833 g004b
Figure 5. Results of a simulation experiment using a water–fuel emulsion at 74 rpm: (a) influence of NOx emission and exhaust gas temperature based on water–fuel emulsion ratio; (b) influence of water–fuel concentration ratio on engine fuel and water consumption; (c) influence of water–fuel concentration ratio on SFOC and fuel rack position; and (d) changes in heavy fuel kinematic viscosity based on water–fuel concentration ratio.
Figure 5. Results of a simulation experiment using a water–fuel emulsion at 74 rpm: (a) influence of NOx emission and exhaust gas temperature based on water–fuel emulsion ratio; (b) influence of water–fuel concentration ratio on engine fuel and water consumption; (c) influence of water–fuel concentration ratio on SFOC and fuel rack position; and (d) changes in heavy fuel kinematic viscosity based on water–fuel concentration ratio.
Sustainability 16 10833 g005aSustainability 16 10833 g005b
Figure 6. Simulation results of fuel injection angle changes at 25 rpm: (a) influence of injection timing on NOx emission and exhaust gas temperature; (b) influence of max combustion pressure and fuel ignition timing based on injection timing; (c) influence of injection timing on engine specific and total fuel oil consumption; and (d) influence of injection timing on indicated power per cylinder and average temperature of cylinder head wall.
Figure 6. Simulation results of fuel injection angle changes at 25 rpm: (a) influence of injection timing on NOx emission and exhaust gas temperature; (b) influence of max combustion pressure and fuel ignition timing based on injection timing; (c) influence of injection timing on engine specific and total fuel oil consumption; and (d) influence of injection timing on indicated power per cylinder and average temperature of cylinder head wall.
Sustainability 16 10833 g006aSustainability 16 10833 g006b
Figure 7. Simulation results of fuel injection angle changes at 74 rpm: (a) influence of injection timing on NOx emission and exhaust gas temperature; (b) influence of max combustion pressure and fuel ignition timing based on injection timing; (c) influence of injection timing on engine-specific and total fuel oil consumption; and (d) influence of injection timing on indicated power per cylinder and average temperature of cylinder head wall.
Figure 7. Simulation results of fuel injection angle changes at 74 rpm: (a) influence of injection timing on NOx emission and exhaust gas temperature; (b) influence of max combustion pressure and fuel ignition timing based on injection timing; (c) influence of injection timing on engine-specific and total fuel oil consumption; and (d) influence of injection timing on indicated power per cylinder and average temperature of cylinder head wall.
Sustainability 16 10833 g007aSustainability 16 10833 g007b
Figure 8. Test results for the 4T50ME-X engine during usage of water–fuel emulsion.
Figure 8. Test results for the 4T50ME-X engine during usage of water–fuel emulsion.
Sustainability 16 10833 g008
Figure 9. Comparison of simulation results and existing research: using of water–fuel emulsions [19,43,45].
Figure 9. Comparison of simulation results and existing research: using of water–fuel emulsions [19,43,45].
Sustainability 16 10833 g009
Figure 10. Comparison of simulation results and existing research on examining the effects of using water–fuel emulsions on SFOC [19].
Figure 10. Comparison of simulation results and existing research on examining the effects of using water–fuel emulsions on SFOC [19].
Sustainability 16 10833 g010
Figure 11. Comparison of simulation results and existing research by changing the fuel injection at nominal engine load [54,55].
Figure 11. Comparison of simulation results and existing research by changing the fuel injection at nominal engine load [54,55].
Sustainability 16 10833 g011
Table 1. Simulation experiment operating conditions.
Table 1. Simulation experiment operating conditions.
Engine Environment Speed—25 rpmSpeed—74 rpm
Main LO inlet pressure2.08 bar2.3 bar
Main LO inlet temperature45 °C45 °C
JCW outlet temperature80.3 °C80.0 °C
Scavenge air temperature34.1 °C46.05 °C
Charge air pressure0.15 bar2.05 bar
Control lever POS20%100%
VIT system status OFFOFF
Sea water temperature 20 °C20 °C
Sea water depth100 m100 m
Ship draught18.3 m18.3 m
Engine room temperature32.5 °C37.4 °C
Fuel heat value40,604 kJ/kg40,604 kJ/kg
Fuel density 960 kg/m3 @ 15°C960 kg/m3 15 °C
Fuel viscosity 120 cSt @ 15°C120 @ 15 °C
Table 2. Comparison of weighted NOx emissions and the percentage reductions in NOx emissions based on varying water–fuel ratios, as investigated in various studies.
Table 2. Comparison of weighted NOx emissions and the percentage reductions in NOx emissions based on varying water–fuel ratios, as investigated in various studies.
ResearchEngine TypeEngine Rated Speed (rpm)Test Speed/Load (rpm/%)Water–Fuel Content 0%Water–Fuel Content 5%Water–Fuel Content 10%Water–Fuel Content 5%Water–Fuel Content 20%
Simulation experimentMAN B&W 5L90MC7474 rpm15.2714.11 (7.5%)13.4 (11.8%)12.8 (15.7%)12.3 (19.7%)
MAN B&W 5L90MC7425 rpm21.921.2 (3.1%)20.1 (8.1%)19.2 (12.6%)18.4 (16.2%)
Laskowski, R. et al. [45]MAN B&W 5L90MC7430 rpm17.5-15.2 (13.1%)-14 (20%)
Andreasen, A. et al. [19]4T50ME-X123100%14.7- -11.5 (21.7%)
25%24.7-24 (2.8%)-23.8 (3.6%)
Woodyard (2009) [43]General 2-stroke eng.N/A-15.314.48 (5%)13.7 (10%)12.9 (15%)12.2 (20%)
Disclaimer/Publisher’s Note: The statements, opinions and data contained in all publications are solely those of the individual author(s) and contributor(s) and not of MDPI and/or the editor(s). MDPI and/or the editor(s) disclaim responsibility for any injury to people or property resulting from any ideas, methods, instructions or products referred to in the content.

Share and Cite

MDPI and ACS Style

Stipanov, M.; Dujmović, J.; Pelić, V.; Radonja, R. Simulation Approach as an Educational Tool for Comparing NOx Emission Reductions in Two-Stroke Marine Diesel Engines During Low-Load Operation: Water–Fuel Emulsion vs. Late Injection. Sustainability 2024, 16, 10833. https://doi.org/10.3390/su162410833

AMA Style

Stipanov M, Dujmović J, Pelić V, Radonja R. Simulation Approach as an Educational Tool for Comparing NOx Emission Reductions in Two-Stroke Marine Diesel Engines During Low-Load Operation: Water–Fuel Emulsion vs. Late Injection. Sustainability. 2024; 16(24):10833. https://doi.org/10.3390/su162410833

Chicago/Turabian Style

Stipanov, Mario, Josip Dujmović, Vladimir Pelić, and Radoslav Radonja. 2024. "Simulation Approach as an Educational Tool for Comparing NOx Emission Reductions in Two-Stroke Marine Diesel Engines During Low-Load Operation: Water–Fuel Emulsion vs. Late Injection" Sustainability 16, no. 24: 10833. https://doi.org/10.3390/su162410833

APA Style

Stipanov, M., Dujmović, J., Pelić, V., & Radonja, R. (2024). Simulation Approach as an Educational Tool for Comparing NOx Emission Reductions in Two-Stroke Marine Diesel Engines During Low-Load Operation: Water–Fuel Emulsion vs. Late Injection. Sustainability, 16(24), 10833. https://doi.org/10.3390/su162410833

Note that from the first issue of 2016, this journal uses article numbers instead of page numbers. See further details here.

Article Metrics

Back to TopTop