Optimal Battery Storage Configuration for High-Proportion Renewable Power Systems Considering Minimum Inertia Requirements
Abstract
1. Introduction
- The frequency stability constraint is transformed into a minimum inertia constraint, mainly considering ROCOF and NF indicators during the transformation process. In solving NF, a piecewise linear analysis of the frequency response process is adopted, converting the non-linear frequency stability constraint into a linear minimum inertia constraint and embedding it into the optimal operation of the power system.
- Using historical wind, solar, and load data, a temporal probability scenario set is constructed using clustering methods to model the uncertainties of wind, solar, and load. Additionally, a storage configuration model is proposed for high-proportion renewable power systems, considering both frequency stability and the uncertainties of wind and solar power.
2. Assessment of Minimum Inertia Requirements for Power Systems
2.1. Minimum Inertia Based on ROCOF Constraints
2.2. Minimum Inertia Based on NF Constraints
2.3. Minimum Inertia Requirement of the Power Systems
3. Battery Storage Configuration Model for a High Penetration Renewable Power System Considering Minimum Inertia Requirements
3.1. Objective Function
3.2. Constraints
3.2.1. Battery Storage Constraints
- Constraints on battery storage investment
- 2.
- Power output limits constraints for battery storage
- 3.
- State of charge (SOC) constraints for battery storage
3.2.2. Constraints on Thermal Power Units
- 1.
- Output limit constraints on thermal power units
- 2.
- Ramp-rate constraints for thermal power units
- 3.
- Minimum start-up and minimum shutdown time constraints for thermal power units
3.2.3. Constraints on Wind and Solar Power Output
3.2.4. Constraints on Pumped Storage Units
- 1.
- Storage capacity constraints for pumped storage units
- 2.
- Power output limits constraints for pumped storage units
- 3.
- Maximum start–stop constraints for pumped storage units
3.2.5. System Constraints
- 1.
- Minimum inertia constraint for the power system
- 2.
- Nodal power balance constraints
- 3.
- DC power flow and phase angle constraints
3.3. Non-Linear Constraint Transformation Based on McCormick Envelopes
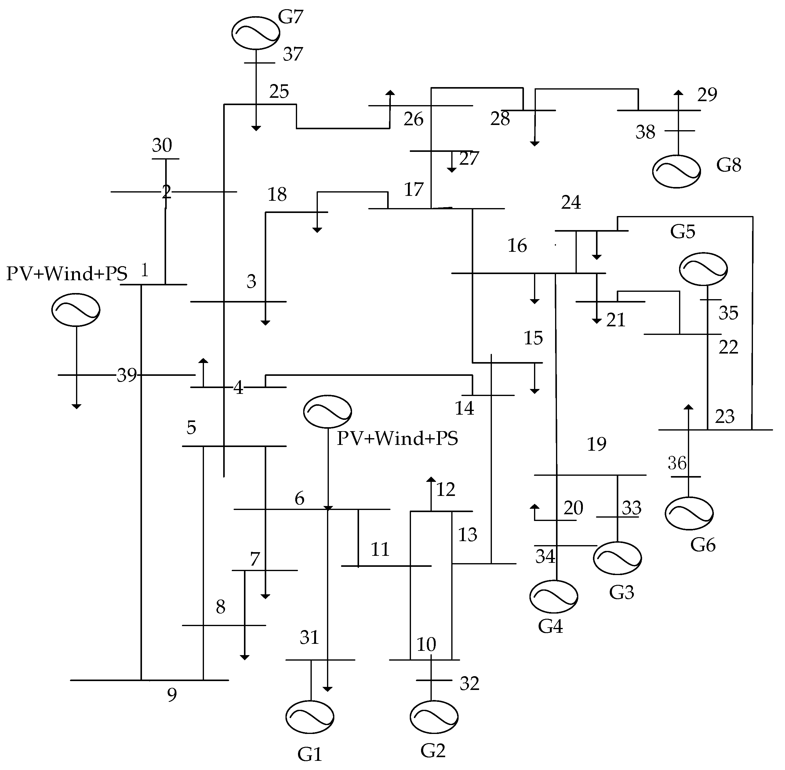
4. Case Study
4.1. Basic Parameter Settings
4.2. Scenario Comparison and Result Analysis
4.3. Price Sensitivity Analysis
4.4. Impact of Deep Peak Regulation of Thermal Power on Battery Storage Configuration Results
4.5. The Impact of Different Renewable Energy Penetration Levels on the Results
4.6. Comparison between Stochastic Optimization and Deterministic Optimization
5. Conclusions
- The frequency stability issue of the power system becomes increasingly prominent after large-scale wind and solar energy integration. Considering the impact of frequency stability on the unit commitment of the power system, it is necessary to increase the operation of thermal power units or allow them to enter deep peak regulation states at certain times to meet minimum inertia constraints. This significantly increases the start-up and shut-down costs and operating costs of thermal power units, while also leading to the increased curtailment of wind and solar energy due to the minimum technical output of thermal power units.
- By configuring battery storage and virtual inertia, battery storage can co-ordinate with thermal power units and pumped storage units in the grid to meet the power system’s inertia requirements, optimize the operation of thermal power units and pumped storage units, and enhance the absorption capacity of wind and solar energy.
- The unit inertia cost of battery storage has a minimal impact on the battery storage configuration capacity, mainly affecting the power and virtual inertia time constant of the battery storage configuration. This is because the model considers the minimum inertia constraints, and the deep peak regulation capability of thermal power units also significantly influences the battery storage configuration results.
- Compared to deterministic optimization, the stochastic optimization method adopted in this study can more fully consider the uncertainties of wind and solar energy and load, ensuring the economic efficiency and robustness of the configuration results.
Author Contributions
Funding
Institutional Review Board Statement
Informed Consent Statement
Data Availability Statement
Conflicts of Interest
References
- Guo, Y.; Ming, B.; Huang, Q.; Wang, Y.M.; Zheng, X.D.; Zhang, W. Risk-averse day-ahead generation scheduling of hydro-wind-photovoltaic complementary systems considering the steady requirement of power delivery. Appl. Energy 2022, 309, 118467. [Google Scholar] [CrossRef]
- Luo, L.; Abdulkareem, S.S.; Rezvani, A.; Miveh, M.R.; Samad, S.; Aljojo, N.; Pazhoohesh, M. Optimal scheduling of a renewable based microgrid considering photovoltaic system and battery energy storage under uncertainty. J. Energy Storage 2020, 28, 101306. [Google Scholar] [CrossRef]
- Si, L.J.; Wang, P.Y.; Cao, D.Q. Towards sustainable development goals: Assessment of wind and solar potential in northwest China. Environ. Res. 2024, 252, 118660. [Google Scholar] [CrossRef] [PubMed]
- Cao, W.S.; Wang, S.; Xu, M.M. Optimal Scheduling of Virtual Power Plant Based on Latin Hypercube Sampling and Improved CLARA Clustering Algorithm. Processes 2022, 10, 2414. [Google Scholar] [CrossRef]
- Asadi, M.; PourHossein, K. Wind and Solar Farms Site Selection Using Geographical Information System (GIS), Based on Multi Criteria Decision Making (MCDM) Methods: A Case-Study for East-Azerbaijan. In Proceedings of the Iranian Conference on Renewable Energy and Distributed Generation (ICREDG), Tehran, Iran, 11–12 June 2019. [Google Scholar]
- Jamshidi, S.; Pourhossein, K.; Asadi, M. Size estimation of wind/solar hybrid renewable energy systems without detailed wind and irradiation data: A feasibility study. Energy Convers. Manag. 2021, 234, 113905. [Google Scholar] [CrossRef]
- Javadi, M.; Gong, Y.Z.; Chung, C.Y. Frequency Stability Constrained BESS Sizing Model for Microgrids. IEEE Trans. Power Syst. 2024, 39, 2866–2878. [Google Scholar] [CrossRef]
- Wilson, D.; Yu, J.; Al-Ashwal, N.; Heimisson, B.; Terzija, V. Measuring effective area inertia to determine fast-acting frequency response requirements. Int. J. Electr. Power Energy Syst. 2019, 113, 1–8. [Google Scholar] [CrossRef]
- Gu, H.J.; Yan, R.F.; Saha, T.K. Minimum Synchronous Inertia Requirement of Renewable Power Systems. IEEE Trans. Power Syst. 2018, 33, 1533–1543. [Google Scholar] [CrossRef]
- Zhang, Z.Y.; Du, E.S.; Teng, F.; Zhang, N.; Kang, C.Q. Modeling Frequency Dynamics in Unit Commitment with a High Share of Renewable Energy. IEEE Trans. Power Syst. 2020, 35, 4383–4395. [Google Scholar] [CrossRef]
- Zhang, Z.Y.; Du, E.S.; Zhu, G.P.; Zhang, N.; Kang, C.Q.; Qian, M.H.; Catalao, J.P.S. Modeling frequency response dynamics in power system scheduling. Electr. Power Syst. Res. 2020, 189, 106549. [Google Scholar] [CrossRef]
- Sedighizadeh, M.; Esmaili, M.; Mousavi-Taghiabadi, S.M. Optimal energy and reserve scheduling for power systems considering frequency dynamics, energy storage systems and wind turbines. J. Clean. Prod. 2019, 228, 341–358. [Google Scholar] [CrossRef]
- Hu, S.L.; Yang, J.Q.; Wang, Y.; Zhao, Y.C.; Chao, C. Inertia and Primary Frequency Response Requirement Assessment for High-Penetration Renewable Power Systems Based on Planning Perspective. Sustainability 2023, 15, 16191. [Google Scholar] [CrossRef]
- Chen, J.J.; Zhao, Y.L.; Peng, K.; Wu, P.Z. Optimal trade-off planning for wind-solar power day-ahead scheduling under uncertainties. Energy 2017, 141, 1969–1981. [Google Scholar] [CrossRef]
- Hemmati, R.; Saboori, H.; Jirdehi, M.A. Stochastic planning and scheduling of energy storage systems for congestion management in electric power systems including renewable energy resources. Energy 2017, 133, 380–387. [Google Scholar] [CrossRef]
- Zhang, Z.F.; Zhu, R.J. A Distributionally Robust Optimization Strategy for a Wind-Photovoltaic Thermal Storage Power System Considering Deep Peak Load Balancing of Thermal Power Units. Processes 2024, 12, 534. [Google Scholar] [CrossRef]
- Ebrahimi, M.R.; Amjady, N. Contingency-constrained operation optimization of microgrid with wind and solar generations: A decision-driven stochastic adaptive-robust approach. IET Renew. Power Gener. 2021, 15, 326–341. [Google Scholar] [CrossRef]
- Li, X.Q.; Zhang, L.Z.; Wang, R.Q.; Sun, B.; Xie, W.J. Two-Stage Robust Optimization Model for Capacity Configuration of Biogas-Solar-Wind Integrated Energy System. IEEE Trans. Ind. Appl. 2023, 59, 662–675. [Google Scholar] [CrossRef]
- Shen, H.T.; Zhang, H.L.; Xu, Y.J.; Chen, H.S.; Zhang, Z.L.; Li, W.K.; Su, X.; Xu, Y.L.; Zhu, Y.L. Two stage robust economic dispatching of microgrid considering uncertainty of wind, solar and electricity load along with carbon emission predicted by neural network model. Energy 2024, 300, 131571. [Google Scholar] [CrossRef]
- Xia, W.; Ren, Z.; Qin, H.; Dong, Z.Y. A Coordinated Operation Method for Networked Hydrogen-Power-Transportation System. Energy 2014, 296, 131026. [Google Scholar] [CrossRef]
- Zhang, R.; Chen, Y.; Li, Z.; Jiang, T.; Li, X. Two-stage robust operation of electricity-gas-heat integrated multi-energy microgrids considering heterogeneous uncertainties. Appl. Energy 2024, 371, 123690. [Google Scholar] [CrossRef]
- Hou, J.M.; Yang, W.J.; Qian, H.F.; Li, Z.X.; Cai, J. Distributionally robust optimal scheduling of multi-microgrid considering asymmetric bargaining. Electr. Power Syst. Res. 2024, 229, 110211. [Google Scholar] [CrossRef]
- Li, H.B.; Lu, X.H.; Zhou, K.L.; Shao, Z. Distributionally robust optimal dispatching method for integrated energy system with concentrating solar power plant. Renew. Energy 2024, 229, 120792. [Google Scholar] [CrossRef]
- Zheng, X.; Khodayar, M.E.; Wang, J.; Yue, M.; Zhou, A. Distributionally Robust Multistage Dispatch with Discrete Recourse of Energy Storage Systems. IEEE Trans. Power Syst. 2024, 1–14. [Google Scholar] [CrossRef]
- Al-Humaid, Y.M.; Khan, K.A.; Abdulgalil, M.A.; Khalid, M. Two-Stage Stochastic Optimization of Sodium-Sulfur Energy Storage Technology in Hybrid Renewable Power Systems. IEEE Access 2021, 9, 162962–162972. [Google Scholar] [CrossRef]
- Hong, N.N.; Duc, H.N.; Manh, C.D.; Huong, G.H.T. Optimal Planning of a Microgrid Considering Demand Response and Energy Storage System. In Proceedings of the 11th International Conference on Control, Automation and Information Sciences (ICCAIS), Hanoi, Vietnam, 21–24 November 2022; pp. 455–460. [Google Scholar]
- Zhang, C.Y.; Dou, Z.L.; Chen, A.; Xia, J.L. Stochastic Optimal Scheduling of Rural Integrated Energy System Considering the Uncertainty of Wind-Solar-Load Power. In Proceedings of the 58th IEEE/IAS Industrial and Commercial Power Systems Technical Conference Asia (IEEE I and CPS Asia), Shanghai, China, 8–11 July 2023; pp. 712–717. [Google Scholar]
- Chen, X.Z.; Nan, D.L.; Xiong, X.F.; Chen, H.Z.; Ma, W.Q. Energy Storage Capacity Configuration Planning Considering Dual Scenarios of Peak Shaving and Emergency Frequency Regulation. Processes 2024, 12, 743. [Google Scholar] [CrossRef]
- Lin, X.; Wen, Y.; Yang, W. Inertia Security Region:Concept, Characteristics, and Assessment Method. Proc. Chin. Soc. Electr. Eng. 2021, 41, 3065–3078. [Google Scholar]
- Zhang, H.X.; Lu, Z.X.; Hu, W.; Wang, Y.T.; Dong, L.; Zhang, J.T. Coordinated optimal operation of hydro-wind-solar integrated systems. Appl. Energy 2019, 242, 883–896. [Google Scholar] [CrossRef]









| Typical Day | 1 | 2 | 3 | 4 | 5 |
|---|---|---|---|---|---|
| Probability | 0.1726 | 0.2822 | 0.2959 | 0.1096 | 0.1397 |
| Parameters | Numerical Values | Parameters | Numerical Values |
|---|---|---|---|
| Power cost (CNY/KW) | 350 | Charging and discharging efficiency | 0.9 |
| Capacity cost (CNY/KWh) | 1800 | Maximum SOC | 0.9 |
| Virtual inertia cost (CNY/S) | 1500 | Minimum SOC | 0.1 |
| Discount rate | 0.05 | Design life span | 10 |
| Scenario | Total Cost (104 CNY) | Renewable Energy Curtailment Cost (104 CNY) | Thermal Power Unit Start-Up and Shutdown Cost (104 CNY) | Daily Average Investment Cost (104 CNY) | Thermal Power Operation Cost (104 CNY) |
|---|---|---|---|---|---|
| 1 | 2307 | 92.64 | 15.77 | 0 | 2163 |
| 2 | 2286.4 | 29.86 | 13.72 | 54.35 | 2158.7 |
| 3 | 2340.9 | 93.28 | 16.62 | 0 | 2185 |
| 4 | 2295.6 | 29.94 | 13.28 | 58.79 | 2163.8 |
| Virtual Inertia Cost (CNY/S) | Storage Capacity Configuration (MWh) | Storage Power Configuration (MW) | Storage Virtual Inertia Time Constant (S) |
|---|---|---|---|
| 1000 | 753.9 | 670.1 | 5.68 |
| 1500 | 754.1 | 718.9 | 4.31 |
| 1800 | 754.1 | 718.9 | 4.31 |
| 2000 | 753.86 | 686.4 | 4.20 |
| Ability to Deep Peak Shave | Storage Capacity Configuration (MWh) | Storage Power Configuration (MW) | Storage Virtual Inertia Time Constant (S) | Total Cost (104 CNY) |
|---|---|---|---|---|
| Yes | 754.1 | 718.9 | 4.31 | 2295.6 |
| No | 887.2 | 814.3 | 4.65 | 2352.8 |
| Renewable Energy Penetration Levels (%) | Proposed Method Cost (104 CNY) | Traditional Method Cost (104 CNY) |
|---|---|---|
| 33 | 3218.4 | 3209.1 |
| 41 | 2942.0 | 2943.3 |
| 51 | 2491.7 | 2495.2 |
| 55 | 2331.0 | 2361.7 |
| 59 | 2340.0 | 2636.9 |
Disclaimer/Publisher’s Note: The statements, opinions and data contained in all publications are solely those of the individual author(s) and contributor(s) and not of MDPI and/or the editor(s). MDPI and/or the editor(s) disclaim responsibility for any injury to people or property resulting from any ideas, methods, instructions or products referred to in the content. |
© 2024 by the authors. Licensee MDPI, Basel, Switzerland. This article is an open access article distributed under the terms and conditions of the Creative Commons Attribution (CC BY) license (https://creativecommons.org/licenses/by/4.0/).
Share and Cite
Guo, X.; Li, Y.; Wu, F.; Shi, L.; Chen, Y.; Wang, H. Optimal Battery Storage Configuration for High-Proportion Renewable Power Systems Considering Minimum Inertia Requirements. Sustainability 2024, 16, 7830. https://doi.org/10.3390/su16177830
Guo X, Li Y, Wu F, Shi L, Chen Y, Wang H. Optimal Battery Storage Configuration for High-Proportion Renewable Power Systems Considering Minimum Inertia Requirements. Sustainability. 2024; 16(17):7830. https://doi.org/10.3390/su16177830
Chicago/Turabian StyleGuo, Xu, Yang Li, Feng Wu, Linjun Shi, Yuzhe Chen, and Hailun Wang. 2024. "Optimal Battery Storage Configuration for High-Proportion Renewable Power Systems Considering Minimum Inertia Requirements" Sustainability 16, no. 17: 7830. https://doi.org/10.3390/su16177830
APA StyleGuo, X., Li, Y., Wu, F., Shi, L., Chen, Y., & Wang, H. (2024). Optimal Battery Storage Configuration for High-Proportion Renewable Power Systems Considering Minimum Inertia Requirements. Sustainability, 16(17), 7830. https://doi.org/10.3390/su16177830
