Next Article in Journal
Sustainable Recovery of the Health of Soil with Old Petroleum Hydrocarbon Contamination through Individual and Microorganism-Assisted Phytoremediation with Lotus corniculatus
Previous Article in Journal
Urban Resilience of Large Public Health Events Based on NPP-VIIRS Nighttime Light Images: A Case Study of 35 Large Cities in China
 
 
Font Type:
Arial Georgia Verdana
Font Size:
Aa Aa Aa
Line Spacing:
Column Width:
Background:
Article

Analysis of Power Conversion System Options for ARC-like Tokamak Fusion Reactor Balance of Plant

by
Francesco Colliva
1,*,
Cristiano Ciurluini
1,
Andrea Iaboni
2,
Giulia Valeria Centomani
2,
Antonio Trotta
2 and
Fabio Giannetti
1,*
1
DIAEE—Nuclear Engineering Research Group (NERG), Sapienza University of Rome, Corso Vittorio Emanuele II 244, 00186 Rome, Italy
2
MAFE, Eni S.p.A., 30175 Venezia, Italy
*
Authors to whom correspondence should be addressed.
Sustainability 2024, 16(17), 7480; https://doi.org/10.3390/su16177480
Submission received: 18 July 2024 / Revised: 19 August 2024 / Accepted: 20 August 2024 / Published: 29 August 2024
(This article belongs to the Section Resources and Sustainable Utilization)

Abstract

In recent years, fusion energy has assumed an important role in the energy scenario, being a sustainable, environmentally friendly, and practically inexhaustible energy source. Fusion energy could play a crucial role in fully decarbonized electricity production in the second half of this century, helping to meet the increasing energy demand. One of the studied reactors is ARC, a tokamak fusion device characterized by a compact and high-field design initially conceived by researchers at the Massachusetts Institute of Technology, which the Commonwealth Fusion System (CFS) plans to construct in the next decade. This paper is focused on the analysis and development of different configurations for the ARC Balance of Plant Power Conversion System, with the aim of improving the thermodynamic efficiency, which is one of the pillars of sustainability. Three cycles were studied by using the General Electric GateCycleTM software: a supercritical steam Rankine cycle, a supercritical CO2 Brayton cycle, and a supercritical helium Brayton cycle. The thermal efficiency of the three options was compared to select the most promising solution. The results showed that the supercritical steam cycle is the best configuration in terms of cycle efficiency for the ARC FNSF Pilot phase.

1. Introduction

Fusion has assumed an important role in recent years, being one of the options able to guarantee a large-scale, environmentally friendly, and practically inexhaustible energy source [1]. To increase the economic competitiveness of fusion power plants, different strategies are currently being studied. Among them, one possible solution is reducing the reactor size to reduce material and, in general, plant capital costs [2]. In view of this objective, an Affordable Robust and Compact (ARC) reactor has been proposed at the Massachusetts Institute of Technology (MIT) and is under development by the Commonwealth Fusion System (CFS). ARC is a tokamak fusion reactor for the study of both energy generation and the effects of highly magnetic technologies in a reduced-size structure, obtained by using high-temperature superconductor magnets [2]. One of the main goals of the ARC project is obtaining a cheap source of energy, and this necessarily requires the optimization of the Power Conversion System (PCS). Further analyses on ARC PCS are already available in [3]. For this reactor, the use of a molten salt liquid blanket is envisaged. One of the eligible fluids for the primary cooling system is FLiBe, a mixture of lithium fluoride (LiF) and beryllium fluoride (BeF2). It appropriately shields superconductors, and acts both as a tritium breeder and low-pressure coolant [4,5]. In [4], a description of the ARC Vacuum Vessel and Breeding Blanket is also reported. Within the blanket, the molten salt interacts with neutrons coming from the plasma and converts their kinetic energy into heat. Later, it delivers the removed thermal power to the ARC PCS. Because of the pulsed operation of the reactor, which alternates pulse and dwell phases, one of the proposed solutions foresees the presence of an intermediate circuit containing molten salts and equipped with an Energy Storage System (ESS). A storage system is, therefore, required, to ensure a constant load operation for the turbine even during the dwell phase, avoiding mechanical stresses and its disconnection from the grid. The available power during the pulse is split into two contributions: most of it is delivered to PCS in order to supply the grid, while the remaining part is stored in the ESS and released to the PCS during the dwell time [6]. The presence of the ESS affects the initial cost of the plant, because of the additional circuit and the molten salt inventory. In the ARC reactor R&D program, three different stages are foreseen, depending on the blanket outlet temperature: a “Fusion Nuclear Science Facility” (FNSF) phase, a “Conservative Pilot” phase, and an “Aggressive Pilot” phase, where molten salt comes out from the blanket at 900 K, 1100 K, and 1200 K, respectively [2]. These three phases envisage the test of materials’ resistance under irradiation in different operative conditions. In this work, only the FNSF phase has been considered. Three different thermodynamic cycles for the ARC Balance of Plant (BoP) have been studied: a supercritical Rankine cycle and two Brayton cycles. The others are characterized by CO2 and helium (He) as working fluids, respectively. These three options are typically considered for fusion power plants [7,8], as advanced options for high-temperature primary coolants, in addition to the traditional Rankine cycles used in water-cooled concepts [9], inspired by the typical PWR fission power plant. The supercritical steam cycle has been studied because its technology is well developed and widely applied in many energy applications, while CO2 and He have been chosen for their promising features, such as the possibility to work at lower pressure and without phase change, also enabling more compact solutions. The supercritical cycle is a thermodynamic cycle that operates at temperatures and pressures above the critical point of the working fluid, allowing for higher efficiencies compared to subcritical cycles. In the case of the Rankine cycle, this advantage is further enhanced by the absence of thermal losses associated with the phase change between liquid and vapor. However, operating under such extreme conditions requires advanced materials capable of withstanding high pressures and temperatures, resulting in higher costs and more complex technologies. The Rankine cycle involves the conversion of thermal energy into electrical energy through the heating of water in supercritical conditions and its subsequent expansion in one or more turbines. To increase the efficiency of the cycle, a more complex configuration is introduced, featuring components such as preheaters and multi-stage turbines with varying pressures. In contrast, helium and CO2 cycles utilize the heating of the gas, along with its compression and expansion in a turbine, to generate electrical power. These cycles can incorporate stages such as inter-cooling, preheating, or regeneration to enhance their efficiency (see [10,11]). To study the cycle performances, General Electric’s GateCycleTM software has been used [12]. This numerical tool is largely used for the design of thermal power plants and the simulation of design and off-design conditions. It simulates the behavior of a cycle through the definition of its configuration and of the conditions of the chosen fluid at different points of the layout. Through GateCycleTM, the performances of the three cycles are evaluated and compared, in order to find the most promising configuration to be used for the ARC’s BoP. In particular, the goal of the analyses presented in this document is to extend knowledge of ARC’s BoP, which is limited to information reported in [3]. In the cited work, a comparative analysis was conducted between ideal Rankine and Brayton cycles with simple configurations, using FLiBe as the working fluid at 1100 K (Pilot Plant phase). The different cycles were studied from the perspective of efficiency, evaluating how it changed with variations in system pressure. Instead, in the current work, more complex and realistic configurations compared to standard configurations (e.g., presence of preheaters) for the three cycles have been examined, based on existing cycles, both in terms of the process parameters and the layout of the cycles. Additionally, reference is made to the FNSF phase, which is realistically the most achievable in the short term.

2. ARC-like Reactor Possible BoP Configurations

2.1. ARC-like Reactor

The ARC tokamak fusion reactor is characterized by a compact design that enables the reduction of materials and, overall, lower plant capital costs. A key aspect of the ARC design is the use of an innovative material for the superconductive coils, called ReBCO (i.e., Rare-earth Barium Copper Oxide). This material is capable of operating at higher temperatures compared to other superconductive materials, allowing the generation of high magnetic field values [2]. Other attractive features of ARC include the presence of demountable toroidal field coils for replacing internal components and a replaceable modular Vacuum Vessel (VV). As depicted in Figure 1, which presents the ARC BoP system, the VV is a double-walled structure submerged in the blanket, a FLiBe low-pressure tank. The cooling of the plasma chamber is achieved by circulating FLiBe through the VV channels surrounding the First Wall. Various cooling systems are envisaged: the FLiBe at 800 K coming from the primary heat exchanger (in case of an indirect configuration) is directed to cool the upper (in green) and lower (in purple) divertors, as well as the inboard (in red) and outboard (in blue) zones, using separate circuits [4]. Then, the fluid exiting from the channels is sent to the tank, extracted from its top at a temperature of approximately 908 K, and sent to the primary heat exchanger.

2.2. Investigated BoP Configurations

For each configuration analyzed, the input data to be used in GateCycleTM were obtained by performing a preliminary energy balance, referring to pre-existing cycles. The configuration scheme for the three cycles is presented in the following sections. In all the cases, the ARC reactor pulse phase was considered as the reference scenario. Referring to this state, the thermal power produced within the blanket and delivered to the PCS through the intermediate circuit was 645 MWth. The power balance for the total power produced in ARC and delivered to the heat exchangers is reported in [4], and this includes the nuclear heating of the Vacuum Vessel, the nuclear heating of bulk FLiBe, the alpha heating power, and auxiliary power. The total value was also obtained through an energy balance, performed considering data provided in [13]. In addition, in the present work, an intermediate circuit was included in view of the ESS, whose presence was not considered in the analysis discussed in [13]. This system is characterized by a Hot Tank and a Cold Tank, as illustrated in Figure 1. The FLiBe coming from the primary heat exchanger is stored in the Hot Tank. During the pulse phase, a portion of the fluid is directed to the secondary heat exchanger, while the remaining portion is used in the dwell phase to ensure a nearly constant turbine load. The conditions of the intermediate fluid exchanging power with the secondary fluid through the secondary Heat Exchanger (HX) were derived from [14] and are listed in Table 1. They have been postulated according to engineering judgment and experience in order to obtain enough BoP efficiency and to avoid excessive thermal stresses in the primary and secondary heat exchangers (due to the high-temperature differences between the primary and secondary sides of the components). Heat exchangers play a crucial role in the analysis of a plant power cycle, and the study of their performances will be the subject of subsequent work. Concerning the direct configuration for an ARC-like reactor, the study of a double-wall HX is discussed in [15]. This component acts both as thermal coupling between primary and secondary circuits and as a barrier and tritium extraction system. The adopted configuration for the three cycles and the temperature and pressure values were chosen by assessing the options currently available in the literature and selecting the optimal conditions for each cycle. These will be presented in the following sections. The boundary conditions for the secondary heat exchangers in the three cases were determined by striking a compromise between the actual available temperature values and the temperature difference between the inlet and the outlet, which ensured not excessively large exchange surfaces. This allowed the attainment of appropriately sized heat exchangers.

2.3. Rankine Cycle

The first investigated cycle was the supercritical Rankine cycle, chosen because of the advanced studies on the technology of its components. An energy balance was performed on the preliminary scheme presented in Figure 2 and based on the cycle reported in [16]. The thermal power coming from the intermediate circuit is exchanged through the secondary steam generator, which allows the secondary feedwater entering at 320 °C to become supercritical steam at 540 °C, at a pressure of 250 bar. This is performed with a feedwater flow rate of 344 kg/s that circulates into the steam generator. As stated above, the feedwater inlet and steam outlet conditions were preliminary selected to optimize the cycle efficiency while avoiding excessive thermomechanical stresses in the secondary heat exchanger. The thermal power is converted into electricity that must be supplied to the grid through a turbogenerator system constituted by three groups of turbines of high, medium, and low pressure (HP, IP, and LP). These units were divided into two, two, and four separate turbine components, respectively (keeping a single extraction for each turbine). The high-pressure turbine is designed to work with a steam bleed driven to the second to last element of the feedwater preheater train (PH5, see Figure 2). A reheater (RH) is expected to regenerate the steam leaving the HP turbine. This operation was accomplished by using part of the steam directly leaving the secondary steam generator (SG). Once flowed to the RH shell side, such fluid is sent to preheat the feedwater (PH6). The regenerated steam exiting from the reheater is sent to the intermediate-pressure turbine group, characterized by two extractions. The first one is directed to the PH4, and the other one to the Deaerator (DEA). From the intermediate-pressure turbine group, the steam is then received by the low-pressure turbine group, whose extractions preheat feedwater in the first three elements of the feedwater preheater train. The two-phase mixture from the low-pressure turbine is sent to the Condenser (COND). From here, the secondary water is drawn from the Extraction Pump (EP) and sent to the preheating line. The latter is made up of six preheaters, separated by the deaerator into two groups of three, respectively, of high and low pressure. The deaerator is meant to remove the non-condensable gases from the feedwater through the steam received from one of the intermediate-pressure turbine extractions. At its outlet, the Primary Pump (PP) increases the water pressure up to the rated value set for the SG inlet (see above). For each preheater, the water flowing out of the component shell is mixed with the feedwater coming from the previous preheater, by using a pump or a valve depending on whether an increase or a reduction in pressure is required, respectively. The water exiting from the PH4 shell side is sent to a valve that vaporizes it. This steam is then sent to the DEA where, with the steam coming from the intermediate extraction, it is used to remove the non-condensable gases. After the usage, this steam flow is discharged from the deaerator, to be then reintegrated. In [17], a similar configuration for a Rankine cycle was also outlined, characterized by three sets of turbines with a regeneration phase and a series of preheaters.

2.4. CO2 Brayton Cycle

The CO2 Brayton cycle was the second analyzed cycle, reported in Figure 3. This type of cycle is characterized by a simple and compact layout, with high efficiencies at intermediate turbine temperatures (400–600 °C), reducing the capital cost and helping to make nuclear power plants more competitive [18]. Several assumptions are made in its design: the adoption of a precooler for compression near the critical point, where the fluid exhibits a lower specific volume, resulting in reduced compression work; the incorporation of an auxiliary compressor to reduce problems arising from the difference in CO2-specific volumes between high and low pressure; the implementation of regeneration, divided into two phases of low and high temperatures, to avoid the excessive difference in specific heat that would occur between fluid streams flowing to tube and shell sides in case of a single HX; reheating conducted after a first turbine expansion to further increase the efficiency. The CO2 flux, which must be compressed, is divided into two branches, see Figure 3. The former is cooled by a Precooler (PRC) and then sent to the Main Compressor (C1). Instead, the second gas stream is sent to the Auxiliary Compressor (C2). The flow elaborated by the main compressor is then driven to the tube side of a Low-Temperature Regenerator (LTR). Once exited, such flow is mixed with the one coming from C2 and finally drawn to the High-Temperature Regenerator (HTR). In this configuration, the thermal power coming from the intermediate circuit is exchanged through two passages into the secondary HX (shown as SHX in Figure 3). The first passage occurs after the CO2 preheating in the HTR, and it is followed by the gas expansion into the High-Pressure Turbine (T1). The flow is then reheated with a second passage into the SHX and expands in a Low-Pressure Turbine (T2). Finally, the exiting flow is driven to the shell side of the HTR and LTR to provide the needed heat to preheat the flow coming from the compression zone. For what concerns the choice of temperatures and pressures in the preliminary balance, reference has been made to a configuration studied for the DEMO facility [19]. For the evaluation of the required CO2 mass flow rate, the inlet and outlet conditions of the two passages in the SHX have been imposed, and an energy balance has been performed.

2.5. He Brayton Cycle

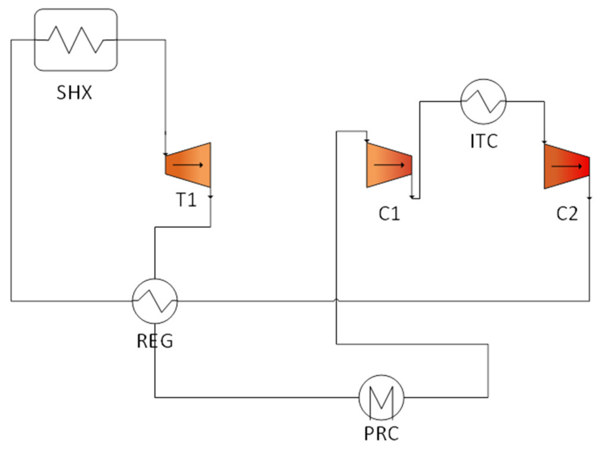
The last analyzed cycle was the supercritical helium Brayton cycle. Studies in the literature are limited, since this technology is not yet very well developed at an industrial scale. The investigated cycle scheme, reported in Figure 4, was inspired by a supercritical He cycle configuration analyzed for the Indonesian reactor RGTT200K, developed by BATAN [20]. The adopted scheme is characterized by an inter-cooling stage and a recuperator, which provides a significant efficiency enhancement but requires a higher system complexity and, consequently, higher costs. The Intercooler (ITC) divides the compression into two consecutive phases and, together with a Precooler (PRC), it reduces the specific volume of the gas, bringing a reduction of the required compression work. The supercritical helium flows through the Secondary HX (shown as SHX in Figure 4), and once heated up, it is sent to the turbine (T1). The fluid is expanded and then sent to a regenerator (REG, shell side), where it preheats the fluid exiting from the compression zone. The fluid is then drawn to the PRC, which cools it, and to a series of two compressors (C1 and C2). They are separated by the ITC, which refrigerates the fluid exiting from C1 and heading to C2. Finally, the fluid coming from C2 is sent to the regenerator and then to the SHX (Figure 4).

3. Simulation Activity

3.1. Numerical Model

In the following paragraphs, the simulation results obtained with GateCycleTM software [12] are reported. For calculation purposes, the numerical models presented so far and corresponding to the preliminary cycles were used. First-tentative pressure and temperature fields were obtained for the configurations presented in Figure 2, Figure 3 and Figure 4 by performing the energy balance in some selected points of the scheme. The obtained data were used as input values for the simulation. Starting from them, the software performed several iterations until the layout converged to the final pressure, temperature, and mass flow values. To perform the simulations, some initial assumptions were made. GateCycleTM does not include molten salt as an operating fluid. For this reason, in the primary side of the secondary HX, the molten salt was substituted by other fluids under conditions necessary to exchange the required power. This choice can be made because the type of primary fluid does not affect the analysis results. Additional detailed analyses on the HX component have been conducted [15], and further investigations will be carried out in subsequent works. In addition, in these preliminary cycle analyses, pressure drops in pipelines have been neglected. For each component, there is the possibility to select “design mode” or “off-design mode”. With the first option, the components are designed ex novo, and their input parameters are chosen by the user, while in the second one the design of components is imported from a previous case [12]. In the current work, all components were set in “design mode”.

3.2. Rankine Cycle

The analysis of the Rankine cycle scheme (presented in Figure 2), as implemented in GateCycleTM, obtaining the model reported in Figure 5, is reported here. In Table 2, the main input values considered in the analysis are shown. The inlet and outlet steam generator temperatures were set referring to [14], while the others were assumed based on engineering judgment and experience. For steam thermodynamic properties, IAPWS-IF97 formulations were used [21]. In addition, some approximations were performed. The secondary HX (shown as HX1 in Figure 5) was simulated with a pure countercurrent flow HX, which exchanged the required power from the intermediate to the secondary circuit. The HP, IP, and LP steam turbines were divided into two, two, and four separate stages, and extractions were placed at the end of each stage. This procedure was used to obtain a faster convergence of the simulation. IP and LP turbines were modeled with the Spencer Cotton Cannon (SCC) method [22], while the HP turbine efficiency was assumed equal to 0.9. The latter occurred because the SCC method is not intended for supercritical applications. The pressures of each extraction were optimized and fixed (see Table 3). In Table 3, each extraction is accompanied by the name of the corresponding stream, as shown in Figure 5. Pumps were modeled by setting the output pressure values of the flow, assuming an input efficiency of 0.85. The cycle calculation, once convergence was achieved, allowed the cycle optimization. In Figure 6, the expansion part of the h-s diagram of the cycle is reported. The remaining part of the cycle was omitted because it was less significant compared to the expansion phase. In Figure 6, the T-s diagram related to the cycle is also included. In both Figure 5 and Figure 6, points indicate the most significant fluid states associated with the proposed cycle, and in Table 4, corresponding values of temperature, pressure, and enthalpy are reported. Table 5 reports the power required by the pumps and the power produced by turbines, while Table 6 summarizes the loads of the different HXs. It is possible to calculate the efficiency of the cycle in the conversion of thermal energy into electricity. According to indications provided in [23], two different powers can be calculated and used as relevant figures of merit to evaluate the cycle performances: the gross power and the net electric power. Their formulas are reported below:
W g r o s s = η g e n i W t , i
W e = W g r o s s i W p u m p , i
where η g e n represents the generator efficiency (assumed equal to 0.985), while W t , i represents the power extracted from the different turbines of high, medium, and low pressure and W p u m p , i is the power absorbed by the pumps. From these powers, it is possible to evaluate the corresponding efficiencies, as shown in the following:
η g r o s s = W g r o s s Q ˙ r e a c t o r
η e = W e Q ˙ r e a c t o r e
In Table 7, the final values of PCS power and efficiency obtained through the simulation are reported. The values evaluated were overestimated, because they referred only to the PCS without considering the power required by other auxiliary systems. In Table 7, the efficiency values for HP, IP, and LP turbines are evaluated as mean values of the components’ efficiency of each of the three chains.

3.3. CO2 Brayton Cycle

The scheme in Figure 7 represents the implementation in GateCycleTM of the cycle presented in Figure 3. As for the first cycle, Table 8 reports the input values for cycle analysis. In this configuration, the heat exchangers HX4 and HX5 modeled the double passage of the secondary heat exchanger, and the molten salt that should feed their primary sides was simulated with equivalent gas conditions, as already discussed in Section 2.4. As regards the repartition of mass flow between the two compressors, C1 and C2, it was assumed that nearly 80% of CO2 was sent to the main compressor, while the remaining part to the auxiliary one. This distribution influenced the power exchanged by HX4 and HX5 (see Figure 7), and optimized the exchange efficiency, by obtaining a constant temperature difference through the LTR. The exact values were computed by the code to exchange the rated thermal power (645 MWth) coming from the intermediate circuit. The pre-cooler HX1 uses water as a cooling fluid. Compressors C1 and C2 were modeled with an efficiency equal to 0.9, setting the desired outlet pressure. NASA thermodynamic data for supercritical CO2 were considered [24,25,26]. In Figure 8, the h-s and T-s diagrams corresponding to the cycle are reported. The differentiation in two colors is intended to highlight the presence of two parallel compression phases: the main one (points 6–7–9–10 in Figure 8, indicated by the green line) and the auxiliary one (points 6–8–10, represented by the dashed purple line). Flows coming from these two compressors mixed in the mixer M1, allowing the generation of a fluid with the conditions presented in Table 9 with the point 10 (and whose subsequent path is depicted in Figure 8 with the black line). This table presents the thermodynamic conditions (i.e., temperature, pressure, and enthalpy) associated with the most significant fluid states within the proposed cycle, corresponding to the red points in Figure 7 and Figure 8. Results are presented in Table 10 and Table 11. The former contains the power required by compressors and produced by turbines, while the latter provides the loads characterizing the heat exchangers in operating conditions. In this case, the formula of the net electric power reported in Section 2.4 must be modified, obtaining the new expression presented below:
W e = η g e n i W t , i i W c , i
where η g e n is the generator efficiency, assumed equal to 0.985, and W t , i and W c , i are the powers extracted from the turbine and absorbed by compressors, respectively. From these two parameters, it is possible to evaluate the corresponding efficiencies using the same formulas presented in Section 3.2. Values for all the parameters are reported in Table 12, together with turbines EX1 and EX2 efficiencies.

3.4. He Brayton Cycle

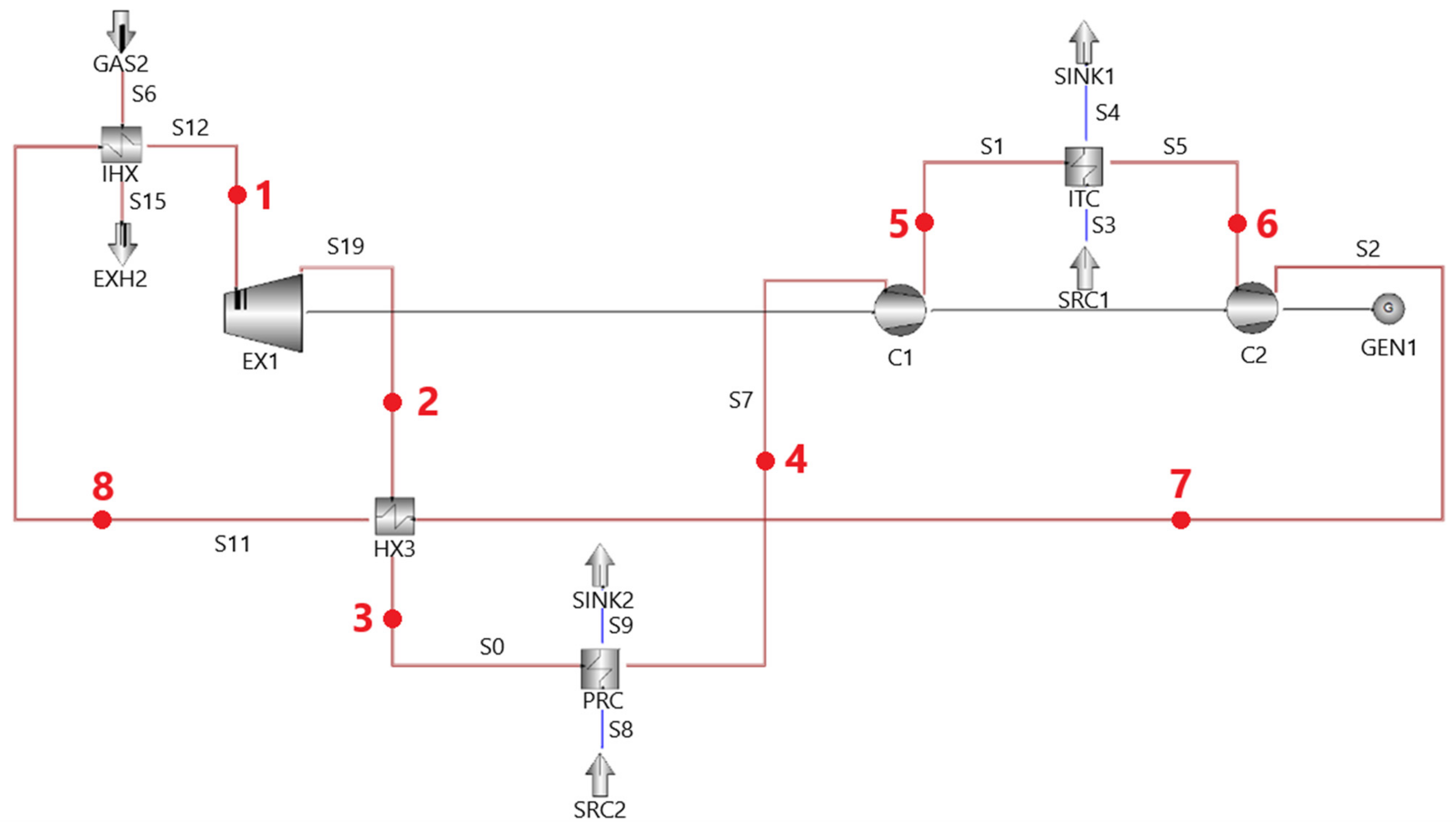
The Brayton scheme for the supercritical He cycle is reported in Figure 9, and the input data needed for this model are presented in Table 13. As for the CO2 configuration, for supercritical He properties, the NASA thermodynamic data [24,25,26] were used. Similarly to the model adopted for the supercritical CO2 cycle, also in this case, the heat exchanger IHX, simulating the secondary heat exchanger, used gas as a substitute for the intermediate FLiBe molten salt. Gas conditions were selected to allow the transfer of required power at the correct temperatures. Intercooling (ITC) and precooling (PRC) heat exchangers were instead modeled with two dedicated components using water to bring helium to the desired conditions (see Table 13). The turbine EX1 and the compressors C1 and C2 were modeled with an efficiency of 0.9 and with a fixed value of outlet pressure equal to 23 bar for the turbine, and with efficiencies of 0.9 and outlet pressures of 35 bar and 50 bar for the two compressors, respectively. The cycle mass flow rate was calculated by performing the energy balance at the IXH shell side and considering the rated thermal power (645 MWth) and the imposed fluid thermodynamic conditions. The resulting value for the PCS mass flow was 569 kg/s. Such value was used as input data for the calculation. In Figure 10, the h-s and T-s diagrams corresponding to the cycle presented in Figure 9 are reported. The two series compression phases (lines 4–5 and 6–7) and the single expansion in the turbine (lines 1–2) can be observed. As for the previous cycles, in Table 14, fluid conditions for the main points of the cycle are reported.
Table 15 and Table 16 present the main simulation results, in terms of power produced and absorbed (the former) and heat exchanger loads (the latter). Also in this case, it was possible to evaluate the gross and net powers and, from these, the corresponding efficiencies, as reported in Table 17.

3.5. Results Discussion

In this section, the simulation results are discussed, evaluating the most affordable configuration from the point of view of net electric efficiency. The three options are compared in terms of: efficiency, mass flow rate, and maximum pressure, which characterizes each cycle. Their values are summarized in Table 18. Thanks to the adoption of regeneration and preheating phases, the Rankine cycle resulted as the one with the higher net efficiency, but also the one with the largest pressure difference. This resulted in higher pressure drops within the circuit, which were not considered in this analysis, and higher mechanical stresses on components. The Rankine cycle is also characterized by a significant number of extractions, which resulted in a more complex configuration with respect to the Brayton ones. From the temperatures point of view, the supercritical steam cycle was the one that reached higher temperatures (540 °C), followed by the helium cycle (530 °C) and the CO2 cycle (about 450 °C), as well as a higher temperature difference. This resulted in higher thermal stresses for the first configuration but allowed the achievement of higher efficiencies. Comparing values for the three cases presented in Table 7, Table 12 and Table 17, the supercritical steam cycle resulted as the one with the smallest difference between gross and net powers, because of the lower power required from pumps in this configuration with respect to the power required by compressors of Brayton cycles. In addition, it is worth noting that the analysis performed here did not consider the presence of auxiliary systems, which reduce the net power obtained from the cycles. However, the present study has shown how, despite the problems, such as layout complexity and thermomechanical stresses, the supercritical steam design resulted as the most promising solution among the investigated options.

4. Conclusions

The aim of this work was the pre-conceptual design and analysis of the most promising configurations for the ARC “FNSF phase” power conversion cycle, comparing three layouts: supercritical Rankine cycle, supercritical CO2 Brayton cycle, and supercritical He Brayton cycle. Efficiency is (obviously) the most important parameter to be considered for the choice of a cycle, but it should also be supported by other considerations. For example, it must be taken into account that, for the ARC reactor, compactness is one of the most important requirements. By comparing the different solutions investigated, it was seen that the Rankine cycle was the most suitable from the net efficiency point of view, reaching a value of 0.46. However, Brayton cycles using CO2 and He allowed the adoption of less complex and more compact configurations, in support of the objectives of the ARC-like reactor. From the point of view of the required mass flow rate, the Rankine cycle resulted as the cycle that required the least amount of mass flow, with 344 kg/s (and the same in terms of volumetric flow rate). This lower mass flow rate results in a smaller size of the secondary heat exchanger. Moreover, the Rankine cycle resulted as the best one from the point of view of commercial availability, being the most diffused and technologically advanced. It operates under the highest temperature and pressure conditions among the three studied, and it currently meets the ARC design requirements. Currently, there are operational supercritical and ultra-supercritical steam power plants that are characterized by more extreme conditions than those considered within this study (e.g., 300 bar and 600 °C [27]). In this application, it was not possible to reach these state-of-the-art conditions due to the limit of the hot source temperature, which is lower with respect to that achievable in the conventional fuel-fired boilers. Instead, power plants based on CO2 and He cycles are still under development, and existing cycles can reach lower pressure and temperature values. Around the world, only a few experimental power stations characterized by these technologies are already in operation. In addition, such facilities do not host components suitable for the ARC Balance of Plant either in terms of size or working conditions. For all these technical and economic reasons, the Rankine cycle seems to be the most suitable option to satisfy the required conditions and, therefore, the best choice to be adopted within the short period for the realization of ARC PCS in the FNSF phase.

Author Contributions

Conceptualization, A.T.; Methodology, C.C., A.I. and G.V.C.; Software, F.C.; Validation, C.C.; Formal analysis, F.C.; Investigation, F.C.; Writing—original draft, F.C.; Writing—review & editing, C.C., A.I. and G.V.C.; Supervision, C.C., A.T. and F.G. All authors have read and agreed to the published version of the manuscript.

Funding

This research was co-funded by Project ECS 0000024 Rome Technopole—CUP B83C22002820006, PNRR Mission 4 Component 2 Investiment 1.5, finanziato dall’Unione europea—NextGenerationEU.

Data Availability Statement

The data presented in this study are available on request from the corresponding author.

Conflicts of Interest

Authors Andrea Iaboni, Giulia Valeria Centomani and Antonio Trotta were employed by the company MAFE, Eni S.p.A. The remaining authors declare that the research was conducted in the absence of any commercial or financial relationships that could be construed as a potential conflict of interest.

References

  1. Donné, A.J.H.; Morris, W. European Roadmap to Fusion Energy. Presentation at Symposium on Fusion Technology (SOFT), Giardini Naxos, Italy, 16–21 September 2018. Available online: https://euro-fusion.org/wp-content/uploads/2022/10/2018_Research_roadmap_long_version_01.pdf (accessed on 20 August 2024).
  2. Sorbom, B.; Ball, J.; Palmer, T.; Mangiarotti, F.; Sierchio, J.; Bonoli, P.; Kasten, C.; Sutherland, D.; Barnard, H.; Haakonsen, C.; et al. ARC: A compact, high-field, fusion nuclear science facility and demonstration power plant with demountable magnets. Fusion Eng. Des. 2015, 100, 378–405. [Google Scholar] [CrossRef]
  3. Segantin, S.; Bersano, A.; Falcone, N.; Testoni, R. Exploration of power conversion thermodynamic cycles for ARC fusion reactor. Fusion Eng. Des. 2020, 155, 111645. [Google Scholar] [CrossRef]
  4. Kuang, A.; Cao, N.; Creely, A.; Dennett, C.; Hecla, J.; LaBombard, B.; Tinguely, R.; Tolman, E.; Hoffman, H.; Major, M.; et al. Conceptual design study for heat exhaust management in the ARC fusion pilot plant. Fusion Eng. Des. 2018, 137, 221–242. [Google Scholar] [CrossRef]
  5. Segantin, S.; Testoni, R.; Zucchetti, M. The lifetime determination of ARC reactor as a load-following plant in the energy framework. Energy Policy 2019, 126, 66–75. [Google Scholar] [CrossRef]
  6. Barucca, L.; Bubelis, E.; Ciattaglia, S.; D’alessandro, A.; Del Nevo, A.; Giannetti, F.; Hering, W.; Lorusso, P.; Martelli, E.; Moscato, I.; et al. Pre-conceptual design of EU DEMO balance of plant systems: Objectives and challenges. Fusion Eng. Des. 2021, 169, 112504. [Google Scholar] [CrossRef]
  7. Ishiyama, S.; Muto, Y.; Kato, Y.; Nishio, S.; Hayashi, T.; Nomoto, Y. Study of steam, helium and supercritical CO2 turbine power generations in prototype fusion power reactor. Prog. Nucl. Energy 2008, 50, 325–332. [Google Scholar] [CrossRef]
  8. Famà, F.R.; Loreti, G.; Calabrò, G.; Ubertini, S.; Volpe, F.A.; Facci, A.L. An optimized power conversion system for a stellarator-based nuclear fusion power plant. Energy Convers. Manag. 2023, 276, 116572. [Google Scholar] [CrossRef]
  9. Barucca, L.; Hering, W.; Martin, S.P.; Bubelis, E.; Del Nevo, A.; Di Prinzio, M.; Caramello, M.; D’Alessandro, A.; Tarallo, A.; Vallone, E.; et al. Maturation of critical technologies for the DEMO balance of plant systems. Fusion Eng. Des. 2022, 179, 113096. [Google Scholar] [CrossRef]
  10. Linares, J.I.; Cantizano, A.; Moratilla, B.Y.; Martín-Palacios, V.; Batet, L. Supercritical CO2 Brayton power cycles for DEMO (demonstration power plant) fusion reactor based on dual coolant lithium lead blanket. Energy 2016, 98, 271–283. [Google Scholar] [CrossRef]
  11. Linares, J.; Herranz, L.; Moratilla, B.; Serrano, I. Power conversion systems based on Brayton cycles for fusion reactors. Fusion Eng. Des. 2011, 86, 2735–2738. [Google Scholar] [CrossRef]
  12. GE Energy. GateCycleTM Help, User Manual, 1989–2011; General Electric: Boston, MA, USA, 2011. [Google Scholar]
  13. Forsberg, C.; Zheng, G.; Ballinger, R.G.; Lam, S.T. Fusion Blankets and Fluoride-Salt-Cooled High-Temperature Reactors with FLiBe Salt Coolant: Common Challenges, Tritium Control, and Opportunities for Synergistic Development Strategies Between Fission, Fusion, and Solar Salt Technologies. Nucl. Technol. 2020, 206, 1778–1801. [Google Scholar] [CrossRef]
  14. Iaboni, A. Pre-Conceptual Design of Blanket Cooling Circuit’s Heat Exchangers of ARC Fusion Reactor. Ph.D. Thesis, Sapienza University, Rome, Italy, 2022. [Google Scholar]
  15. Colliva, F.; Hattab, F.; Siriano, S.; Ferrero, G.; Meschini, S.; Testoni, R.; Zucchetti, M.; Iaboni, A.; Centomani, G.V.; Trotta, A.; et al. Conceptual design and supporting analysis of a Double Wall Heat Exchanger for an ARC-class fusion reactor Primary Cooling System. Fusion Eng. Des. 2024, 201, 114261. [Google Scholar] [CrossRef]
  16. Yuan, Y.; Shan, J.; Wang, L.; Zhang, X. Control and thermal analysis for SCWR startup. Ann. Nucl. Energy 2019, 134, 27–37. [Google Scholar] [CrossRef]
  17. Bae, Y.-Y.; Jang, J.-S.; Kim, H.-Y.; Yoon, H.-Y.; Kang, H.-O.; Bae, K.-M. Research activities on a supercritical pressure water reactor in Korea. Nucl. Eng. Technol. 2007, 39, 273–286. [Google Scholar] [CrossRef]
  18. Wu, P.; Ma, Y.; Gao, C.; Liu, W.; Shan, J.; Huang, Y.; Wang, J.; Zhang, D.; Ran, X. A review of research and development of supercritical carbon dioxide Brayton cycle technology in nuclear engineering applications. Nucl. Eng. Des. 2020, 368, 110767. [Google Scholar] [CrossRef]
  19. Linares, J.I.; Herranz, L.E.; Fernández, I.; Cantizano, A.; Moratilla, B.Y. Supercritical CO2 Brayton power cycles for DEMO fusion reactor based on Helium Cooled Lithium Lead blanket. Appl. Therm. Eng. 2015, 76, 123–133. [Google Scholar] [CrossRef]
  20. Irianto, D. Design and Analysis of Helium Brayton Cycle for Energy Conversion System of RGTT200K. J. Tek. Reaktor. Nukl. 2018, 18, 75–86. [Google Scholar] [CrossRef][Green Version]
  21. The Industrial Standard IAPWS-IF97; Properties of Water and Steam. Springer-Verlag: Berlin/Heidelberg, Germany; New York, NY, USA, 1998; ISBN: 3-540-64339-7.
  22. Spencer, R.C.; Cotton, K.C.; Cannon, C.N. A method for Predicting the Performance of Steam Turbine-Generators…: 16,500 kW and Larger. J. Eng. Gas Turb. Power 1963, 85, 249–298. [Google Scholar] [CrossRef]
  23. Narcisi, V.; Ciurluini, C.; Padula, G.; Giannetti, F. Analysis of EU-DEMO WCLL Power Conversion System in two relevant Balance of Plant configurations: Direct coupling with auxiliary boiler and indirect coupling. Sustainability 2022, 14, 5779. [Google Scholar] [CrossRef]
  24. McBride, B.J.; Gordon, S. Computer Program for Calculation of Complex Chemical Equilibrium Compositions and Applications I. Analysis; NASA Reference Publication 1311; NASA: Washington, DC, USA, 1994. [Google Scholar]
  25. McBride, B.J.; Gordon, S. Computer Program for Calculation of Complex Chemical Equilibrium Compositions and Applications II. User’s Guide; NASA Reference Publication 1311; NASA: Washington, DC, USA, 1996. [Google Scholar]
  26. McBride, B.J.; Gordon, S. Thermodynamic Data to 20,000 K for Monatomic Gases; NASA/TP 208523; NASA: Washington, DC, USA, 1999. [Google Scholar]
  27. Salazar-Pereyra, M.; Lugo-Leyte, R.; Bonilla-Blancas, A.E.; Lugo-Méndez, H.D. Thermodynamic Analysis of Supercritical and Subcritical Rankine Cycles. In Turbo Expo: Power for Land, Sea, and Air; American Society of Mechanical Engineers: New York, NY, USA, 2016. [Google Scholar] [CrossRef]
Figure 1. ARC PCS general scheme (indirect configuration design).
Figure 1. ARC PCS general scheme (indirect configuration design).
Sustainability 16 07480 g001
Figure 2. Scheme proposed for ARC’s supercritical Rankine cycle.
Figure 2. Scheme proposed for ARC’s supercritical Rankine cycle.
Sustainability 16 07480 g002
Figure 3. Scheme proposed for ARC’s supercritical CO2 Brayton cycle.
Figure 3. Scheme proposed for ARC’s supercritical CO2 Brayton cycle.
Sustainability 16 07480 g003
Figure 4. Scheme proposed for ARC’s supercritical He Brayton cycle.
Figure 4. Scheme proposed for ARC’s supercritical He Brayton cycle.
Sustainability 16 07480 g004
Figure 5. GateCycle™ model of the proposed ARC’s supercritical Rankine cycle.
Figure 5. GateCycle™ model of the proposed ARC’s supercritical Rankine cycle.
Sustainability 16 07480 g005
Figure 6. h-s (a) and T-s (b) diagrams for the proposed supercritical Rankine cycle.
Figure 6. h-s (a) and T-s (b) diagrams for the proposed supercritical Rankine cycle.
Sustainability 16 07480 g006
Figure 7. GateCycle™ model of the proposed ARC’s supercritical CO2 Brayton cycle.
Figure 7. GateCycle™ model of the proposed ARC’s supercritical CO2 Brayton cycle.
Sustainability 16 07480 g007
Figure 8. h-s (a) and T-s (b) diagrams for the supercritical CO2 Brayton cycle.
Figure 8. h-s (a) and T-s (b) diagrams for the supercritical CO2 Brayton cycle.
Sustainability 16 07480 g008
Figure 9. GateCycle™ model of the proposed ARC’s supercritical He cycle.
Figure 9. GateCycle™ model of the proposed ARC’s supercritical He cycle.
Sustainability 16 07480 g009
Figure 10. h-s (a) and T-s (b) diagrams for the supercritical He Brayton cycle.
Figure 10. h-s (a) and T-s (b) diagrams for the supercritical He Brayton cycle.
Sustainability 16 07480 g010
Table 1. Intermediate FLiBe conditions.
Table 1. Intermediate FLiBe conditions.
ParameterUnitValue
Inlet SG intermediate temperature°C565
Outlet SG intermediate temperature°C505
Intermediate mass flow ratekg/s1500
Table 2. GateCycle™ input data for the supercritical Rankine cycle.
Table 2. GateCycle™ input data for the supercritical Rankine cycle.
ParameterUnitValue
Inlet SG temperature°C320
Outlet SG temperature°C540
Outlet SG pressurebar250
Condenser pressurebar0.045
Extraction pump pressurebar5
Primary pump pressurebar250
Mass flow ratekg/s344
Table 3. Extraction pressure values.
Table 3. Extraction pressure values.
ParameterUnitValue
EX1 pressure (S39)bar1.5
EX2 pressure (S40)bar2.2
EX3 pressure (S47)bar4.3
EX4 pressure (S38)bar6
EX5 pressure (S41)bar7.5
EX6 pressure (S4)bar100
Table 4. Rankine cycle fluid thermodynamic conditions at the most relevant cycle points.
Table 4. Rankine cycle fluid thermodynamic conditions at the most relevant cycle points.
PointTemperaturePressureEnthalpy
(-)(°C)(bar)(kJ/kg°C)
15402503306.6
2325.4602970.6
3500603423
4191.352837.1
532.70.04952560.5
6310.045129.9
7102.95431.6
83172501422.1
Table 5. Auxiliary pumping powers and turbine powers for supercritical Rankine cycle.
Table 5. Auxiliary pumping powers and turbine powers for supercritical Rankine cycle.
ParameterUnitPower
Extraction pumpMW0.1
Primary pumpMW6.7
Pump 1MW0.007
Pump 4MW0.006
Pump 5MW1.9
Pump 6MW1.4
Total consumptionMW10.1
HP turbineMW86.4
IP turbineMW120.6
LP turbineMW104.8
Total productionMW311.8
Table 6. Heat exchangers’ loads for supercritical Rankine cycle.
Table 6. Heat exchangers’ loads for supercritical Rankine cycle.
Heat ExchangerUnitPower
CondenserMW329.4
PHX1MW55.4
PHX2MW7.9
PHX3MW17.9
PHX4MW6.2
PHX5MW123.9
PHX6MW17.5
RHMW93.6
Table 7. PCS power and efficiency for supercritical Rankine cycle.
Table 7. PCS power and efficiency for supercritical Rankine cycle.
ParameterUnitValue
Gross powerMW307.1
Net electric powerMW297
Isentropic efficiency (HP turbine)-87.4%
Isentropic efficiency (IP turbine)-86.9%
Isentropic efficiency (LP turbine)-85%
Gross efficiency-47.6%
Net efficiency-46%
Table 8. GateCycle™ input data for the supercritical CO2 Brayton cycle.
Table 8. GateCycle™ input data for the supercritical CO2 Brayton cycle.
ParameterUnitValue
Inlet EX1 temperature°C455
Outlet EX1 pressurebar128
Inlet EX2 temperature°C455
Outlet EX2 pressurebar85.6
Inlet C1 temperature°C30
Outlet C1 pressurebar281.6
Outlet C2 pressurebar281.2
Mass flow ratekg/s2014
Table 9. CO2 Brayton cycle fluid thermodynamic conditions at the most relevant cycle points.
Table 9. CO2 Brayton cycle fluid thermodynamic conditions at the most relevant cycle points.
PointTemperaturePressureEnthalpy
(-)(°C)(bar)(kJ/kg°C)
1455279.1910.5
2365.4128819.3
3455126.5926
4408.5186876.4
5187.485.1623.3
667.384.6465.7
73084.1280.3
8176.3281.2537.7
958.6281.6308.6
10163.4281.1516.6
11341.4280.6766.7
Table 10. Compressor and turbine powers for supercritical CO2 Brayton cycle.
Table 10. Compressor and turbine powers for supercritical CO2 Brayton cycle.
ParameterUnitPower
C1 compressorMW56.1
C2 compressorMW39.4
Total consumptionMW95.5
EX1 turbineMW235.7
EX2 turbineMW123.7
Total productionMW359.4
Table 11. Heat exchangers’ loads for supercritical CO2 Brayton cycle.
Table 11. Heat exchangers’ loads for supercritical CO2 Brayton cycle.
Heat ExchangerUnitPower
HX1MW377
HX2MW410.9
HX3MW561.3
HX4MW371.1
HX5MW273.9
Table 12. PCS power and efficiency for supercritical CO2 Brayton cycle.
Table 12. PCS power and efficiency for supercritical CO2 Brayton cycle.
ParameterUnitValue
Gross powerMW354
Net electric powerMW259.9
Isentropic efficiency (EX1 turbine)-90%
Isentropic efficiency (EX2 turbine)-92%
Gross efficiency-54.9%
Net efficiency-40.3%
Table 13. GateCycle™ input data for the supercritical helium Brayton cycle.
Table 13. GateCycle™ input data for the supercritical helium Brayton cycle.
ParameterUnitValue
Outlet IHX temperature°C530
Outlet EX1 pressurebar23
Outlet PRC temperature°C40
Outlet C1 pressurebar35
Outlet ITC temperature°C40
Outlet C2 pressurebar50
Mass flow ratekg/s569
Table 14. He Brayton cycle fluid thermodynamic conditions at the most relevant cycle points.
Table 14. He Brayton cycle fluid thermodynamic conditions at the most relevant cycle points.
PointTemperaturePressureEnthalpy
(-)(°C)(bar)(kJ/kg°C)
1530484190.5
2335.5233173.1
3119.722.52052.7
44022.51638.6
5107.2351991.9
64034.51642.5
795.7501936.7
8311.549.53057
Table 15. Compressor and turbine powers for supercritical He Brayton cycle.
Table 15. Compressor and turbine powers for supercritical He Brayton cycle.
ParameterUnitPower
C1 compressorMW199.96
C2 compressorMW166.28
Total consumptionMW366.24
EX1 turbineMW576.95
Total productionMW576.95
Table 16. Heat exchangers’ loads.
Table 16. Heat exchangers’ loads.
Heat ExchangerUnitPower
ITCMW198.7
PRCMW233.3
Table 17. PCS power and efficiency.
Table 17. PCS power and efficiency.
ParameterUnitValue
Gross powerMW568.3
Net electric powerMW207.5
Isentropic efficiency (EX1 turbine)-0.95
Gross efficiency-88%
Net efficiency-32%
Table 18. Comparison of some parameters for the three configurations.
Table 18. Comparison of some parameters for the three configurations.
ParameterNet Efficiency
(-)
Gross Efficiency
(-)
Mass Flow
Rate (kg/s)
P max
(bar)
Rankine cycle46%47.6%344250
CO2 Brayton cycle41%54.9%2014280
Helium Brayton cycle32%88.0%56950
Disclaimer/Publisher’s Note: The statements, opinions and data contained in all publications are solely those of the individual author(s) and contributor(s) and not of MDPI and/or the editor(s). MDPI and/or the editor(s) disclaim responsibility for any injury to people or property resulting from any ideas, methods, instructions or products referred to in the content.

Share and Cite

MDPI and ACS Style

Colliva, F.; Ciurluini, C.; Iaboni, A.; Centomani, G.V.; Trotta, A.; Giannetti, F. Analysis of Power Conversion System Options for ARC-like Tokamak Fusion Reactor Balance of Plant. Sustainability 2024, 16, 7480. https://doi.org/10.3390/su16177480

AMA Style

Colliva F, Ciurluini C, Iaboni A, Centomani GV, Trotta A, Giannetti F. Analysis of Power Conversion System Options for ARC-like Tokamak Fusion Reactor Balance of Plant. Sustainability. 2024; 16(17):7480. https://doi.org/10.3390/su16177480

Chicago/Turabian Style

Colliva, Francesco, Cristiano Ciurluini, Andrea Iaboni, Giulia Valeria Centomani, Antonio Trotta, and Fabio Giannetti. 2024. "Analysis of Power Conversion System Options for ARC-like Tokamak Fusion Reactor Balance of Plant" Sustainability 16, no. 17: 7480. https://doi.org/10.3390/su16177480

APA Style

Colliva, F., Ciurluini, C., Iaboni, A., Centomani, G. V., Trotta, A., & Giannetti, F. (2024). Analysis of Power Conversion System Options for ARC-like Tokamak Fusion Reactor Balance of Plant. Sustainability, 16(17), 7480. https://doi.org/10.3390/su16177480

Note that from the first issue of 2016, this journal uses article numbers instead of page numbers. See further details here.

Article Metrics

Back to TopTop