Model Predictive Controlled Parallel Photovoltaic-Battery Inverters Supporting Weak Grid Environment
Abstract
1. Introduction
1.1. Overview
1.2. Literature Review
1.3. Problem Statement
1.4. Article Novelty
- A novel FCSMPC controller approach is presented in this paper for hybrid PV-battery parallel three-level NPC inverters. The proposed FCSMPC provides a flexible digital means for achieving multiple objectives simultaneously without the need for cascaded controllers.
- The FCSMPC-based algorithm facilitates the response to achieve multiple functionalities simultaneously, including MPPT control, ESS charging/discharging, weak grid support, LVRT control, and management of unbalanced grid voltage conditions. In contrast to classical controllers, FCSMPC eliminates the need for complex design procedures involving cascaded controllers.
- Additionally, economic management has been achieved in the system by employing the feed-in tariff (FiT) during the reference current generation.
- Real-time simulation HiL setup using the OPAL-RT platform is presented for implementing the proposed hybrid PV–ESS system with the FCSMPC algorithm.
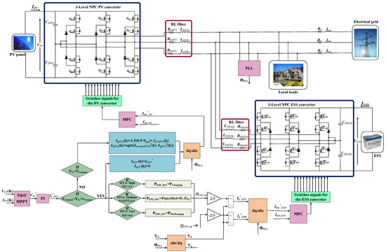
2. Model of the System
2.1. System Description
2.2. Three-Level NPC Operation
2.3. Mathematical Discrete Modeling of NPC Inverter
3. Proposed Method
3.1. PV MPPT Control
3.2. MPC Algorithm
3.3. Control Mechanism
3.4. FiT Mechanism
4. Results and Discussion
4.1. Response to a Dramatic Drop in Grid Voltage
4.2. Investigation under Conditions of Unbalanced Grid Voltages
4.3. The System’s Behavior under Dynamic Change in PV Power
4.4. The System’s Behavior under Dynamic FiT
- At high FiT conditionThe system’s economic benefits are augmented by its adaptable power injection, which is activated by dynamic adjustments to the FiT. Figure 10 illustrates the observed system’s behavior and response at high FiT conditions. The FiT-MF has been noted to rise from 1 to 1.2, as shown in the figure. This implies a relationship between injecting grid power () and increasing earnings. Consequently, the ESS undergoes discharge, as indicated by the elevated ESS current (), aimed at boosting power delivery to the grid, and hence resulting in a positive value of ESS’s Power (). Consequently, grid current () experiences a rapid upsurge, indicating an increase in exported power to the grid. In contrast, the PVA operates under stable conditions with no variations in (), (), or (). Additionally, there are no discernible effects on DC-link capacitor voltages (, , , ) for both converters and load power ().

- At low FiT conditionAn examination of the response to a transition toward a lower FiT-MF of 0.2 is depicted in Figure 11. Currently, an economical energy source is available for supplying power to loads and recharging the ESS system. Consequently, the current flowing into the grid () is reversed, indicating the absorption of power from the grid, as evidenced by the grid power () signal reversing its direction. As for the ESS current (), it is inverted, signifying the process of ESS charging. Subsequently, the power generated by the PV system () is reduced. Concerning the capacitor voltages (, ) of the PV converter, they exhibit a slight decrease, influenced by the decline in PV power (), while there is no corresponding change in the ESS converter for (, ) voltages. The potential energy stored in the ESS system can be harnessed to enhance returns during periods of high FiT-MF.
4.5. Effect of Parameters Variations and System Uncertainties
4.6. Comparing the Performance of the System Utilizing the MPC Approach with That of the Traditional PI Control
5. Conclusions and Future Work
Author Contributions
Funding
Institutional Review Board Statement
Informed Consent Statement
Data Availability Statement
Conflicts of Interest
References
- Shawky, A.; Aly, M.; Rodriguez, J. Differential Inverters: A General Design Procedure Integrating a Novel Power Losses Modeling Approach for Utilized DC–DC Modules at Different Modulation Schemes. IEEE Access 2023, 11, 52790–52811. [Google Scholar] [CrossRef]
- Mukundan, C.M.N.; Naqvi, S.B.Q.; Singh, Y.; Singh, B.; Jayaprakash, P. A Cascaded Generalized Integral Control for Multiobjective Grid-Connected Solar Energy Transfer System. IEEE Trans. Ind. Electron. 2021, 68, 12385–12395. [Google Scholar] [CrossRef]
- Meng, Q.; Hussain, S.; Luo, F.; Wang, Z.; Jin, X. An Online Reinforcement Learning-based Energy Management Strategy for Microgrids with Centralized Control. IEEE Trans. Ind. Appl. 2024, 1–10. [Google Scholar] [CrossRef]
- Duan, Y.; Zhao, Y.; Hu, J. An initialization-free distributed algorithm for dynamic economic dispatch problems in microgrid: Modeling, optimization and analysis. Sustain. Energy Grids Netw. 2023, 34, 101004. [Google Scholar] [CrossRef]
- Hu, J.; Shan, Y.; Xu, Y.; Guerrero, J.M. A coordinated control of hybrid ac/dc microgrids with PV-wind-battery under variable generation and load conditions. Int. J. Electr. Power Energy Syst. 2019, 104, 583–592. [Google Scholar] [CrossRef]
- Zeraati, M.; Hamedani Golshan, M.E.; Guerrero, J.M. Distributed Control of Battery Energy Storage Systems for Voltage Regulation in Distribution Networks With High PV Penetration. IEEE Trans. Smart Grid 2018, 9, 3582–3593. [Google Scholar] [CrossRef]
- Wu, D.; Tang, F.; Dragicevic, T.; Vasquez, J.C.; Guerrero, J.M. A Control Architecture to Coordinate Renewable Energy Sources and Energy Storage Systems in Islanded Microgrids. IEEE Trans. Smart Grid 2015, 6, 1156–1166. [Google Scholar] [CrossRef]
- Shirkhani, M.; Tavoosi, J.; Danyali, S.; Sarvenoee, A.K.; Abdali, A.; Mohammadzadeh, A.; Zhang, C. A review on microgrid decentralized energy/voltage control structures and methods. Energy Rep. 2023, 10, 368–380. [Google Scholar] [CrossRef]
- Ju, Y.; Liu, W.; Zhang, Z.; Zhang, R. Distributed Three-Phase Power Flow for AC/DC Hybrid Networked Microgrids Considering Converter Limiting Constraints. IEEE Trans. Smart Grid 2022, 13, 1691–1708. [Google Scholar] [CrossRef]
- Sera, D.; Mathe, L.; Kerekes, T.; Spataru, S.V.; Teodorescu, R. On the Perturb-and-Observe and Incremental Conductance MPPT Methods for PV Systems. IEEE J. Photovolt. 2013, 3, 1070–1078. [Google Scholar] [CrossRef]
- Esram, T.; Chapman, P.L. Comparison of Photovoltaic Array Maximum Power Point Tracking Techniques. IEEE Trans. Energy Convers. 2007, 22, 439–449. [Google Scholar] [CrossRef]
- Hamzeh, M.; Emamian, S.; Karimi, H.; Mahseredjian, J. Robust Control of an Islanded Microgrid Under Unbalanced and Nonlinear Load Conditions. IEEE J. Emerg. Sel. Top. Power Electron. 2016, 4, 512–520. [Google Scholar] [CrossRef]
- Kai, S.; Zhang, F.; Huang, P. Coordinated Switching Control Strategy of Energy Storage in the PV-ESS hybrid System. In Proceedings of the 2021 4th International Conference on Energy, Electrical and Power Engineering (CEEPE), Chongqing, China, 23–25 April 2021; IEEE: Piscataway, NJ, USA, 2021. [Google Scholar] [CrossRef]
- Patra, S.; Bahloul, M.; Trivedi, R.; Khadem, S. Smart bi-directional inverter control and PV-ESS integration for net zero energy residential buildings. In Proceedings of the 13th Mediterranean Conference on Power Generation, Transmission, Distribution and Energy Conversion (MEDPOWER 2022), Valletta, Malta, 7–9 November 2022; Institution of Engineering and Technology: London, UK, 2022. [Google Scholar] [CrossRef]
- Colak, I.; Kabalci, E.; Bayindir, R. Review of multilevel voltage source inverter topologies and control schemes. Energy Convers. Manag. 2011, 52, 1114–1128. [Google Scholar] [CrossRef]
- Amirnaser Yazdani, R.I. Voltage-Sourced Converters in Power Systems: Modeling, Control, and Applications; IEEE Press/John Wiley: New York, NY, USA, 2010. [Google Scholar]
- Singh, B.; Singh, B.; Chandra, A.; Al-Haddad, K.; Pandey, A.; Kothari, D. A review of three-phase improved power quality AC-DC converters. IEEE Trans. Ind. Electron. 2004, 51, 641–660. [Google Scholar] [CrossRef]
- Prasad, K.K.; Myneni, H.; Kumar, G.S. Power Quality Improvement and PV Power Injection by DSTATCOM with Variable DC Link Voltage Control from RSC-MLC. IEEE Trans. Sustain. Energy 2019, 10, 876–885. [Google Scholar] [CrossRef]
- Kumar, S.; Patel, L.N.; Singh, B.; Vyas, A.L. Self-Adjustable Step-Based Control Algorithm for Grid-Interactive Multifunctional Single-Phase PV-Battery System Under Abnormal Grid Conditions. IEEE Trans. Ind. Appl. 2020, 56, 2978–2987. [Google Scholar] [CrossRef]
- Worku, M.Y.; Abido, M.A. Grid-connected PV array with supercapacitor energy storage system for fault ride through. In Proceedings of the 2015 IEEE International Conference on Industrial Technology (ICIT), Seville, Spain, 17–19 March 2015; IEEE: Piscataway, NJ, USA, 2015; pp. 2901–2906. [Google Scholar]
- Lin, F.J.; Lu, K.C.; Ke, T.H.; Yang, B.H.; Chang, Y.R. Reactive power control of three-phase grid-connected PV system during grid faults using Takagi–Sugeno–Kang probabilistic fuzzy neural network control. IEEE Trans. Ind. Electron. 2015, 62, 5516–5528. [Google Scholar] [CrossRef]
- Liu, Y.; Huang, A.Q.; Tan, G.; Bhattacharya, S. Control strategy improving fault ride-through capability of cascade multilevel inverter based STATCOM. In Proceedings of the 2008 IEEE Industry Applications Society Annual Meeting, Edmonton, AB, Canada, 5–9 October 2008; IEEE: Piscataway, NJ, USA, 2008; pp. 1–6. [Google Scholar]
- Song, Q.; Liu, W. Control of a cascade STATCOM with star configuration under unbalanced conditions. IEEE Trans. Power Electron. 2009, 24, 45–58. [Google Scholar] [CrossRef]
- Yang, L.; Liu, W.; Peng, G.; Chen, Y.G.; Xu, Z. Coordinated-Control Strategy of Photovoltaic Converters and Static Synchronous Compensators for Power System Fault Ride-Through. Electr. Power Compon. Syst. 2016, 44, 1683–1692. [Google Scholar] [CrossRef]
- Sadeghkhani, I.; Golshan, M.E.H.; Guerrero, J.M.; Mehrizi-Sani, A. A current limiting strategy to improve fault ride-through of inverter interfaced autonomous microgrids. IEEE Trans. Smart Grid 2016, 8, 2138–2148. [Google Scholar] [CrossRef]
- Nasiri, M.; Arzani, A.; Guerrero, J.M. LVRT operation enhancement of single-stage photovoltaic power plants: An analytical approach. IEEE Trans. Smart Grid 2021, 12, 5020–5029. [Google Scholar] [CrossRef]
- Pei, X.; Kang, Y. Short-circuit fault protection strategy for high-power three-phase three-wire inverter. IEEE Trans. Ind. Inform. 2012, 8, 545–553. [Google Scholar] [CrossRef]
- Chiang, S.; Lin, C.; Yen, C. Current limitation control technique for parallel operation of UPS inverters. In Proceedings of the 2004 IEEE 35th Annual Power Electronics Specialists Conference (IEEE Cat. No. 04CH37551), Aachen, Germany, 20–25 June 2004; IEEE: Piscataway, NJ, USA, 2004; Volume 3, pp. 1922–1926. [Google Scholar]
- Bahramian-Habil, H.; Abyaneh, H.A.; Gharehpetian, G. Improving LVRT capability of microgrid by using bridge-type fault current limiter. Electr. Power Syst. Res. 2021, 191, 106872. [Google Scholar] [CrossRef]
- Said, S.M.; Abdel-Salam, M.; Nayel, M.; Hashem, M.; Kamel, S.; Jurado, F.; Ebeed, M. Optimal design and cost of superconducting magnetic energy storage for voltage sag mitigation in a real distribution network. J. Energy Storage 2023, 73, 108864. [Google Scholar] [CrossRef]
- Hashem, M.; Abdel-Salam, M.; Nayel, M.; El-Mohandes, M.T. Mitigation of voltage sag in a distribution system during start-up of water-pumping motors using superconducting magnetic energy storage: A case study. J. Energy Storage 2022, 55, 105441. [Google Scholar] [CrossRef]
- Said, S.M.; Aly, M.; Balint, H. An Efficient Reactive Power Dispatch Method for Hybrid Photovoltaic and Superconducting Magnetic Energy Storage Inverters in Utility Grids. IEEE Access 2020, 8, 183708–183721. [Google Scholar] [CrossRef]
- Yang, Y.; Blaabjerg, F. Low-Voltage Ride-Through Capability of a Single-Stage Single-Phase Photovoltaic System Connected to the Low-Voltage Grid. Int. J. Photoenergy 2013, 2013, 257487. [Google Scholar] [CrossRef]
- Ding, G.; Gao, F.; Tian, H.; Ma, C.; Chen, M.; He, G.; Liu, Y. Adaptive DC-Link Voltage Control of Two-Stage Photovoltaic Inverter During Low Voltage Ride-Through Operation. IEEE Trans. Power Electron. 2016, 31, 4182–4194. [Google Scholar] [CrossRef]
- Kim, D.; Ramadhan, U.F.; Islam, S.U.; Jung, S.; Yoon, M. Design and Implementation of Novel Fault Ride through Circuitry and Control for Grid-Connected PV System. Sustainability 2022, 14, 9736. [Google Scholar] [CrossRef]
- Singh, B.; Kumar, S. Distributed Incremental Adaptive Filter Controlled Grid Interactive Residential Photovoltaic-Battery Based Microgrid for Rural Electrification. IEEE Trans. Ind. Appl. 2020, 56, 4114–4123. [Google Scholar] [CrossRef]
- Kalla, U.K.; Kaushik, H.; Singh, B.; Kumar, S. Adaptive Control of Voltage Source Converter Based Scheme for Power Quality Improved Grid-Interactive Solar PV–Battery System. IEEE Trans. Ind. Appl. 2020, 56, 787–799. [Google Scholar] [CrossRef]
- Hu, J.; Guerrero, J.; Islam, S. Model Predictive Control for Microgrids: From Power Electronic Converters to Energy Management; Institution of Engineering and Technology: London, UK, 2021. [Google Scholar] [CrossRef]
- Hu, J.; Shan, Y.; Cheng, K.W.; Islam, S. Overview of Power Converter Control in Microgrids—Challenges, Advances, and Future Trends. IEEE Trans. Power Electron. 2022, 37, 9907–9922. [Google Scholar] [CrossRef]
- Aly, M.; Carnielutti, F.d.M.; Grigoletto, F.B.; Silveira, K.d.O.; Norambuena, M.; Kouro, S.; Rodriguez, J. Predictive Control of Common-Ground Five-Level PV Inverter without Weighting Factors and Reduced Computational Burden. IEEE J. Emerg. Sel. Top. Power Electron. 2023, 11, 4772–4783. [Google Scholar] [CrossRef]
- Khayat, Y.; Heydari, R.; Naderi, M.; Dragicevic, T.; Shafiee, Q.; Fathi, M.; Bevrani, H.; Blaabjerg, F. Decentralized Frequency Control of AC Microgrids: An Estimation-Based Consensus Approach. IEEE J. Emerg. Sel. Top. Power Electron. 2021, 9, 5183–5191. [Google Scholar] [CrossRef]
- Carnielutti, F.; Aly, M.; Norambuena, M.; Hu, J.; Guerrero, J.; Rodriguez, J. Model Predictive Control of Master-Slave Inverters Operating with Fixed Switching Frequency. In Proceedings of the 2023 IEEE 8th Southern Power Electronics Conference and 17th Brazilian Power Electronics Conference (SPEC/COBEP), Florianopolis, Brazil, 26–29 November 2023; pp. 1–6. [Google Scholar] [CrossRef]
- Zheng, C.; Dragicevic, T.; Blaabjerg, F. Current-Sensorless Finite-Set Model Predictive Control for LC-Filtered Voltage Source Inverters. IEEE Trans. Power Electron. 2020, 35, 1086–1095. [Google Scholar] [CrossRef]
- Norambuena, M.; Medina, F.; Carnielutti, F.; Aly, M.; Rodriguez, J. Hierarchical Control Based on MPC for a Smart-Grid Including Power Distribution. In Proceedings of the IECON 2023-49th Annual Conference of the IEEE Industrial Electronics Society, Singapore, 16–19 October 2023; pp. 1–7. [Google Scholar] [CrossRef]
- Naqvi, S.B.Q.; Singh, B. A PV-Battery System Resilient to Weak Grid Conditions With Regulated Power Injection and Grid Supportive Features. IEEE Trans. Sustain. Energy 2022, 13, 1408–1419. [Google Scholar] [CrossRef]
- Dong, C.; Zhou, R.; Li, J. Rushing for subsidies: The impact of feed-in tariffs on solar photovoltaic capacity development in China. Appl. Energy 2021, 281, 116007. [Google Scholar] [CrossRef]
- Huang, S.; Wu, Q. Dynamic Tariff-Subsidy Method for PV and V2G Congestion Management in Distribution Networks. IEEE Trans. Smart Grid 2019, 10, 5851–5860. [Google Scholar] [CrossRef]
- Nithya, C.; Roselyn, J.P. Multimode Inverter Control Strategy for LVRT and HVRT Capability Enhancement in Grid Connected Solar PV System. IEEE Access 2022, 10, 54899–54911. [Google Scholar] [CrossRef]
- Karamanakos, P.; Geyer, T. Guidelines for the Design of Finite Control Set Model Predictive Controllers. IEEE Trans. Power Electron. 2020, 35, 7434–7450. [Google Scholar] [CrossRef]
- Cortes, P.; Kouro, S.; La Rocca, B.; Vargas, R.; Rodriguez, J.; Leon, J.I.; Vazquez, S.; Franquelo, L.G. Guidelines for weighting factors design in Model Predictive Control of power converters and drives. In Proceedings of the 2009 IEEE International Conference on Industrial Technology, Churchill, VIC, Australia, 10–13 February 2009; pp. 1–7. [Google Scholar] [CrossRef]
- Narimani, M.; Wu, B.; Yaramasu, V.; Reza Zargari, N. Finite Control-Set Model Predictive Control (FCS-MPC) of Nested Neutral Point-Clamped (NNPC) Converter. IEEE Trans. Power Electron. 2015, 30, 7262–7269. [Google Scholar] [CrossRef]
- Li, L.; Zhou, H.; Luo, F.; Lin, X.; Han, Y. Control strategy for low voltage ride through (LVRT) operation of two-stage photovoltaic power generation system. In Proceedings of the 2018 IEEE 4th Southern Power Electronics Conference (SPEC), Singapore, 10–13 December 2018; IEEE: Piscataway, NJ, USA, 2018; pp. 1–6. [Google Scholar]















| Considered Structure and Control Methodology | Performance Metrics Comparisons | ||||||||
|---|---|---|---|---|---|---|---|---|---|
| Ref. | Contribution | Inverter Topology | No. of Stages | Control Scheme | Control Complexity | Control Functions | PV Power LVRT | Reactive Power LVRT | FIT |
| [37] |
| 3P-4W VSC | Two stages | AL-BP + Hysteresis PWM+PI EES converter | ✓ | ✗ | ✗ | ✗ | ✗ |
| [33] |
| 1P- VSC | Single stage | PR controller + harmonic compensator | ✓ | ✗ | ✗ | ✓ | ✗ |
| [48] |
| 3P- VSC | Two stages | Cascaded PI controller | ✓ | ✗ | ✓ | ✗ | ✗ |
| [34] |
| 3P- VSC | three stages | PI controller | ✓ | ✗ | ✗ | ✓ | ✗ |
| [35] |
| 3P- VSC | Two stages | PI+STFCL and PI/SD+ BTFCL | ✓ | ✗ | ✗ | ✗ | ✗ |
| Proposed |
| 3P-NPC VSC | Single stage | FCSMPC | ✗ | ✓ | ✗ | ✓ | ✓ |
| State | Output | Switching Signals | |||
|---|---|---|---|---|---|
| P | ON | ON | OFF | OFF | |
| O | 0 | OFF | ON | ON | OFF |
| N | OFF | OFF | ON | ON | |
| PV Array | |
|---|---|
| Maximum array power () | 800 kW |
| Voltage at maximum power () | 1050 V |
| Current at maximum power () | 730 A |
| DC-link capacitors (, ) | 25 mF |
| weighting factor () | 5 |
| Grid | |
| Power of the grid () | 800 kW |
| Grid voltage () | 320 V |
| Fundamental frequency of grid () | 50 Hz |
| System sampling frequency () | 5 kHz |
| Filter resistance () | 0.5 m |
| Filter inductance () | 1 mH |
| ESS | |
| ESS voltage () | 1160 V |
| ESS capacity () | 1000 Whr |
| DC-link capacitors (, ) | 25 mF |
| weighting factor () | 5 |
Disclaimer/Publisher’s Note: The statements, opinions and data contained in all publications are solely those of the individual author(s) and contributor(s) and not of MDPI and/or the editor(s). MDPI and/or the editor(s) disclaim responsibility for any injury to people or property resulting from any ideas, methods, instructions or products referred to in the content. |
© 2024 by the authors. Licensee MDPI, Basel, Switzerland. This article is an open access article distributed under the terms and conditions of the Creative Commons Attribution (CC BY) license (https://creativecommons.org/licenses/by/4.0/).
Share and Cite
Selim, F.; Aly, M.; Megahed, T.F.; Shoyama, M.; Abdelkader, S.M. Model Predictive Controlled Parallel Photovoltaic-Battery Inverters Supporting Weak Grid Environment. Sustainability 2024, 16, 7261. https://doi.org/10.3390/su16177261
Selim F, Aly M, Megahed TF, Shoyama M, Abdelkader SM. Model Predictive Controlled Parallel Photovoltaic-Battery Inverters Supporting Weak Grid Environment. Sustainability. 2024; 16(17):7261. https://doi.org/10.3390/su16177261
Chicago/Turabian StyleSelim, Fatma, Mokhtar Aly, Tamer F. Megahed, Masahito Shoyama, and Sobhy M. Abdelkader. 2024. "Model Predictive Controlled Parallel Photovoltaic-Battery Inverters Supporting Weak Grid Environment" Sustainability 16, no. 17: 7261. https://doi.org/10.3390/su16177261
APA StyleSelim, F., Aly, M., Megahed, T. F., Shoyama, M., & Abdelkader, S. M. (2024). Model Predictive Controlled Parallel Photovoltaic-Battery Inverters Supporting Weak Grid Environment. Sustainability, 16(17), 7261. https://doi.org/10.3390/su16177261

