You are currently viewing a new version of our website. To view the old version click .
Sustainability
  • Article
  • Open Access

21 June 2024

Cost Calculation and Deployment Strategies for Collaborative Robots in Production Lines: An Innovative and Sustainable Perspective in Knowledge-Based Organizations

,
,
,
and
1
Industrial Engineering and Management Department, ”Lucian Blaga” University of Sibiu, 550024 Sibiu, Romania
2
Faculty of Industrial Engineering and Robotics, National University of Science and Technology POLITEHNICA Bucharest, 060042 Bucharest, Romania
3
Design Engineering and Robotics Department, Faculty of Industrial Engineering, Robotics and Production Management, Technical University of Cluj-Napoca, 400641 Cluj-Napoca, Romania
4
Department of Engineering and Technology Management, Faculty of Engineering, Technical University of Cluj-Napoca, Northern University Centre of Baia Mare, 430083 Baia Mare, Romania
This article belongs to the Section Sustainable Engineering and Science

Abstract

This scientific paper explores the increasingly widespread use of collaborative and industrial robots in the industrial environment, highlighting them as a solution to challenges related to the high costs of human labor and associated management difficulties. The authors focus on the process of defining requirements for the implementation of collaborative and industrial robots, providing strategies based on mathematical management models. This approach translates into significant benefits for companies, such as cost reduction, quality improvement, and increased operational efficiency. Additionally, the paper proposes an innovative mathematical model for assessing total costs, budgeting, profitability, and electric power consumption associated with the operation of collaborative and industrial robots. This model allows for a comparison between the costs involved in using human labor and those associated with collaborative and industrial robots, providing critical information for technological investment decisions. The efficiency of this mathematical model is demonstrated through a practical application, where collaborative robots were integrated into a production environment and costs and efficiency were evaluated compared to the use of human labor and industrial robots. This scientific paper provides a systematic and efficient approach to implementing collaborative robots in industrial processes, benefiting from strategies based on mathematical management models and an original mathematical model for evaluating performance and associated costs.

1. Introduction

Sustainability emerges as a critical facet discernible across various domains, including agriculture [1], farming [2], education [3], supply chain management [4], as well as within the realm of production processes. The notion of sustainability originated within the realm of forestry, delineating the principle of abstaining from harvesting beyond the capacity of the forest’s regenerative capacity [5]. The concept of collaboration between an industrial robot and a human in a shared space has sparked a fascinating initiative to develop an intelligent robotic entity with enhanced communication and collaboration abilities. The goal of this initiative is to facilitate efficient and harmonious interaction between robots and human beings [6,7,8,9,10]. Significant progress in this field has been made since the first decade of the 21st century when robots began to partially collaborate with humans [11]. This became possible due to the development of surveillance and monitoring solutions for human resources [12] and the use of advanced sensor systems [13]. These advancements have enabled robots to work efficiently alongside humans, including the ability to predict human behavior and adapt to their needs during collaborative processes. These robots can operate collectively in teams, showcasing their capability to execute intricate, time-sensitive missions by collaboratively leveraging their unique capabilities and design. [14] Collaborative robots are tools created to facilitate open collaboration between robots and humans. Opening up the space between humans and robots can bring numerous benefits, such as improving the quality, efficiency, and effectiveness of manufacturing workflows, reducing the space occupied by the production flow served by them, and more. This collaboration paradigm represents not only a technological evolution but also a significant shift in how systems like robots are perceived and integrated into complex industrial environments.
Although concerns exist regarding the possibility of collaborative robots replacing human labor [15,16,17], the simplicity in design and programming of these robots, coupled with their ability to interact with humans, contributes to a broader acceptance of them as an integral part of the workforce [18,19]. Regardless of the viewpoint adopted, be it with human involvement or in its absence, cutting-edge manufacturing technologies are developed, cater to human needs, and operate in conjunction with human operators [20]. This acceptance enhances cooperation and productivity within mixed teams composed of both robots and humans. The seamless integration of collaborative robots into the human workforce not only optimizes processes but also strengthens collaborative relationships, paving the way for increased productivity and enhanced efficiency.
Considering the increasing advancement in the global implementation of collaborative and industrial robots, it can be argued that human concerns are somewhat justified. However, the history of previous industrial revolutions reveals that human life has undergone dramatic changes during these tumultuous periods [21,22]. The transformations brought about by collaborative robots represent a continuum in the evolution of society and the work environment, illustrating human adaptability and the capacity of people to capitalize on new opportunities within technological progress.
The collaboration between humans and robots, also known as Human-Robot Collaboration (HRC), leads to the achievement of more efficient tasks with superior process quality and task optimization [23,24,25]. This efficiency can be attributed to the fact that, through collaboration with the robot, humans are motivated to maintain the pace set by it. Even though the operating speed of the collaborative robot may be reduced compared to its maximum capabilities, it can surpass the initial speed of human labor. The synergistic collaboration between humans and robots represents a significant step towards optimizing work processes and enhancing the overall performance of industrial activities.
The research aims to develop additional tools to assist industrial organizations in effectively implementing collaborative robots.

2. Literature Review

This research aims to devise tools enabling organizations to enhance their success in integrating collaborative robots. To achieve this, the authors considered it essential to establish a requirement tracing process for defining clear requirements and process flows for implementing collaborative robots. Subsequently, a mathematical model was developed to assess the profitability of investments, thereby mitigating the risk of erroneous investments.
Collaborative robots represent a significant innovation in the field of production, transforming the way human workers and machines collaborate. This transition towards collaboration has opened new horizons for the efficiency and quality of industrial processes.
Before conducting a literature review, it was imperative to clearly outline the objectives of this scientific research. The complexity of the collaborative robot integration process, involving the definition of appropriate methods and steps, was taken into account. Given this crucial aspect, the creation of a flowchart was deemed essential to establish a coherent framework for identifying and delimiting the requirements necessary for the implementation of these robots. This methodological approach represents a strategic effort to efficiently and appropriately guide the collaborative robot integration process within the existing literature, thereby contributing to the clarification and optimization of the research direction.
A major finding from the widespread use of collaborative robots is the lack of a coherent mathematical model to assess their total costs and profitability in an industrial setting. Addressing this gap, the authors developed a robust mathematical model to estimate costs and evaluate profitability for large-scale implementation of collaborative robots. To demonstrate the model’s relevance and applicability, a practical demonstration was conducted, highlighting its feasibility and effectiveness in a real-world context. Another key objective of this study was to analyze the investment costs of collaborative robots, enhancing the understanding of their financial integration into the industrial environment. The significance of this mathematical model resides in its capacity to systematically assess the profitability of investments, effectively minimizing the probability of erroneous investment decisions.
The relevance and rigor of this literature review are anchored in a well-defined methodology and the use of two fundamental research resources: Web of Science and Scopus. These platforms serve as the starting point for the authors’ analysis, ensuring comprehensive coverage of research in the field of collaborative robots, with particular attention given to works published in the last decade.
Additionally, relevant information about electricity suppliers in Romania has been integrated into the analysis, and specific data from the National Bank of Romania have been incorporated into the process of converting costs from the national currency, lei, to euros. This approach was adopted to ensure the coherence and appropriate comparability of financial data in the research context.
Throughout the last decades, research in the field of collaborative robots has experienced exponential growth. From the initial practical implementations to the development of advanced technological solutions, the literature reflects remarkable progress and the diversity of applications for these robots in industries such as automotive, electronics, and assembly [26,27,28].
Previous investigations have thoroughly analyzed the costs involved in adopting collaborative robot technology. From the initial investments in acquisition and integration to the ongoing costs of maintenance and personnel training, the literature provides a comprehensive perspective on the financial aspects associated with the implementation of collaborative robots in production environments.
There is a significant body of research on the costs of collaborative robots. In contrast to this scientific work, some studies are predominantly theoretical [29], while others are highly complex in terms of applicability [30], making them challenging to implement in organizations where speed, fast decision-making, and responsiveness are paramount in today’s context. In contrast to other research, this scientific study proposes a much more straightforward approach to the feasibility of deploying collaborative robots. This research encompasses both a theoretical component and a practical demonstration of the proposed mathematical model for comparing the human work environment versus collaborative work environment.
Enhancing quality in production processes remains a crucial objective [31]. Studies have examined how collaborative robots can influence and optimize the quality of finished products. Aspects such as real-time quality control, error detection, and process standardization are major areas of interest in current research [32].
In addition to costs and quality, collaborative robots have demonstrated significant potential in improving operational efficiency and increasing flexibility in the production chain. Through their adaptability to various tasks and ability to collaborate seamlessly with human workers, collaborative robots can significantly contribute to optimizing the entire production process [33].
Synthesizing existing research, a complex landscape emerges regarding the impact of collaborative robots on costs and quality in production. While some studies emphasize significant benefits and the potential for positive transformations in the industry, others draw attention to challenges and aspects that require closer investigation.
Despite progress, significant gaps remain in understanding how collaborative robots affect production costs and quality. This literature review underscores the need for further research to fill these gaps and guide the industry. Future studies should explore the complex interactions between robots and human workers, develop models for long-term cost assessment, and find innovative solutions to optimize quality in collaborative production environments.
In summary, the literature review not only highlights the notable progress and achievements in the field of collaborative robots but also the challenges and key directions for future research. This comprehensive analysis provides a complex and well-founded perspective on the impact of these technologies on costs, quality, and efficiency in the context of industrial production.

4. Requirement Tracing Process for the Implementation of Collaborative Robots

Collaborative robots are mechanically designed in the form of robotic arms, equipped with joints similar to those of a human arm: base, shoulder, elbow, wrist 1, wrist 2, and wrist 3. Their integration into the operator’s working environment is achieved with great ease. By this definition, the idea is outlined that a collaborative robot is an articulated robotic entity explicitly designed to share the workspace with the human operator. This characteristic sets it apart from traditional robots, highlighting the direction in which robotic technology is evolving towards collaboration and direct interaction with the human workforce.
The integration of collaborative robots has experienced continuous expansion, aiming to facilitate cooperation between humans and robotic entities within the industrial domain [9,25]. This evolution reflects the direction in which technology is heading towards a tighter and more efficient interaction between humans and robots in the production environment.
Collaborative robots represent a viable alternative to offset the rising costs associated with human labor, which is becoming increasingly expensive [45], harder to hire, and challenging to discipline to achieve the desired level of efficiency [46]. Due to their capability to perform a variety of applications, collaborative robots can be easily integrated into various stages of industrial processes and making a significant impact, ranging from the production of semi-finished goods [47] to packaging and palletizing operations of finished products [48]. This remarkable adaptability gives collaborative robots a crucial role in optimizing efficiency and versatility in the contemporary industrial domain.
The authors have identified a lack of clear steps for evaluating the feasibility of integrating collaborative robots into manufacturing workflows. This gap can lead to disorganized activities and incorrect conclusions, resulting in investments in ineffective or inefficient applications. To address this, authors have developed a detailed flowchart (Figure 1) that serves as a visual resource, offering a coherent framework for the efficient evaluation and implementation of collaborative robots in an industrial setting.
Figure 1. Flowchart of the Requirement Tracing Process for Collaborative Robot Implementation.
The main activities established by the authors include:
  • Establishing the processes in which collaborative robots can be implemented and the number of collaborative robots needed. This involves the selection of machines or equipment designated for the implementation of collaborative robots;
  • Identifying the technical requirements that the collaborative robot must comply with. This entails specifying the quantity of grippers, the repeatability precision, and other similar technical requirements;
  • Establishing the method of positioning the collaborative robots in space. This is a crucial step that enables the collaborative robot to be positioned horizontally (either normally or upside down), vertically on a wall, or at an angle. Proper spatial positioning of the collaborative robot enhances maintenance staff access to the production line and ensures the equipment’s operational range;
  • Validation and simulation in order to establish the cycle time. It is crucial to validate the cycle time through virtual simulations or robotic modelling. Ensuring the cycle time is vital for sustaining productivity. The collaborative robot must perform at a faster speed than that of the bottleneck equipment on the production line. If the collaborative robot cannot meet the required cycle time, possible solutions include deploying additional collaborative robots, considering alternative integration areas where the cycle time can be achieved, or testing faster industrial robots, such as SCARA robots. Various software tools and robot suppliers can provide consultancy services to address this requirement;
  • Establishing the communication protocol between collaborative robots and production equipment. Collaborative robots can communicate using MODBUS, Profinet, I/O, and TCP/IP protocols. The organization should select the most appropriate protocol based on the specific requirements and the capabilities of the other machinery involved;
  • Establishing the need for materials in terms of auxiliary safety devices. The application is considered collaborative only if the robot’s devices and operational speed are designed for collaborative use. For instance, if the collaborative robot utilizes a knife or welding tool, the application can become hazardous, posing a significant risk of injury to human workers during operation. To mitigate this risk, it is recommended to implement perimeter safety devices (such as safety scanners and sensor barriers) as well as a safety control system (e.g., a safety PLC) to manage emergency stops or safeguard the collaborative robot. An emergency stop is activated by pressing the emergency button, necessitating a full restart of the application. Conversely, a safeguard stop pauses the robot’s operation, allowing it to automatically resume work once the human worker exits the robot’s operational perimeter. At this step, the organization must define the necessity and number of these auxiliary safety devices.
These steps require a sequential approach, with each activity progressing only after the successful completion of the previous one. If an activity is unsuccessful, decision points allow the developer to decide whether to restart the requirements tracing process. If feasible, activities must resume from the first stage. If not, it concludes that implementing collaborative robots cannot meet the organization’s performance requirements. If all steps are completed, the implementation is deemed feasible. This strategic approach ensures the rigorous and efficient integration of collaborative robots, adapting to the specific challenges of each stage.
Within the execution of these activities, essential technical aspects are outlined to determine the budget required for the investment:
  • The number of collaborative robots that can be ordered and their positioning within the process. Determining the quantity and placement of collaborative robots within the workflow is crucial for optimizing the process and ensuring seamless integration;
  • Identification of the technical-functional characteristics of the collaborative robot suitable for the application. These characteristics may include the speed of the collaborative robot, repeatability, the range of motion, and the payload it must handle. Identifying the specific technical and functional attributes of the collaborative robot is essential to ensure it meets the application’s requirements, such as speed, precision, range of motion, and payload capacity;
  • By knowing the speed, precision, range of motion, and spatial position of the collaborative robot, its movements can be simulated to assess whether it aligns with expectations regarding cycle time. This evaluation can be performed using production simulation programs such as Visual Components, RobotStudio, etc. Simulating the robot’s movements based on its speed, precision, range, and position allows for a thorough evaluation of its alignment with expected cycle times and ensures the performance of the final application;
  • A definitive list of digital or analogue signals used in communication is developed, and the communication protocol and the number of signals are verified. This aspect ensures checking whether the collaborative robot has sufficient electrical inputs and outputs. Additionally, it ensures that the surrounding environment’s equipment can communicate through the chosen communication protocol and whether the collaborative robot has appropriate capabilities for communication through this protocol. Establishing and verifying the communication protocols and signals ensures the collaborative robot has adequate electrical inputs and outputs, and is compatible with the surrounding equipment’s communication requirements;
  • In the next step, the integrator or organization can determine the material requirements for auxiliary safety devices. With this information, the organization can perform the corresponding budgeting. At the same time, the previous assembly and electromechanical roles of these devices are specified. Identifying the material needs for auxiliary safety devices and their assembly positions allows the organization to budget appropriately and ensure comprehensive safety measures are in.

5. Mathematical Model for Implementation Costs of Collaborative Robots

5.1. Theoretical Approach of the Proposed Model

Implementation costs encompass all expenses incurred by an organization in the process of implementing collaborative robots. These costs can be categorized into:
  • Indirect costs, which include expenses related to the acquisition of collaborative robots, support devices, gripping devices, auxiliary safety systems, etc.;
  • Direct costs, represented by expenses associated with the consumption of electrical energy and the payment of employees responsible for the integration of collaborative robots.
For the calculation of the total implementation costs, the authors propose the following formula:
TC = CI + CD
where:
TC represents the total implementation costs of collaborative robots;
CI represents the indirect costs of implementing collaborative robots;
CD represents the direct costs of implementing collaborative robots.
The indirect costs associated with the implementation of collaborative robots stem from procurement expenses from suppliers. For the integration of such solutions, the organization must acquire:
  • The collaborative robot, accompanied only by the control box and tablet;
  • Support devices to which collaborative robots will be mounted. These may include structures or metal frames with increased strength;
  • Gripping devices used by collaborative robots for the handling or fixation of products;
  • The control box of the safety system, which includes the safety PLC, safety relays, and other electrical components;
  • Safety barriers and scanners;
  • Auxiliary emergency buttons.
These expenses can be reduced through negotiations with the suppliers or distributors providing the necessary items.
Thus, for indirect costs, the authors have formulated and proposed the following calculation formula:
CI = NRC × PRC + NS × PS + NDP × PDP + CESS + NBS × PBS + NSP × PSP + CA
where:
CI indirect costs of implementing collaborative robots;
NRC represents the number of integrated collaborative robots;
PRC represents the price of a collaborative robot;
NS represents the number of supports for the mechanical fixation of collaborative robots in the production line space;
PS represents the price of support or structures;
NDP represents the number of gripping devices;
PDP represents the price of a gripping device;
PCESS represents the price of an electrical control box for the safety system. In cases where the safety system is integrated into the electrical box of existing equipment in the proximity of collaborative robots, the costs of the control apparatus of the system will be included in the costs of auxiliary components CA. It is imperative to implement this in situations where the collaborative robot performs movements at considerable speeds or uses dangerous devices, requiring an additional security system concurrently with NBS, PBS, NSP, and PSP.
NBS—number of safety barriers;
PBS—price of a set of safety barriers;
NSP—number of perimeter scanners;
PSP—the price of a perimeter scanner;
CA—the total expenses regarding certain auxiliary components used in the integration of collaborative robots. These may include emergency buttons, reset buttons, cables, wires, etc.
Direct costs associated with implementation stem from compensating the human resources involved in the project, as well as the related energy expenses. Compensation for human resources involved in the project is based on the number of hours worked for its realization. The project involves multiple employed personnel contributing to its management. Each employee has distinct responsibilities, and duties are distributed as follows:
  • The project manager plans and organizes the efficient execution of project activities, overseeing progress in time and budget;
  • Electromechanical technicians are responsible for assembling mechanical and electrical equipment, including the fixation and assembly of structures, collaborative robots, their devices, and safety systems, as well as making and securing electrical and pneumatic connections, as applicable;
  • Personnel specialized in programming collaborative robots and the safety system.
If the personnel is experienced and well-organized in the collaborative robot integration process, the time dedicated to these activities will be shorter, resulting in a significant reduction in direct costs. For the assessment of direct costs, the authors deemed it appropriate to formulate a calculation equation:
CD = NOMP × SOMP + NOTE × SOTE + NOP × SOP + CRE
where:
CD–direct costs of implementing collaborative robots;
NOMP—number of hours worked by the project manager;
SOMP—hourly salary of the project manager;
NOTE—number of hours worked by the electromechanical technician;
SOTE—hourly salary of the electromechanical technician;
NOP—number of hours worked by the programmer or programming personnel;
SOP—hourly salary of the programmer;
CRE—energy resource expenses.
This formula can be adapted based on the number and salaries of individuals involved in project execution.
Before initiating a collaborative robot implementation project, it is crucial to establish a budget to which it must adhere throughout the implementation. During the project’s execution, the estimated budget must not be exceeded. Budgeting represents the sum of all estimated costs in a project. For more secure budgeting, it is recommended to add to this total sum a percentage as an index to correct errors in the estimation of total costs. Applying this correction index is recommended because, as currently observed, prices tend to increase rapidly. Thus, there is a risk that from the budgeting moment to the acquisition moment, the prices of items necessary in the project may change, ultimately leading to exceeding the budget. For this reason, accurate estimation is essential, ensuring that the budget is at least equal to or greater than the total implementation costs:
BP ≥ TC
where:
BP represents the estimated budget for the implementation of the project;
TC represents the total implementation costs of collaborative robots.
Moreover, the investment needs to be recovered within the shortest possible time frame. Collaborative robots are designed to perform repetitive operations. Investment recovery in a production flow with collaborative robots is feasible when they operate consistently over multiple shifts. The complexity of the products should fall within the limits of the maximum useful task that the collaborative robot can handle and be in line with the capabilities of gripping or handling devices. For this reason, it is recommended to implement collaborative robots in high or mass-production workflows, where the product range is limited but the production process is continuous.
Many organizations in the market opt for the implementation of collaborative robots due to their ability to reduce production costs. By lowering these costs, organizations can achieve increased profit from the sale of each product. This efficiency is attained through:
  • reducing the number of operators responsible for repetitive operations within production workflows;
  • decreasing the number of non-conformities and rejected products in manufacturing flows.
Collaborative robots can easily take over repetitive operations, executing them efficiently each time. Therefore, both the reduction in the number of operators for repetitive operations and the decrease in the number of non-conformities can be quantified in monetary units, ultimately representing costs for the organization. The authors have proposed the following calculation formula to assess the profitability of the investment in the implementation of collaborative robots:
(RCO + RCRA) × NA ≥ TC + CRA × NA
where:
RCO–the total annual cost reduction achieved by reducing the number of operators performing repetitive operations following the implementation of collaborative robots;
RCRA—the total annual cost reduction achieved by reducing rejects from the manufacturing flow through the implementation of collaborative robots;
NA—the number of years over which the investment is to be amortized;
TC—the total implementation costs of collaborative robots;
CRA—the estimated costs of electrical energy consumed by collaborative robots per year.
In the formula, both RCO and RCRA must be expressed in monetary units.
Simultaneously, the organization can decide on the number of years over which it intends to amortize the investment. By performing this calculation, a comparison can be made between the obtained value and the total sum of the implementation costs of collaborative robots, including the estimated costs of electrical energy consumed by them over the operating years. If the costs are not amortized within the desired interval (NA), the investment is not profitable.
CRA = PKWO × CEER × NOF × NZA × NR
where:
CRA represents the estimated annual electrical energy costs that the organization will have to bear. These costs are incurred due to the operation of collaborative robots and are represented in monetary units;
PKWO—the price of electrical energy consumption;
CEER—the estimated electrical energy consumption of the collaborative robot per hour;
NOF—the number of operating hours of the collaborative robot per day;
NZA—the number of working days per year in which the collaborative robot will operate in the manufacturing flow;
NR—the number of collaborative robots present in the application.
Achieving a precise calculation of the return on investment in the integration of collaborative robots is crucial before investing. An investment in a collaborative robot application must lead to the reduction of manufacturing costs for the product and expenses generated by rejects, thus amortizing the investment over a specific number of years. If the investment payback period is too long or the benefits to the manufacturing flow are minimal compared to the implementation costs, such an investment is not recommended.
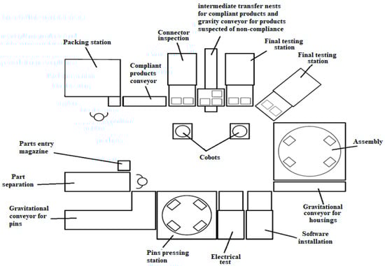
During the study, Figure 2 and Figure 3 were produced, both depicting a production flow for final assembly. In Figure 2, the production flow reveals the involvement of four operators in handling equipment loading and unloading tasks. However, in a four-shift working environment, this necessitates the present of sixteen operators to maintain continuous production. Conversely, Figure 3 portrays the same production flow, but with two operators replaced by collaborative robots. Consequently, in a scenario where the production line operates across four shifts, the integration of two collaborative robots results in a reduction of eight human operators required to sustain production operations.
Figure 2. Production flow with operators.
Figure 3. Transforming the production flow into a flow with collaborative robots.
Theoretical calculation methods have been proposed for both direct and indirect costs, including a method for assessing the return on investment and the estimated annual electrical energy costs. Additionally, the importance of budgeting the project in the preliminary phase has been highlighted, emphasizing how it needs to be correlated with the total implementation costs of collaborative robots.

5.2. The Practical Application of a Mathematical Model in Order to Manage the Implementation Costs within the Initiation of a Project with Collaborative Robots

To validate the formulations developed in Section 5.1, it was deemed necessary to apply them in practice. For this purpose, a manufacturing flow requiring the implementation of two collaborative robots will be considered.
In the initial stage, the collaborative robot flow is operated by four operators, responsible for picking up and placing products on the production line. A reduction of the number of operators serving the manufacturing flow to two is imperative. Considering these aspects, the feasibility of implementing two collaborative robots to replace two operators will be calculated. The budget allocated for such implementation is EUR 100,000.
The total implementation costs are calculated as the sum of direct and indirect costs. To determine the total implementation costs, it is necessary to evaluate both direct and indirect costs.
  • Number of integrated collaborative robots (NRC);
  • Price of a collaborative robot (PRC);
  • Number of supports for the mechanical fixation of collaborative robots in the production line space (NS);
  • Price of a support or structure (PS);
  • Number of gripping devices (NDP);
  • Price of a gripping device (PDP);
  • Price of an electrical control box for the safety system (PCESS);
  • Number of safety barriers (NBS);
  • Price of a set of safety barriers (PBS);
  • Number of perimeter scanners (NSP);
  • Price of a perimeter scanner (PSP);
  • Total costs related to specific auxiliary components (CA).
To perform this calculation, price quotes were requested from various sources, and Table 1 was developed based on the received quotations.
Table 1. Necessary for the implementation of collaborative robots in the application presented.
The manufacturing flow for which the calculation is performed can be seen in Figure 2. The number of pieces was estimated according to the need to implement two collaborative robots in this manufacturing flow.
Considering the mentioned aspects and applying the formula for indirect costs, Formula (2), the direct costs associated with the implementation of the two collaborative robots, can be calculated.
CI = 2 × EUR 28,000 + 2 × EUR 4000 + 2 × EUR 1500 + EUR 1800 + 0 × EUR 950 + 5 × EUR 1618 + EUR 5000 = EUR 81,890
In the total costs related to specific auxiliary components (CA), the following are included:
  • A gravitational conveyor for compliant products destined for packaging;
  • A table with three intermediate transfer nests for compliant parts and a gravity conveyor for non-compliant products;
  • Assembly screws;
  • Wires or cables for making the necessary electrical connections;
  • Five perimeter scanners, two mounted horizontally and three vertically (safety barriers were not considered, as they are not applicable in the presented case).
After calculating indirect costs, it is necessary to perform calculations for direct costs. These consist of:
  • Number of working hours of the project manager—NOMP;
  • Hourly salary of the project manager—SOMP;
  • Number of working hours of the electromechanical technician—NOTE;
  • Hourly salary of the electromechanical technician—SOTE;
  • Number of working hours of the programmer—NOP;
  • Hourly salary of the programmer—SOP;
  • Energy consumption costs—CRE.
The following aspects are taken into consideration:
  • It is estimated that the project manager will work for three weeks on this project, which is a total of 120 h;
  • The estimated salary for a project manager is RON 80 gross per hour. Converting the amount into currency, we get EUR 16.24 per hour;
  • It is estimated that the electromechanical technician will work for two weeks on the project, which is a total of 80 h;
  • The estimated hourly salary for an electromechanical technician is RON 49 gross per hour. Converting the amount into euros, we will get EUR 9.95 per hour;
  • It is estimated that the programmer will work for one week on this project, which is a total of 40 h;
  • The estimated hourly salary for a programmer is RON 100 gross. Converting the amount into currency, we will get EUR 20.30 per hour;
  • It is estimated expenses of approximately RON 2500 for the electrical energy used in the project. Converting the amount into euros, the total sum is EUR 507.56.
The euro exchange rate used for the conversion is 1 EUR = 4.9255 RON, according to [49].
The direct costs are estimated based on the current market conditions and the authors’ experience in implementing collaborative robots. Taking into account all the mentioned aspects and following Formula 3, the following outcomes will be obtained:
CD = 120 × EUR 16.24 + 80 × EUR 9.95 + 40 × EUR 20.3 + EUR 507.56 = EUR 4064.36
Once the direct costs and indirect costs have been obtained, a calculation for the total implementation costs of collaborative robots can be made according to Formula (1). Thus, the following outcomes will be obtained:
TC = EUR 81,890 + EUR 4064.36 = EUR 85,594.36
The budget considered in this context was EUR 100,000. Considering this assumption and Formula (4), the estimated budget for project implementation could be compared with the total implementation costs of collaborative robots.
BP ≥ TC
EUR 100,000 ≥ EUR 85,594.38
Following the previous recommendations, a percentage was added to the total implementation costs, considered as an adjustment index for the total estimated costs, to ensure that the budget will not be exceeded. The correction index considered is 15%, and the results are as follows:
EUR 85,594.38 + 15% = EUR 85,594.38 + EUR 12,839.157 = EUR 98,433.537
BP ≥ TC + 15%
EUR 100,000 ≥ EUR 98,433.537
It can be observed that even if prices increase by 15%, the project budget will not be exceeded. Due to this aspect, it can be considered that the budget allocated for such a project is appropriate.
Next, it was considered necessary to demonstrate that such an investment is also profitable in the long run for an organization. This aspect can be confirmed or refuted by applying Formula (5). To perform such a calculation, the following data are required:
  • The total annual cost reduction in monetary units; this is achieved by reducing a certain number of operators performing repetitive operations through the implementation of collaborative robots—RCO;
  • The total annual cost reduction in monetary units; this is achieved by reducing defects in the manufacturing process through the implementation of collaborative robots—RCRA;
  • The number of years in which the investment is intended to be amortized—NA;
  • The total implementation costs of collaborative robots in monetary units—TC;
  • The estimated costs of electricity consumed by collaborative robots per year in monetary units—CRA.
RCO represents an index that can be calculated. First and foremost, it is necessary to calculate the number of operators used:
N = O × S = 2 × 4 = 8 operators
where:
N–the total number of operators used per month to operate the line;
O—the number of operators servicing the line that can be replaced by collaborative robots;
S—the number of shifts per month.
The authors have opted for the calculation with eight operators per shift, as only they could be replaced by collaborative robots in the presented application. A net salary of RON 3200 per operator was considered. If in 2021, for an operator to receive a net salary of RON 3200, the organization must pay a gross salary of RON 5471, according to [50], in 2022 and 2023, the organization must pay a gross salary of RON 5594. Conversion from lei to euro was made using the exchange rate of RON 4.9255 [49]. The following figures were obtained:
EUR = EUR 1135.72
N = 8 operators
TS = N × EUR = 8 × EUR 1135.72 = EUR 9085.76 /month
where:
TS–the total gross salaries received by operators on all shifts per month;
N—the total number of operators;
EUR—the gross monthly salary received by an operator.
Considering the mentioned aspects, the authors further calculated the total reduced costs per year in monetary units, resulting from the reduction of a certain number of operators:
RCO = TS × 12 = EUR 9085.76 /month × 12 = EUR 109,029.12 /year
RCRA represents a value in monetary units that can also be calculated. To perform such a calculation, it is necessary to collect certain data regarding the manufacturing process. To apply the method in this situation, the authors considered that 35% of all non-conforming products are due to the operator. The manufacturing process produces a total of 800,000 products each year, of which only 785,000 conforming products are delivered to the customer. The cost of one product is EUR 40 per piece.
Considering the mentioned aspects, the authors calculated the total annual rejects, a number from which the total annual rejects due to the operator’s work can be calculated.
TPA = 800,000 total products manufactured per year
PCMO = 785,000 compliant products per year
TRAO = TPA − PCMO = 800,000 − 785,000 = 15,000 scrap per year
RDO = TRAO × 35% = 15,000 × 0.35 = 5,250 scraps/year due to working with operator
RCRA = RDO × PPB = 5,250 × 40 = EUR 210,000 /year
where:
TPA–the total products manufactured in one year using the operator work mode;
PCMO—the number of conforming products from the manufacturing process where the operator work mode is used;
TRAO—the total annual rejects in the operator work mode;
RDO—the total annual rejects due to the operator work mode;
RCRA—the total reduced costs per year in monetary units, resulting from the reduction of rejects in the manufacturing process through the implementation of collaborative robots;
PPB—the price of the product per piece.
Next, in order to complete the calculation, it was necessary to compute the estimated costs of electricity consumed by collaborative robots per year, CRA, according to Formula (6). To perform this calculation, an investigation into the following was required:
  • PKWO–the price of electricity consumption;
  • CEER—the estimated hourly electricity consumption of the collaborative robot;
  • NF—the number of hours the collaborative robot operates per day;
  • NZA—the number of working days per year in which the collaborative robot will operate in the manufacturing process;
  • NR—the number of collaborative robots existing in the application.
The final price of electricity with VAT for organizations on 30 December 2023, according to [51], is:
  • 1.3 RON/kWh for high voltage;
  • 1.3 RON/kWh for medium voltage;
  • 1.3 RON/kWh for low voltage.
The authors want to emphasize that the current price is currently capped by the Romanian government for non-cash clients, and it is a variable aspect. Due to this aspect, prices are capped regardless of the voltage type. Collaborative robots operate at low voltage, so we will consider the price of 1.3 RON/kWh in the calculation. This price converted to euros is 0.26 EUR/kWh according to [49].
Collaborative robots from Universal Robots have the following energy consumption according to Figure 4 [52,53]:
Figure 4. Types of collaborative robots from Universal Robots [52].
  • UR3 eSeries averages 100 W per hour during operation. This consumption is similar to that of a desktop computer;
  • UR5 eSeries has an average consumption of 200 W per hour during operation. The consumption is similar to that of a gaming console;
  • UR10 eSeries and UR16 eSeries have an average consumption of 350 W per hour when in operation. Both models have consumption similar to a household blender;
  • UR20 eSeries averages 500 W per hour during operation. The consumption is similar to that of a washing machine.
The organization operates 24 h a day, 7 days a week. One shift represents 8 h. The organization operates for 354 days a year, with the remaining days being vacation days.
Considering the mentioned aspects, the following aspects have been determined:
  • PKWO = 0.26 EUR/kWh;
  • CEER = 0.35 kWh;
  • NF = 24 h;
  • NZA = 354 working days in a year;
  • NR = two collaborative robots.
Applying Formula (6), the following aspects have been determined:
CRA = PKWO × CEER × NOF × NZA × NR = 0.26 × 0.35 × 24 × 354 × 2 = 1546.27 EUR/year
The mathematically demonstrated data or those that needed to be taken into account when checking the profitability of the investment in a collaborative robot project:
  • RCO = 109,029.12 EUR/year;
  • RCRA = 210,000 EUR/year;
  • NA = 2 years;
  • TC = 85,594.38 EUR;
  • CRA = 1546.27 EUR/year.
Considering that all the data are available, the profitability of the investment in the collaborative robot project can be determined by applying Formula (5) as follows:
(RCO + RCRA) × NA ≥ TC + CRA × NA
(109,033.92 + 210,000) × 2 ≥ 85,594.38 + 1546.27 × 2
EUR 638,067.84 ≥ EUR 88,686.92
where, to recap:
RCO–the total reduced costs per year resulting from the reduction of a certain number of operators performing repetitive operations through the implementation of collaborative robots;
RCRA—the total reduced costs per year resulting from the reduction of rejects in the manufacturing process through the implementation of collaborative robots;
NA—the number of years in which the investment is intended to be amortized;
TC—the total costs of implementing collaborative robots;
CRA—the estimated costs of electrical energy consumed by the collaborative robots per year.
The investment stands out for its remarkable profitability for the organization. On the left side of the equation, costs show a significant reduction over the course of two years after the integration of collaborative robots, while on the right side, the organization’s investment for the same period is reflected in a collaborative robot working environment.
Applying the proposed mathematical model, the research unveils the potential for a EUR 638,067.84 cost decrease spanning two years, feasible with an initial capital injection of EUR 88,686.92. Moreover, the operational blueprint of collaborative robots in the subsequent year integrates an anticipated annual increment of EUR 1547.27.

5.3. Applying the Mathematical Method in Case of SCARA Robot Implementation

After applying the proposed mathematical model, it was observed that a properly integrated collaborative robot brings significant benefits to the organization. However, integrating industrial robots into the calculation model was also deemed necessary. Consequently, a SCARA robot was selected for the mathematical simulation due to its speed. Two SCARA industrial robots were required to cover and service all equipment in the work area efficiently, as illustrated in Figure 5.
Figure 5. Transforming the production flow into a flow with industrial SCARA robots.
To perform this calculation, price quotes were requested from various sources, and Table 2 was developed based on the received quotations.
Table 2. Necessary for the implementation of industrial robots in the application presented.
Since integrating industrial robots into an automated cell is necessary to ensure human operator safety, there will be no need for safety barriers, control boxes, or perimeter safety scanners. As a result, the total costs for auxiliary components are reduced, estimated at EUR 2000.
The manufacturing flow for which the calculations are conducted can be visualized in Figure 5. The number of units was estimated based on the requirement to incorporate two industrial robots into this manufacturing flow.
Thus, it can be concluded that:
CI = 2 × EUR 55,000 + 1 × EUR 50,000 + 2 × EUR 1500 + EUR 2000 = EUR 165,000
If the total budget for implementation is EUR 100,000, it is evident that this budget is exceeded based solely on direct calculations.
In this case, the total costs related to specific auxiliary components (CA) include the following:
  • A gravitational conveyor for compliant products intended for packaging;
  • A table with three intermediate transfer nests for compliant parts, and a gravity conveyor for non-compliant products;
After calculating indirect costs, it is essential to determine the direct costs. The following aspects are considered;
  • The project manager is estimated to work on this project for 5 days, totaling 40 h;
  • The estimated salary for a project manager is RON 80 gross per hour, which converts to EUR 16.24 per hour;
  • The electromechanical technician is estimated to work one day on the project, totaling 8 h, primarily to connect the cell to electrical and pneumatic supplies;
  • The estimated hourly salary for an electromechanical technician is RON 49 gross per hour, which converts to EUR 9.95 per hour;
  • It is estimated that the programmer will not be needed for cell or robot programming as this will already be configured by the machine supplier;
  • The estimated hourly salary for a programmer is RON 100 gross per hour, which converts to EUR 20.30 per hour;
  • The estimated expenses for electrical energy used in the project are approximately RON 500, which comes to EUR 101.51. This energy is used for project follow-up with the supplier and for connecting the cell to pneumatic and electrical supplies.
The direct costs are estimated based on current market conditions and the authors’ experience in procuring industrial robot cells. Considering all the aforementioned factors and applying Formula (3), the following results will be obtained:
CD = 40 × EUR 16.24 + 8 × EUR 9.95 + 0 × EUR 20.3 + EUR 101.51 = EUR 830.71
Once the direct and indirect costs have been determined, the total implementation costs for collaborative robots can be calculated using formula 1. Consequently, the following results will be obtained:
TC = EUR 165,000 + EUR 830.71 = EUR 165,830.71
In this context, the budget under consideration is EUR 100,000. Given this premise and Formula (4), the projected budget for project implementation can be compared with the total implementation costs of collaborative robots.
BP ≥ TC
EUR 100,000 ≥ EUR 165,830.71
The budget has already been exceeded in the early stages, even without a 15% cost increment. This is primarily due to indirect costs. Implementing an industrial robot is much more complex than with collaborative robots, owing to the high programming difficulty and the need for integration into a cell due to operator safety concerns. Many organizations opt to purchase turnkey solutions from suppliers, as it is costly to maintain highly skilled personnel for constructing these cells.
In addition to the aspects above, industrial robots require annual servicing. During the warranty period, this cost is fully covered by the robot supplier. However, afterwards, an annual service cost ranging between EUR 3000 and 5000 can be estimated, depending on the industrial robot supplier.
However, the authors deemed it necessary to determine the annual electricity consumption of industrial robots. They questioned whether industrial robots are more sustainable in this regard compared to collaborative robots.
Therefore, considering that industrial robots consume electrical energy during operation, it is imperative to utilize Equation (6) to estimate the associated electricity expenses over a year. Efficient implementation of this equation requires prior identification of the same data as for collaborative robots, namely:
  • PKWO–the price of electricity consumption;
  • CEER—the estimated hourly electricity consumption of the collaborative robot;
  • NF—the number of hours the collaborative robot operates per day;
  • NZA—the number of working days per year in which the collaborative robot will operate in the manufacturing process;
  • NR—the number of collaborative robots existing in the application.
During its calculation, the same steps and economic data as for collaborative robots will be utilized. According to [54], an industrial robot consumes an average of 21,000 kWh per year. Considering the information presented, the following relevant aspects have been identified:
  • PKWO = 0.26 EUR /kWh;
  • CEER = 21,000 kWh/year;
  • NF = 24 h;
  • NZA = 354 working days in a year;
  • NR = 2 SCARA robots.
Therefore, the hourly electricity consumption rate of the industrial robot (CEERiH) can be calculated:
CEERiH = (CEER : NZA) : NF = (21,000 : 354) : 24 = 2.47 kWh
where:
CEER represent the estimated annual electricity consumption of the industrial robot;
NF—the number of operating hours of the collaborative robot per day;
NZA—the number of working days per year in which the collaborative robot will operate the manufacturing flow.
Considering the aforementioned aspects, it was necessary to estimate the costs of electrical energy consumed by the industrial robot over a year, denoted as CRA, using Equation (6).
CRA = PKWO × CEERiH × NOF × NZA × NR = 0.26 × 2.47 × 24 × 354 × 2 = 10,912.26 EUR /year
The mathematically demonstrated data or those requiring consideration when assessing the profitability of investment in an industrial robot project:
  • RCO = 109,029.12 EUR /year;
  • RCRA = 210,000 EUR /year;
  • NA = 2 years;
  • TC = 85,594.38 EUR;
  • CRA = 10,912.26 EUR /year.
Given the availability of all data, the profitability of the investment in the industrial robot project can be determined by applying Formula (5) as follows:
(RIO + RCRA) × NA ≥ TC + CRA × NA
(109,033.92 + 210,000) × 2 ≥ 165,830.71 + 10,912.26 × 2
638,067.84 EUR ≥ 187,655.23 EUR
where:
RIO denotes the overall reduced costs per year stemming from the decrease in the number of operators conducting repetitive tasks due to the integration of industrial robots;
RCRA represents the total reduced costs per year arising from the decline in rejects during the manufacturing process attributed to the implementation of industrial robots;
NA signifies the number of years over which the investment is planned to be amortized;
TC stands for the total implementation costs of collaborative robots;
CRA indicates the estimated annual costs of electrical energy consumed by the collaborative robots.
The comprehensive expenses for converting a manufacturing flow with collaborative robots sum up to EUR 85,594.38, including an annual electrical energy consumption of EUR 1546.27. Conversely, for industrial robots, the total implementation costs reach EUR 165,830.71, with an annual energy consumption of EUR 10,912.26. While the implementation of industrial robots surpasses the total project budget of EUR 100,000, even with a 15% increase, the total budget will not be exceeded in the case of collaborative robots.
Similarly to the integration of collaborative robots, quality losses can be eliminated through the integration of industrial robots. Due to this aspect, RCRA remains unchanged.
While the initial investment in industrial robots surpasses that of collaborative robots, it presents a more cost-effective approach compared to human operators. The fact that industrial robots are under warranty for the first two years means that service costs are not factored in, as they are covered by the supplier.
However, it is important to note that robots are ideally placed in areas with repetitive tasks, allowing operators to focus on non-repetitive tasks, leveraging their cognitive abilities effectively.
Considering these factors, it is evident that the implementation of collaborative robots offers distinct advantages: lower implementation costs coupled with more sustainable energy consumption.

6. Results

The flowchart of the requirements tracing process for the implementation of collaborative robots, presented in Section 4, aims to graphically illustrate the recommended progressive steps by the authors to achieve a functional, efficient, and effective application. These steps not only define multiple technical considerations and needs but also facilitate proper budgeting. Moreover, in cases where the implementation of such an application is not feasible, the flowchart prevents inadequate investment, thus preventing the irrecoverable loss of the invested amount. The activities are clearly defined in the flowchart, indicating when they should be carried out, thereby contributing to avoiding chaos and simplifying their monitoring throughout the project. This structured approach brings significant benefits, ensuring coherence and success in the implementation of collaborative robots within the industrial environment.
In Section 5, the formulas originally developed by the authors in Section 5.1 have been demonstrated, applied, and validated through this work. The conclusion was reached by developing and applying a mathematical model for calculating implementation costs, reducing costs, comparing the budget allocated to a collaborative robot project, and evaluating the profitability of the investment. These formulas can be essential tools for organizations in managing costs associated with the implementation of collaborative robots. In Section 5.2, by applying the proposed mathematical model, a potential cost reduction of EUR 638,067.84 over two years is identified, achievable through an initial investment of EUR 88,686.92. In the second year, the collaborative robot operating strategy includes an estimated addition of EUR 1547.27 per year. This additional cost, subject to variations depending on the electricity tariff, implementation duration, and the number of collaborative robots, represents an important variable in the overall equation, with the potential to influence the financial outcomes of this initiative.
In Section 5.3, a comprehensive comparison is made between the implementation of collaborative robots and industrial robots, wherein the total implementation costs for collaborative robots amount to EUR 85,594.38, with an annual energy consumption of EUR 1546.27, while for industrial robots, the total costs reach EUR 165,830.71, with an annual energy consumption of EUR 10,912.26. These figures are compared with the project budget of EUR 100,000 to demonstrate cost-effectiveness, alongside considerations such as warranty coverage and labor optimization.

7. Discussion

The integration of collaborative robots into the production environment is a complex process, and defining requirements is a crucial step to ensure the success of this implementation. A holistic approach, such as the one mentioned in this research, provides a solid foundation for the further development of this process. The use of methodologies like IDEF0 can contribute to a more detailed and clear specification of technical and functional requirements.
The investment calculation, focused on Universal Robots’ collaborative robots, brings into discussion the variability of costs depending on the supplier. This flexibility can influence managerial decisions and guide the direction towards financially optimal solutions.
It is important to emphasize that, despite the meticulous approach, the calculations performed did not cover critical aspects such as wage increases for human labor, wage differences based on specific geographic areas, the impact of inflation, or changes in electricity costs. It is evident that collaborative robots have a low electricity consumption footprint, indicating that despite potential price increases, they will remain a competitive option. Furthermore, the impact of inflation on capital renders the sustenance of human-operated work modes progressively challenging amid intense market competition. Organizations must strive to minimize costs to uphold their competitive edge. At the same time, the hypothesis of potential defects in collaborative robots during the operating and amortization period was not considered, as they would normally be under warranty. Maintenance costs were not included in the analysis, as collaborative robots do not require periodic maintenance. Nonetheless, even in the absence of maintenance, it does not guarantee immunity against production downtime caused by collaborative robots. Inadequate integration of collaborative robots may compromise their repeatability and precision, potentially resulting in joint-related complications over time. In such instances, joint replacement and recalibration may be necessary. Additionally, on-site repair or temporary replacement of the collaborative robot may be required. These situations are variable, and the installation of a temporary collaborative robot can be achieved rapidly. It is presumed that the organization will ensure the appropriate integration of the collaborative robot. These variables, although omitted at this stage, should be considered in subsequent stages of investment evaluation, ensuring a comprehensive and accurate analysis of the financial impact. Additionally, the statement of the payback period and other assumptions was designed to facilitate the application of the formulations in various contexts. However, any organizational entity, armed with these data, can promptly implement these formulas.
The mathematical model and flowchart developed in this research represent innovative contributions to the scientific field. They have been formulated within a generic framework, designed to adapt to various contexts within industrial organizations. Their significance lies in their ability to serve as tools for assessing the profitability of collaborative robot and industrial robot integration, providing organizations with the necessary means to make informed decisions regarding the efficiency and sustainability of this process.
Both the mathematical model, offering a quantifiable perspective on the associated costs, and the flowchart, illustrating the progressive steps in the integration process, serve as essential guides. These tools contribute to outlining clear directions and avoiding unsustainable or inefficient decisions in the implementation of collaborative robots.
By adopting a generic approach to these contributions, flexibility is provided to tailor them to the specific needs of different organizations, thereby consolidating their value in various industrial environments. These tools not only offer a static analysis but, by their nature, encourage a dynamic and adaptable approach, essential in the face of ongoing changes in the technological and industrial domains.
In a broader approach, possibilities for collaboration between organizations can be explored for the exchange of best practices and experiences in integrating collaborative robots. This knowledge exchange could contribute to optimizing processes and accelerating the adoption of this technology in the global industrial environment.
These future directions bring a dynamic and proactive dimension to the discussion, anticipating challenges and opportunities that may arise as technology advances and the industrial context evolves.

8. Conclusions

The scientific paper aims to highlight the beneficial effects of using collaborative robots in industrial organizations, the positive impact on optimization, and the reduction of production costs, ultimately leading to increased profitability.
Structured into seven main chapters, the paper begins with an introduction to collaborative robots and a preliminary research overview in Section 1.
From the detailed analysis of the literature in Section 2, a comprehensive perspective on the impact of collaborative robots in the industrial sector is outlined. Notable advancements, highlighted by increased efficiency, quality optimization, and production process flexibility, certify the significant potential of these technologies. However, existing gaps are observed, especially regarding the detailed assessment of long-term costs and profitability in their integration. In this context, the need for future investigations to clarify these aspects and propose innovative solutions is emphasized. The literature review provides a solid framework for approaching collaborative robot integration, emphasizing the need for a holistic perspective on costs and quality in the context of industrial production. Thus, researchers and industry professionals are encouraged to continue investigations, focusing on developing predictive models and practical solutions to maximize the benefits of this technology in collaborative production environments. Section 3 focuses on a detailed study of the field, examining specific relevant aspects found in the specialized literature.
In Section 4, attention is directed towards developing a flowchart for the process of establishing requirements for the implementation of collaborative robots. This provides a graphical representation of the recommended progressive steps by the authors to achieve a functional, efficient, and effective application. These steps include determining technical considerations and needs, facilitating proper budgeting, and preventing potential misguided investments. Section 4 acts as a comprehensive blueprint for assessing the prerequisites of deploying collaborative robots before project initiation. Additionally, this flowchart facilitates a qualitative deployment of collaborative robots, averting erroneous investments in scenarios where requirements are uncertain.
In Section 5, specifically Section 5.1, the authors develop a mathematical model for cost management of implementation, analysing total costs, profitability, and electricity consumption. Direct and indirect costs are distinguished, and the proposed model provides solutions for their calculation. By successfully implementing the mathematical model described in Section 5.2, the perspective of a significant cost reduction of EUR 638,067.84 over two years opens up, requiring an initial investment of EUR 88,686.92. In the second year, the specific collaborative approach with robots introduces an anticipated addition of EUR 1547.27 per year. It is emphasized that this addition, sensitive to variables such as electricity tariffs, implementation duration, and the number of collaborative robots, is a crucial factor in the overall equation, with the potential to exert a significant influence on the project’s financial outcomes. The comprehensive analysis undertaken in Section 5.3 compared the deployment of industrial robots with collaborative robots. The total expenses for integrating collaborative robots reached EUR 85,594.38, covering an annual electricity cost of EUR 1546.27. Conversely, industrial robots incurred overall costs of EUR 165,830.71, with an annual energy consumption of EUR 10,912.26. It can be highlighted that working with a collaborative robot is more sustainable. These figures were weighed against the EUR 100,000 project budget to ascertain cost-effectiveness.
Section 5 offers a practical toolkit for organizations to pre-emptively avoid misguided investments in production setups that lack cost-performance efficiency.
The correlation between Section 4 and Section 5 embodies a sequential progression. In practical terms, Section 4 serves as the foundational step, elucidating the prerequisites for application implementation. Following this clarification, Section 5 delineates methodologies to calculate investment profitability, utilizing the defined prerequisites as a basis.
In Section 6, a synthesis of the findings presented in the scientific manuscript was provided, elucidating the culmination of empirical investigations.
Within the discussions, Section 7 highlights the meticulous process of integrating collaborative robots into the production environment. The mathematical model and flowchart are the cornerstones of this research, providing a clear and detailed conceptual framework for analysing requirements, costs, and implementation steps. The investment calculation, focused on Universal Robots’ collaborative robots, underscores the need for a flexible approach, considering cost variability and the critical implications of factors such as salary increases, inflation, and changes in electricity costs. This comprehensive approach highlights the complexity of managerial decision-making processes and the constant need for adaptation to environmental conditions. Looking ahead, the research outlines a dynamic landscape, emphasizing the importance of adapting to rapid technological changes and evolving legislative contexts. Recommendations for collaboration between organizations are a key point of discussion, highlighting the potential for process optimization and accelerating the adoption of collaborative technology in the global industrial environment. Thus, Section 7 provides a reference framework for future approaches, emphasizing the complexity and dynamism of this technological and industrial transformation.
Certain research directions can be outlined. Despite the rising costs, the study demonstrates that collaborative robots remain a viable option for optimizing production costs.
In the future perspective, it is essential to consider the rapid technological evolution and the potential impact of innovations on the requirements for implementing collaborative robots. Continuous monitoring of trends in technological development, such as the introduction of advanced sensors, artificial intelligence, and emerging technologies, will allow for the constant adaptation of implementation strategies. It is also crucial to keep pace with legislative and regulatory changes in the field to ensure compliance with industrial and safety standards.
Regarding costs, another potential research direction could be the development of predictive models for the long-term evolution of costs, considering factors such as inflation, changes in component prices, and related technologies. This could contribute to a more precise implementation budget planning and anticipation of future expenses associated with the use of collaborative robots.
The contributions made in this paper are deemed original, and the authors believe that the proposed objectives have been achieved by presenting clear and verifiable scientific data.

Author Contributions

Conceptualization, A.M.Ț., V.G. and Ș.Ț.; methodology, A.M.Ț.; software, V.G. and Ș.Ț.; validation, A.M.Ț., A.B.P. and M.D.; formal analysis, M.D. and V.G.; investigation, V.G. and Ș.Ț.; resources, V.G. and A.M.Ț.; data curation, V.G. and Ș.Ț.; writing—original draft preparation, V.G. and A.M.Ț.; writing—review and editing, A.M.Ț., Ș.Ț. and A.B.P.; visualization, M.D. and A.M.Ț.; supervision, A.M.Ț.; project administration, A.M.Ț. and A.B.P. All authors have read and agreed to the published version of the manuscript.

Funding

This research received no external funding.

Institutional Review Board Statement

Not applicable.

Data Availability Statement

Data are contained within the article.

Conflicts of Interest

The authors declare no conflicts of interest.

References

  1. Kim, H.; Kim, D. Deep-Learning-Based Strawberry Leaf Pest Classification for Sustainable Smart Farms. Sustainability 2023, 15, 7931. [Google Scholar] [CrossRef]
  2. Mahfuz, S.; Mun, H.-S.; Dilawar, M.A.; Yang, C.-J. Applications of Smart Technology as a Sustainable Strategy in Modern Swine-Farming. Sustainability 2022, 14, 2607. [Google Scholar] [CrossRef]
  3. Kuhlman, T.; Farrington, J. What is sustainability? Sustainability 2010, 2, 3436–3448. [Google Scholar] [CrossRef]
  4. Crawford, J.; Cifuentes-Faura, J. Sustainability in higher education during the COVID-19 pandemic: A systematic review. Sustainability 2022, 14, 1879. [Google Scholar] [CrossRef]
  5. Shen, B. Sustainable fashion supply chain: Lessons from H&M. Sustainability 2014, 6, 6236–6249. [Google Scholar] [CrossRef]
  6. Liu, H.; Wang, L. Human motion prediction for human-robot collaboration. J. Manuf. Syst. 2017, 44, 287–294. [Google Scholar] [CrossRef]
  7. Liu, H.; Wang, L. Remote human–robot collaboration: A cyber–physical system application for hazard manufacturing environment. J. Manuf. Syst. 2020, 54, 24–34. [Google Scholar] [CrossRef]
  8. Agravante, D.J.; Cherubini, A.; Sherikov, A.; Wieber, P.B.; Kheddar, A. Human-humanoid collaborative carrying. IEEE Trans. Robot. 2019, 34, 833–846. [Google Scholar] [CrossRef]
  9. Shirine, E.; Marei, M.; Weidong, L.; Zahid, U. Cobot programming for collaborative industrial tasks: An overview. Robot. Auton. Syst. 2019, 116, 162–180. [Google Scholar] [CrossRef]
  10. Zanchettin, M.; Croft, E.; Ding, H.; Li, M. Collaborative Robots in the Workplace. IEEE Robot. Autom. Mag. 2018, 25, 16–17. [Google Scholar] [CrossRef]
  11. Koubaa, A.; Abdelmajid, K. Cooperative Robots and Sensor Networks 2014; Springer: Berlin, Germany, 2014. [Google Scholar] [CrossRef]
  12. Pereira, F.G.; Vassallo, R.F.; Salles, E.O.T. Human-robot interaction and cooperation through people detection and gesture recognition. J. Control Autom. Electr. Syst. 2013, 24, 187–198. [Google Scholar] [CrossRef]
  13. Krueger, B.; Nickolay, B.; Schulz, O. Image-based 3D-surveillance in man-robot-cooperation. In Proceedings of the 2nd IEEE International Conference on Industrial Informatics, Berlin, Germany, 24–26 June 2004; pp. 411–420. [Google Scholar] [CrossRef]
  14. Seraj, E.; Chen, L.; Gombolay, M.C. A hierarchical coordination framework for joint perception-action tasks in composite robot teams. IEEE Trans. Robot. 2021, 38, 139–158. [Google Scholar] [CrossRef]
  15. Dekker, F.; Salomons, A.; Waal, J.V.D. Fear of robots at work: The role of economic self-interest. Socio-Econ. Rev. 2017, 15, 539–562. [Google Scholar] [CrossRef]
  16. Kozak, M.; Kozak, S.; Kozakova, A.; Martinak, D. Is Fear of Robots Stealing Jobs Haunting European Workers? A Multilevel Study of Automation Insecurity in the EU. IFAC-PapersOnLine 2020, 53, 17493–17498. [Google Scholar] [CrossRef]
  17. Hinks, T. Fear of robots and life satisfaction. Int. J. Soc. Robot. 2021, 13, 327–340. [Google Scholar] [CrossRef]
  18. You, S.; Robert, L.P. Human–Robot Similarity and Willingness to Work with a Robotic Co-worker. In Proceedings of the 13th ACM/IEEE International Conference on Human-Robot Interaction (HRI), Chicago, IL, USA, 5–8 March 2018; pp. 251–260. [Google Scholar] [CrossRef]
  19. Poór, P.; Broum, T.; Basl, J. Role of collaborative robots in industry 4.0 with target on education in industrial engineering. In Proceedings of the 2019 4th International Conference on Control, Robotics and Cybernetics (CRC) IEEE, Tokyo, Japan, 27–30 September 2019; pp. 42–46. [Google Scholar] [CrossRef]
  20. Wang, B.; Zheng, P.; Yin, Y.; Shih, A.; Wang, L.; Kheddar, A. Toward human-centric smart manufacturing: A human-cyber-physical systems (HCPS) perspective. J. Manuf. Syst. 2022, 63, 471–490. [Google Scholar] [CrossRef]
  21. Mokyr, J. The Lever of Riches: Technological Creativity and Economic Progress; Oxford University Press: Oxford, UK, 1991. [Google Scholar] [CrossRef]
  22. Mokyr, J.; Vickers, C.; Ziebarth, N.L. The history of technological anxiety and the future of economic growth: Is this time different? J. Econ. Perspect. 2015, 29, 31–50. [Google Scholar] [CrossRef]
  23. Conti, C.J.; Varde, A.S.; Wang, W. Task quality optimization in collaborative robotics. In Proceedings of the 2020 IEEE International Conference on Big Data (Big Data), Atlanta, GA, USA, 10–13 December 2020; pp. 5652–5654. [Google Scholar] [CrossRef]
  24. Badia, S.B.I.; Silva, P.A.; Branco, D.; Pinto, A.; Carvalho, C.; Menezes, P.; Almeida, J.; Pilacinski, A. Virtual Reality for Safe Testing and Development in Collaborative Robotics: Challenges and Perspectives. Electronics 2022, 11, 1726. [Google Scholar] [CrossRef]
  25. Proia, S.; Carli, R.; Cavone, G.; Dotoli, M. Control techniques for safe, ergonomic, and efficient human-robot collaboration in the digital industry: A survey. IEEE Trans. Autom. Sci. Eng. 2021, 19, 1798–1819. [Google Scholar] [CrossRef]
  26. Lima, F.; De Carvalho, C.N.; Acardi, M.B.; Dos Santos, E.G.; De Miranda, G.B.; Maia, R.F.; Massote, A.A. Digital manufacturing tools in the simulation of collaborative robots: Towards industry 4.0. Braz. J. Oper. Prod. Manag. 2019, 16, 261–280. [Google Scholar] [CrossRef]
  27. Vido, M.; Scur, G.; Massote, A.A.; Lima, F. The impact of the collaborative robot on competitive priorities: Case study of an automotive supplier. Gestão Produção 2020, 27, e5358. [Google Scholar] [CrossRef]
  28. Bogue, R. Europe continues to lead the way in the collaborative robot business. Ind. Robot. Int. J. 2016, 43, 6–11. [Google Scholar] [CrossRef]
  29. Bloss, R. Collaborative robots are rapidly providing major improvements in productivity, safety, programing ease, portability and cost while addressing many new applications. Ind. Robot. Int. J. 2016, 43, 463–468. [Google Scholar] [CrossRef]
  30. Barravecchia, F.; Mastrogiacomo, L.; Franceschini, F. A general cost model to assess the implementation of collaborative robots in assembly processes. Int. J. Adv. Manuf. Technol. 2023, 125, 5247–5266. [Google Scholar] [CrossRef]
  31. Meng, Y.; Yang, Y.; Chung, H.; Lee, P.H.; Shao, C. Enhancing sustainability and energy efficiency in smart factories: A review. Sustainability 2018, 10, 4779. [Google Scholar] [CrossRef]
  32. Baltrusch, S.J.; Krause, F.; de Vries, A.W.; Van Dijk, W.; de Looze, M.P. What about the Human in Human Robot Collaboration? A literature review on HRC’s effects on aspects of job quality. Ergonomics 2022, 65, 719–740. [Google Scholar] [CrossRef] [PubMed]
  33. Chen, N.; Huang, N.; Radwin, R.; Li, J. Analysis of assembly-time performance (ATP) in manufacturing operations with collaborative robots: A systems approach. Int. J. Prod. Res. 2022, 60, 277–296. [Google Scholar] [CrossRef]
  34. Grau, A.; Indri, M.; Lo Bello, L.; Sauter, T. Robots in Industry: The Past, Present, and Future of a Growing Collaboration with Humans. IEEE Ind. Electron. Mag. 2021, 15, 50–61. [Google Scholar] [CrossRef]
  35. Sherwani, F.; Asad, M.M.; Ibrahim, B.S.K.K. Collaborative Robots and Industrial Revolution 4.0 (IR 4.0). In Proceedings of the International Conference on Emerging Trends in Smart Technologies (ICETST), Karachi, Pakistan, 26–27 March 2020; pp. 1–5. [Google Scholar] [CrossRef]
  36. Accorsi, R.; Tufano, A.; Gallo, A.; Galizia, F.G.; Cocchi, G.; Ronzoni, M.; Manzini, R. An application of collaborative robots in a food production facility. Procedia Manuf. 2019, 38, 341–348. [Google Scholar] [CrossRef]
  37. Zeng, F.; Xiao, J.; Liu, H. Force/torque sensorless compliant control strategy for assembly tasks using a 6-DOF collaborative robot. IEEE Access 2019, 7, 108795–108805. [Google Scholar] [CrossRef]
  38. Țîtu, A.M.; Gusan, V. The Influence of Collaborative Robots on the Quality, Efficiency and Effectiveness of Automotive Manufacturing Flows. In New Technologies, Development and Application V. NT; Karabegović, I., Kovačević, A., Mandžuka, S., Eds.; Springer: Cham, Switzerland, 2022; p. 472. [Google Scholar] [CrossRef]
  39. Richards, D. Escape from the factory of the robot monsters: Agents of change. Team Perform. Manag. Int. J. 2017, 23, 96–108. [Google Scholar] [CrossRef]
  40. Navas-Reascos, G.E.; Romero, D.; Stahre, J.; Caballero-Ruiz, A. Wire Harness Assembly Process Supported by Collaborative Robots: Literature Review and Call for R&D. Robotics 2022, 11, 65. [Google Scholar] [CrossRef]
  41. Li, R.; Pham, D.T.; Huang, J.; Tan, Y.; Qu, M.; Wang, Y.; Kerin, M.; Jiang, K.; Su, S.; Ji, C.; et al. Unfastening of Hexagonal Headed Screws by a Collaborative Robot. IEEE Trans. Autom. Sci. Eng. 2020, 17, 1455–1468. [Google Scholar] [CrossRef]
  42. Gautam, M.; Fagerlund, H.; Greicevci, B.; Christophe, F.; Havula, J. Collaborative Robotics in Construction: A Test Case on Screwing Gypsum Boards on Ceiling. In Proceedings of the 5th International Conference on Green Technology and Sustainable Development (GTSD), Ho Chi Minh, Vietnam, 27–28 November 2020; pp. 88–93. [Google Scholar] [CrossRef]
  43. Gomes, N.M.; Martins, F.N.; Lima, J.; Wörtche, H. Reinforcement Learning for Collaborative Robots Pick-and-Place Applications: A Case Study. Automation 2022, 3, 223–241. [Google Scholar] [CrossRef]
  44. Zhang, J.; Wan, W.; Tanaka, N.; Fujita, M.; Harada, K. Integrating a Manual Pipette into a Collaborative Robot Manipulator for Flexible Liquid Dispensing. arXiv 2022, arXiv:2207.01214. [Google Scholar] [CrossRef]
  45. Macke, J.; Genari, D. Systematic literature review on sustainable human resource management. J. Clean. Prod. 2019, 208, 806–815. [Google Scholar] [CrossRef]
  46. Razak, A.; Sarpan, S.; Ramlan, R. Effect of leadership style, motivation and work discipline on employee performance in PT. ABC Makassar. Int. Rev. Manag. Mark. 2018, 8, 67. [Google Scholar] [CrossRef]
  47. Ojstersek, R.; Javernik, A.; Buchmeister, B. The impact of the collaborative workplace on the production system capacity: Simulation modelling vs. real-world ap-plication approach. Adv. Prod. Eng. Manag. 2021, 16, 431–442. [Google Scholar] [CrossRef]
  48. Lamon, E.; Leonori, M.; Kim, W.; Ajoudani, A. Towards an Intelligent Collaborative Robotic System for Mixed Case Palletizing. In Proceedings of the 2020 IEEE International Conference on Robotics and Automation (ICRA), Paris, France, 31 May–31 August 2020; pp. 9128–9134. [Google Scholar] [CrossRef]
  49. BNR. Curs BNR Azi. Available online: https://www.cursbnr.ro/curs-bnr-azi (accessed on 25 March 2023).
  50. 3200 Lei Net—Calcul Salariu Brut. Available online: http://www.calculator-salarii.ro/3200-net-calcul-salariu-brut/ (accessed on 30 December 2023).
  51. Oferte, Prețuri și Tarife—Electrica Furnizare S.A.—Clienți Noncasnici. Available online: https://www.electricafurnizare.ro/business/preturi-si-tarife (accessed on 30 December 2023).
  52. Collaborative Robotic Arms|Automation with Collaborative Robots|UR. Available online: https://www.universal-robots.com/ro/?_gl=1*crq7lr*_up*MQ..&gclid=Cj0KCQiA7YyCBhD_ARIsALkj54qsCnxQNzqQ7yKtTwa98wFi5LmCbMhrDRoj3SiTLugvHpfEaMPChLoaAjshEALw_wcB (accessed on 31 December 2023).
  53. Cobots and Electricity Use: One Less Thing to Worry About. Available online: https://www.universal-robots.com/blog/cobots-and-electricity-use-one-less-thing-to-worry-about (accessed on 23 November 2022).
  54. Barnett, N.; Costenaro, D.; Rohmund, I. Direct and Indirect Impacts of Robots on Future Electricity Load. In Proceedings of the ACEEE Summer Study on Energy Efficiency in Industry, Denver, CO, USA, 15–18 August 2017; pp. 2–9. [Google Scholar]
Disclaimer/Publisher’s Note: The statements, opinions and data contained in all publications are solely those of the individual author(s) and contributor(s) and not of MDPI and/or the editor(s). MDPI and/or the editor(s) disclaim responsibility for any injury to people or property resulting from any ideas, methods, instructions or products referred to in the content.

Article Metrics

Citations

Article Access Statistics

Multiple requests from the same IP address are counted as one view.