Research on Power System Day-Ahead Generation Scheduling Method Considering Combined Operation of Wind Power and Pumped Storage Power Station
Abstract
1. Introduction
2. Dynamic Economic Scheduling Model of Power System with Wind Farm and Pumped Storage Power Station
2.1. Objective Function
2.2. Constraint Condition
2.2.1. System Power Balance Constraint (Ignoring Network Loss):
2.2.2. Conventional Unit Output Constraints
2.2.3. System Spinning Reserve Capacity
2.2.4. Unit Climbing Rate Constraint
2.2.5. Conventional Unit Start–Stop Time Constraints
2.2.6. Constraints of Pumped Storage Power Stations
- (1)
- Capacity constraints of pumped storage power stations
- (2)
- Output power constraint of pumped storage power station
- (3)
- Daily extraction power constraint of pumped storage power station
3. Imperial Competition Algorithm
3.1. Initializing Empire
3.2. Annexing Colonial Countries
3.3. Competition between Imperialist Countries
3.4. The Demise of the Weakest Empire
4. Example Simulation and Result Analysis
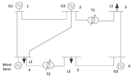
4.1. Simulation Based on 4 Machines and 6 Nodes
4.2. Simulation Based on 10 Machines and 39 Nodes
5. Conclusions
Author Contributions
Funding
Institutional Review Board Statement
Informed Consent Statement
Data Availability Statement
Conflicts of Interest
Appendix A
| Algorithm A1: Imperial competition algorithm. | |
| Require: Initialization ▷Hourly prediction data of , , , , and . | |
| for t = 0:24 do | |
| k = 1; | |
| while k ≤ do ▷: the number of population | |
| ▷ Initialization | |
| Select some random points on dependent/independent | |
| variables | |
| Create the imperialist states in a 1×g matrix by | |
| country = [x1,x2,…,xg] | |
| Evaluate the country cost (Equation (1)) | |
| End while ▷End initialization | |
| Sort the countries based on their objective function values | |
| Divide colonies among imperialist | |
| (Equations (18) and (19)) | |
| decade = 1 | |
| while decade ≤ max decade do | |
| Select the ith empire. ▷Assimilation | |
| while all empires selected do | |
| Select the jth colony from the ith empire | |
| while all the colonies of ith empire selected do | |
| Move the colonies toward their relevant imperialist | |
| Move the jth colony toward its imperialist | |
| if the balance constraint was not held then | |
| Reestablish power balance | |
| end if | |
| Evaluate the jth colony (Equation (1)) | |
| end while | |
| end while ▷End assimilation | |
| Select the ith empire ▷Revolution | |
| while all the empires selected do | |
| Select the jth colony from the ith empire | |
| while all the colonies of the ith empire selected do | |
| Create random number (Prevolution) | |
| if v ≤ Prevolution then ▷ v: revolution rate | |
| Select some random points on dependent/independent variables | |
| Create the imperialist states in a 1×g matrix ▷country = [x1, x2,…,xg] | |
| Evaluate the jth colony (Equation (1)) | |
| end if | |
| end while | |
| end while ▷End revolution | |
| Select ith empire | |
| while just one empire will remain do | |
| if there is a colony in an empire which has lower cost than the imperialist then | |
| Exchange the positions of that colony and the imperialist | |
| Unit the similar empires | |
| end if | |
| end while | |
| Compute the total cost of all empires by | |
| (A1) | |
| Eliminate the powerless empires ▷Imperialist competition | |
| if the weakest empire has a colony then | |
| Pick the colony and give it to one of empires by the roulette wheel | |
| (Equations (18) and (19)) | |
| else | |
| Allocate the weak empire to this one by the roulette wheel (Equations (19) and (A1)) | |
| end if ▷End imperialist competition | |
| end while | |
| Return the best empire | |
| end for | |
References
- Zhou, W.; Sun, H.; Gu, H.; Chen, X.D. Review on economic dispatch of power system with wind farm. Power Syst. Prot. Control. 2011, 39, 148–154. [Google Scholar]
- Castronuovo, E.D.; Lopes, J.A.P. Optimal operation and hydro storage sizing of a wind–hydro power plant. Int. J. Electr. Power Energy Syst. 2004, 26, 771–778. [Google Scholar] [CrossRef]
- Garcia-Gonzalez, J.; de la Muela, R.M.R.; Santos, L.M.; Gonzalez, A.M. Stochastic joint optimization of wind generation and pumped-storage units in an electricity market. IEEE Trans. Power Syst. 2008, 23, 460–468. [Google Scholar] [CrossRef]
- Hu, Z.; Ding, H.; Kong, T. Wind power-pumped storage joint daily operation optimization scheduling model. Power Syst. Autom. 2012, 36, 36–41. [Google Scholar]
- Pan, W.; Fan, Y.; Yang, W. Analysis of wind-hydropower joint optimal operation. J. Sol. Energy 2008, 29, 80–84. [Google Scholar]
- Liu, D.; Tan, Z.; Wang, F. Simulation study on combined operation system of wind power and pumped storage. Hydropower Energy Sci. 2006, 24, 39–42. [Google Scholar]
- Tuohy, A.; O’Malley, M. Impact of pumped storage on power systems with increasing wind penetration. In Proceedings of the 2009 IEEE Power & Energy Society General Meeting, Calgary, AB, Canada, 26–30 July 2009; IEEE: Piscataway, NJ, USA, 2009; pp. 1–8. [Google Scholar]
- Contaxis, G.; Vlachos, A. Optimal power flow considering operation of wind parks and pump storage hydro units under large scale integration of renewable energy sources. In Proceedings of the 2000 IEEE Power Engineering Society Winter Meeting. Conference Proceedings (Cat. No. 00CH37077), Singapore, 23–27 January 2000; IEEE: Piscataway, NJ, USA, 2000; Volume 3, pp. 1745–1750. [Google Scholar]
- Jamii, J.; Abbes, D.; Mimouni, M.F. Sheduling optimization of wind power generation with pumped storage hydro plant. In Proceedings of the 2016 17th International Conference on Sciences and Techniques of Automatic Control and Computer Engineering (STA), Sousse, Tunisia, 19–21 December 2016; IEEE: Piscataway, NJ, USA, 2016; pp. 546–551. [Google Scholar]
- Yang, X.; Xu, Y.; Yang, N.; Wen, B.; Zhao, K.; Zhang, Y. Research on the Reliability and Capacity Allocation of Wind Power-Solar Power-Pumped Storage Hybrid Power System. In Proceedings of the 2018 China International Conference on Electricity Distribution (CICED), Tianjin, China, 17–19 September 2018; IEEE: Piscataway, NJ, USA, 2018; pp. 2071–2076. [Google Scholar]
- Gu, W.; Quan, X.; Zhao, Z.; Feng, Y.; Wan, Y. Multi-objective generation scheduling model of pumped storage power stations in wind power system. In Proceedings of the Electrical Engineering (Power) Society Transmission and Distribution Technology Seminar, Jiaxing, China, 1 November 2017; pp. 164–170. [Google Scholar]
- Bruninx, K.; Dvorkin, Y.; Delarue, E.; Pandžić, H.; D’haeseleer, W.; Kirschen, D.S. Coupling pumped hydro energy storage with unit commitment. IEEE Trans. Sustain. Energy 2015, 7, 786–796. [Google Scholar] [CrossRef]
- Kennedy, J.; Eberhart, R. Particle swarm optimization. In Proceedings of the ICNN’95-International Conference on Neural Networks, Perth, WA, Australia, 27 November–1 December 1995; IEEE: Piscataway, NJ, USA, 1995; Volume 4, pp. 1942–1948. [Google Scholar]
- Zhang, D.; Yao, X.; Wang, W. Research on wind power prediction method based on imperialist competitive algorithm. Hydropower Gener. 2014, 40, 88–91. [Google Scholar]
- Gaing, Z.L. Discrete particle swarm optimization algorithm for unit commitment. In Proceedings of the 2003 IEEE Power Engineering Society General Meeting (IEEE Cat. No. 03CH37491), Toronto, ON, Canada, 13–17 July 2003; IEEE: Piscataway, NJ, USA, 2003; Volume 1, pp. 418–424. [Google Scholar]
- Wang, Z. Research on Dynamic Economic Dispatch of Power System with Wind Farm. Master’s Thesis, North China Electric Power University, Beijing, China, 2011. [Google Scholar]
- Liao, S.; Xu, J.; Sun, Y.; Bao, Y.; Tang, B. Control of energy-intensive load for power smoothing in wind power plants. IEEE Trans. Power Syst. 2018, 33, 6142–6154. [Google Scholar] [CrossRef]
- Zhu, B.; Wang, H.; Zhang, Y.; Chen, S. Buck-Based Active-Clamp Circuit for Current-Fed Isolated DC–DC Converters. IEEE Trans. Power Electron. 2021, 37, 4337–4345. [Google Scholar] [CrossRef]
- Wang, C.; Chu, S.; Ying, Y.; Wang, A.; Chen, R.; Xu, H.; Zhu, B. Underfrequency Load Shedding Scheme for Islanded Microgrids Considering Objective and Subjective Weight of Loads. IEEE Trans. Smart Grid 2022, 14, 899–913. [Google Scholar] [CrossRef]
- Li, Z.; Yu, C.; Abu-Siada, A.; Li, H.; Li, Z.; Zhang, T.; Xu, Y. An online correction system for electronic voltage transformers. Int. J. Electr. Power Energy Syst. 2021, 126, 106611. [Google Scholar] [CrossRef]
- Zhou, Y.; Zhai, Q.; Wu, L. Optimal operation of regional microgrids with renewable and energy storage: Solution robustness and nonanticipativity against uncertainties. IEEE Trans. Smart Grid 2022, 13, 4218–4230. [Google Scholar] [CrossRef]
- Ma, H.; Zheng, K.; Jiang, H.; Yin, H. A family of dual-boost bridgeless five-level rectifiers with common-core inductors. IEEE Trans. Power Electron. 2021, 36, 12565–12578. [Google Scholar] [CrossRef]
- Chen, J.J.; Qi, B.X.; Rong, Z.K.; Peng, K.; Zhao, Y.L.; Zhang, X.H. Multi-energy coordinated microgrid scheduling with integrated demand response for flexibility improvement. Energy 2021, 217, 119387. [Google Scholar] [CrossRef]
- Li, Z.; Xu, Y.; Wu, L.; Zheng, X. A risk-averse adaptively stochastic optimization method for multi-energy ship operation under diverse uncertainties. IEEE Trans. Power Syst. 2020, 36, 2149–2161. [Google Scholar] [CrossRef]
- Shen, X.; Raksincharoensak, P. Pedestrian-aware statistical risk assessment. IEEE Trans. Intell. Transp. Syst. 2021, 23, 7910–7918. [Google Scholar] [CrossRef]
- Yang, N.; Yang, C.; Wu, L.; Shen, X.; Jia, J.; Li, Z.; Chen, D.; Zhu, B.; Liu, S. Intelligent Data-Driven Decision-Making Method for Dynamic Multisequence: An E-Seq2Seq-Based SCUC Expert System. IEEE Trans. Ind. Inform. 2021, 18, 3126–3137. [Google Scholar] [CrossRef]
- Yang, N.; Dong, Z.; Wu, L.; Zhang, L.; Shen, X.; Chen, D.; Zhu, B.; Liu, Y. A Comprehensive Review of Security-Constrained Unit Commitment. J. Mod. Power Syst. Clean Energy 2021, 10, 562–576. [Google Scholar] [CrossRef]
- Yang, N.; Yang, C.; Xing, C.; Ye, D.; Jia, J.; Chen, D.; Shen, X.; Huang, Y.; Zhang, L.; Zhu, B. Deep learning-based SCUC decision-making: An intelligent data-driven approach with self-learning capabilities. IET Gener. Transm. Distrib. 2022, 16, 629–640. [Google Scholar] [CrossRef]
- Nan, Y.; Di, Y.; Zheng, Z.; Jiazhan, C.; Daojun, C.; Xiaoming, W. Research on modelling and solution of stochastic SCUC under AC power flow constraints. IET Gener. Transm. Distrib. 2018, 12, 3618–3625. [Google Scholar] [CrossRef]
- Yang, N.; Qin, T.; Wu, L.; Huang, Y.; Huang, Y.; Xing, C.; Zhang, L.; Zhu, B. A multi-agent game based joint planning approach for electricity-gas integrated energy systems considering wind power uncertainty. Electr. Power Syst. Res. 2022, 204, 107673. [Google Scholar] [CrossRef]
- Ban, M.; Yu, J.; Shahidehpour, M.; Yao, Y. Integration of power-to-hydrogen in day-ahead security-constrained unit commitment with high wind penetration. J. Mod. Power Syst. Clean Energy 2017, 5, 337–349. [Google Scholar] [CrossRef]
- Zhang, Y.; Xie, X.; Fu, W.; Chen, X.; Hu, S.; Zhang, L.; Xia, Y. An Optimal Combining Attack Strategy Against Economic Dispatch of Integrated Energy System. IEEE Trans. Circuits Syst. II Express Briefs 2023, 70, 246–250. [Google Scholar] [CrossRef]
- Zhang, Y.; Xie, X.; Fu, W.; Chen, X.; Hu, S.; Zhang, L.; Xia, Y. Secondary frequency control strategy considering DoS attacks for MTDC system. Electr. Power Syst. Res. 2023, 214, 108888. [Google Scholar] [CrossRef]
- Fu, W.; Jiang, X.; Li, B.; Tan, C.; Chen, B.; Chen, X. Rolling Bearing Fault Diagnosis based on 2D Time-Frequency Images and Data Augmentation Technique. Meas. Sci. Technol. 2023, 34, 045005. [Google Scholar] [CrossRef]
- Fang, P.; Fu, W.; Wang, K.; Xiong, D.; Zhang, K. A compositive architecture coupling outlier correction, EWT, nonlinear Volterra multi-model fusion with multi-objective optimization for short-term wind speed forecasting. Appl. Energy 2022, 307, 118191. [Google Scholar] [CrossRef]
- Zhu, B.; Liu, Y.; Zhi, S.; Wang, K.; Liu, J. A Family of Bipolar High Step-Up Zeta–Buck–Boost Converter Based on “Coat Circuit”. IEEE Trans. Power Electron. 2023, 38, 3328–3339. [Google Scholar] [CrossRef]
- Zhu, B.; Zeng, Q.; Chen, Y.; Zhao, Y.; Liu, S. A Dual Input High Step Up DC-DC Converter with ZVT Auxiliary Circuit. IEEE Trans. Energy Convers. 2019, 34, 161–169. [Google Scholar] [CrossRef]
- Zhu, B.; Huang, Y.; Zhang, Y.; Liu, G.; Chen, S. High step-up SEPIC converters based on kinds of coat circuit. CSEE J. Power Energy Syst. 2022, 1–11. [Google Scholar] [CrossRef]
- Fu, Y.; Shahidehpour, M.; Li, Z. Security-constrained unit commitment with AC constraints. IEEE Trans. Power Syst. 2005, 20, 1001–1013. [Google Scholar] [CrossRef]





| Time | PL (MW) | QL (MW) | PW (MW) | Time | PL (MW) | QL (MW) | PW (MW) |
|---|---|---|---|---|---|---|---|
| 1 | 209.19 | 50.4 | 51 | 13 | 324.18 | 69.6 | 81 |
| 2 | 224.35 | 45.8 | 69 | 14 | 314.60 | 70 | 80 |
| 3 | 221.67 | 45.6 | 80 | 15 | 326.86 | 71.6 | 77 |
| 4 | 236.73 | 42.5 | 79 | 16 | 285.25 | 73.5 | 32 |
| 5 | 226.12 | 44.6 | 81 | 17 | 260.00 | 71.6 | 4 |
| 6 | 244.48 | 48.2 | 84 | 18 | 237.52 | 70.9 | 10 |
| 7 | 273.39 | 49.9 | 98 | 19 | 255.97 | 70.7 | 9 |
| 8 | 285.31 | 51.1 | 95 | 20 | 239.11 | 68.2 | 5 |
| 9 | 283.56 | 50.9 | 68 | 21 | 243.31 | 67.1 | 6 |
| 10 | 276.25 | 59.5 | 61 | 22 | 282.69 | 66.9 | 56 |
| 11 | 328.61 | 67.1 | 100 | 23 | 281.25 | 55.1 | 74 |
| 12 | 317.59 | 67.9 | 86 | 24 | 248.75 | 56.2 | 52 |
| Time | Unit Output Arrangement in Mode 1 (MW) | Unit Output Arrangement in Mode 2 (MW) | ||||
|---|---|---|---|---|---|---|
| G1 | G2 | G3 | G1 | G2 | G3 | |
| 1 | 158 | 0 | 0 | 158 | 0 | 0 |
| 2 | 155 | 0 | 0 | 155 | 0 | 0 |
| 3 | 142 | 0 | 0 | 142 | 0 | 0 |
| 4 | 158 | 0 | 0 | 158 | 0 | 0 |
| 5 | 145 | 0 | 0 | 145 | 0 | 0 |
| 6 | 160 | 0 | 0 | 160 | 0 | 0 |
| 7 | 175 | 0 | 0 | 175 | 0 | 0 |
| 8 | 190 | 0 | 0 | 190 | 0 | 0 |
| 9 | 216 | 0 | 0 | 216 | 0 | 0 |
| 10 | 215 | 0 | 0 | 215 | 0 | 0 |
| 11 | 219 | 0 | 10 | 219 | 0 | 10 |
| 12 | 216 | 0 | 16 | 216 | 0 | 16 |
| 13 | 221 | 10 | 12 | 221 | 10 | 12 |
| 14 | 210 | 10 | 15 | 211 | 10 | 14 |
| 15 | 221 | 10 | 19 | 220 | 10 | 20 |
| 16 | 217 | 16 | 20 | 220 | 16 | 17 |
| 17 | 220 | 16 | 20 | 220 | 16 | 20 |
| 18 | 208 | 10 | 10 | 208 | 10 | 10 |
| 19 | 221 | 10 | 16 | 220 | 10 | 17 |
| 20 | 222 | 12 | 0 | 220 | 14 | 0 |
| 21 | 220 | 17 | 0 | 220 | 17 | 0 |
| 22 | 217 | 10 | 0 | 217 | 10 | 0 |
| 23 | 197 | 10 | 0 | 191 | 16 | 0 |
| 24 | 187 | 10 | 0 | 187 | 10 | 0 |
| Time | Mode 1 | Mode 2 | ||
|---|---|---|---|---|
| Line 4–5 (MW) | Out of Limit Rate (%) | Line 4–5 (MW) | Out of Limit Rate (%) | |
| 11 | 121.4129 | 11.2 | 102.114 | 4.2 |
| 12 | 101.4247 | 7.9 | 101.1469 | 2.1 |
| 13 | 102.7312 | 5.1 | 100.2587 | 0.9 |
| 14 | 108.2157 | 4.2 | 98.1012 | 0 |
| 15 | 104.4578 | 3.9 | 97.3145 | 0 |
| Operation Cost ($) | Start and Stop Cost ($) | All-In Cost ($) | |
|---|---|---|---|
| Mode 1 | 78,705.03 | 300.00 | 79,005.03 |
| Mode 2 | 77,649.12 | 300.00 | 77,949.12 |
| (a) | |||||||||||||||||
|---|---|---|---|---|---|---|---|---|---|---|---|---|---|---|---|---|---|
| Time | Generation Cost × 104 $ | Start–Stop Cost × 103 $ | Unit State | Unit Output Arrangement (MW) | Spinning Reserve (MW) | ||||||||||||
| 1 | 2 | 3 | 4 | 5 | 6 | 7 | 8 | 9 | 10 | Usr | Dsr | ||||||
| 1 | 1.2431 | 0 | 1,100,000,000 | 455 | 173 | 0 | 0 | 0 | 0 | 0 | 0 | 0 | 0 | 282 | 63 | ||
| 2 | 1.2709 | 0 | 1,100,000,000 | 455 | 189 | 0 | 0 | 0 | 0 | 0 | 0 | 0 | 0 | 266 | 79 | ||
| 3 | 1.4328 | 0 | 1,100,000,000 | 455 | 282 | 0 | 0 | 0 | 0 | 0 | 0 | 0 | 0 | 173 | 172 | ||
| 4 | 1.6757 | 0 | 1,100,100,000 | 455 | 367 | 0 | 0 | 25 | 0 | 0 | 0 | 0 | 0 | 225 | 257 | ||
| 5 | 1.7002 | 1.79 | 1,100,100,000 | 455 | 381 | 0 | 0 | 25 | 0 | 0 | 0 | 0 | 0 | 211 | 271 | ||
| 6 | 2.0465 | 0 | 1,111,100,000 | 455 | 424 | 40 | 40 | 25 | 0 | 0 | 0 | 0 | 0 | 168 | 354 | ||
| 7 | 2.1179 | 2.2125 | 1,111,100,000 | 455 | 388 | 80 | 80 | 25 | 0 | 0 | 0 | 0 | 0 | 204 | 358 | ||
| 8 | 2.3709 | 0 | 1,111,100,000 | 455 | 455 | 120 | 120 | 25 | 0 | 0 | 0 | 0 | 0 | 200 | 362 | ||
| 9 | 2.4692 | 0 | 1,111,100,000 | 455 | 455 | 130 | 130 | 57 | 0 | 0 | 0 | 0 | 0 | 165 | 457 | ||
| 10 | 2.9179 | 0 | 1,111,111,100 | 455 | 455 | 130 | 130 | 134 | 20 | 25 | 10 | 0 | 0 | 193 | 534 | ||
| 11 | 2.9944 | 0.9189 | 1,111,111,100 | 455 | 455 | 130 | 130 | 162 | 28 | 25 | 10 | 0 | 0 | 157 | 570 | ||
| 12 | 3.2562 | 0 | 1,111,111,111 | 455 | 455 | 130 | 130 | 162 | 60 | 25 | 10 | 10 | 10 | 215 | 602 | ||
| 13 | 2.7860 | 0.1200 | 1,111,111,000 | 455 | 455 | 120 | 130 | 123 | 20 | 25 | 0 | 0 | 0 | 169 | 513 | ||
| 14 | 2.4397 | 0 | 1,111,110,000 | 455 | 455 | 80 | 130 | 44 | 20 | 0 | 0 | 0 | 0 | 218 | 404 | ||
| 15 | 2.2886 | 0 | 1,111,100,000 | 455 | 455 | 40 | 130 | 43 | 0 | 0 | 0 | 0 | 0 | 159 | 403 | ||
| 16 | 1.9775 | 0 | 1,101,100,000 | 455 | 376 | 0 | 130 | 25 | 0 | 0 | 0 | 0 | 0 | 216 | 306 | ||
| 17 | 1.8168 | 0 | 1,101,100,000 | 455 | 284 | 0 | 130 | 25 | 0 | 0 | 0 | 0 | 0 | 308 | 214 | ||
| 18 | 1.9285 | 0 | 1,101,100,000 | 455 | 348 | 0 | 130 | 25 | 0 | 0 | 0 | 0 | 0 | 244 | 278 | ||
| 19 | 2.1141 | 0 | 1,101,100,000 | 455 | 454 | 0 | 130 | 25 | 0 | 0 | 0 | 0 | 0 | 198 | 384 | ||
| 20 | 2.8129 | 0.5060 | 1,101,110,111 | 455 | 455 | 0 | 130 | 162 | 44 | 0 | 10 | 10 | 10 | 171 | 546 | ||
| 21 | 2.4344 | 0 | 1,101,110,100 | 455 | 455 | 0 | 120 | 105 | 20 | 0 | 10 | 0 | 0 | 172 | 455 | ||
| 22 | 1.9663 | 0 | 1,101,100,000 | 455 | 418 | 0 | 80 | 25 | 0 | 0 | 0 | 0 | 0 | 214 | 308 | ||
| 23 | 1.6212 | 0 | 1,101,000,000 | 455 | 313 | 0 | 40 | 0 | 0 | 0 | 0 | 0 | 0 | 182 | 203 | ||
| 24 | 1.4432 | 0 | 1,100,000,000 | 455 | 288 | 0 | 0 | 0 | 0 | 0 | 0 | 0 | 0 | 167 | 178 | ||
| (b) | |||||||||||||||||
| Algorithm | Operation Cost ($) | Start and Stop Cost ($) | CPU Time (s) | ||||||||||||||
| Standard particle swarm optimization (PSO) | 514,755 | 6550.4 | 78.3 | ||||||||||||||
| Imperial competition algorithm (ICA) | 511,249 | 5547.4 | 60.2 | ||||||||||||||
Disclaimer/Publisher’s Note: The statements, opinions and data contained in all publications are solely those of the individual author(s) and contributor(s) and not of MDPI and/or the editor(s). MDPI and/or the editor(s) disclaim responsibility for any injury to people or property resulting from any ideas, methods, instructions or products referred to in the content. |
© 2023 by the authors. Licensee MDPI, Basel, Switzerland. This article is an open access article distributed under the terms and conditions of the Creative Commons Attribution (CC BY) license (https://creativecommons.org/licenses/by/4.0/).
Share and Cite
Zhang, Z.; Xu, D.; Chan, X.; Xu, G. Research on Power System Day-Ahead Generation Scheduling Method Considering Combined Operation of Wind Power and Pumped Storage Power Station. Sustainability 2023, 15, 6208. https://doi.org/10.3390/su15076208
Zhang Z, Xu D, Chan X, Xu G. Research on Power System Day-Ahead Generation Scheduling Method Considering Combined Operation of Wind Power and Pumped Storage Power Station. Sustainability. 2023; 15(7):6208. https://doi.org/10.3390/su15076208
Chicago/Turabian StyleZhang, Zhi, Dan Xu, Xuezhen Chan, and Guobin Xu. 2023. "Research on Power System Day-Ahead Generation Scheduling Method Considering Combined Operation of Wind Power and Pumped Storage Power Station" Sustainability 15, no. 7: 6208. https://doi.org/10.3390/su15076208
APA StyleZhang, Z., Xu, D., Chan, X., & Xu, G. (2023). Research on Power System Day-Ahead Generation Scheduling Method Considering Combined Operation of Wind Power and Pumped Storage Power Station. Sustainability, 15(7), 6208. https://doi.org/10.3390/su15076208
