Next Article in Journal
RivEr/Generation_LAB-Linking Resilience with Inclusiveness in the Urban-Built Environment of Rome
Previous Article in Journal
Emotional Value in Online Education: A Framework for Service Touchpoint Assessment
 
 
Font Type:
Arial Georgia Verdana
Font Size:
Aa Aa Aa
Line Spacing:
Column Width:
Background:
Article

Analyzing the Effectiveness of Single Active Bridge DC-DC Converter under Transient and Load Variation

by
Saad Khan Baloch
1,*,
Abdul Sattar Larik
2 and
Mukhtiar Ahmed Mahar
2
1
Department of Electrical Engineering, Isra University, Hyderabad 71000, Pakistan
2
Department of Electrical Engineering, Mehran University of Engineering and Technology, Jamshoro 76060, Pakistan
*
Author to whom correspondence should be addressed.
Sustainability 2023, 15(6), 4773; https://doi.org/10.3390/su15064773
Submission received: 3 February 2023 / Revised: 1 March 2023 / Accepted: 2 March 2023 / Published: 8 March 2023

Abstract

:
Over the last couple of years, the use of DC-DC converters is being widely used in several applications. The need for a reliable and robust converter for application is very important because of the social impact that it can have on the losses in high-power electronics applications and output efficiency. This paper gives a comprehensive review of single-active-bridge (SAB) converters. The detail modelling and performance evaluation of SAB topology with PI controllers are also presented in this article. The performance of SAB topology is analyzed under transient and load variations. Due to the nonlinear behavior of SAB topology, the traditional PI controllers have not minimized transient disturbances. The major problem with the usage of conventional controllers and traditional configurations for the SAB converter are the ripples, which are generated in output voltage and current. These ripples severely affect the performance of the SAB converter. An effort has been made to analyze and contribute to the importance of a robust controller to mitigate the converter dynamics. This article also gives an in-depth dynamic analysis of SAB converters, which were controlled using PI controllers and failed to perform satisfactorily under non-linearities.

1. Introduction

1.1. DC-DC Converters

From the past several years, researchers have been continuously involved in designing numerous topologies to mitigate the losses in high-power electronics applications. With high-power frequencies involved, the problem of output performance of DC-to-DC converters has become a source of new avenues of research. With the advancement of technology and rapid innovations, different arrangements of DC-DC topologies are being introduced. DC-DC converters are variable structure systems that switch operations. DC-DC converters are frequently utilized in various industrial applications due to their smart features, which include having higher efficiency, being less expensive, and most importantly, have switch-mode operations [1,2].
It is well known that there are several topologies of DC-DC converters. A DC voltage source can be changed from one DC voltage level to another using an electronic circuit known as a DC-DC converter. A variety of electronic industrial applications employ DC-DC converters because of their great efficiency and ability to produce output at a variable voltage. The power electronics industry frequently uses DC-DC converters. Moreover, the output voltage stabilizer from renewable energy sources, such as photovoltaic cells, are a common application for DC-DC converters (PV). As DC-DC converters reduce high DC voltage to a more controllable level, numerous researchers have explored and developed DC-DC converters to achieve high performance and higher power efficiency [3].
In [4], the researcher suggests DC-DC converter parameters of a proportional integral (PI) controller for the best use of hybrid renewable energy sources (HRESs), utilizing the proposed technology and a hybrid control technique. The DC-DC converter was used to analyze HRESs, such as photovoltaic (PV), wind turbine (WT), and battery energy storage systems (BESSs).
For the best use of hybrid renewable energy sources (HRESs) with a hybrid control technique, the researcher in [5] suggests a DC-DC converter. Multiple input single output (MISO) DC-DC converters, which can accept a range of input sources and combine their benefits to deliver controlled output for a variety of applications, are one type of multi-input power electronics converters used in hybrid renewable energy systems. The basic design of the DC-DC converters structure is simple, and hence, they are mainly used for power electronics applications.
The researcher in [6] used a two-stage bidirectional DC-DC converter to improve the voltage regulation range and stability of the DC-DC converter system. DC-DC converter has been widely used in DC power systems fields, such as more-electric-aircraft. The bidirectional DC-DC converter has a great application prospect in more-electric aircrafts because of its small size, high utilization, and carrying convenience. New requirements are put forward for the bidirectional DC-DC converter to ensure the reliable operation of the DC power system and load power supply system for efficient results.
An ultrahigh step-up DC-DC converter consisting of two boosting stages, a linked inductor and switching capacitors, was proposed by the authors in [7]. High-voltage gain, minimal voltage stress on switches, input current continuity, and the presence of common ground between the source and load are some of the converter’s advanced features. Because of the smaller size, it performs more effectively. The suggested DC-DC converter provides optimum results by increasing voltage with a higher voltage gain per turns ratio.
In many applications, including photovoltaic (PV), wind energy systems, hybrid microgrid systems, hybrid electric vehicles, and fuel cell hybrid systems, DC-DC converters play a crucial role in achieving the desired output of voltage or current and stabilizing the DC bus. The bidirectional DC-DC converter (BDC) is designed in the hybrid system to convert power between energy storage sources [8].
The SAB converter is also a DC-DC converter with many attractive features, such as a simple structure and lower conduction and switching losses [9,10,11].

1.2. SAB Converter as DC-DC Converter and Its Advantages

The SAB converter advantages includes operating at a very high frequency and high power, and this topology is normally used where unidirectional power is needed. The SAB converter has recently drawn the attention of many researchers because of its smart features. SAB converter techniques reduce the switching losses and stresses; therefore, soft-switched SAB converters can be operated at high frequencies (typically 500 kHz to a few megahertz) and hence given the name as soft-switched SAB converters.
Further, these converters also suppress the electromagnetic interference. SAB converters have the advantage of switching softly and swiftly on very high power and high frequencies, such as 500 kHz to a few megahertz, while keeping the current stresses at the bare minimum level. Compared with the existing conventional DC-DC converters, the soft-switched SAB converters combine the advantages of conventional pulse width modulation converters and resonant converters.

2. SAB Converter

The SAB converter structure, applications, and recent topologies are discussed in this section as follows.

2.1. Structure

The SAB converter is an isolated buck-derived topology. The general diagram and circuit diagram of SAB converter are shown in Figure 1a,b. It is composed of a controllable half-bridge inverter on the primary side of the high-frequency transformer, and the H-bridge diode rectifier is connected on the secondary side [12,13,14]. The power of the SAB converter is unidirectional and controlled from the primary side of the transformer with active switches and is transferred to the secondary [15,16,17]. The combination of controllable switches (T1 and T2) with diodes (DSN1 and DSN2) acts as bidirectional switches. The snubber capacitor is connected with each bidirectional switch to achieve zero voltage switching (ZVS). The snubber capacitor also reduces the peak current and switching and conduction losses [18,19]. The SAB converter is a simple soft-switched topology because of the lower number of passive and active components. Due to the soft-switched behavior of the SAB converter, it reduces the switching losses and suppress the electromagnetic interference.

2.2. Applications

The SAB converter is found in several practical applications, such as wind energy conversion systems, photovoltaic (PV) systems, solid state transformer, high-voltage DC transmission systems [20,21,22]. During operation, the primary voltage is square waveform, and the inductor current has quasi triangular waveform. The SAB topology always operates in a step-down mode so its output voltage is less than the input voltage.

2.3. Recent Topologies of SAB Converter

In this section, the SAB topologies available in the literature are reviewed and summarized in Figure 2. Based on the switches connected to the active and passive bridges of the SAB converter, the topologies are classified as follows:
  • Secondary uncontrolled H-bridge configuration;
  • Voltage doubler configuration;
  • Secondary resonant configuration;
  • Modular configuration;
  • Three-phase full-bridge configuration.

2.3.1. Secondary Uncontrolled H-Bridge Configuration

In this SAB configuration, the secondary side of the transformer is connected with the uncontrolled diode H bridge, while the primary side converter is connected with either the full-active-bridge or the half active-bridge converter.
The earliest works on developing the SAB converter were reported in 2005 by [23]. The authors had developed an SAB converter that consisted of a controlled active half bridge connected on the primary side and an uncontrolled H bridge connected on the secondary side of the transformer. This topology is shown in Figure 3.
The authors derived the small signal model of the SAB converter whose dynamics were controlled with PI controllers. In this work, high-frequency oscillations during the discontinuous time interval with respect to the reference voltage variation and line voltage variations were witnessed. Ref. [24] presented the uncontrolled half-bridge configuration of the SAB converter for the solid-state transformer (SST). The SAB converter-based SST is illustrated in Figure 4. The SST consists of the H-bridge uncontrolled rectifier, the half-bridge configuration of SAB converter, and the H-bridge inverter. In this work, the dynamics of the SST were controlled with the PI controller.
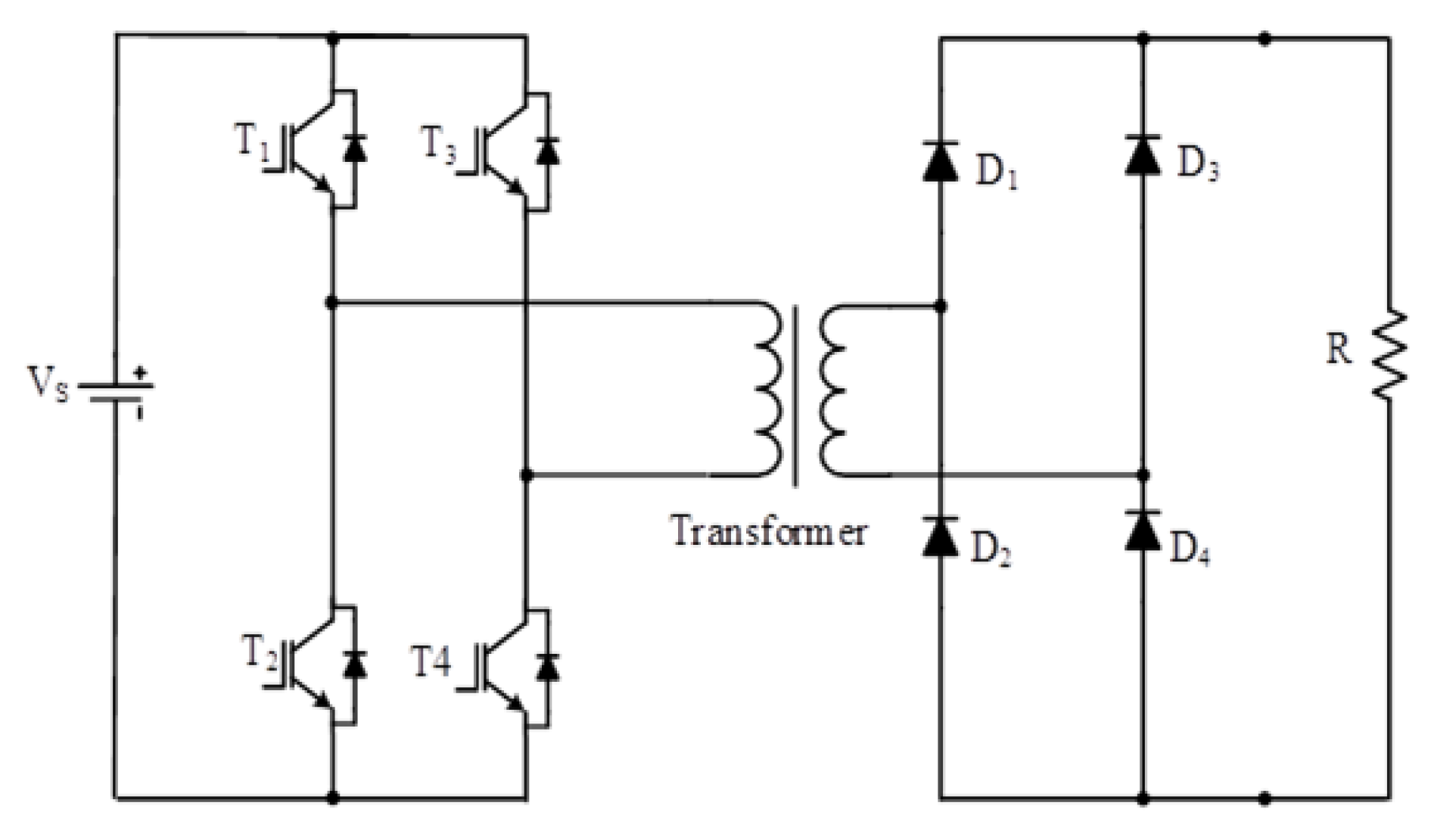
Ref. [25] proposed a controlled full active bridge on the primary side of the transformer. This topology is given in Figure 5. In their study, the usage of SAB converters for a standalone permanent magnet synchronous generator (PMSG) based wind system was developed. In this work, the speed was not optimally controlled because the PI controller was used and the higher value of the PMSG current was witnessed in the output current.
Ref. [26] also analyzed the behavior of the full active-bridge SAB converter in three operating modes, namely the continuous conduction (CCM), the discontinuous conduction mode (DCM), and the boundary conduction mode (BCM).
Ref. [27] investigated the performance of the full active-bridge SAB converters, which were connected in a star-type parallel DC network of a wind energy system. The whole control scheme was designed with PI controllers. This scheme worked well in DC networks but still failed to damp out the oscillations due to the interaction of capacitors, reactors, and network cables.

2.3.2. Voltage Doubler Configuration

This configuration of the SAB topology consists of active and passive bridges. The passive bridge is composed of a voltage doubler circuit connected on the secondary side of the transformer. The primary side is connected either with a full active bridge or single active bridge. Ref. [28] presented the SAB converter with a voltage doubler circuit connected at the secondary side of the transformer. This topology is illustrated in Figure 6. The stresses on the semiconductor switches and passive components were investigated in this work; however, the optimum output at the secondary side was still not witnessed. The half active bridge of the voltage doubler configuration is given in Figure 7.

2.3.3. Secondary Resonant Configuration

In this configuration of the SAB topology, the secondary side of the high frequency transformer is either connected with the diode H bridge or half bridge. Each diode is connected with a parallel resonant capacitor (Cr1 to Cr4). The primary side is connected with either a full active bridge or a half active bridge. This topology is obtained from the dual-active-bridge (DAB) DC-DC converter by replacing the secondary side converter with the resonant diode bridge.
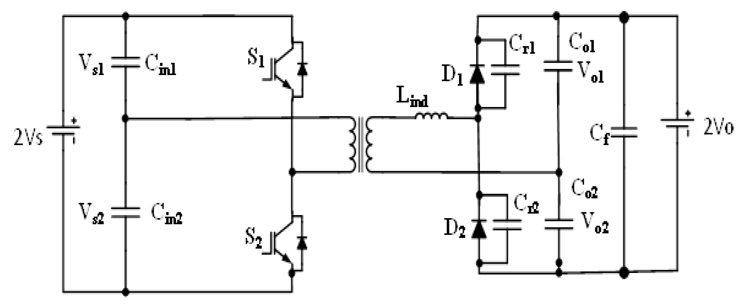
Ref. [29] investigated the output power characteristic of a secondary-resonant SAB DC-DC converter with the isolated high-frequency transformer. Such an arrangement is shown in Figure 8. The power factor and DC voltage conversion ratio of the high-frequency transformer was improved by adding a secondary resonant bridge. The SR-half-bridge SAB DC-DC converter is shown in Figure 9 [30].

2.3.4. Modular Configuration

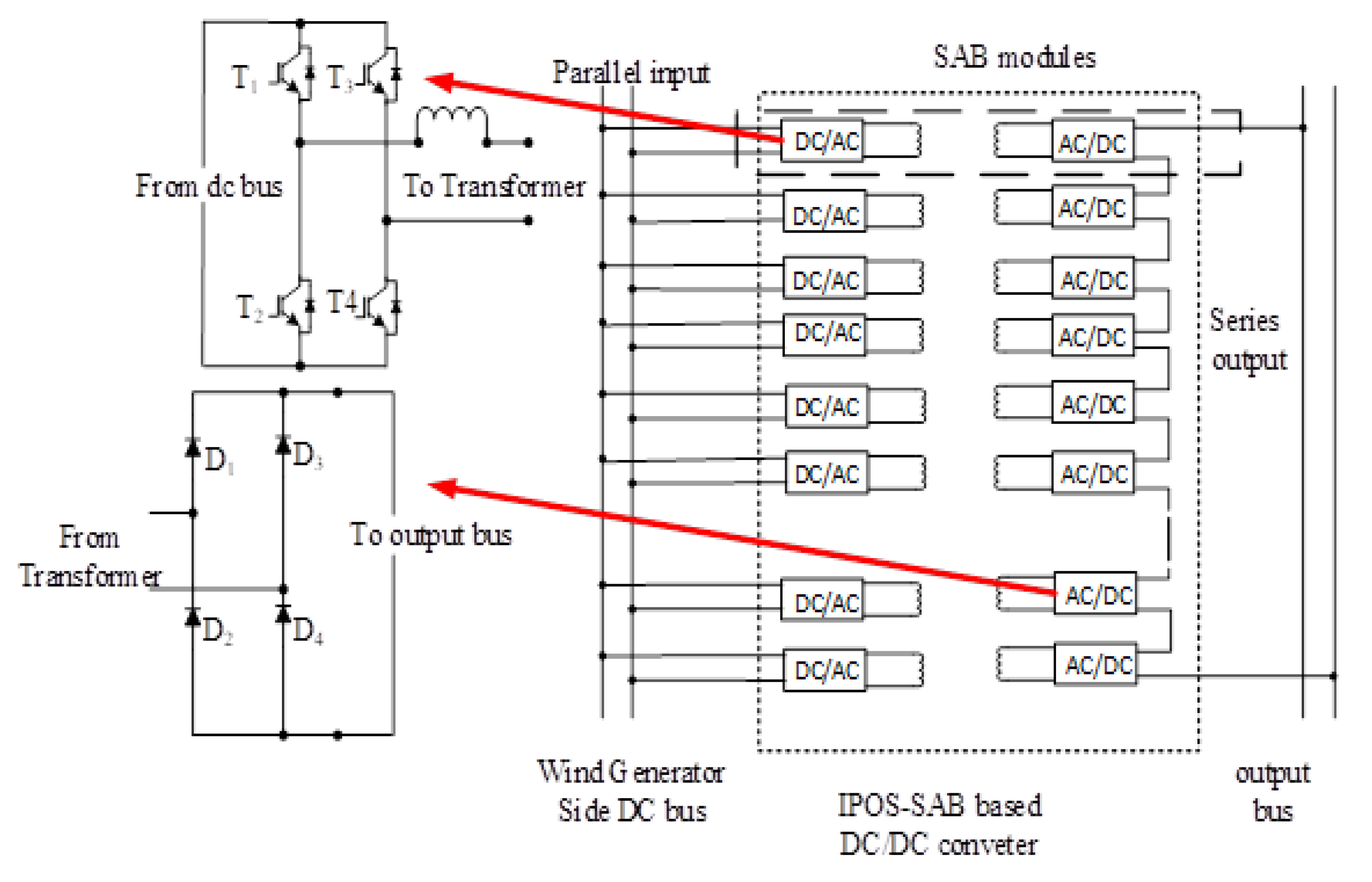
The modular configuration of the SAB topology increases the power capacity. In the modular configuration, the SAB modules are connected in series or in parallel at the input or output of the modular configuration. Ref. [31] presented and analyzed the performance of an input-parallel output-series (IPOS) modular SAB converter for an offshore wind plant controlled by a conventional modulator stator permanent magnet generator. This type of SAB topology is illustrated in Figure 10. It consists of eight identical SAB modules whose inputs are parallel connected, and the outputs are in series. Each SAB module consists of a controlled full active bridge on the primary side and a diode H bridge on the secondary side of transformer.
Ref. [32] also presented the modular structure of the SAB converter, which is shown in Figure 11. It consists of four SAB modules. The inputs and outputs of all SAB modules are connected in parallel on each side.
Ref. [33] also studied the modular connected the SAB DC-DC topology. The performance of the converter was observed with PI. Such topology is shown in Figure 12.

2.3.5. Three-Phase Full-Bridge Configuration

Three-phase full-bridge configuration of the SAB topology is composed of a three-phase full-active-bridge inverter, an isolated high-frequency, three-phase transformer, and a three-phase uncontrolled full bridge. Such a topology is shown in Figure 13a,b. Different configurations of the transformers may also be employed, such as delta-star, star-star, star-delta, delta-delta.
Ref. [34] investigated the three-phase single-active-bridge converter with three different configurations, i.e., star-delta, delta-star, and star-star. The voltage stresses on the converter components were compared by implementing these configurations, and the results show that the voltage and current values were very high.
Ref. [35] also presented a full-active-bridge three-phase SAB converter. In this work, the star-star connected high-frequency transformer is used to isolate two bridges.
The overall summary of several SAB topologies is given in the Table 1.

3. State-Space Modelling of SAB Converter

State-space techniques are normally used to handle discrete and dynamic systems, such as power converters. Such a model can readily simulate the steady state as well as the dynamic behavior of the power converters and their impacts on the system networks. The state-space model of the SAB converter is operated under continuous conduction mode (CCM).
The equivalent diagram of the SAB converter when the solid-state switch, T1, is turned on and the other switch, T2, remains off is shown in Figure 14.
According to Kirchhoff’s current law, the inductor current in Figure 14 is given by:
i i n d = i C + i o
where capacitor current i C is
i C = C d dt v C
and load current i O is given as:
i O = v C R
Therefore, (1) is rewritten as:
i i n d = C d d t v C + v C R
and
          d d t v C = i i n d C V C R C
x 2 = 1 C x 1 1 R C x 2
where i   i n d   = x 1   and   v C = x 2 are the state variables.
Appling Kirchhoff’s voltage law, the input voltage is given as:
V s = v i n d + v C
or
V s = L i n d d d t i i n d + v C
or
d d t i i n d = V s L i n d v C o L i n d
Therefore,
x 1 = V s L i n d 1 L i n d x 2
The state-space model of the SAB converter when T1 is ON is given by:
[ x 1 x 2 ] = [ 0   - 1 L i n d 1 C   - 1 R C ]   [ x 1 x 2 ] + [ 1 L i n d 0 ]   V s
where A1 is state and B1 is the source coefficient matrices
A 1 = [ 0   - 1 L i n d 1 C   - 1 R C ] & B 1 = [ 1 L i n d 0 ]
Similarly, the state-space model of the SAB converter is found from Figure 15. When T1 is turned off, the current is decreased. In this case the polarity of the supply voltage is changed from a positive to negative sign, which forward biases the freewheeling diode, DSN2.
[ x 1 x 2 ] = [ 0   - 1 L i n d 1 C   - 1 R C ]   [ x 1 x 2 ] + [ 1 L i n d 0 ] V s
where A2 is the state coefficient matrix and B2 is the source coefficient matrix:
A 2 = [ 0   - 1 L i n d 1 C   - 1 R C ] & B 2 = [ 1 L i n d 0 ]  
The state-space average model of the SAB topology can be found by considering (11) and (12).
x = [ A 1 d + A 2 ( 1 d ) ] x + [ B 1 d + B 2 ( 1 d ) ] u
A = A 1 = A 2 = A 1 d + A 2 ( 1 d )
and
B = B 1 d + B 2 ( 1 d )
B = [ 1 L i n d 0 ]   d + [ 1 L i n d 0 ] [ 1 L i n d 0 ] d = [ 2 d 1 L i n d 0 ]
The average state-space model of the SAB converter is represented by (17):
[ x 1 x 2 ] = [ 0 1 L i n d 1 C 1 R C ]   [ x 1 x 2 ] + [ 2 d 1 L i n d 0 ] V s
State variable x 1 is an inductor current whose first derivative is given as:
x 1 = ( 2 d 1 ) V s L i n d 1 L i n d x 2
d i i n d d t = ( 2 d 1 ) V s L i n d 1 L i n d v o
where vc = vo.
Similarly, the first derivative of the state variable (capacitor voltage) is given by:
x 2 = 1 C x 1 1 R C x 2
d v o d t = 1 C i i n d 1 R C v o
d v o d t = i i n d _ i R C

4. Control Scheme Design of SAB Converter

The dynamics of the SAB topology are controlled using a cascaded control scheme. The cascaded control scheme is used to quickly control the disturbances before they reach the SAB converter. This scheme is illustrated in Figure 16.
The cascade scheme is designed by decomposing the order systems of the SAB converter into first order systems (voltage and current loops). The control scheme consists of the inner current loop and the outer voltage loop. Both loops are designed with PI controllers. The outer voltage loop is much slower than the inner loop. The outer loop generates the reference point for the current loop. From the state-space averaging model of the SAB topology, (19) and (21) describe the current and voltage dynamics, respectively.

4.1. Outer Voltage Control Loop

The voltage loop is modeled from (19) by considering the inductor current as the control input to the SAB topology. Therefore, the transfer function of the output voltage to the inductor current is given by (8), and the corresponding voltage control loop is shown in Figure 17.
G v s   ( s ) = V o   ( s ) i i n d ( s ) = R R C s + 1
Consider PI controller for voltage loop,
G P I 1 ( s ) = K 1     ( R 1   C s + 1 ) R 1   s
The transfer function of Figure 17 is given by (25):
H v s ( s ) = V o ( s ) V r ( s ) = G P I 1 ( s ) G v s ( s ) 1 + G P I 1 ( s ) G v s ( s )
By solving (25),
K 1   = 1 R 1   C

4.2. Inner Current Control Loop

In the cascade control scheme, the current loop acts as a secondary controller. The detailed equations of the voltage and current loops are available in [36]. The output of the voltage loop is considered as a reference inductor current for the current loop. The PI controller is considered for the current loop. This loop is modelled from (21), and the corresponding block diagram of the current loop is shown in Figure 18.
G P I 2 ( s ) = K 2     ( T s + 1 ) s
After solving the transfer function of the current loop of Figure 18, the required value of K2 is given as follows:
K 2   = N 2 ω n 2 L i n d V S

5. Simulation Model of SAB Converter with Cascade Control Scheme

The dynamics of the SAB converter with the cascade control scheme are analyzed in MATLAB/Simulink software. Both loops were designed with PI controllers. The values of the voltage loop PI controller are obtained from (24) and (26). Similarly, (27) and (28) are used to develop the PI controller for the current loop. The complete Simulink model of the SAB topology with PI controllers is given in Figure 19.
The performance of the SAB topology is analyzed under steady-state, transient, and dynamic regions. The SAB topology is simulated with parameters as given in Table 2.

6. Results and Discussion

In this section, the authors analyzed the dynamics of the SAB converter with the cascaded control scheme under the transient region and load variation parameters. The SAB converter controlled with the PI controller clearly shows the oscillations in the simulated curves of the output voltage and inductor current under transient as represented in Section 6.1. The load variations were also successfully simulated under step variation and output voltage as mentioned in Section 6.2. The comparative analysis of the peak-to-peak overshoot and settling time in the output voltage of SAB converter are also carried out as represented in Section 6.1 and Section 6.2 respectively. The overall discussion in this chapter validates the PI controller used in the SAB configurations have not produced the optimum results and hence justifies the main aim of the article written by the authors. Moreover, it opens the doors and leads to future research on the need to have a better performing controller which is robust and efficient enough to control the linearities of SAB converters.
The transient analysis, load variation analysis and comparative analysis are mentioned separately below:

6.1. Transient Analysis

Figure 20 shows the simulated results of the output voltage and inductor current of the SAB converter. The peak-to-peak overshoot in the output voltage is 133 V, which settles down to a steady-state value in 320 ms. Similarly, the peak-to-peak value of the inductor current during switching of the converter is 9.43 A and comes to a normal value in 190 ms.

6.2. Load Variation Analysis

During load variation, a step change in load, as shown in Figure 21, is applied to the SAB converter. During this change, the peak-to-peak overshoot in output voltage is 19.7 V, which comes to steady-state value in 190 ms.
The simulation results of the output voltage and inductor current are tabulated in Table 3. Comparative analyses of the peak-to-peak overshoot and settling time in the output voltage of the SAB converter are shown in Figure 22 and Figure 23, respectively.
The Comparative analysis of the peak-to-peak overshoot settling time in the output voltage of the SAB converter is shown in Figure 23.
The comparative analysis of the SAB converter with respect to the peak-to-peak overshoot and settling time is represented in Table 3.

7. Conclusions

An effort has been made in this article to provide a comprehensive review of several SAB converters. Based on this review, the classification of the SAB converter is also given. The detail modelling of the SAB topology and cascaded control scheme is presented. The authors have successfully analyzed the dynamics of the SAB converter, which was simulated under transient and load variations, and hence, it is observed from the simulated results that the cascaded control scheme quickly controls the disturbances before it reaches the SAB converter. This is due to the inner current fast loop of the cascaded controller. The issues pertaining to the controller importance in SAB converter topologies associated with output efficacy have been explained by the authors, which have contributed to understanding the need for a reliable controller in today’s ever-growing and complex power electronics industry.

Author Contributions

Conceptualization, S.K.B. and A.S.L.; methodology, S.K.B. and M.A.M.; software, M.A.M.; validation, A.S.L., S.K.B. and A.S.L.; formal analysis, S.K.B. and M.A.M.; investigation, S.K.B. and M.A.M.; resources, S.K.B. and A.S.L.; data curation, S.K.B. and M.A.M.; writing—original draft preparation, S.K.B. and A.S.L.; writing—review and editing, S.K.B. and M.A.M.; visualization, S.K.B. and A.S.L.; supervision, A.S.L.; project administration, M.A.M. All authors have read and agreed to the published version of the manuscript.

Funding

This research received no external funding.

Institutional Review Board Statement

Not applicable.

Informed Consent Statement

Not applicable.

Data Availability Statement

Not applicable.

Acknowledgments

The authors would like to thank Mehran University of Engineering and Technology Jamshoro, Sindh, Pakistan for the research facility provided. The authors also acknowledge the support extended by Isra University Hyderabad, Sindh, Pakistan.

Conflicts of Interest

The authors declare no conflict of interest.

References

  1. Martinez-Lopez, M.; Moreno-Valenzuela, J.; He, W. A robust nonlinear PI-type controller for the DC–DC buck–boost power converter. ISA Trans. 2022, 129, 687–700. [Google Scholar] [CrossRef] [PubMed]
  2. Nayanasiri, D.; Li, Y. Step-Down DC–DC Converters: An Overview and Outlook. Electronics 2022, 11, 1693. [Google Scholar] [CrossRef]
  3. Samosir, A.S.; Sutikno, T.; Mardiyah, L. Simple formula for designing the PID controller of a DC-DC buck converter. Int. J. Power Electron. Drive Syst. 2023, 14, 327. [Google Scholar] [CrossRef]
  4. Selvabharathi, P.; Kamatchi Kannan, V. A DC–DC Converter Topology for Optimal Utilization of Hybrid Renewable Energy Resources Using Hybrid Technique. IETE J. Res. 2023, 1–17. [Google Scholar] [CrossRef]
  5. Soldado-Guamán, J.; Herrera-Perez, V.; Pacheco-Cunduri, M.; Paredes-Camacho, A.; Delgado-Prieto, M.; Hernandez-Ambato, J. Multiple Input-Single Output DC-DC Converters Assessment for Low Power Renewable Sources Integration. Energies 2023, 16, 1652. [Google Scholar] [CrossRef]
  6. Liu, X.; Wu, X. A two-stage bidirectional DC-DC converter system and its control strategy. Energy 2023, 266, 126462. [Google Scholar] [CrossRef]
  7. Abbasi, V.; Talebi, N.; Rezaie, M.; Arzani, A.; Moghadam, F.Y. Ultrahigh Step-Up DC-DC Converter Based on Two Boosting Stages with Low Voltage Stress on Its Switches. IEEE Trans. Ind. Electron. 2023, early access. [Google Scholar] [CrossRef]
  8. Trinh, H.A.; Nguyen, D.G.; Phan, V.D.; Duong, T.Q.; Truong, H.V.A.; Choi, S.J.; Ahn, K.K. Robust Adaptive Control Strategy for a Bidirectional DC-DC Converter Based on Extremum Seeking and Sliding Mode Control. Sensors 2023, 23, 457. [Google Scholar] [CrossRef]
  9. Litrán, S.P.; Durán, E.; Semião, J.; Díaz-Martín, C. Multiple-Output DC-DC Converters: Applications and Solutions. Electronics 2022, 11, 1258. [Google Scholar] [CrossRef]
  10. Affam, A.; Buswig, Y.M.; Othman, A.K.B.H.; Julai, N.b.; Qays, O. A review of multiple input DC-DC converter topologies linked with hybrid electric vehicles and renewable energy systems. Renew. Sustain. Energy Rev. 2021, 135, 110186. [Google Scholar] [CrossRef]
  11. Demetriades, G.D.; Nee, H.P. Characterisation of the soft-switched single-active bridge topology employing a novel control scheme for high-power dc-dc applications. In Proceedings of the 2005 IEEE 36th Power Electronics Specialists Conference, Dresden, Germany, 16 June 2005; pp. 1947–1951. [Google Scholar]
  12. Max, L.; Thiringer, T. Control method and snubber selection for a 5 MW wind turbine single active bridge DC/DC converter. In Proceedings of the European Conference on Power Electronics and Applications, Aalborg, Denmark, 2–5 September 2007; pp. 1–10. [Google Scholar]
  13. Lenke, R.U.; Hu, J.; de Doncker, R.W. Unified steady-state description of phase-shift-controlled ZVS-operated series-resonant and non-resonant single-active-bridge converters. In Proceedings of the 2009 IEEE Energy Conversion Congress and Exposition, ECCE 2009, San Jose, CA, USA, 20–24 September 2009; pp. 796–803. [Google Scholar]
  14. Garcia-Bediaga, A.; Rujas, A.; Villar, I.; Barrade, P.; Rufer, A. New parametric model of medium-frequency single-active-bridge converters. In Proceedings of the 2013 15th European Conference on Power Electronics and Applications, EPE 2013, Lille, France, 2–6 September 2013. [Google Scholar]
  15. Park, K.; Chen, Z. Analysis and design of a parallel-connected single active bridge DC-DC converter for high-power wind farm applications. In Proceedings of the 2013 15th European Conference on Power Electronics and Applications, EPE 2013, Lille, France, 2–6 September 2013. [Google Scholar]
  16. Ting, Y.; de Haan, S.; Ferreira, J.A. The partial-resonant single active bridge DC-DC converter for conduction losses reduction in the single active bridge. In Proceedings of the 2013 IEEE ECCE Asia Downunder—5th IEEE Annual International Energy Conversion Congress and Exhibition, IEEE ECCE Asia 2013, Melbourne, Australia, 3–6 June 2013; pp. 987–993. [Google Scholar]
  17. Ting, Y.; de Haan, S.; Ferreira, J.A. Efficiency improvements in a Single Active Bridge modular DC-DC converter with snubber capacitance optimisation. In Proceedings of the 2014 International Power Electronics Conference, IPEC-Hiroshima—ECCE Asia 2014, Hiroshima, Japan, 18–21 May 2014; pp. 2787–2793. [Google Scholar]
  18. Pereira, T.; Hoffmann, F.; Zhu, R.; Liserre, M. A Comprehensive Assessment of Multiwinding Transformer-Based DC-DC Converters. IEEE Trans. Power Electron. 2021, 36, 10020–10036. [Google Scholar] [CrossRef]
  19. Hossain, M.Z.; Rahim, N.A.; Selvaraj, J. Recent progress and development on power DC-DC converter topology, control, design and applications: A review. Renew. Sustain. Energy Rev. 2018, 81, 205–230. [Google Scholar] [CrossRef]
  20. Turksoy, A.; Teke, A.; Alkaya, A. A comprehensive overview of the dc-dc converter-based battery charge balancing methods in electric vehicles. Renew. Sustain. Energy Rev. 2020, 133, 110274. [Google Scholar] [CrossRef]
  21. Jeremy, L.J.; Ooi, C.A.; Teh, J. Non-isolated conventional DC-DC converter comparison for a photovoltaic system: A review. J. Renew. Sustain. Energy 2020, 12, 013502. [Google Scholar] [CrossRef]
  22. Paez, J.D.; Frey, D.; Maneiro, J.; Bacha, S.; Dworakowski, P. Overview of DC–DC Converters Dedicated to HVdc Grids. IEEE Trans. Power Deliv. 2019, 34, 119–128. [Google Scholar] [CrossRef]
  23. Demetriades, G.; Nee, H. Small-signal analysis of the half-bridge soft-swithing uni-directional converter employing extended state-space averaging. In Proceedings of the IEEE Power Electronics Specialists Conference, Rhodes, Greece, 15–19 June 2008; pp. 385–391. [Google Scholar]
  24. Sen, S.; Zhang, L.; Xu, R.; Huang, A.Q. Medium Voltage Single-stage Single Active Bridge based Solid State Transformer. In Proceedings of the Conference Record of the 3rd IEEE International Workshop on Electronic Power Grid, eGrid 2018, Charleston, SC, USA, 12–14 November 2018. [Google Scholar]
  25. Finaviya, N.K.; Rudraraju, V.R.R.; Venkatraman, K. A MPPT control scheme for standalone PMSG system with single active bridge. In Proceedings of the IEEE International Conference on Intelligent Computing, Instrumentation and Control Technologies ICICICT, Kannur, India, 6–7 July 2017; pp. 457–462. [Google Scholar]
  26. Jha, R.; Forato, M.; Prakash, S.; Dashora, H.; Buja, G. An Analysis-Supported Design of a Single Active Bridge (SAB) Converter. Energies 2022, 15, 666. [Google Scholar] [CrossRef]
  27. Sang, Y.; Junyent-Fcrré, A.; Xiang, X.; Green, T. Analysis and Control of a Parallel DC Collection System for Wind Turbines with Single Active Bridge Converters. In Proceedings of the IEEE Energy Conversion Congress and Exposition ECCE, Portland, OR, USA, 23–27 September 2018; pp. 1005–1012. [Google Scholar]
  28. Averberg, A.; Mertens, A. Characteristics of the single active bridge converter with voltage doubler. In Proceedings of the 13th IEEE International Power Electronics and Motion Control Conference, Poznan, Poland, 1–3 September 2008; pp. 213–220. [Google Scholar]
  29. Tuan, C.A.; Takeshita, T. Output Power Characteristics of Unidirectional Secondary-Resonant Single-Active-Bridge DC-DC Converter using Pulse Width Control. IEEJ J. Ind. Appl. 2022, 11, 359–368. [Google Scholar] [CrossRef]
  30. Tuan, C.A.; Takeshita, T. Analysis and output power control of unidirectional secondary-resonant single-active-half-bridge dc-dc converter. Energies 2021, 14, 7432. [Google Scholar] [CrossRef]
  31. Wang, K.; Xie, B.; Cai, X. Research on Modular Stator Permanent Magnet Generator Based on Input-Parallel Output-Series Single Active Bridge Converter for Offshore Wind Farms. In Proceedings of the IEEE International Power Electronics and Application Conference and Exposition PEAC, Shenzhen, China, 4–7 November 2018; pp. 1–6. [Google Scholar]
  32. Ting, Y.; de Haan, S.; Ferreira, B. Modular single-active Bridge DC-DC converters: Efficiency optimization over a wide load range. IEEE Ind. Appl. Mag. 2016, 22, 43–52. [Google Scholar] [CrossRef]
  33. Park, K.; Chen, Z. Control and dynamic analysis of a parallelconnected single active bridge dc-dc converter for dc-grid wind farm application. IET Power Electron. 2015, 8, 665–671. [Google Scholar] [CrossRef]
  34. Jacobs, J.; Thömmes, M.; de Doncker, R. A transformer comparison for three-phase single active bridges. In Proceedings of the 2005 European Conference on Power Electronics and Applications, Dresden, Germany, 11–14 September 2005. [Google Scholar]
  35. Sang, Y.; Junyent-Ferre, A.; Green, T.C. Operational Principles of Three-Phase Single Active Bridge DC/DC Converters under Duty Cycle Control. IEEE Trans. Power Electron. 2020, 35, 8737–8750. [Google Scholar] [CrossRef]
  36. Tsang, K.M.; Chan, W.L. Non-linear cascade control of DC/DC Buck converter. Electr. Power Compon. Syst. 2008, 36, 977–989. [Google Scholar] [CrossRef]
Figure 1. SAB converter: (a) general diagram; (b) circuit diagram.
Figure 1. SAB converter: (a) general diagram; (b) circuit diagram.
Sustainability 15 04773 g001
Figure 2. SAB converter topologies.
Figure 2. SAB converter topologies.
Sustainability 15 04773 g002
Figure 3. Half-active-bridge configuration of SAB converter.
Figure 3. Half-active-bridge configuration of SAB converter.
Sustainability 15 04773 g003
Figure 4. SST SAB configuration.
Figure 4. SST SAB configuration.
Sustainability 15 04773 g004
Figure 5. Full-active-bridge configuration of SAB converter.
Figure 5. Full-active-bridge configuration of SAB converter.
Sustainability 15 04773 g005
Figure 6. Full-active-bridge SAB converter with voltage doubler.
Figure 6. Full-active-bridge SAB converter with voltage doubler.
Sustainability 15 04773 g006
Figure 7. Half-active-bridge SAB converter with voltage doubler.
Figure 7. Half-active-bridge SAB converter with voltage doubler.
Sustainability 15 04773 g007
Figure 8. Unidirectional SR-full-bridge SAB converter.
Figure 8. Unidirectional SR-full-bridge SAB converter.
Sustainability 15 04773 g008
Figure 9. Unidirectional SR-half-bridge SAB converter.
Figure 9. Unidirectional SR-half-bridge SAB converter.
Sustainability 15 04773 g009
Figure 10. IPOS Modular SAB configuration.
Figure 10. IPOS Modular SAB configuration.
Sustainability 15 04773 g010
Figure 11. IPOP SAB Modular configuration.
Figure 11. IPOP SAB Modular configuration.
Sustainability 15 04773 g011
Figure 12. SAB converter with parallel configuration.
Figure 12. SAB converter with parallel configuration.
Sustainability 15 04773 g012
Figure 13. Three-phase full-bridge SAB converter configuration: (a) three-phase full-bridge SAB converter with three different configurations, i.e., star-delta, delta-star, and star-star; (b) three-phase full-bridge SAB converter star-star connected high frequency transformer.
Figure 13. Three-phase full-bridge SAB converter configuration: (a) three-phase full-bridge SAB converter with three different configurations, i.e., star-delta, delta-star, and star-star; (b) three-phase full-bridge SAB converter star-star connected high frequency transformer.
Sustainability 15 04773 g013
Figure 14. The circuit diagram of SAB converter when T1 is turned on.
Figure 14. The circuit diagram of SAB converter when T1 is turned on.
Sustainability 15 04773 g014
Figure 15. The circuit diagram of SAB converter when DSN2 is forward biased.
Figure 15. The circuit diagram of SAB converter when DSN2 is forward biased.
Sustainability 15 04773 g015
Figure 16. Cascaded control scheme of SAB converter.
Figure 16. Cascaded control scheme of SAB converter.
Sustainability 15 04773 g016
Figure 17. Voltage control loop.
Figure 17. Voltage control loop.
Sustainability 15 04773 g017
Figure 18. Current control loop.
Figure 18. Current control loop.
Sustainability 15 04773 g018
Figure 19. Simulink Model of soft-switched SAB converter.
Figure 19. Simulink Model of soft-switched SAB converter.
Sustainability 15 04773 g019
Figure 20. Output voltage and inductor current during transient.
Figure 20. Output voltage and inductor current during transient.
Sustainability 15 04773 g020
Figure 21. Step variation and output voltage during load variation.
Figure 21. Step variation and output voltage during load variation.
Sustainability 15 04773 g021
Figure 22. Comparative analysis of peak-to-peak overshoot in output voltage of SAB converter.
Figure 22. Comparative analysis of peak-to-peak overshoot in output voltage of SAB converter.
Sustainability 15 04773 g022
Figure 23. Comparative analysis of peak-to-peak overshoot settling time in output voltage of SAB converter.
Figure 23. Comparative analysis of peak-to-peak overshoot settling time in output voltage of SAB converter.
Sustainability 15 04773 g023
Table 1. Summary of SAB topologies.
Table 1. Summary of SAB topologies.
AuthorsYearSAB ConfigurationControl SchemeActive BridgePassive BridgeApplications
SDCDC
Demetrides and Nee2008Half active bridge with secondary H bridge
Figure 3
Turn off time with PI22241---
S. Sen, L. Zhang, R. Xu and A.Q. Huang2018Half active bridge with secondary H bridge
Figure 4
PI22241Solid-state transformer
N.K. Finaviya, V.R.R. Rudraraju and K. Venkatraman2017Full active bridge with secondary H bridge
Figure 5
Phase shift PWM
PI
44-4-Wind system
R. Jha, M. Forato, S. Prakash, H. Dashora and G. Buja2022Full active bridge with secondary H bridge
Figure 5
44441---
Y. Sang, A. Junyent-Fcrré, X. Xiang and T.C. Green2018Full active bridge with secondary H bridge
Figure 5
PI44141Offshore Wind system
Averberg and Mertens2008Full active bridge with voltage doubler circuit
Figure 6
----44121----
Tuan and Takeshita2021SR full bridge SAB Converter
Figure 8
44145----
Tuan and Takeshita2021SR half bridge SAB Converter
Figure 9
22225----
K. Wang, B. Xie and X. Cai2018IPOS Modular SAB converter
Figure 10
PI3232-328Offshore Wind system
Y. Ting, S. De Haan and B. Ferreira2016IPOP Modular SAB converter
Figure 11
---161620164----
J. Jacobs, M. Thommes and R.W.A.A. De Doncker2005Three phase full bridge configuration
Figure 13a
66161----
Y. Sang, A. Junyent-Ferre and T.C. Green2020Three phase full bridge configuration
Figure 13b
66161----
Table 2. SAB Parameters.
Table 2. SAB Parameters.
Parameter NameSymbolValue
Input supply voltageVS450 V
Output voltageVo400 V
Series InductorLind150 mH
Output capacitorC400 µF
Snubber capacitorCsn10 nF
Switching frequencyFs10 kHz
Table 3. Comparative analysis of peak-to-peak overshoot and settling time in output voltage of SAB converter.
Table 3. Comparative analysis of peak-to-peak overshoot and settling time in output voltage of SAB converter.
ParametersOutput VoltageStep VariationInductor Current
Pk Pk (V)T (ms)Pk Pk (A)T (ms)
Transient133320----9.43190
Load variation19.719040 to 50 ohms--------
Disclaimer/Publisher’s Note: The statements, opinions and data contained in all publications are solely those of the individual author(s) and contributor(s) and not of MDPI and/or the editor(s). MDPI and/or the editor(s) disclaim responsibility for any injury to people or property resulting from any ideas, methods, instructions or products referred to in the content.

Share and Cite

MDPI and ACS Style

Baloch, S.K.; Larik, A.S.; Mahar, M.A. Analyzing the Effectiveness of Single Active Bridge DC-DC Converter under Transient and Load Variation. Sustainability 2023, 15, 4773. https://doi.org/10.3390/su15064773

AMA Style

Baloch SK, Larik AS, Mahar MA. Analyzing the Effectiveness of Single Active Bridge DC-DC Converter under Transient and Load Variation. Sustainability. 2023; 15(6):4773. https://doi.org/10.3390/su15064773

Chicago/Turabian Style

Baloch, Saad Khan, Abdul Sattar Larik, and Mukhtiar Ahmed Mahar. 2023. "Analyzing the Effectiveness of Single Active Bridge DC-DC Converter under Transient and Load Variation" Sustainability 15, no. 6: 4773. https://doi.org/10.3390/su15064773

APA Style

Baloch, S. K., Larik, A. S., & Mahar, M. A. (2023). Analyzing the Effectiveness of Single Active Bridge DC-DC Converter under Transient and Load Variation. Sustainability, 15(6), 4773. https://doi.org/10.3390/su15064773

Note that from the first issue of 2016, this journal uses article numbers instead of page numbers. See further details here.

Article Metrics

Back to TopTop