Research on a Variable Water Supply Temperature Strategy for a Ground-Source Heat Pump System Based on TRNSYS-GENOPT (TRNOPT) Optimization
Abstract
1. Introduction
2. Air-Conditioning Load of the Building
2.1. Building Information
2.2. Simulation of the Hourly Load of the Building
3. Model Establishment
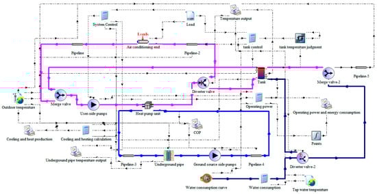
3.1. GSHP System Model
3.2. System Operation Description
- The simulation time period was 0–8760 h, and the simulation step size was 0.125 h.
- When the heating load is greater than 10% of the rated heating capacity of the unit, the heat pump starts to heat the area. When the cooling load is greater than 10% of the rated cooling capacity of the unit, the heat pump starts to cool the area.
- Part of the tap water enters the water tank, and part enters the water point, where it is mixed, and the water temperature is controlled at 45 °C.
4. Optimization of the Operation Strategy
4.1. Optimization of Water Supply’s Temperature for the Load Side
4.2. Water Supply Temperature Optimization Based on User-Load of the Units Using TRNSYS-GENOPT (TRNOPT)
4.2.1. Optimized Setting of Water Supply Temperature
4.2.2. Optimization Results and Analysis
5. Conclusions
Author Contributions
Funding
Institutional Review Board Statement
Informed Consent Statement
Data Availability Statement
Acknowledgments
Conflicts of Interest
References
- Xu, W.; Zhang, S. Current situation and development trend of Chinese GSHP technology. Sol. Energy 2007, 3, 11–14. [Google Scholar]
- Bozgeyik, A.; Altay, L.; Hepbasli, A. A sub-system design comparison of renewable energy based multi-generation systems: A key review along with illustrative energetic and exergetic analyses of a geothermal energy based system. Sustain. Cities Soc. 2022, 82, 103893. [Google Scholar] [CrossRef]
- Walch, A.; Li, X.; Chambers, J.; Mohajeri, N.; Yilmaz, S.; Patel, M.; Scartezzini, J.-L. Shallow geothermal energy potential for heating and cooling of buildings with regeneration under climate change scenarios. Energy 2022, 244, 123086. [Google Scholar] [CrossRef]
- Arat, H.; Arslan, O. Exergoeconomic analysis of district heating system boosted by the geothermal heat pump. Energy 2017, 119, 1159–1170. [Google Scholar] [CrossRef]
- Lmmle, M.; Bongs, C.; Wapler, J.; Günther, D.; Hess, S.; Kropp, M.; Herkel, S. Performance of air and ground source heat pumps retrofitted to radiator heating systems and measures to reduce space heating temperatures in existing buildings. Energy 2022, 242, 122952. [Google Scholar] [CrossRef]
- Zhang, H.; Han, Z.; Li, G.; Ji, M.; Cheng, X.; Li, X.; Yang, L. Study on the influence of pipe spacing on the annual performance of ground source heat pumps considering the factors of heat and moisture transfer. seepage and freezing. Renew. Energy 2021, 163, 262–275. [Google Scholar] [CrossRef]
- Zhu, S.; Sun, J.; Zhong, K.; Chen, H. Numerical Investigation of the Influence of Precooling on the Thermal Performance of a Borehole Heat Exchanger. Energies 2021, 15, 151. [Google Scholar] [CrossRef]
- Yin, Y.; Zhu, D.; Wang, N. Selection of water chiller units and energy consumption of water system. Heat. Vent. Air Cond. 2009, 39, 94–97. [Google Scholar]
- Chen, M. Impact Analysis of Chilled Water Temperature Control on Energy Consumption of Central Air Conditioning Plants. Build. Energy Environ. 2012, 31, 64–66. [Google Scholar]
- Thu, K.; Saththasivam, J.; Saha, B.B.; Chua, K.J.; Murthy, S.S.; Ng, K.C. Experimental investigation of a mechanical vapour compression chiller at elevated chilled water temperatures. Appl. Therm. Eng. 2017, 123, 226–233. [Google Scholar] [CrossRef]
- Ukai, M.; Tanaka, H. A case study of a pilot system with gas-engine heat pumps and a desiccant air handling system using higher chilled water temperature in Japan. Appl. Therm. Eng. 2022, 201, 117817. [Google Scholar] [CrossRef]
- Bai, M.; Wang, F.; Liu, J.; Wang, Z. Experimental and numerical studies of heat and mass transfer performance and design optimization of Fan-coil with high supply chilled water temperature in Air-Conditioning system. Sustain. Energy Technol. Assess. 2021, 45, 101209. [Google Scholar] [CrossRef]
- Wang, L.; Lee, E.W.; Yuen, R.K. A practical approach to chiller plants’ optimization. Energy Build. 2018, 169, 332–343. [Google Scholar] [CrossRef]
- Sala-Cardoso, E.; Delgado-Prieto, M.; Kampouropoulos, K.; Romeral, L. Predictive chiller operation: A data-driven loading and scheduling approach. Energy Build. 2020, 208, 109639. [Google Scholar] [CrossRef]
- Chang, Y.-C.; Chen, W.-H. Optimal chilled water temperature calculation of multiple chiller systems using Hopfield neural network for saving energy. Energy 2009, 34, 448–456. [Google Scholar] [CrossRef]
- Karami, M.; Wang, L. Particle Swarm Optimization for Control Operation of an All-Variable Speed Water-Cooled Chiller Plant. Appl. Therm. Eng. 2018, 130, 962–978. [Google Scholar] [CrossRef]
- Thangavelu, S.R.; Myat, A.; Khambadkone, A. Energy optimization methodology of multi-chiller plant in commercial buildings. Energy 2017, 123, 64–76. [Google Scholar] [CrossRef]
- Qiu, S.; Li, Z.; Li, Z.; Zhang, X. Model-free optimal chiller loading method based on Q-learning. Sci. Technol. Built Environ. 2020, 26, 1100–1116. [Google Scholar] [CrossRef]
- Qiu, S.; Li, Z.; Fan, D.; He, R.; Dai, X.; Li, Z. Chilled water temperature resetting using model-free reinforcement learning: Engineering application. Energy Build. 2022, 255, 111694. [Google Scholar] [CrossRef]
- Wei, X.; Yu, Z. Engineering Technical Specification for GSHP System, 2nd ed.; China Academy of Building Sciences: Beijing, China, 2009; pp. 9–10. [Google Scholar]
- Meng, Q.L.; Zhang, Z.B. Simulation study on the operation effect of variable water temperature strategy for variable air volume air conditioning system. J. Syst. Simul. 2019, 31, 1617–1626. [Google Scholar]
- Sun, R. Research on Load Prediction and Control Strategy of Efficient Refrigeration Room Based on Particle Swarm Optimization. Master’s Thesis, Qingdao Technological University, Qingdao, China, 2021. [Google Scholar]
- Li, Y.; Han, M.; Shahidehpour, M.; Li, J.; Long, C. Data-driven distributionally robust scheduling of community integrated energy systems with uncertain renewable generations considering integrated demand response. Appl. Energy 2023, 335, 120749. [Google Scholar] [CrossRef]
- Fang, J.; Feng, Z.; Cao, S.-J.; Deng, Y. The impact of ventilation parameters on thermal comfort and energy-efficient control of the ground-source heat pump system. Energy Build. 2018, 179, 324–332. [Google Scholar] [CrossRef]
- Wan, T.; Bai, Y.; Wang, T.; Wei, Z. BPNN-based optimal strategy for dynamic energy optimization with providing proper thermal comfort under the different outdoor air temperatures. Appl. Energy 2022, 313, 118899. [Google Scholar] [CrossRef]
- Gao, J.; Yan, J.; Xu, X.; Yan, T.; Huang, G. An optimal control method for small-scale GSHP-integrated air-conditioning system to improve indoor thermal environment control. J. Build. Eng. 2022, 59, 105140. [Google Scholar] [CrossRef]
- Martins, N.R.; Bourne-Webb, P.J. Providing renewable cooling in an office building with a Ground–Source heat pump system hybridized with natural ventilation & personal comfort systems. Energy Build. 2022, 261, 111982. [Google Scholar]
- Ye, M.; Nagano, K.; Serageldin, A.A.; Sato, H. Field studies on the energy consumption and thermal comfort of a nZEB using radiant ceiling panel and open-loop groundwater heat pump system in a cold region. J. Build. Eng. 2023, 67, 105999. [Google Scholar] [CrossRef]








| Floor | Window Area (m2) | Wall Area (m2) | Floor Area (m2) | Floor Height (m) | ||||||
|---|---|---|---|---|---|---|---|---|---|---|
| East | West | South | North | East | West | South | North | |||
| 1 | 18.59 | 0 | 85.46 | 100.26 | 73.00 | 91.59 | 225.00 | 210.20 | 1536.5 | 4.3 |
| 2 | 25.84 | 12.91 | 75.60 | 94.72 | 58.21 | 71.14 | 227.80 | 208.68 | 1519.8 | 4.1 |
| 3 | 25.84 | 12.91 | 70.00 | 64.40 | 55.93 | 68.86 | 203.80 | 209.40 | 1771.3 | 3.7 |
| 4 | 25.84 | 12.91 | 70.00 | 64.40 | 54.45 | 67.38 | 203.80 | 209.40 | 1603.4 | 3.7 |
| 5 | 25.84 | 12.91 | 70.00 | 64.40 | 54.45 | 67.38 | 203.80 | 209.40 | 1602.8 | 3.7 |
| 6 | 25.84 | 12.91 | 70.00 | 64.40 | 54.45 | 67.38 | 203.80 | 209.40 | 1603.4 | 3.7 |
| SUM | 147.79 | 64.55 | 441.06 | 452.58 | 350.49 | 433.73 | 1268.00 | 1256.48 | 9637.2 | 23.2 |
| Exterior wall: autoclaved aerated concrete external boards with a low thermal conductivity of λ = 0.16 W/(m·K) as the main body. Graphite polystyrene board with thickness of 200 mm, whose thermal conductivity is λ = 0.032 W/(m·K) is applied for the external insulation materials for external walls. |
| Roof: slope making material cement with low thermal conductivity of (λ = 0.07 W/(m·K)) and the hydrophobic perlite, extruded polystyrene board with thickness of 220 mm (λ = 0.03 W/(m·K)) is adopted as the roof insulation material. |
| Ground: the first layer of the ground is covered by extruded polystyrene board with thickness of 220 mm, whose thermal conductivity is λ = 0.03 W/(m·K). |
| Exterior window: transparent plastic window frame with aluminum alloy gusset, configured with three layers insulating Low-E glass which was sealed with spacing bar, the interlayer of the hollow glass is filled with inert gas of Argon, heat transfer coefficient is 1.0 W/(m2·K). Solar heat gain coefficient of glass is 0.32. |
| Skylights: VELUX Wooden skylights, heat transfer coefficient is 0.90 W/(m2·K), Solar heat gain coefficient of glass is 0.42 |
| Partial Load Ratio (%) | Water Supply Temperature during Cooling Season (°C) | Water Supply Temperature during Heating Season (°C) | ||
|---|---|---|---|---|
| Constant Temperature | Variable Temperature | Constant Temperature | Variable Temperature | |
| ≤20 | 7 | 12 | 50 | 45 |
| 30 | 7 | 11.4 | 50 | 45.6 |
| 40 | 7 | 10.8 | 50 | 46.3 |
| 50 | 7 | 10.1 | 50 | 46.9 |
| 60 | 7 | 9.5 | 50 | 47.5 |
| 70 | 7 | 8.9 | 50 | 48.1 |
| 80 | 7 | 8.3 | 50 | 48.8 |
| 90 | 7 | 7.6 | 50 | 49.4 |
| 100 | 7 | 7 | 50 | 50 |
| Optimization Variable | Initial Value (°C) | Optimization Range of the Variable (°C) | Iteration Step Size |
|---|---|---|---|
| Lower limit of water supply temperature during cooling season X1 | 12 | 5–15 | 1 |
| Upper limit of water supply temperature during cooling season X2 | 7 | 5–15 | 1 |
| Lower limit of water supply temperature during heating season Y1 | 45 | 40–50 | 1 |
| Upper limit of water supply temperature during heating season Y2 | 50 | 40–50 | 1 |
| Parameters | Value |
|---|---|
| Mesh Size Divider | 2 |
| Mesh Size Exponent | 0 |
| Mesh Size Exponent Increment | 1 |
| Number Of Step Reduction | 4 |
| Equipment | Model |
|---|---|
| Processor | Intel(R) Core (TM) i5-9500F CPU @ 3.00GHz 3.00 GHz |
| Band | RAM 8.00 GB |
| Device ID | B7CD1083-78FE-4B65-AE27-BE960E3144EB |
| Product ID | 00342-35940-13666-AAOEM |
| System type | 64-bit operating system, x64-based processor |
| Version | Windows 10 Home Edition |
| Partial Load Ratio (%) | Water Supply Temperature during Cooling Season (°C) | Water Supply Temperature during Heating Season (°C) | ||||
|---|---|---|---|---|---|---|
| Constant Temperature | Variable Temperature | Temperature Optimization Based on TRNOPT | Constant Temperature | Variable Temperature | Temperature Optimization Based on TRNOPT | |
| ≤20 | 7 | 12 | 11.4 | 50 | 45 | 43.8 |
| 30 | 7 | 11.4 | 10.9 | 50 | 45.6 | 44.3 |
| 40 | 7 | 10.8 | 10.4 | 50 | 46.3 | 44.9 |
| 50 | 7 | 10.1 | 9.97 | 50 | 46.9 | 45.5 |
| 60 | 7 | 9.5 | 9.5 | 50 | 47.5 | 46 |
| 70 | 7 | 8.9 | 9 | 50 | 48.1 | 46.6 |
| 80 | 7 | 8.3 | 8.6 | 50 | 48.8 | 47.2 |
| 90 | 7 | 7.6 | 8.1 | 50 | 49.4 | 47.7 |
| 100 | 7 | 7 | 7.6 | 50 | 50 | 48.3 |
| Schemes | Constant Temperature (kWh) | Variable Temperature (kWh) | Temperature Optimization Based on TRNOPT (kWh) |
|---|---|---|---|
| Total energy consumption | 184,842.92 | 174,311.51 | 173,239.47 |
Disclaimer/Publisher’s Note: The statements, opinions and data contained in all publications are solely those of the individual author(s) and contributor(s) and not of MDPI and/or the editor(s). MDPI and/or the editor(s) disclaim responsibility for any injury to people or property resulting from any ideas, methods, instructions or products referred to in the content. |
© 2023 by the authors. Licensee MDPI, Basel, Switzerland. This article is an open access article distributed under the terms and conditions of the Creative Commons Attribution (CC BY) license (https://creativecommons.org/licenses/by/4.0/).
Share and Cite
Cao, J.; Zhou, S.; Wang, T.; Shan, B.; Liu, X. Research on a Variable Water Supply Temperature Strategy for a Ground-Source Heat Pump System Based on TRNSYS-GENOPT (TRNOPT) Optimization. Sustainability 2023, 15, 4388. https://doi.org/10.3390/su15054388
Cao J, Zhou S, Wang T, Shan B, Liu X. Research on a Variable Water Supply Temperature Strategy for a Ground-Source Heat Pump System Based on TRNSYS-GENOPT (TRNOPT) Optimization. Sustainability. 2023; 15(5):4388. https://doi.org/10.3390/su15054388
Chicago/Turabian StyleCao, Jiaqi, Shiyu Zhou, Tao Wang, Baoqi Shan, and Xueping Liu. 2023. "Research on a Variable Water Supply Temperature Strategy for a Ground-Source Heat Pump System Based on TRNSYS-GENOPT (TRNOPT) Optimization" Sustainability 15, no. 5: 4388. https://doi.org/10.3390/su15054388
APA StyleCao, J., Zhou, S., Wang, T., Shan, B., & Liu, X. (2023). Research on a Variable Water Supply Temperature Strategy for a Ground-Source Heat Pump System Based on TRNSYS-GENOPT (TRNOPT) Optimization. Sustainability, 15(5), 4388. https://doi.org/10.3390/su15054388
